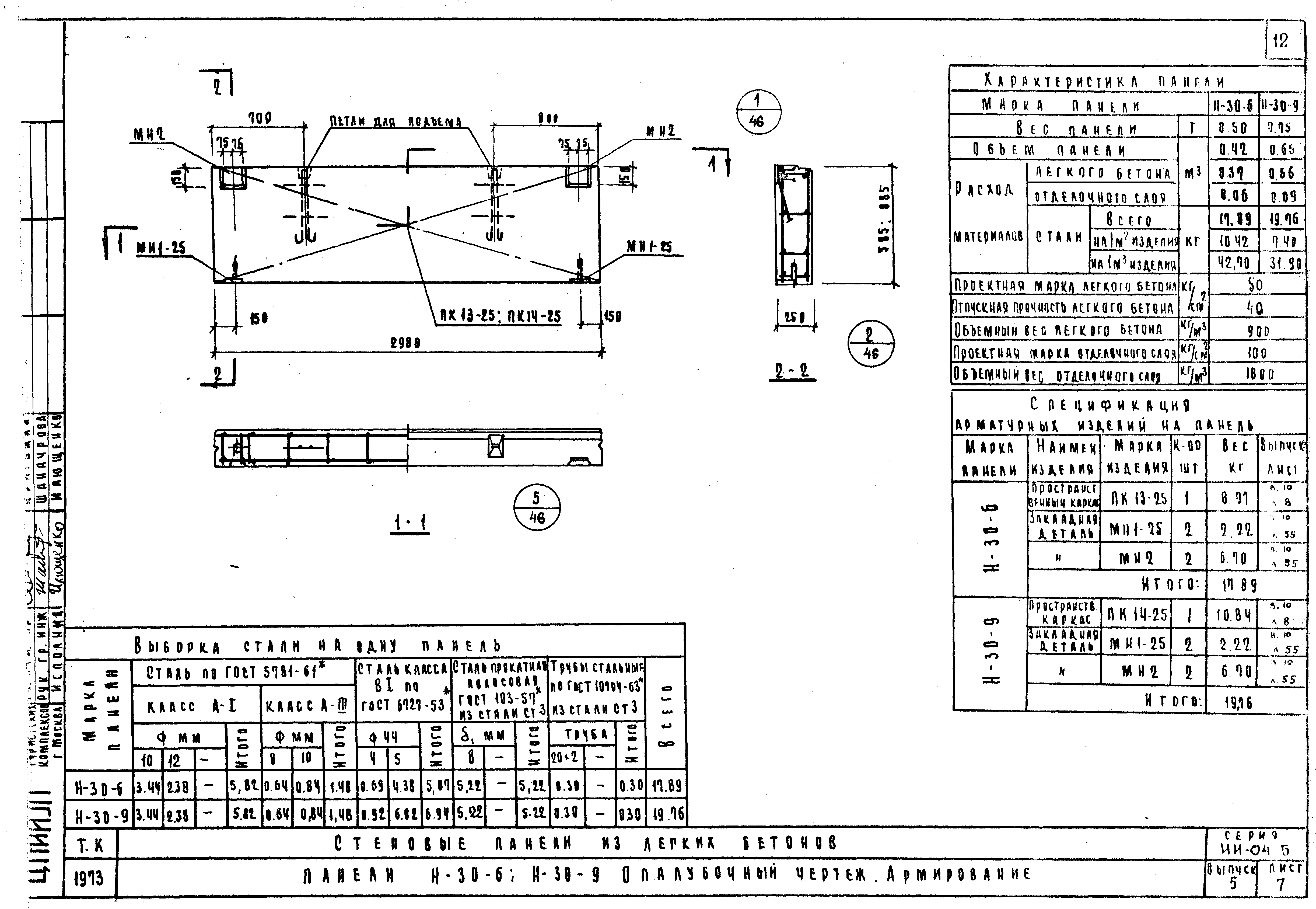
Скачать Серия ИИ-04-5 Выпуск 5. Стеновые панели из легких бетонов толщиной 250 мм. Опалубочные и арматурные чертежи. Рабочие чертежиДата актуализации: 01.01.2021
|
| Обозначение: | Серия ИИ-04-5 |
| Обозначение англ: | Series ИИ-04-5 |
| Статус: | не действует |
| Название рус.: | Выпуск 5. Стеновые панели из легких бетонов толщиной 250 мм. Опалубочные и арматурные чертежи. Рабочие чертежи |
| Дата добавления в базу: | 01.09.2013 |
| Дата актуализации: | 01.01.2021 |
| Дата введения: | 01.10.1973 |
| Дата окончания срока действия: | 01.04.1982 |
| Разработан: | ЦНИИЭП торгово-бытовых зданий и туристских комплексов НИИЖБ |
| Утверждён: | 13.08.1973 Государственный комитет по гражданскому строительству (173) |
| Чем заменён: |























































