Скачать Серия 3.015-3 Выпуск II-1. Сборные железобетонные колонны для эстакад типов IX - XIII. Рабочие чертежиДата актуализации: 01.01.2021
|
| Обозначение: | Серия 3.015-3 |
| Обозначение англ: | Series 3.015-3 |
| Статус: | не действует |
| Название рус.: | Выпуск II-1. Сборные железобетонные колонны для эстакад типов IX - XIII. Рабочие чертежи |
| Дата добавления в базу: | 01.09.2013 |
| Дата актуализации: | 01.01.2021 |
| Дата введения: | 01.12.1974 |
| Дата окончания срока действия: | 01.08.1979 |
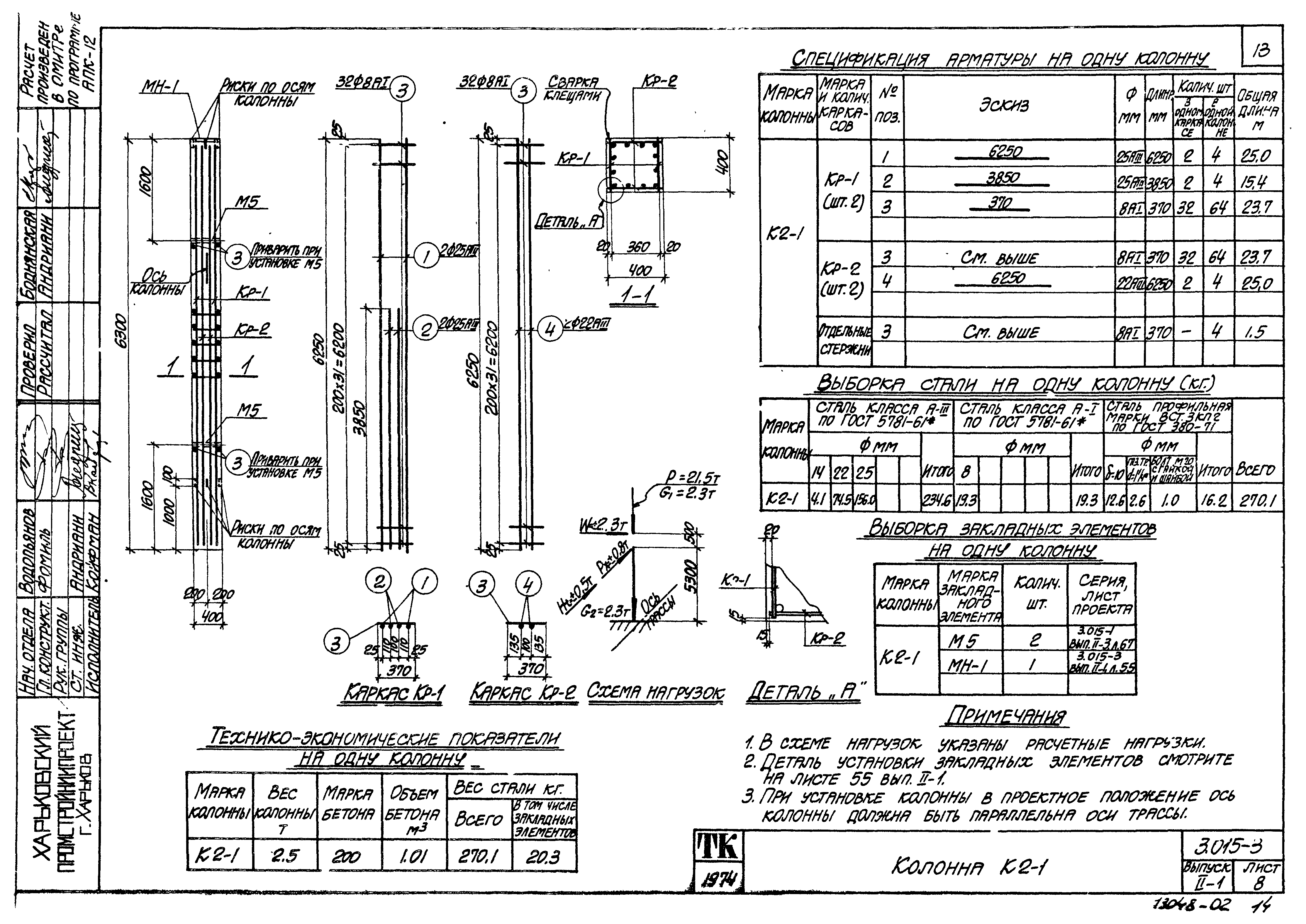
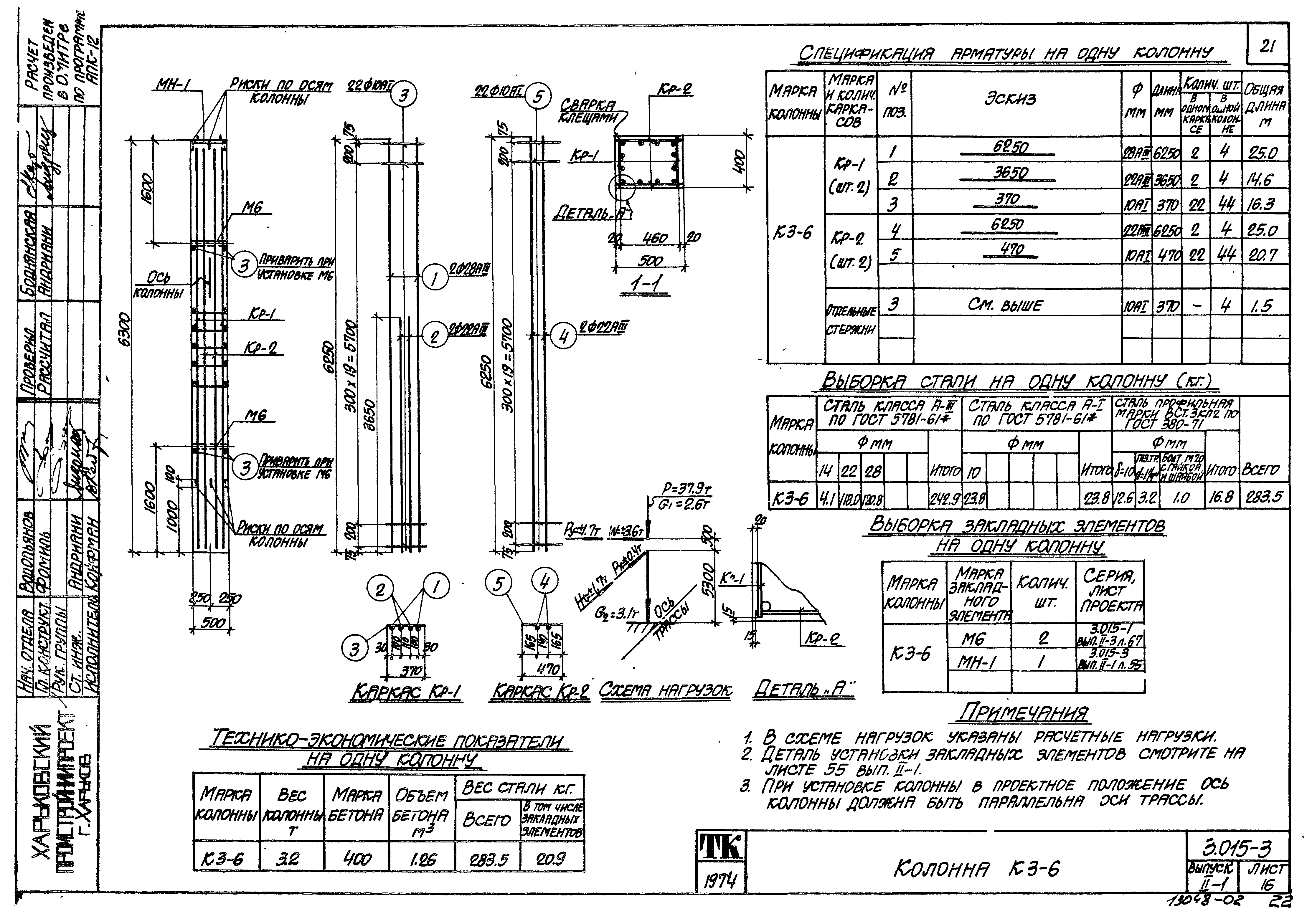
| Оглавление: | 3.015-3 Содержание 3.015-3 Пояснительная записка 3.015-3 Лист 1. Колонна К1-1 3.015-3 Лист 2. Колонна К1-2 3.015-3 Лист 3. Колонна К1-3 3.015-3 Лист 4. Колонна К1-4 3.015-3 Лист 5. Колонна К1-5 3.015-3 Лист 6. Колонна К1-6 3.015-3 Лист 7. Колонна К1-7 3.015-3 Лист 8. Колонна К2-1 3.015-3 Лист 9. Колонна К2-2 3.015-3 Лист 10. Колонна К2-3 3.015-3 Лист 11. Колонна К3-1 3.015-3 Лист 12. Колонна К3-2 3.015-3 Лист 13. Колонна К3-3 3.015-3 Лист 14. Колонна К3-4 3.015-3 Лист 15. Колонна К3-5 3.015-3 Лист 16. Колонна К3-6 3.015-3 Лист 17. Колонна К3-7 3.015-3 Лист 18. Колонна К3-8 3.015-3 Лист 19. Колонна К4-1 3.015-3 Лист 20. Колонна К4-2 3.015-3 Лист 21. Колонна К4-3 3.015-3 Лист 22. Колонна К5-1 3.015-3 Лист 23. Колонна К5-2 3.015-3 Лист 24. Колонна К5-3 3.015-3 Лист 25. Колонна К5-4 3.015-3 Лист 26. Колонна К5-5 3.015-3 Лист 27. Колонна К5-6 3.015-3 Лист 28. Колонна К6-1 3.015-3 Лист 29. Колонна К7-1 3.015-3 Лист 30. Колонна К7-2 3.015-3 Лист 31. Колонна К8-1 3.015-3 Лист 32. Колонна К8-2 3.015-3 Лист 33. Колонна К8-3 3.015-3 Лист 34. Колонна К8-4 3.015-3 Лист 35. Колонна К8-5 3.015-3 Лист 36. Колонна К8-6 3.015-3 Лист 37. Колонна К8-7 3.015-3 Лист 38. Колонна К9-1 3.015-3 Лист 39. Колонна К9-2 3.015-3 Лист 40. Колонна К10-1 3.015-3 Лист 41. Колонна К10-2 3.015-3 Лист 42. Колонна К10-3 3.015-3 Лист 43. Колонна К10-4 3.015-3 Лист 44. Колонна К10-5 3.015-3 Лист 45. Колонна К11-1 3.015-3 Лист 46. Колонна К11-2 3.015-3 Лист 47. Колонна К12-1 3.015-3 Лист 48. Колонна К12-2 3.015-3 Лист 49. Колонна К12-3 3.015-3 Лист 50. Колонна К12-4 3.015-3 Лист 51. Колонна К12-5 3.015-3 Лист 52. Колонна К12-6 3.015-3 Лист 53. Колонна К12-7 3.015-3 Лист 54. Деталь установки закладных элементов в колоннах и закладной элемент МН-1 |
| Разработан: | НИИЖБ Госстроя СССР Харьковский Промстройниипроект |
| Утверждён: | 27.08.1974 Госстрой СССР (Государственный комитет Совета Министров СССР по делам строительства) (USSR Gosstroy 178) |
| Чем заменён: |
|


























































