Скачать Серия 3.503.1-60 Выпуск 2. Рабочие чертежиДата актуализации: 01.01.2021
|
| Обозначение: | Серия 3.503.1-60 |
| Обозначение англ: | Series 3.503.1-60 |
| Статус: | не действует |
| Название рус.: | Выпуск 2. Рабочие чертежи |
| Дата добавления в базу: | 01.09.2013 |
| Дата актуализации: | 01.01.2021 |
| Дата введения: | 01.05.1983 |
| Дата окончания срока действия: | 01.03.1992 |
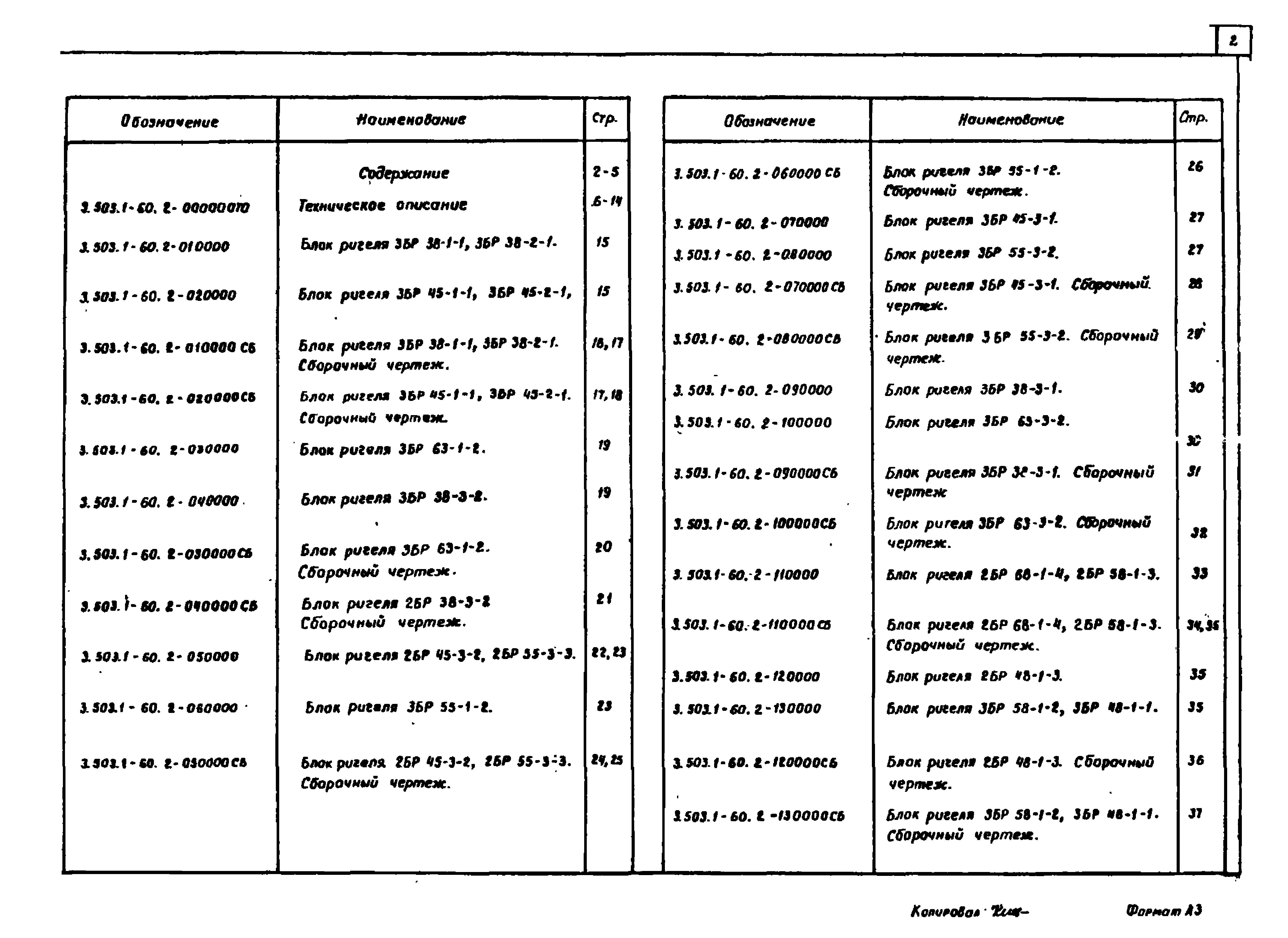
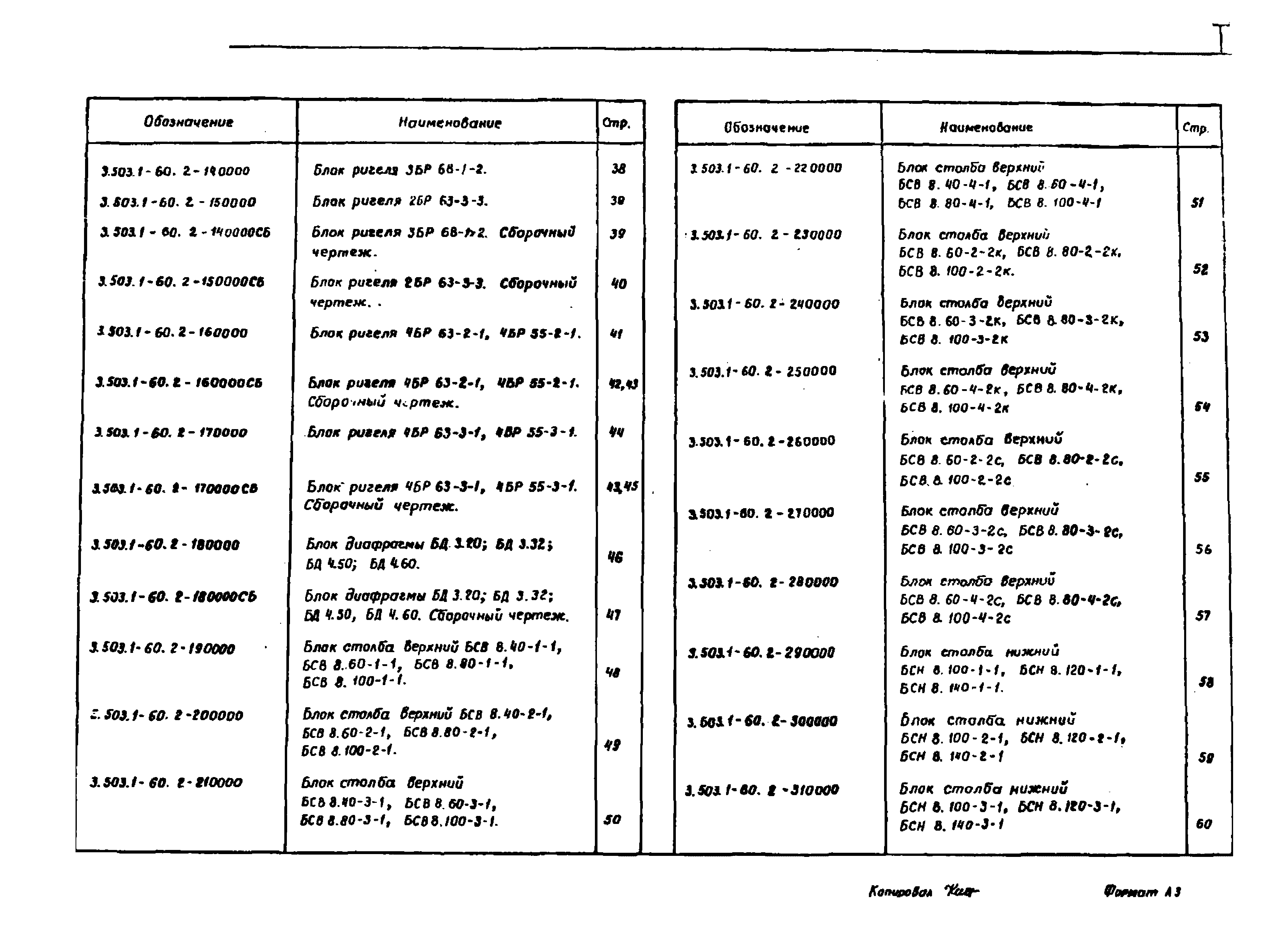
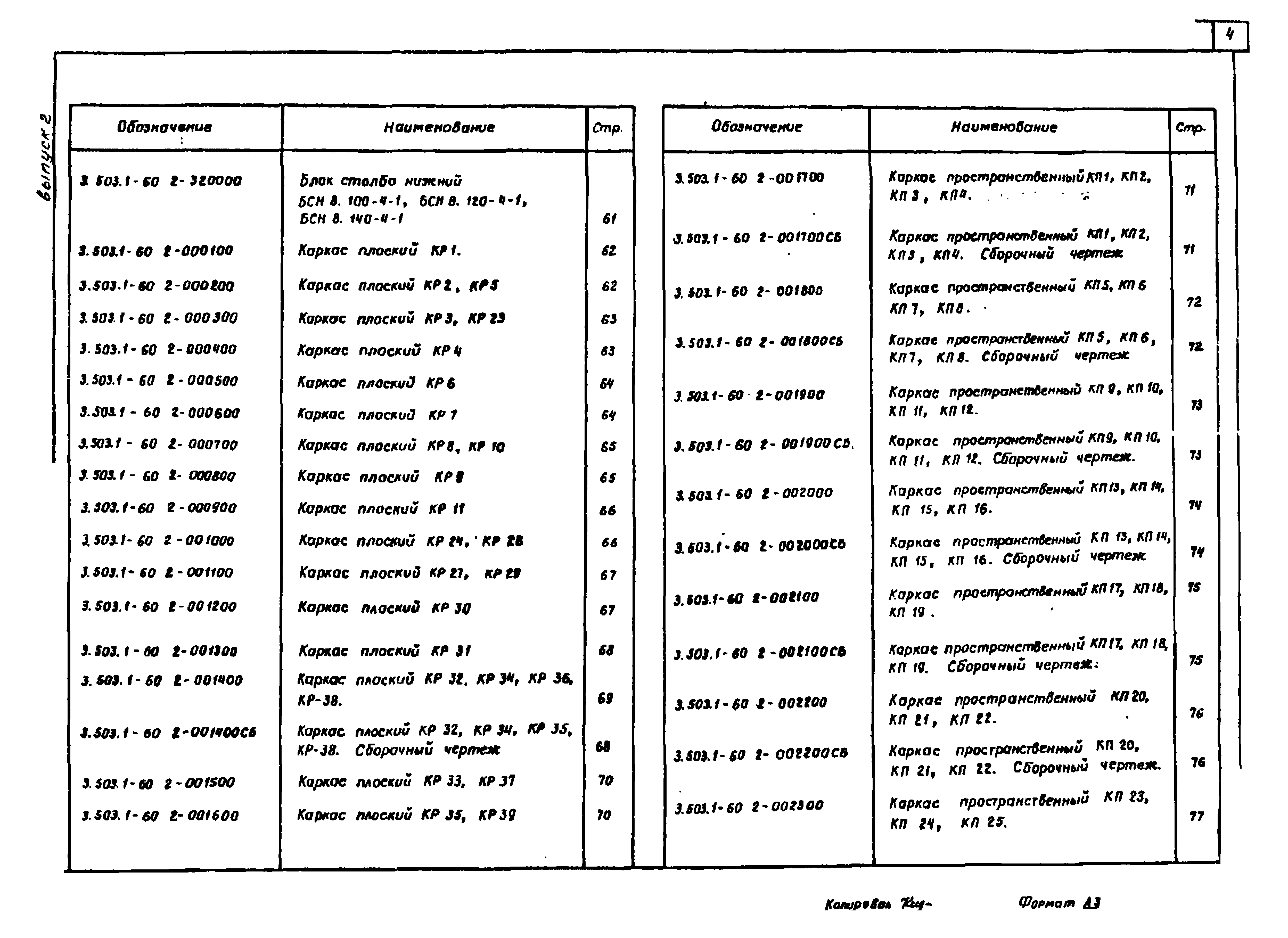
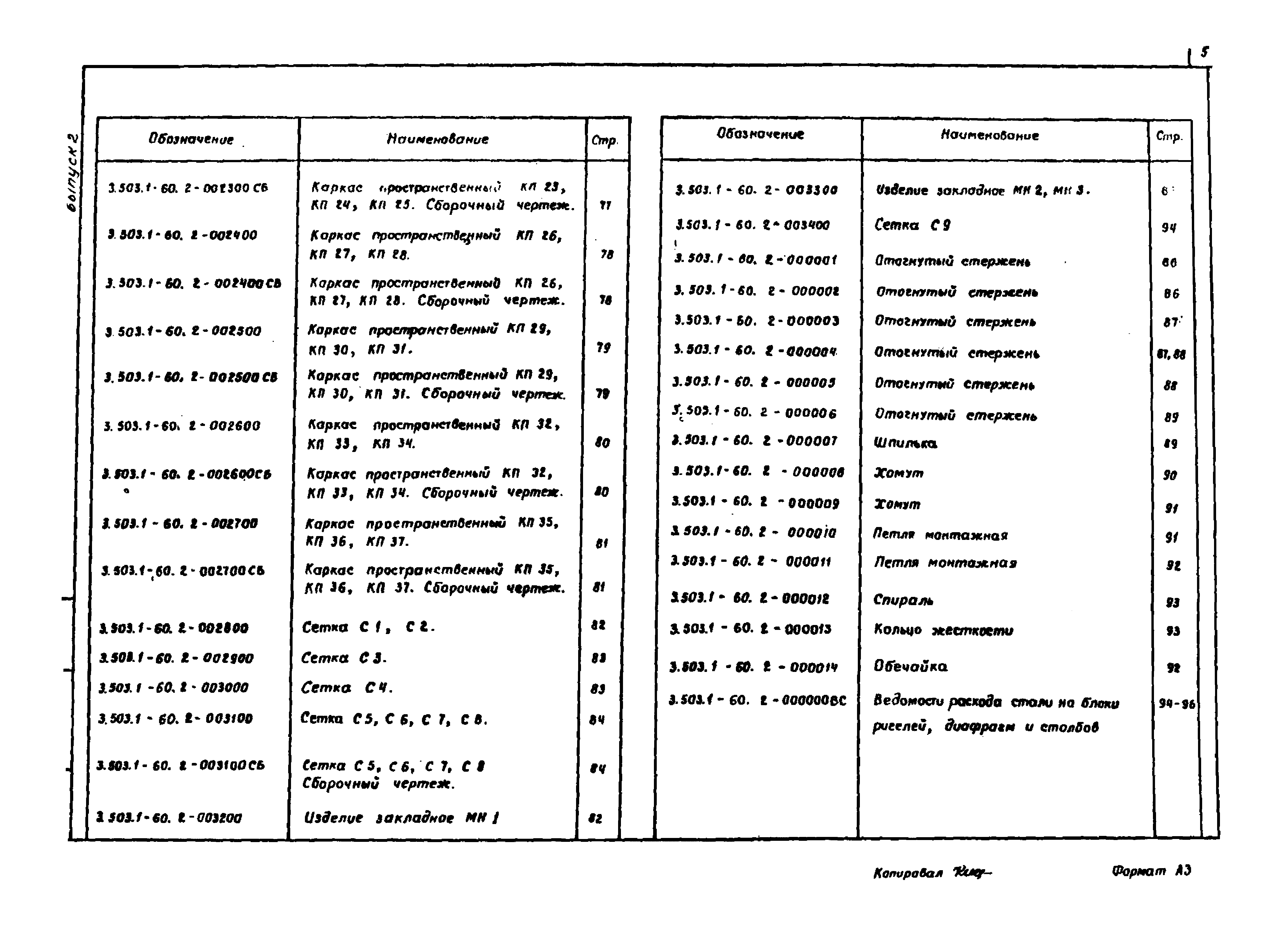
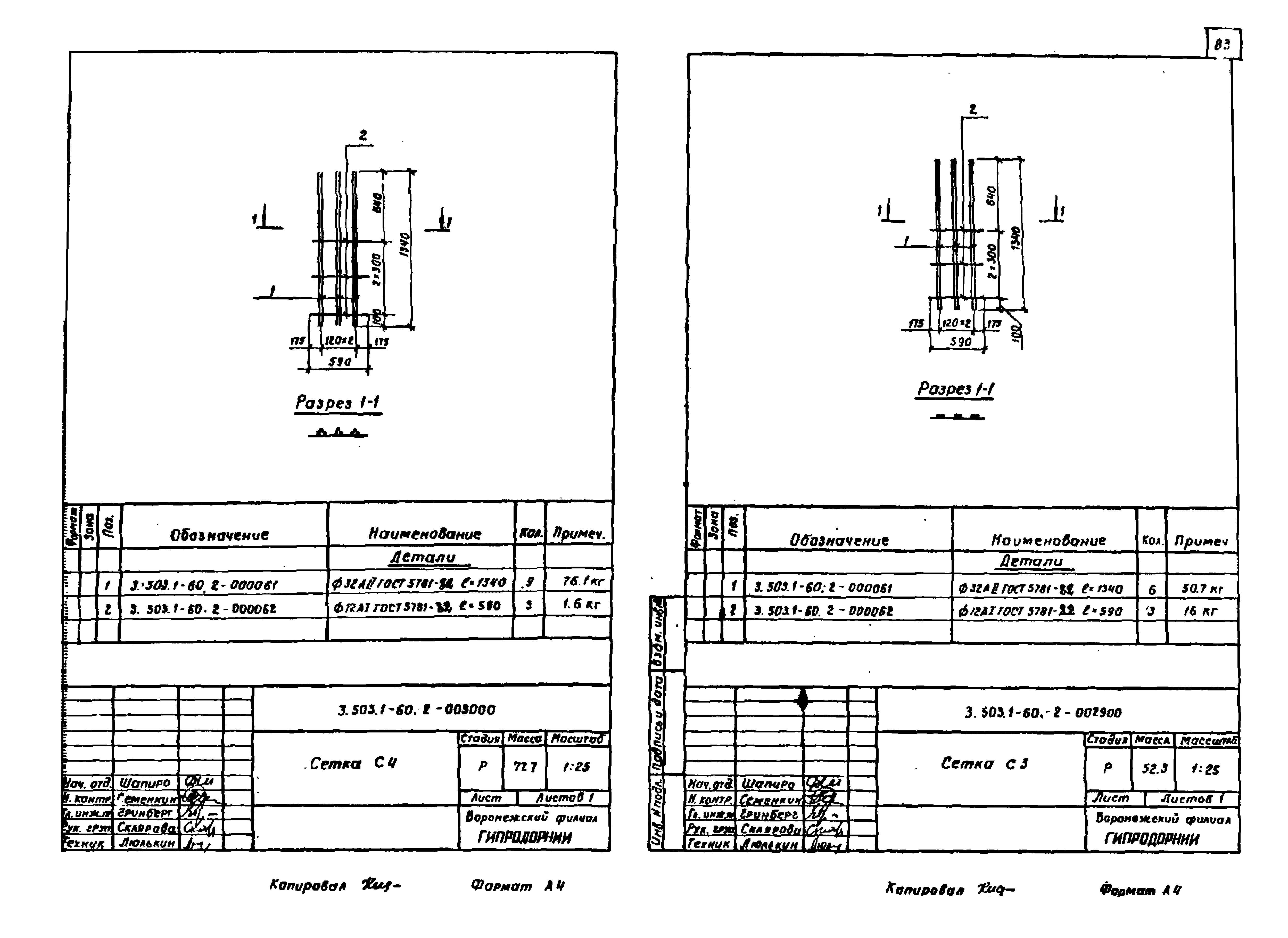
| Оглавление: | 3.503.1-60.2 Содержание 3.503.1-60.2-00000ТО Техническое описание 3.503.1-60.2-010000 Блок ригеля 3БР38-1-1,3БР38-2-1 3.503.1-60.2-020000 Блок ригеля 3БР45-1-1,3БР45-2-1 3.503.1-60.2-010000 СБ Блок ригеля 3БР38-1-1,3БР38-2-1. Сборочный чертеж 3.503.1-60.2-020000 СБ Блок ригеля 3БР45-1-1,3БР45-2-1. Сборочный чертеж 3.503.1-60.2-030000 Блок ригеля 3БР63-1-2 3.503.1-60.2-040000 Блок ригеля 3БР38-3-2 3.503.1-60.2-030000 СБ Блок ригеля 3БР63-1-2. Сборочный чертеж 3.503.1-60.2-040000 СБ Блок ригеля 3БР38-3-2. Сборочный чертеж 3.503.1-60.2-050000 Блок ригеля 2БР45-3-2,2БР35-3-3 3.503.1-60.2-060000 Блок ригеля 3БР55-1-2 3.503.1-60.2-050000 СБ Блок ригеля 2БР45-3-2,2БР35-3-3. Сборочный чертеж 3.503.1-60.2-060000 СБ Блок ригеля 3БР55-1-2. Сборочный чертеж 3.503.1-60.2-070000 Блок ригеля 3БР45-3-1 3.503.1-60.2-080000 Блок ригеля 3БР55-3-2 3.503.1-60.2-070000 СБ Блок ригеля 3БР45-3-1. Сборочный чертеж 3.503.1-60.2-080000 СБ Блок ригеля 3БР55-3-2. Сборочный чертеж 3.503.1-60.2-090000 Блок ригеля 3БР38-3-1 3.503.1-60.2-100000 Блок ригеля 3БР63-3-2 3.503.1-60.2-090000 СБ Блок ригеля 3БР38-3-1. Сборочный чертеж 3.503.1-60.2-100000 СБ Блок ригеля 3БР63-3-2. Сборочный чертеж 3.503.1-60.2-110000 Блок ригеля 2БР66-1-4,2БР58-1-3 3.503.1-60.2-110000 СБ Блок ригеля 2БР68-1-4,2БР58-1-3. Сборочный чертеж 3.503.1-60.2-120000 Блок ригеля 2БР48-1-3 3.503.1-60.2-130000 Блок ригеля 3БР58-1-2,3БР48-1-1 3.503.1-60.2-120000 СБ Блок ригеля 2БР48-1-3. Сборочный чертеж 3.503.1-60.2-130000 СБ Блок ригеля 3БР58-1-2,3БР48-1-1. Сборочный чертеж 3.503.1-60.2-140000 Блок ригеля 3БР68-1-2 3.503.1-60.2-150000 Блок ригеля 2БР63-3-3 3.503.1-60.2-140000 СБ Блок ригеля 3БР68-1-2. Сборочный чертеж 3.503.1-60.2-150000 СБ Блок ригеля 2БР63-3-3. Сборочный чертеж 3.503.1-60.2-160000 Блок ригеля 4БР63-2-1,4БР55-2-1 3.503.1-60.2-160000 СБ Блок ригеля 4БР63-2-1,4БР55-2-1. Сборочный чертеж 3.503.1-60.2-170000 Блок ригеля 4БР63-3-1,4БР55-3-1 3.503.1-60.2-170000 СБ Блок ригеля 4БР63-3-1,4БР55-3-1. Сборочный чертеж 3.503.1-60.2-180000 Блок диафрагмы БД3.20;БД3.32;БД4.50;БД4.60 3.503.1-60.2-180000 СБ Блок диафрагмы БД3.20;БД3.32;БД4.50;БД4.60. Сборочный чертеж 3.503.1-60.2-190000 Блок столба верхний БСВ 8.40-1-1,БСВ8.60-1-1,БСВ8.80-1-1,БСВ8.100-1-1 3.503.1-60.2-200000 Блок столба верхний БСВ 8.40-2-1,БСВ8.60-2-1,БСВ8.80-2-1,БСВ8.100-2-1 3.503.1-60.2-210000 Блок столба верхний БСВ 8.40-3-1,БСВ8.60-3-1,БСВ8.80-3-1,БСВ8.100-3-1 3.503.1-60.2-220000 Блок столба верхний БСВ 8.40-4-1,БСВ8.60-4-1,БСВ8.80-4-1,БСВ8.100-4-1 3.503.1-60.2-230000 Блок столба верхний БСВ 8.60-2-2к,БСВ8.80-2-2к,БСВ8.100-2-2к 3.503.1-60.2-240000 Блок столба верхний БСВ 8.60-3-2к,БСВ8.80-3-2к,БСВ8.100-3-2к 3.503.1-60.2-250000 Блок столба верхний БСВ 8.60-4-2к,БСВ8.80-4-2к,БСВ8.100-4-2к 3.503.1-60.2-260000 Блок столба верхний БСВ 8.60-2-2с,БСВ8.80-2-2с,БСВ8.100-2-2с 3.503.1-60.2-270000 Блок столба верхний БСВ 8.60-3-2с,БСВ8.80-3-2с,БСВ8.100-3-2с 3.503.1-60.2-280000 Блок столба верхний БСВ 8.60-4-2с,БСВ8.80-4-2с,БСВ8.100-4-2с 3.503.1-60.2-290000 Блок столба нижний БСН 8.100-1-1,БСН8.120-1-1,БСВ8.140-1-1 3.503.1-60.2-300000 Блок столба нижний БСН 8.100-2-1,БСН8.120-2-1,БСВ8.140-2-1 3.503.1-60.2-310000 Блок столба нижний БСН 8.100-3-1,БСН8.120-3-1,БСВ8.140-3-1 3.503.1-60.2-320000 Блок столба нижний БСН 8.100-4-1,БСН8.120-4-1,БСВ8.140-4-1 3.503.1-60.2-000100 Каркас плоский КР1 3.503.1-60.2-000200 Каркас плоский КР2,КР5 3.503.1-60.2-000300 Каркас плоский КР3,КР23 3.503.1-60.2-000400 Каркас плоский КР4 3.503.1-60.2-000500 Каркас плоский КР6 3.503.1-60.2-000600 Каркас плоский КР7 3.503.1-60.2-000700 Каркас плоский КР8,КР10 3.503.1-60.2-000800 Каркас плоский КР9 3.503.1-60.2-000900 Каркас плоский КР11 3.503.1-60.2-001000 Каркас плоский КР24,КР28 3.503.1-60.2-001100 Каркас плоский КР27,КР29 3.503.1-60.2-001200 Каркас плоский КР30 3.503.1-60.2-001300 Каркас плоский КР31 3.503.1-60.2-001400 Каркас плоский КР32,КР34,КР36,КР38 3.503.1-60.2-001400 СБ Каркас плоский КР32,КР34,КР36,КР38. Сборочный чертеж 3.503.1-60.2-001500 Каркас плоский КР33,КР37 3.503.1-60.2-001600 Каркас плоский КР35,КР39 3.503.1-60.2-001700 Каркас пространственный КП1,КП2,КП3,КП4 3.503.1-60.2-001700 СБ Каркас пространственный КП1,КП2,КП3,КП4. Сборочный чертеж 3.503.1-60.2-001800 Каркас пространственный КП5,КП6,КП7,КП8 3.503.1-60.2-001800 СБ Каркас пространственный КП5,КП6,КП7,КП8. Сборочный чертеж 3.503.1-60.2-001900 Каркас пространственный КП9,КП10,КП11,КП12 3.503.1-60.2-001900 СБ Каркас пространственный КП9,КП10,КП11,КП12. Сборочный чертеж 3.503.1-60.2-002000 Каркас пространственный КП13,КП14,КП15,КП16 3.503.1-60.2-002000 СБ Каркас пространственный КП13,КП14,КП15,КП16. Сборочный чертеж 3.503.1-60.2-002100 Каркас пространственный КП17,КП18,КП19 3.503.1-60.2-002100 СБ Каркас пространственный КП17,КП18,КП19. Сборочный чертеж 3.503.1-60.2-002200 Каркас пространственный КП20,КП21,КП22 3.503.1-60.2-002200 СБ Каркас пространственный КП20,КП21,КП22. Сборочный чертеж 3.503.1-60.2-002300 Каркас пространственный КП23,КП24,КП25 3.503.1-60.2-002300 СБ Каркас пространственный КП23,КП24,КП25. Сборочный чертеж 3.503.1-60.2-002400 Каркас пространственный КП26,КП27,КП28 3.503.1-60.2-002400 СБ Каркас пространственный КП26,КП27,КП28. Сборочный чертеж 3.503.1-60.2-002500 Каркас пространственный КП29,КП30,КП31 3.503.1-60.2-002500 СБ Каркас пространственный КП29,КП30,КП31. Сборочный чертеж 3.503.1-60.2-002600 Каркас пространственный КП32,КП33,КП34 3.503.1-60.2-002600 СБ Каркас пространственный КП32,КП33,КП34. Сборочный чертеж 3.503.1-60.2-002700 Каркас пространственный КП35,КП36,КП37 3.503.1-60.2-002700 СБ Каркас пространственный КП35,КП36,КП37. Сборочный чертеж 3.503.1-60.2-002800 Сетка С1,С2 3.503.1-60.2-002900 Сетка С3 3.503.1-60.2-003000 Сетка С4 3.503.1-60.2-003100 Сетка С5,С6,С7,С8 3.503.1-60.2-003100 СБ Сетка С5,С6,С7,С8. Сборочный чертеж 3.503.1-60.2-003200 Изделие закладное МН1 3.503.1-60.2-003300 Изделие закладное МН2,МН3 3.503.1-60.2-003400 Сетка С9 3.503.1-60.2-000001 Отогнутый стержень 3.503.1-60.2-000002 Отогнутый стержень 3.503.1-60.2-000003 Отогнутый стержень 3.503.1-60.2-000004 Отогнутый стержень 3.503.1-60.2-000005 Отогнутый стержень 3.503.1-60.2-000006 Отогнутый стержень 3.503.1-60.2-000007 Шпилька 3.503.1-60.2-000008 Хомут 3.503.1-60.2-000009 Хомут 3.503.1-60.2-000010 Петля монтажная 3.503.1-60.2-000011 Петля монтажная 3.503.1-60.2-000012 Спираль 3.503.1-60.2-000013 Кольцо жесткости 3.503.1-60.2-000014 Обечайка 3.503.1-60.2-000000 ВС Ведомости расхода стали на блоки ригелей, диафрагм и столбов |
| Разработан: | Воронежский филиал ГипродорНИИ |
| Утверждён: | 20.01.1982 Министерство автомобильных дорог РСФСР (1) |
| Чем заменён: |
































































































