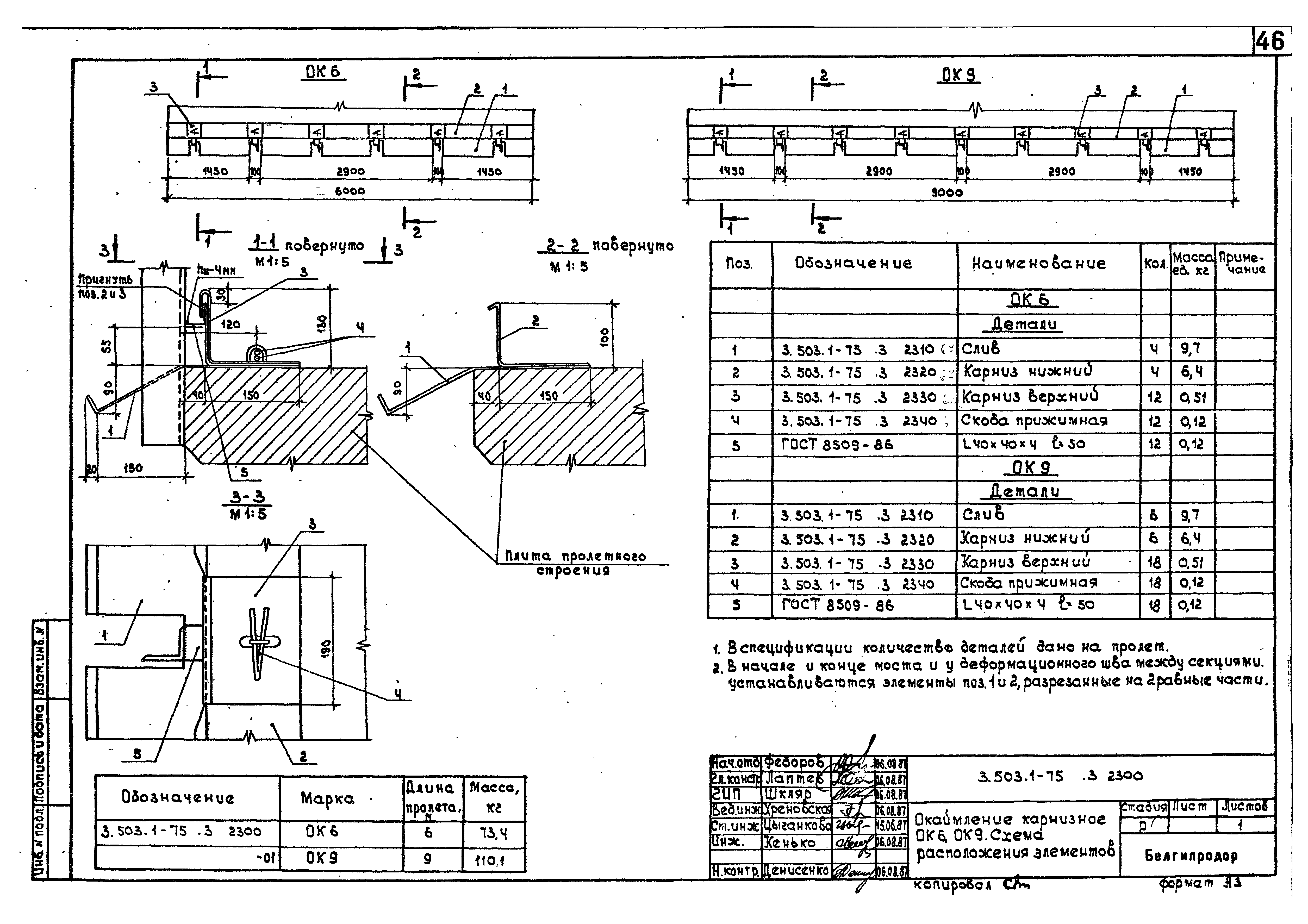
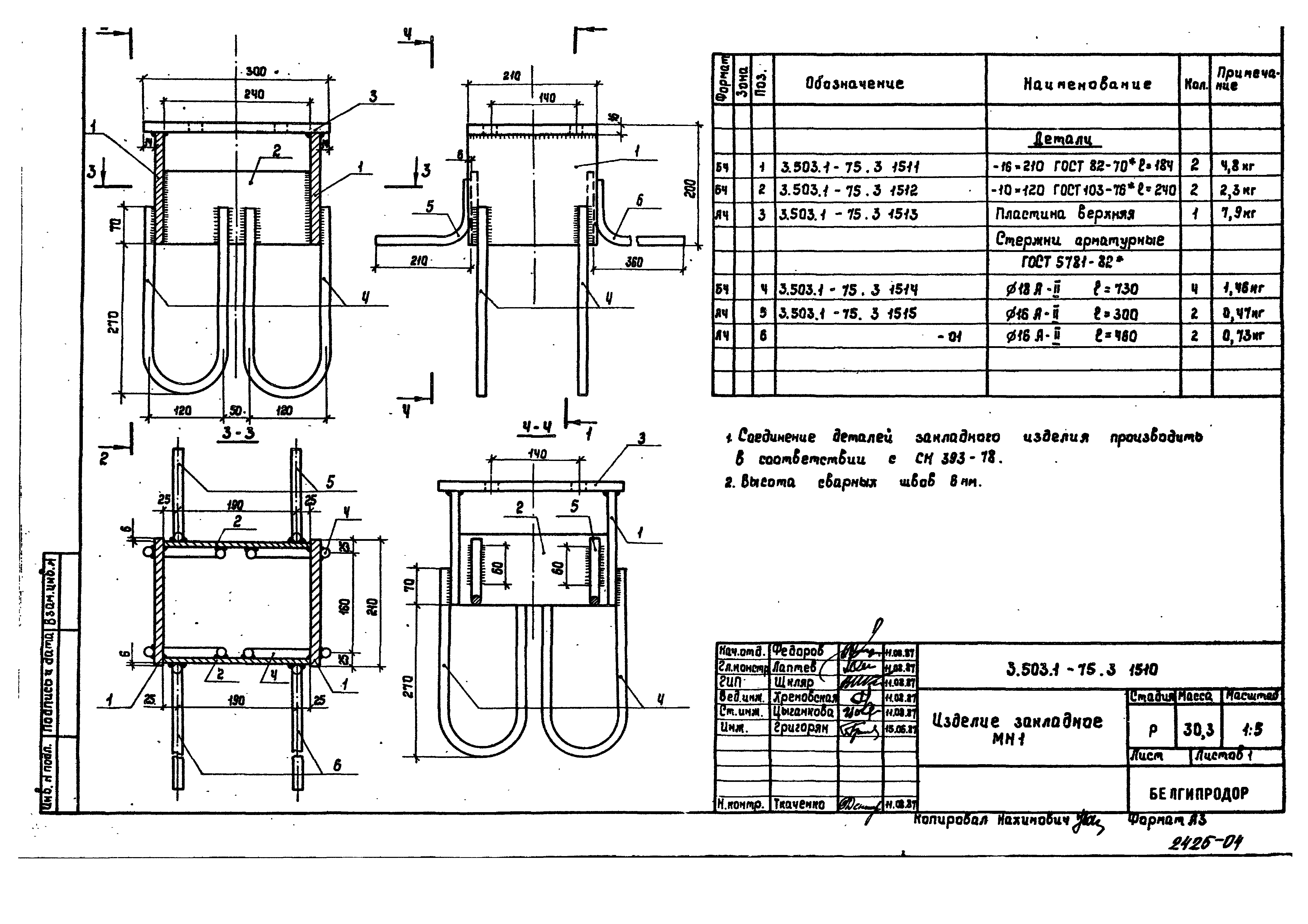
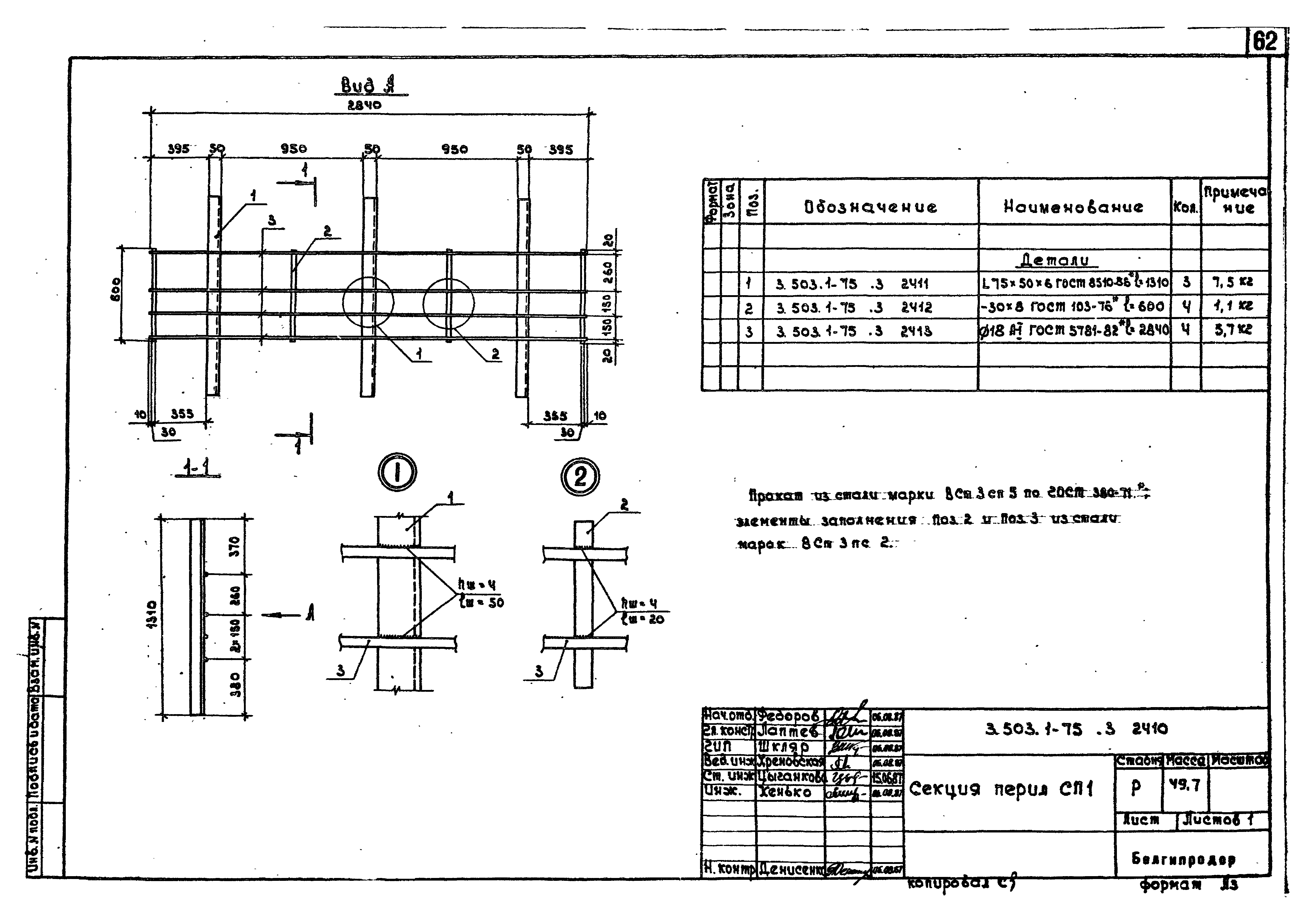
Скачать Серия 3.503.1-75 Выпуск 3. Пролетное строение и мостовое полотно. Рабочие чертежиДата актуализации: 01.01.2021
|
| Обозначение: | Серия 3.503.1-75 |
| Обозначение англ: | Series 3.503.1-75 |
| Статус: | не определен законодательством |
| Название рус.: | Выпуск 3. Пролетное строение и мостовое полотно. Рабочие чертежи |
| Дата добавления в базу: | 01.09.2013 |
| Дата актуализации: | 01.01.2021 |
| Дата введения: | 10.12.1987 |
| Дата окончания срока действия: | 30.06.2003 |
| Разработан: | БелгипродорНИИ Минавтодора БССР |
| Утверждён: | 10.12.1987 Миндорстрой БССР (BSSR Mindorstroy 6) |
| Заменяет собой: |







































































