Скачать Типовой проект 902-2-346 Альбом IV. Электротехническая частьДата актуализации: 01.01.2021
|
| Обозначение: | Типовой проект 902-2-346 |
| Обозначение англ: | 902-2-346 |
| Статус: | не действует |
| Название рус.: | Альбом IV. Электротехническая часть |
| Дата добавления в базу: | 01.09.2013 |
| Дата актуализации: | 01.01.2021 |
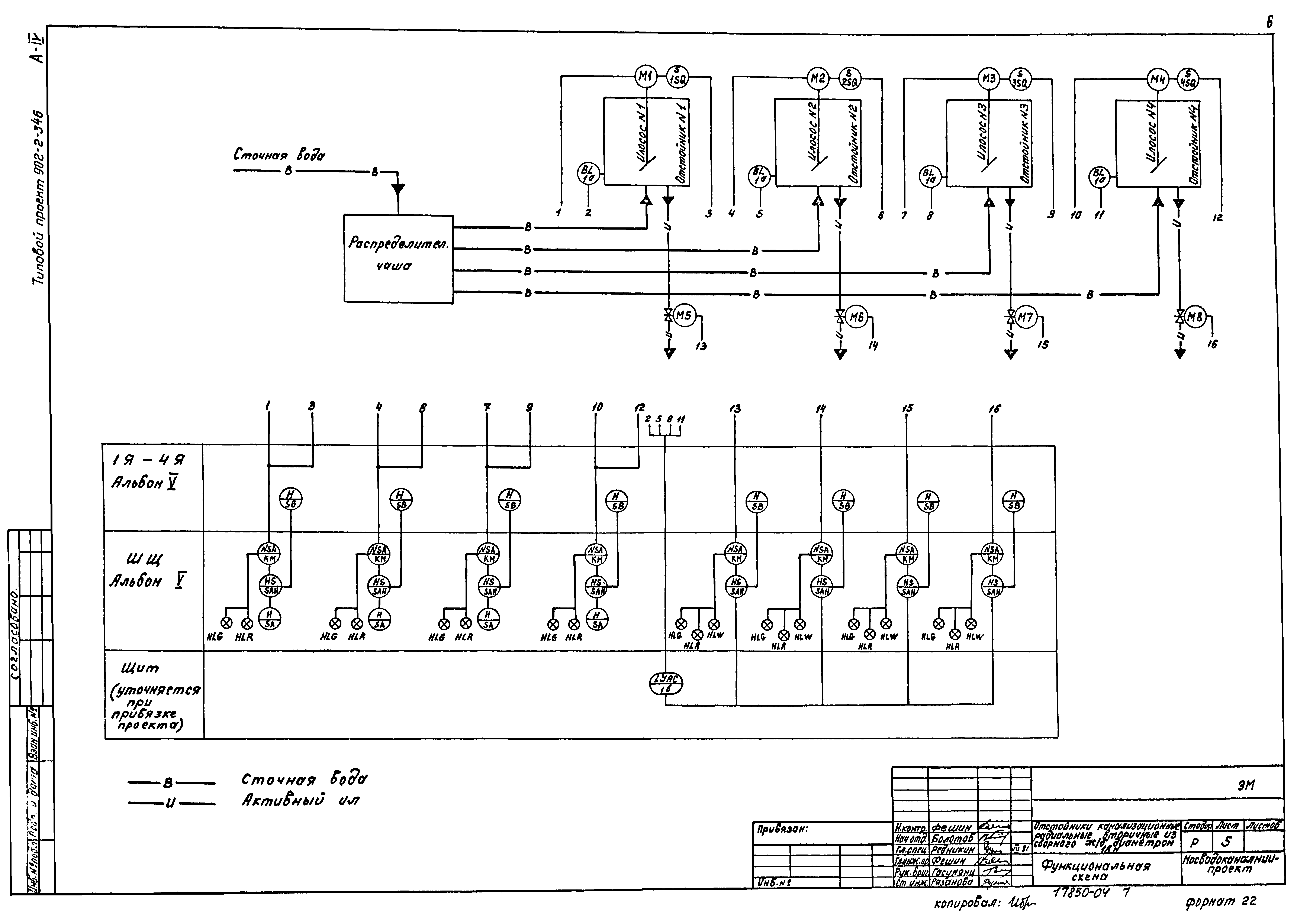
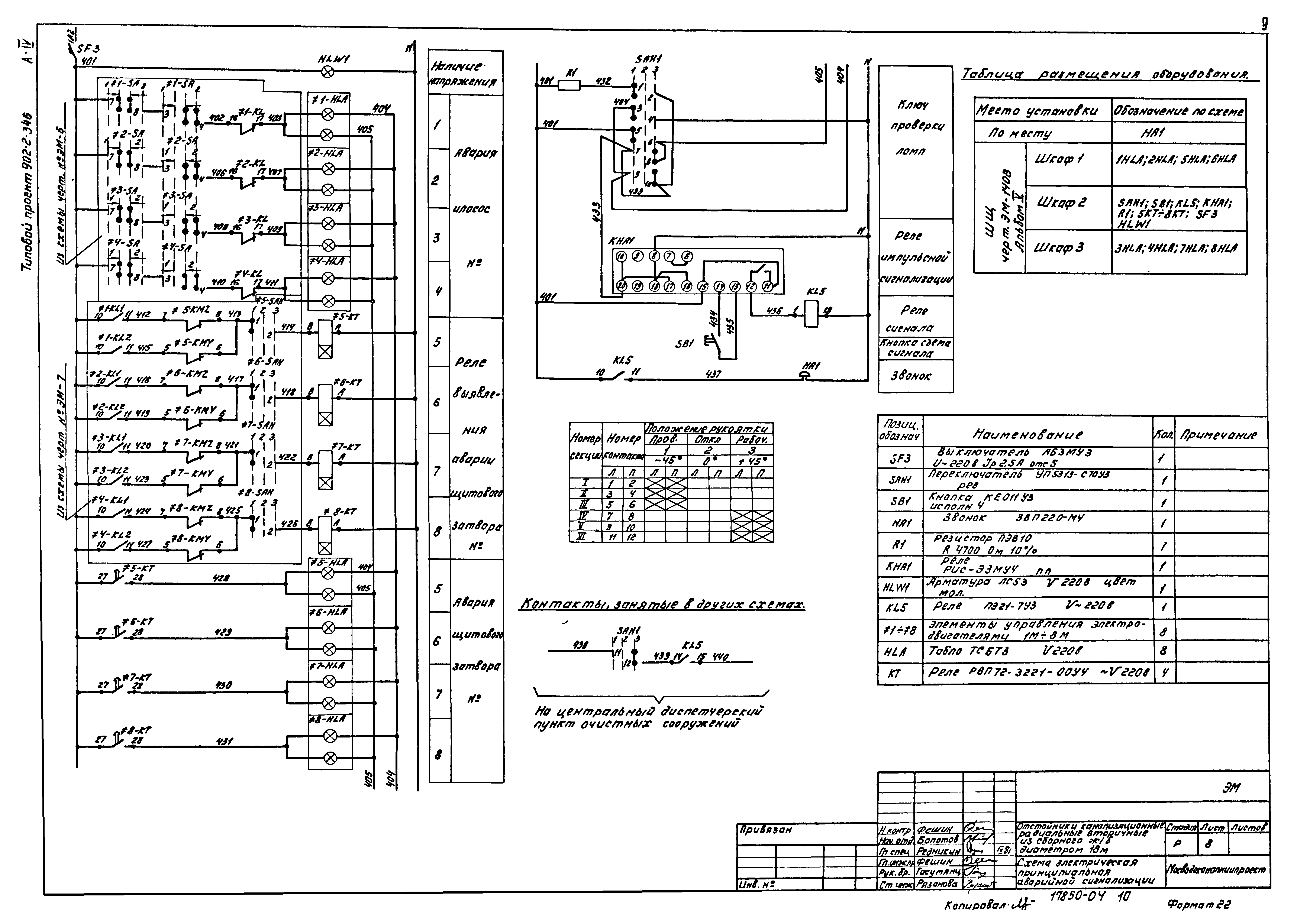
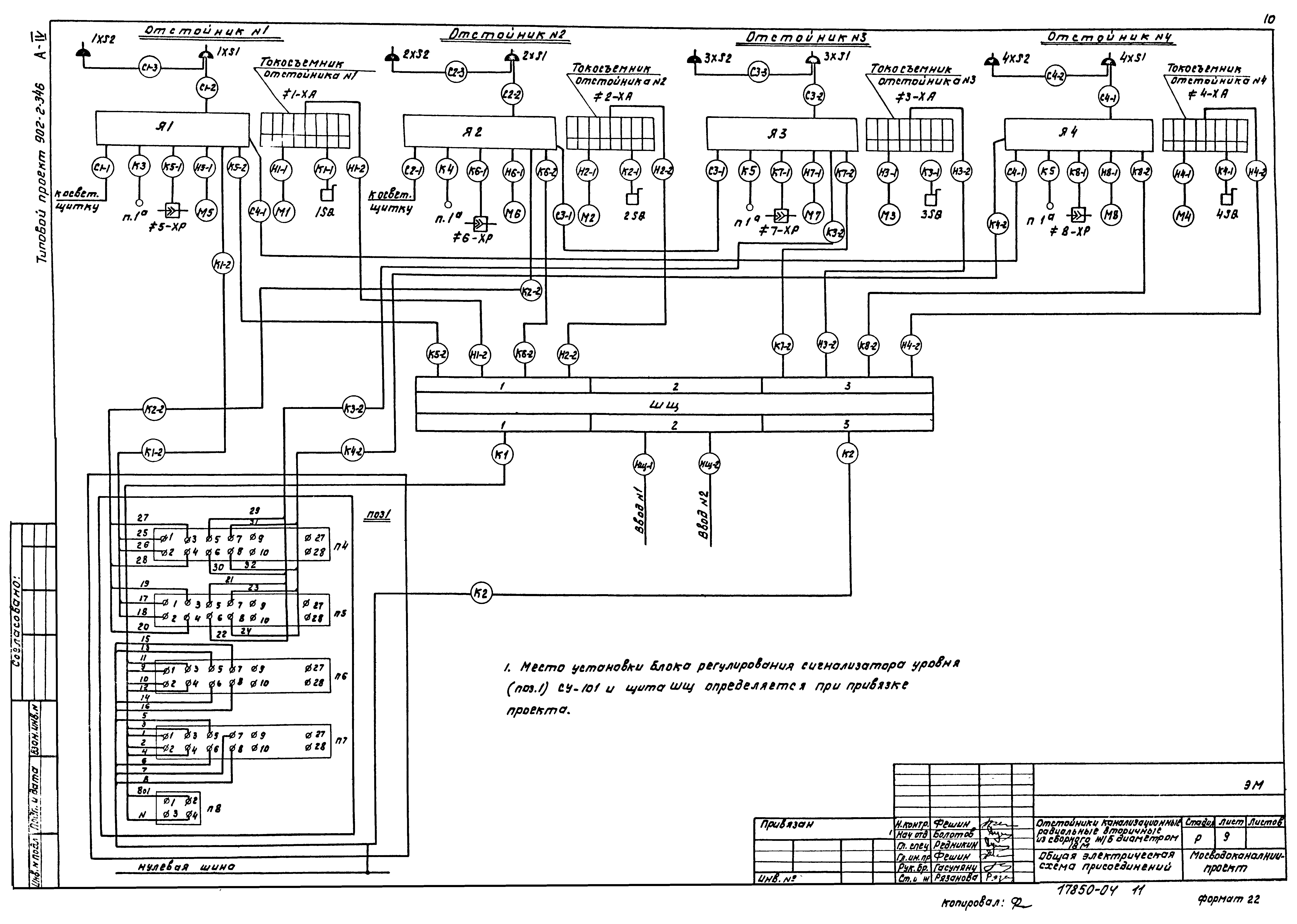
| Оглавление: | ТП 902-2-346-ЭМ Общие данные (начало) ТП 902-2-346-ЭМ Общие данные (окончание) ТП 902-2-346-ЭМ Схема электрическая, принципиальная распределительной сети ~380/220 В ТП 902-2-346-ЭМ Схема электрическая принципиальная АВР щита станции управления ТП 902-2-346-ЭМ Функциональная схема ТП 902-2-346-ЭМ Схема электрическая принципиальная управления электроприводами илососов ТП 902-2-346-ЭМ Схема электрическая принципиальная управления электроприводами щитовых затворов ТП 902-2-346-ЭМ Схема электрическая принципиальная аварийной сигнализации ТП 902-2-346-ЭМ Общая электрическая схема присоединений ТП 902-2-346-ЭМ Аппаратура, расположенная по месту у электроприводов. Схема электрических подключений ТП 902-2-346-ЭМ ШЩ. Схема электрических подключений ТП 902-2-346-ЭМ Кабельный журнал ТП 902-2-346-ЭМ Схема размещения электрооборудования. Кабельные трассы ТП 902-2-346-ЭМ Ведомость электрооборудования кабельных изделий и материалов, поставляемых заказчиком. Ведомость объемов электромонтажных работ |
| Разработан: | МосводоканалНИИпроект |
| Утверждён: | 01.10.1981 МосводоканалНИИпроект (203) |
















