Скачать Типовой проект 903-1-174 Альбом IX. Схемы управления электродвигателямиДата актуализации: 01.01.2021
|
| Обозначение: | Типовой проект 903-1-174 |
| Обозначение англ: | 903-1-174 |
| Статус: | заменен |
| Название рус.: | Альбом IX. Схемы управления электродвигателями |
| Дата добавления в базу: | 01.09.2013 |
| Дата актуализации: | 01.01.2021 |
| Дата введения: | 20.11.1979 |
| Дата окончания срока действия: | 01.11.1987 |
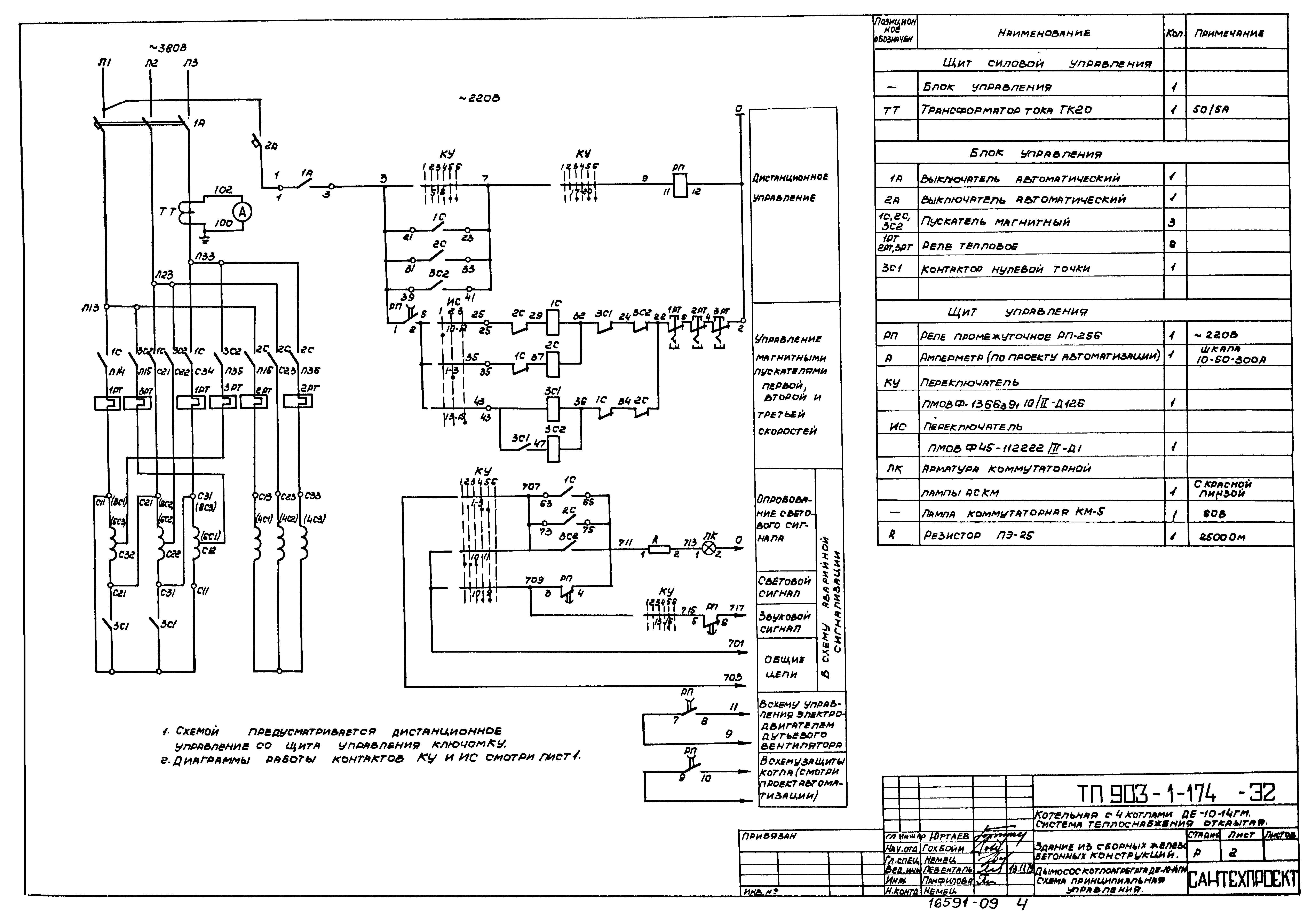
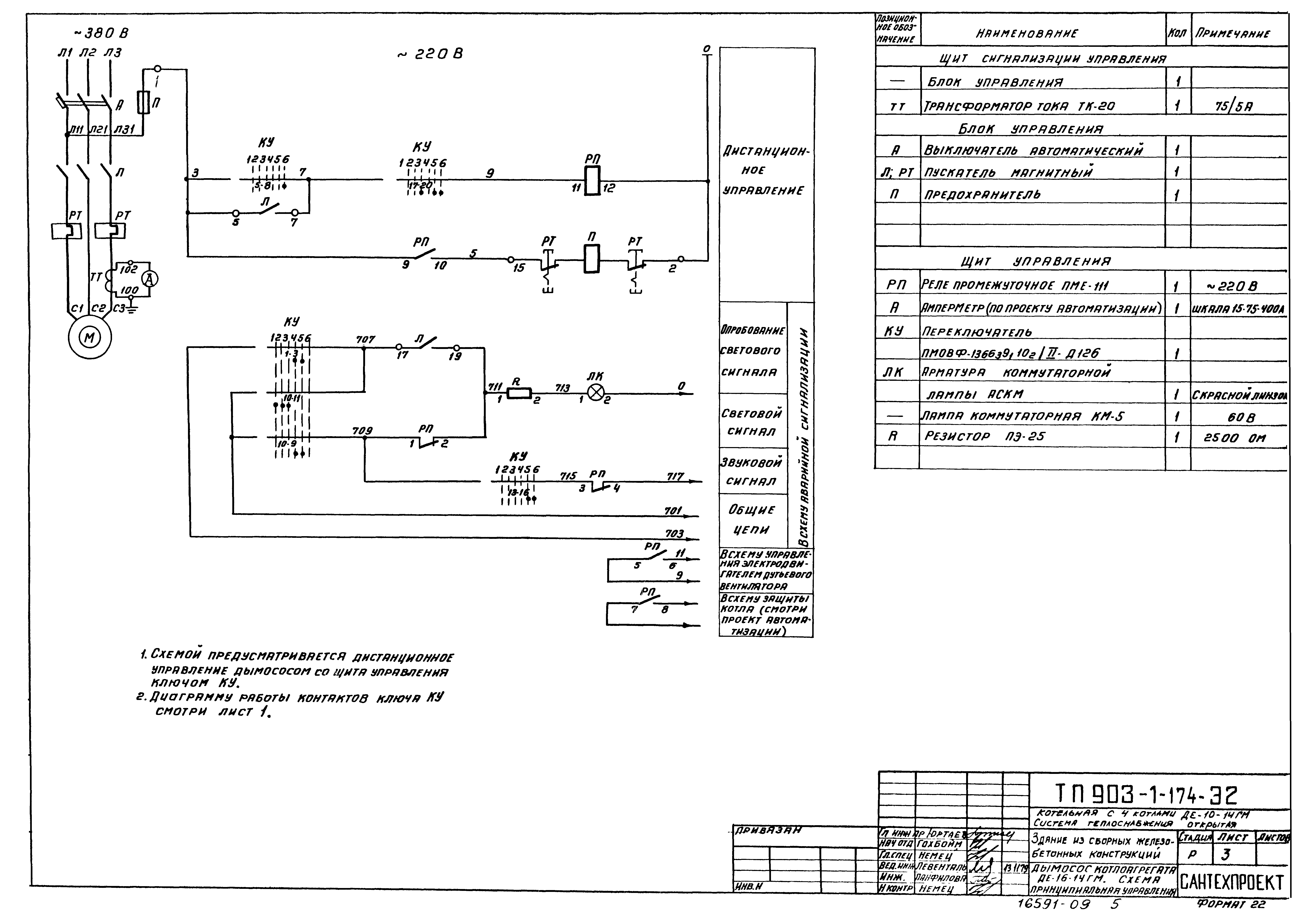
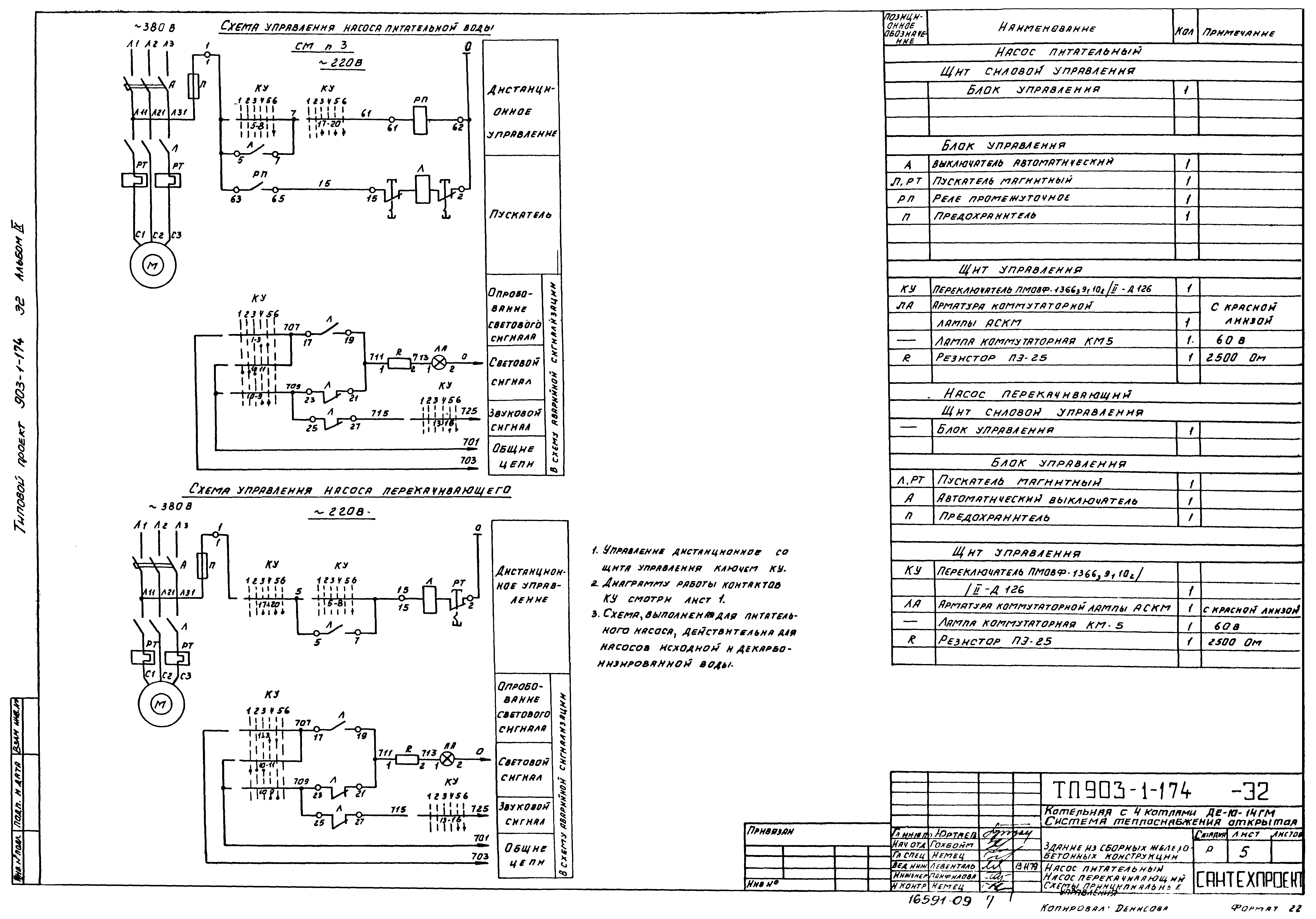
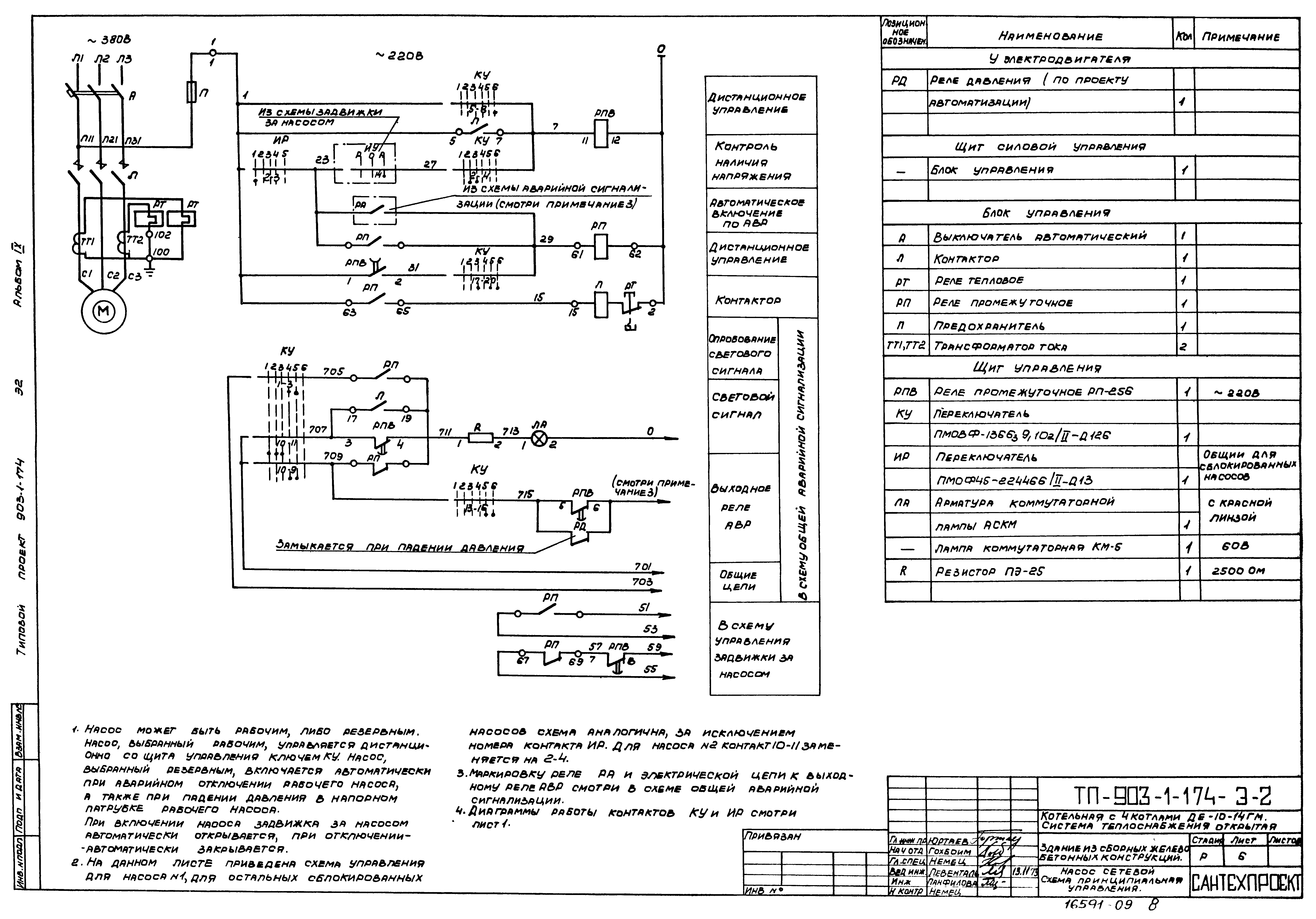
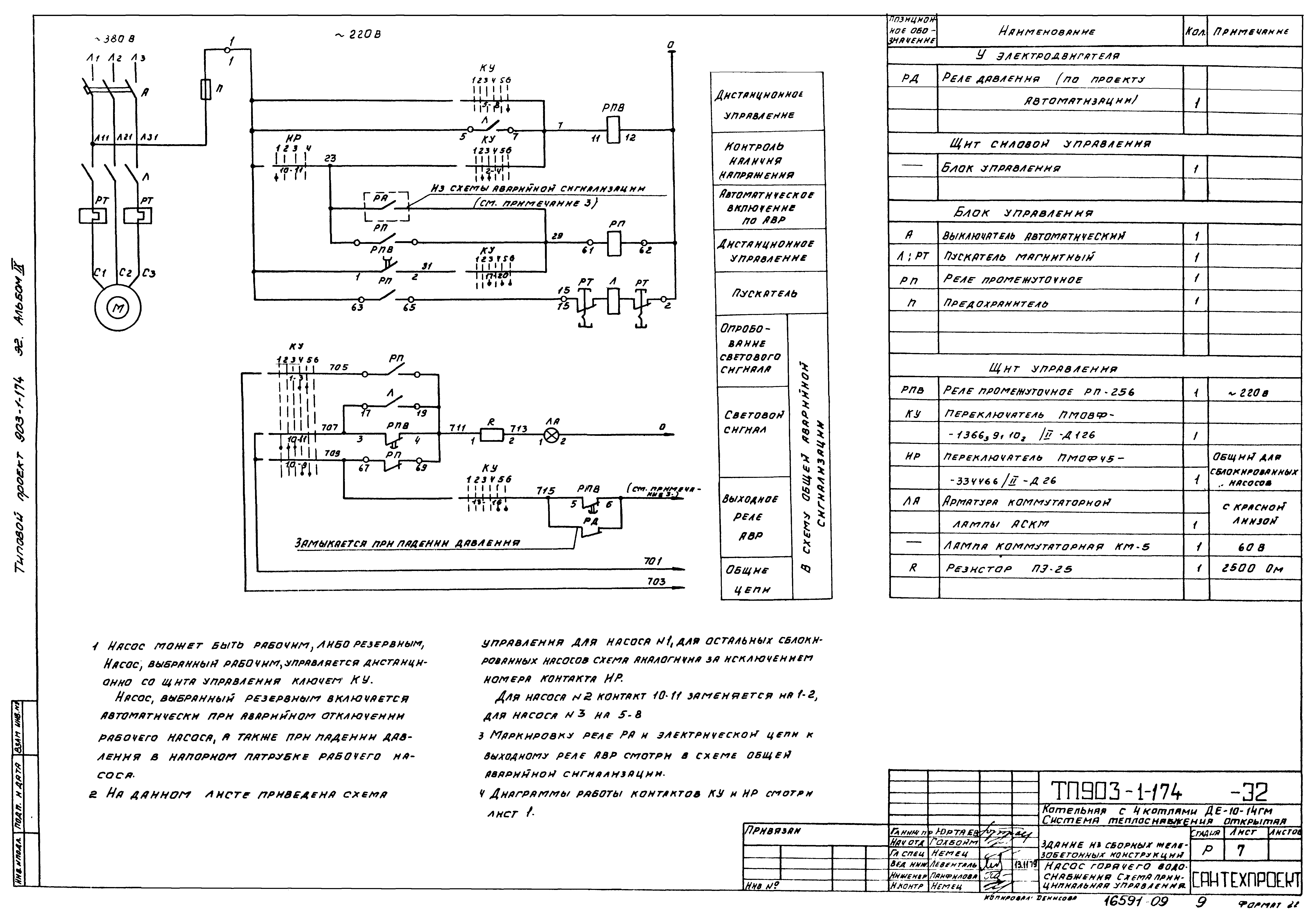
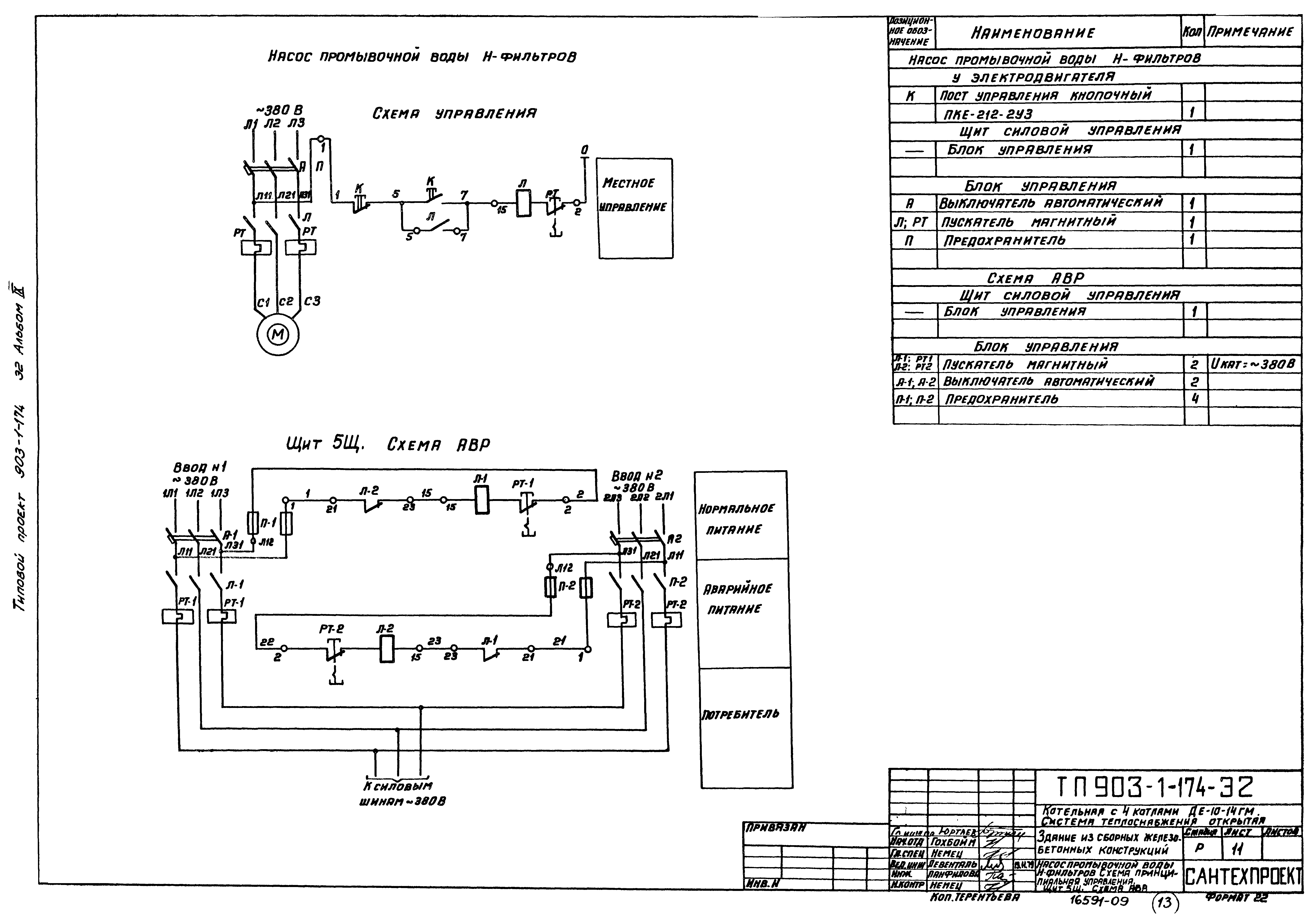
| Оглавление: | Схема управления. Общие данные Дымосос котлоагрегата ДЕ-10-14ГМ. Схема принципиальная управления Дымосос котлоагрегата ДЕ-16-14ГМ. Схема принципиальная управления Вентилятор дутьевой. Схема принципиальная управления Насос питательный. Насос перекачивающий. Схемы принципиальные управления Насос сетевой. Схема принципиальная управления Насос горячего водоснабжения. Схема принципиальная управления Вентилятор к декарбонизатору. Насос-дозатор щелочи. Схемы принципиальные управления и подключения Задвижка за сетевым насосом. Схема принципиальная управления и подключения Схема общей аварийной сигнализации электродвигателей Насос промывочной воды Н-фильтров. Схема принципиальная управления. Щит 5Щ. Схема АВР |
| Разработан: | ГПИ Сантехпроект Госстроя СССР Минмонтажспецстрой СССР Проектный институт №2 ЦНИИпроектстальконструкция Госстроя |
| Утверждён: | 20.11.1979 ГПИ Сантехпроект (180) |
| Заменяет собой: | |
| Чем заменён: |













