Скачать Типовой проект 903-1-174 Альбом X. Схемы автоматизации функциональныеДата актуализации: 01.01.2021
|
| Обозначение: | Типовой проект 903-1-174 |
| Обозначение англ: | 903-1-174 |
| Статус: | заменен |
| Название рус.: | Альбом X. Схемы автоматизации функциональные |
| Дата добавления в базу: | 01.09.2013 |
| Дата актуализации: | 01.01.2021 |
| Дата введения: | 20.11.1979 |
| Дата окончания срока действия: | 01.11.1987 |
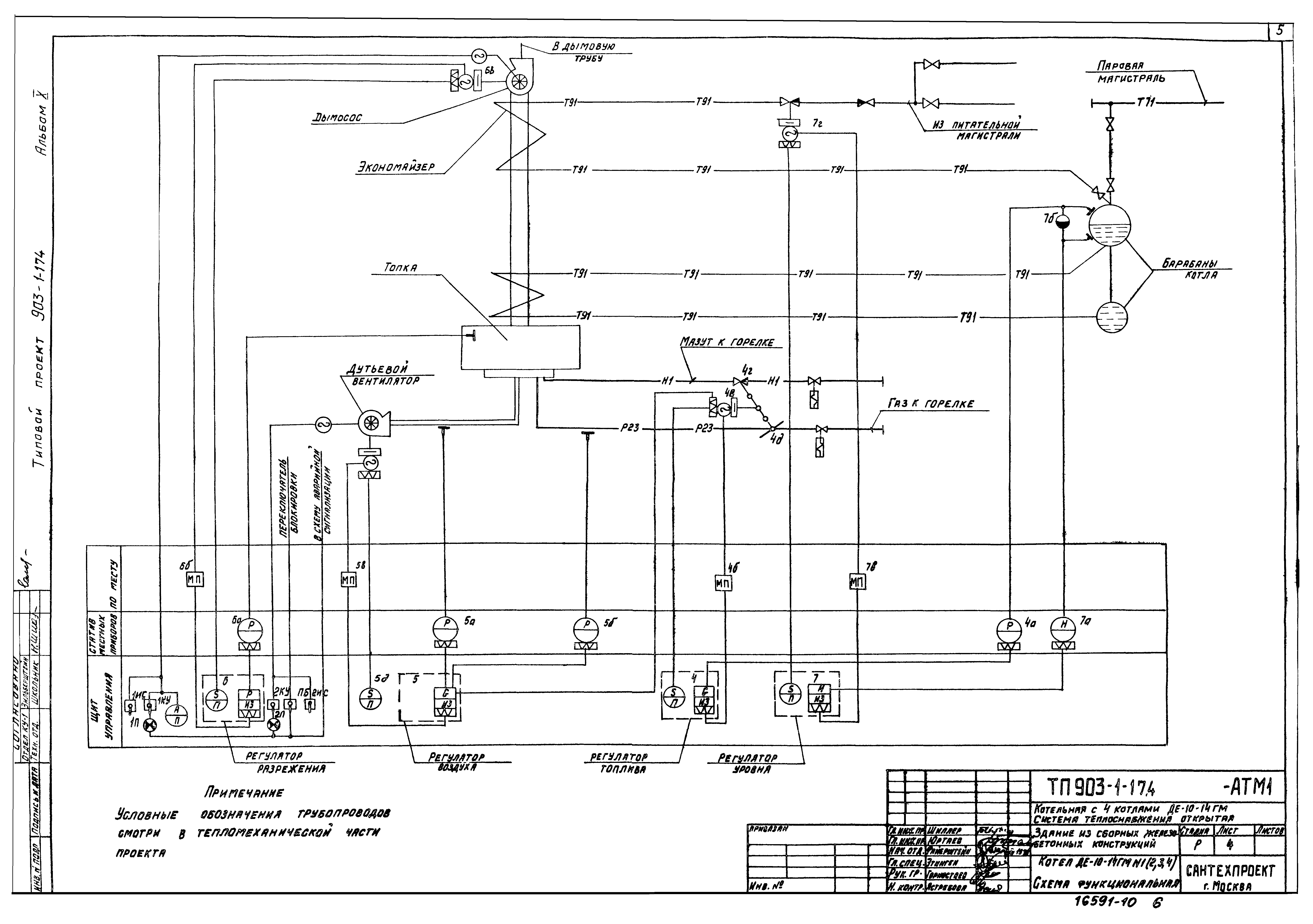
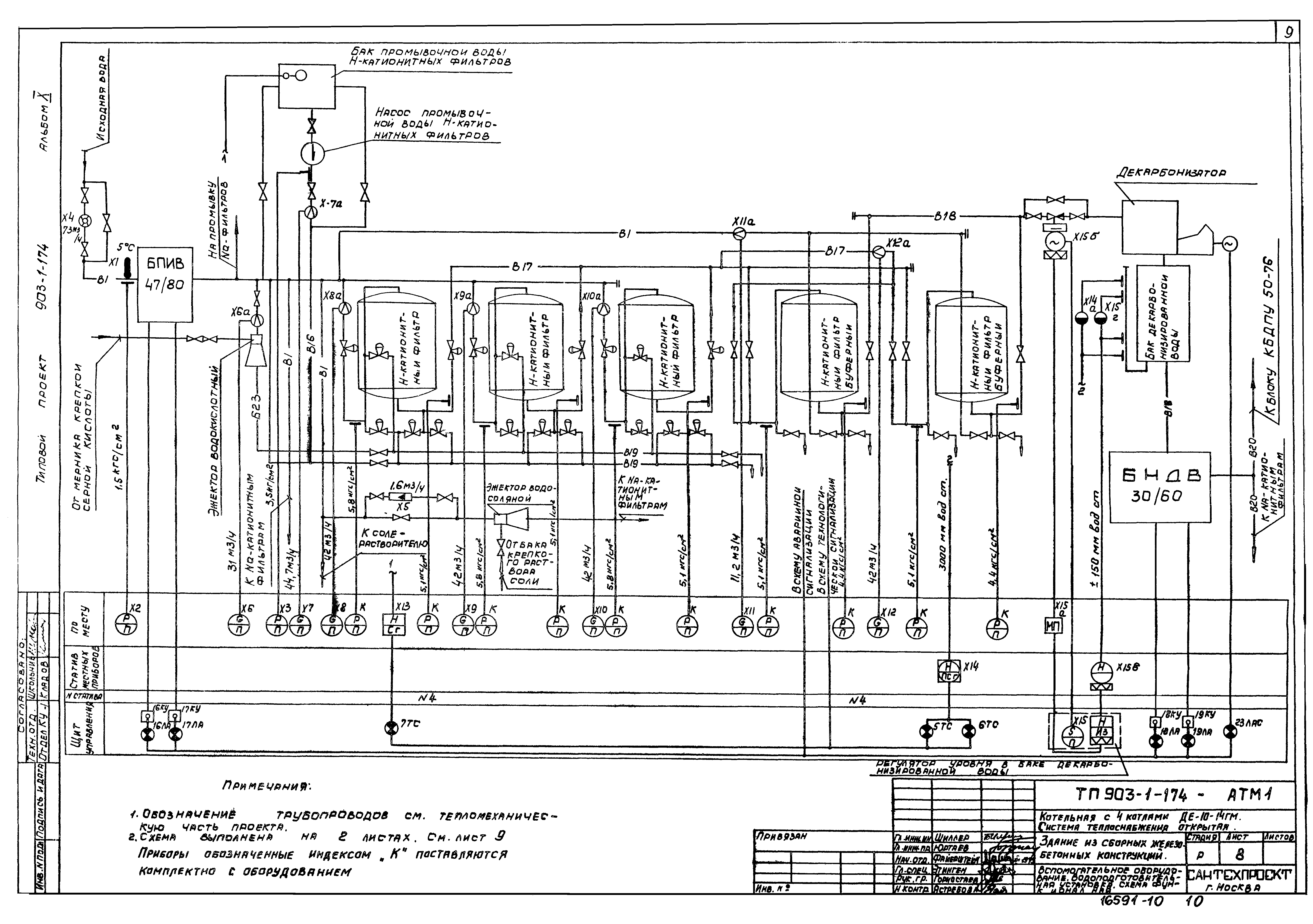
| Оглавление: | ТП 903-1-174 Титульный лист ТП 903-1-174-АТМ1-1 Общие данные ТП 903-1-174-АТМ1-2 Общие данные ТП 903-1-174-АТМ1-3 Котел ДЕ-10-14 ГМ №1(2-4). Функциональная схема ТП 903-1-174-АТМ1-4 Котел ДЕ-10-14 ГМ №1(2-4). Функциональная схема ТП 903-1-174-АТМ1-5 Котел ДЕ-10-14 ГМ №1(2-4). Общий вид щита Щ-К2(Щ-ДЕ) ТП 903-1-174-АТМ1-6 Вспомогательное оборудование. Сетевая установка. Схема функциональная ТП 903-1-174-АТМ1-7 Вспомогательное оборудование. Общекотельные трубопроводы. Схема функциональная ТП 903-1-174-АТМ1-8 Вспомогательное оборудование. Водоподготовительная установка. Схема функциональная ТП 903-1-174-АТМ1-9 Вспомогательное оборудование. Водоподготовительная установка. Схема функциональная ТП 903-1-174-АТМ1-10 Вспомогательное оборудование. Тепловой узел. Схема функциональная и внешних проводок |
| Разработан: | ГПИ Сантехпроект Госстроя СССР Минмонтажспецстрой СССР Проектный институт №2 ЦНИИпроектстальконструкция Госстроя |
| Утверждён: | 20.11.1979 ГПИ Сантехпроект (180) |
| Заменяет собой: | |
| Чем заменён: |












