Скачать Серия 3.903 КЛ-14 Выпуск 1-5. Теплоснабжение. Каналы непроходные. ИзделияДата актуализации: 01.01.2021
|
| Обозначение: | Серия 3.903 КЛ-14 |
| Обозначение англ: | Series 3.903 КЛ-14 |
| Статус: | действует |
| Название рус.: | Выпуск 1-5. Теплоснабжение. Каналы непроходные. Изделия |
| Дата добавления в базу: | 01.09.2013 |
| Дата актуализации: | 01.01.2021 |
| Дата введения: | 13.04.1987 |
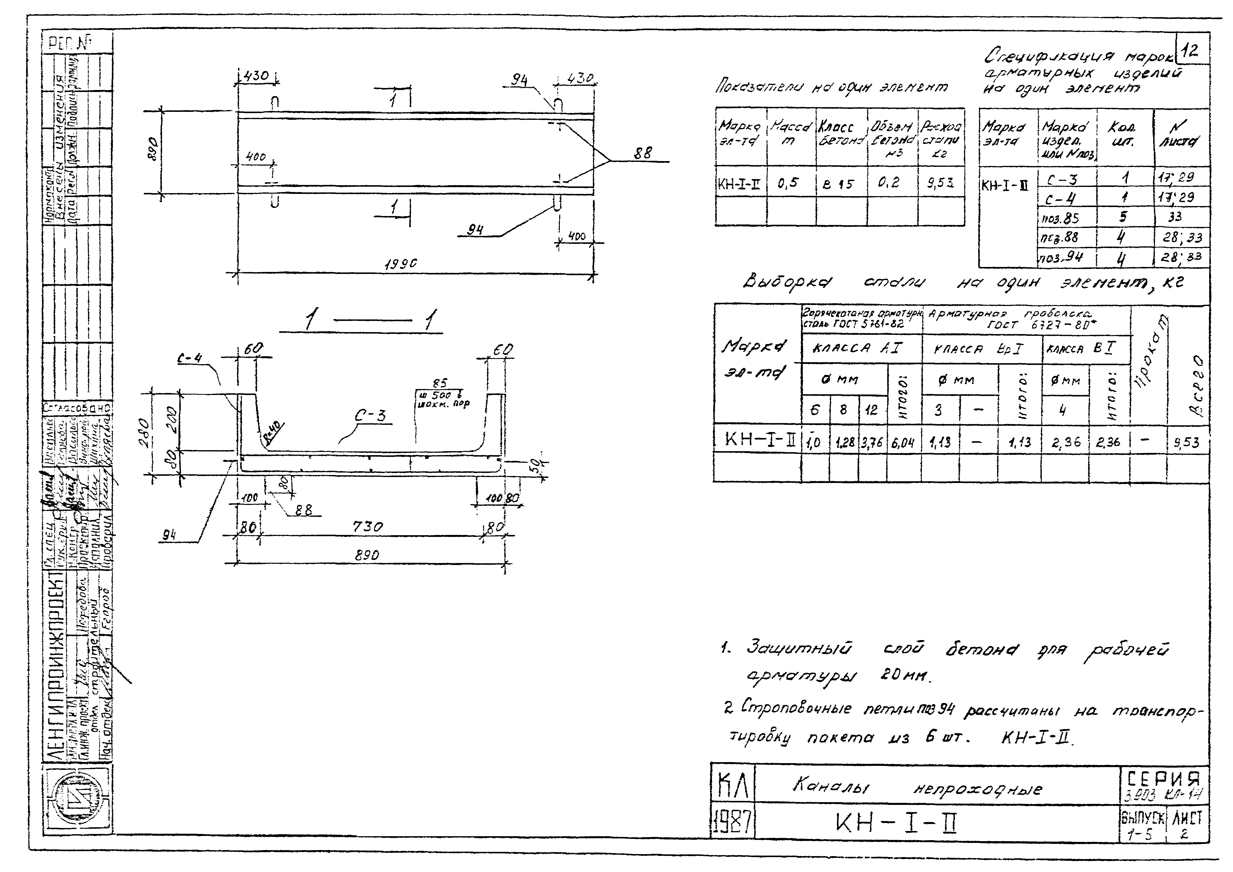
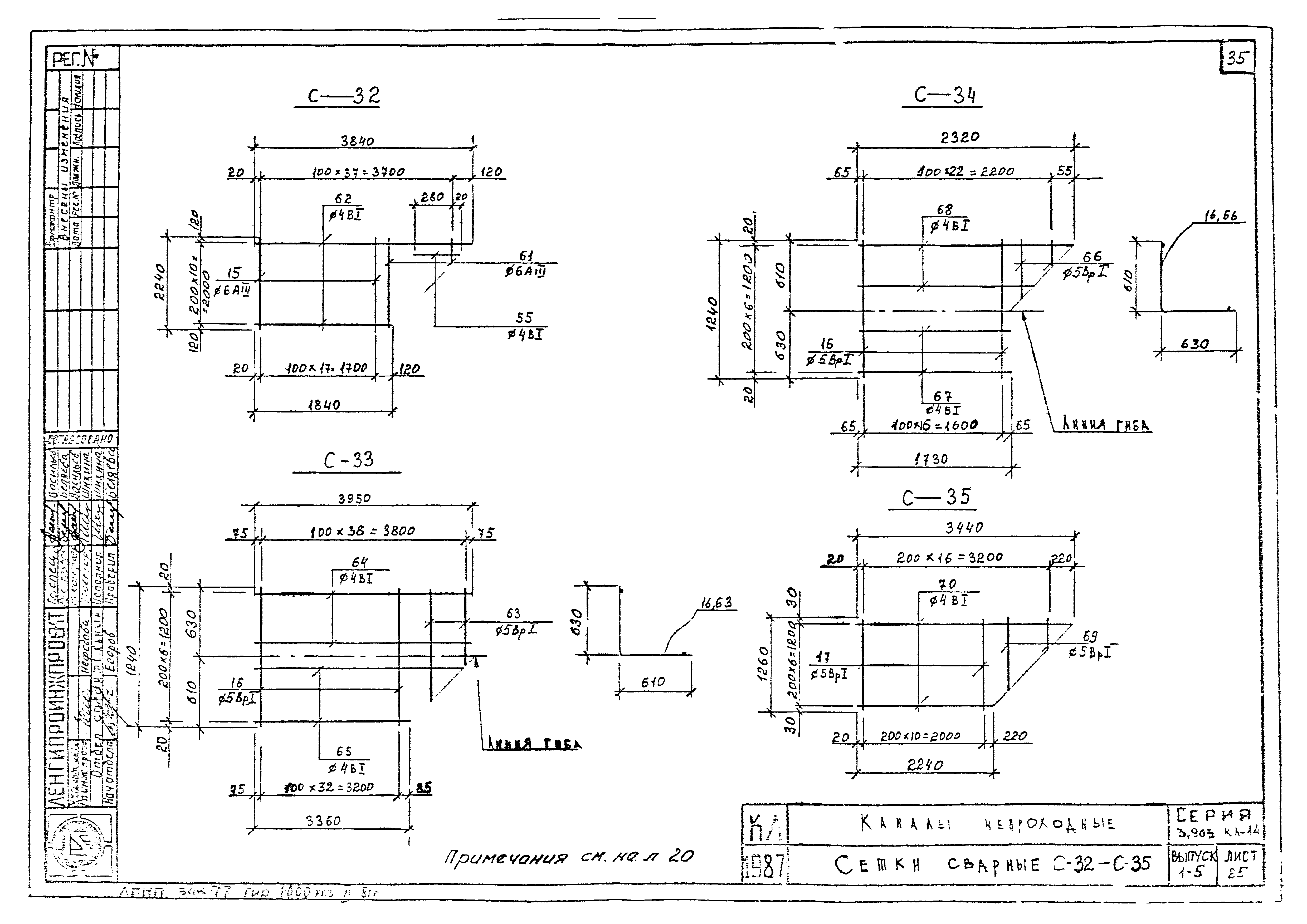
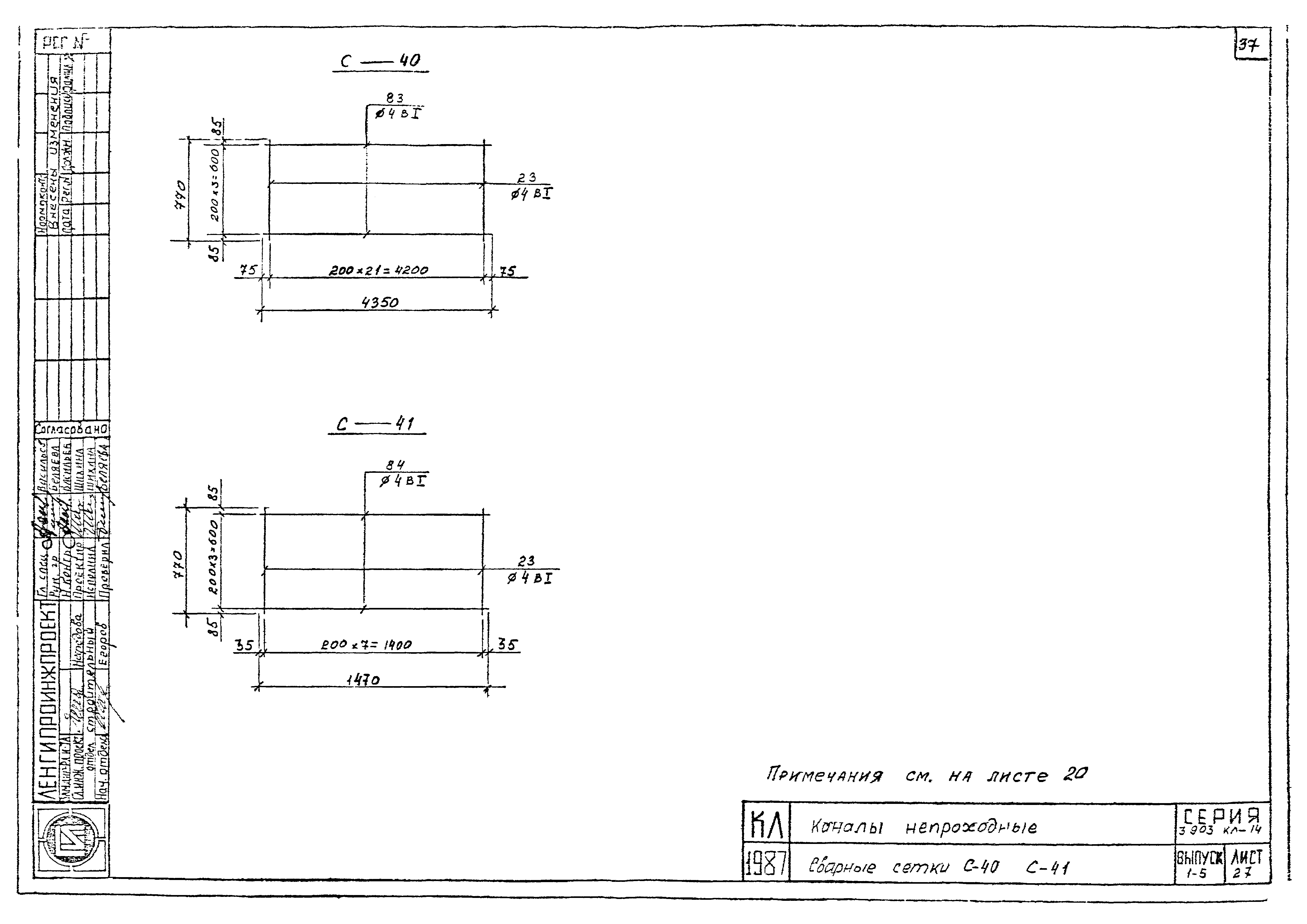
| Оглавление: | 3.903 КЛ-13 Содержание 3.903 КЛ-13 Пояснительная записка 3.903 КЛ-13 Канал КН-0-2 3.903 КЛ-13 Канал КН-1-2 3.903 КЛ-13 Канал КН-2-2 3.903 КЛ-13 Канал КН-3-2 3.903 КЛ-13 Канал КН-4-2 3.903 КЛ-13 Канал КН-5-2 3.903 КЛ-13 Канал КН-6-2 3.903 КЛ-13 Канал КН-7-2 3.903 КЛ-13 Канал УКН-0-2 3.903 КЛ-13 Канал УКН-1-2 3.903 КЛ-13 Канал УКН-2-2 3.903 КЛ-13 Канал УКН-3-2 3.903 КЛ-13 Канал УКН-4-2 3.903 КЛ-13 Канал УКН-5-2 3.903 КЛ-13 Канал УКН-6-2 3.903 КЛ-13 Канал УКН-7-2 3.903 КЛ-13 Сетки С-1÷С-5 3.903 КЛ-13 Сетки С-6÷С-9 3.903 КЛ-13 Сетки С-10÷С-13 3.903 КЛ-13 Сетки С-14÷С-16 3.903 КЛ-13 Сетки С-17÷С-19 3.903 КЛ-13 Сетки С-20÷С-23 3.903 КЛ-13 Сетки С-24÷С-27 3.903 КЛ-13 Сетки С-28÷С-31 3.903 КЛ-13 Сетки С-32÷С-35 3.903 КЛ-13 Сетки С-36÷С-39 3.903 КЛ-13 Сетки С-40÷С-41 3.903 КЛ-13 Позиции 88-96 3.903 КЛ-13 Спецификации С-1÷С-12 3.903 КЛ-13 Спецификации С-13÷С-22 3.903 КЛ-13 Спецификации С-23÷С-30 3.903 КЛ-13 Спецификации С-31÷С-38 3.903 КЛ-13 Спецификации С-39÷С-41, отдельные стержни |
| Разработан: | Ленгипроинжпроект Ленгорисполкома |
| Утверждён: | 13.04.1987 Ленгипроинжпроект (Lengiproinzhproject 92) |









































