Скачать Серия 1.141.1 КЛ-3 Выпуск 2-1. Арматурные изделияДата актуализации: 01.01.2021
|
| Обозначение: | Серия 1.141.1 КЛ-3 |
| Обозначение англ: | Series 1.141.1 КЛ-3 |
| Статус: | действует |
| Название рус.: | Выпуск 2-1. Арматурные изделия |
| Дата добавления в базу: | 01.09.2013 |
| Дата актуализации: | 01.01.2021 |
| Дата введения: | 06.12.1988 |
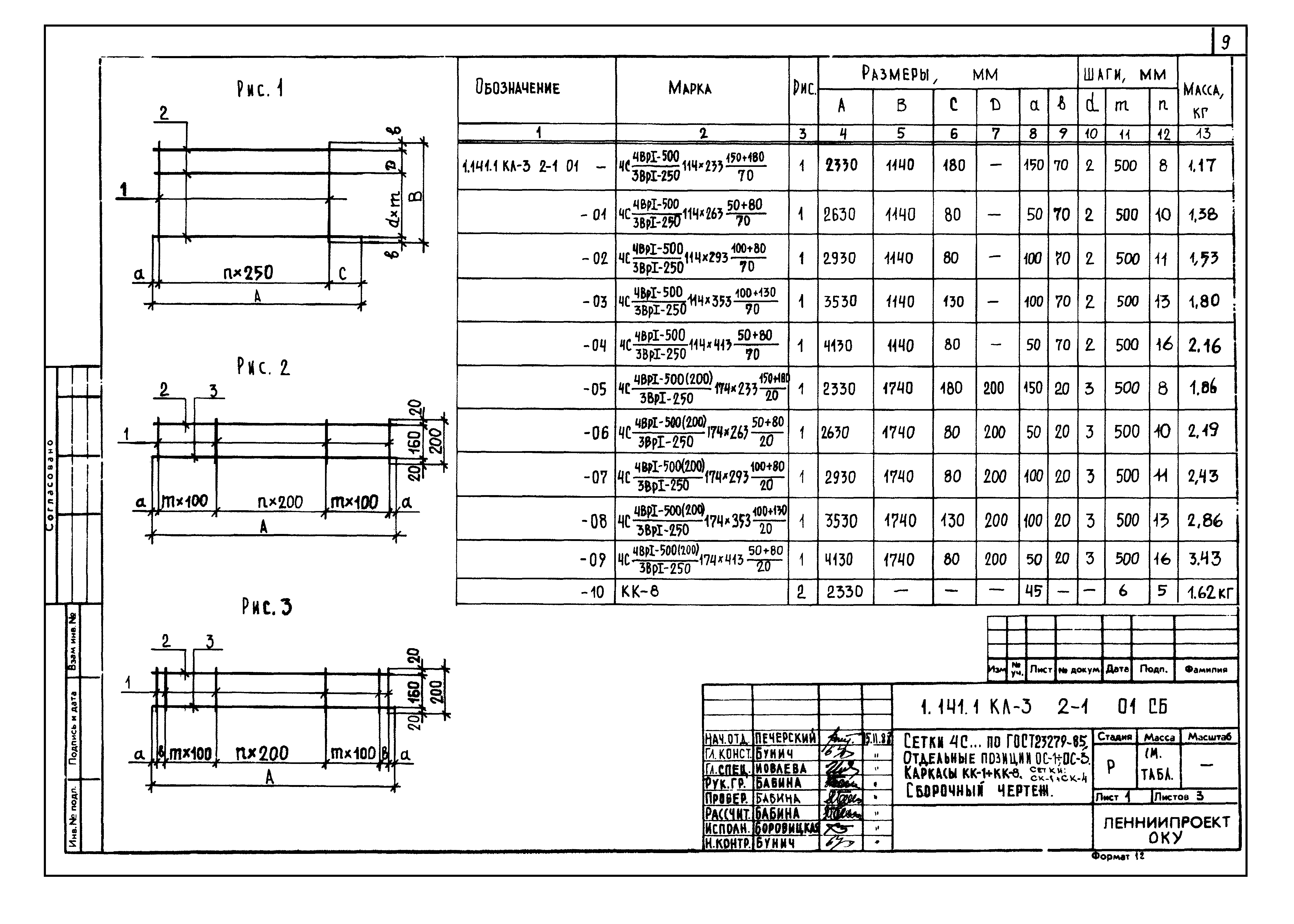
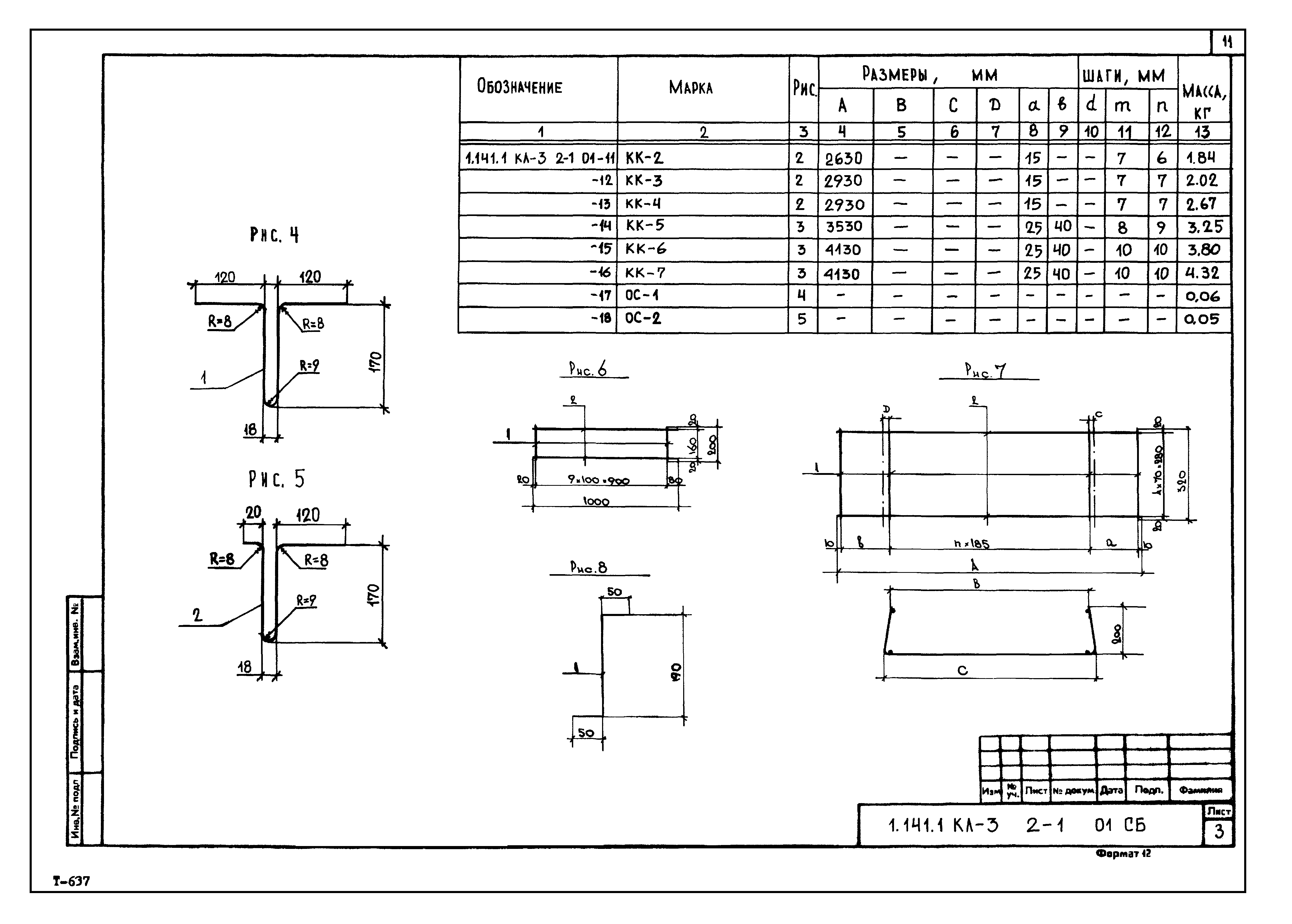
| Оглавление: | 1.141.1 КЛ-3 Обложка. Титульный лист 1.141.1 КЛ-3-ИК Информационная карта 1.141.1 КЛ-3-СС Состав серии 1.141.1 КЛ-3-С Содержание 1.141.1 КЛ-3-ПЗ Пояснительная записка 1.141.1 КЛ-3-01 Сетки 4С... по ГОСТ 23279-85. Отдельные позиции ОС-1÷ОС-3. Каркасы КК-1÷КК-8. Сетки СК-1÷СК-4 1.141.1 КЛ-3-01 СБ Сетки 4С... по ГОСТ 23279-85. Отдельные позиции ОС-1÷ОС-3. Каркасы КК-1÷КК-8. Сетки СК-1÷СК-4. Сборочный чертеж 1.141.1 КЛ-3-02 Сетка С-1. Фиксатор ОС-4 |
| Разработан: | Ленниипроект |
| Утверждён: | 06.12.1988 Ленниипроект (129-У) |












