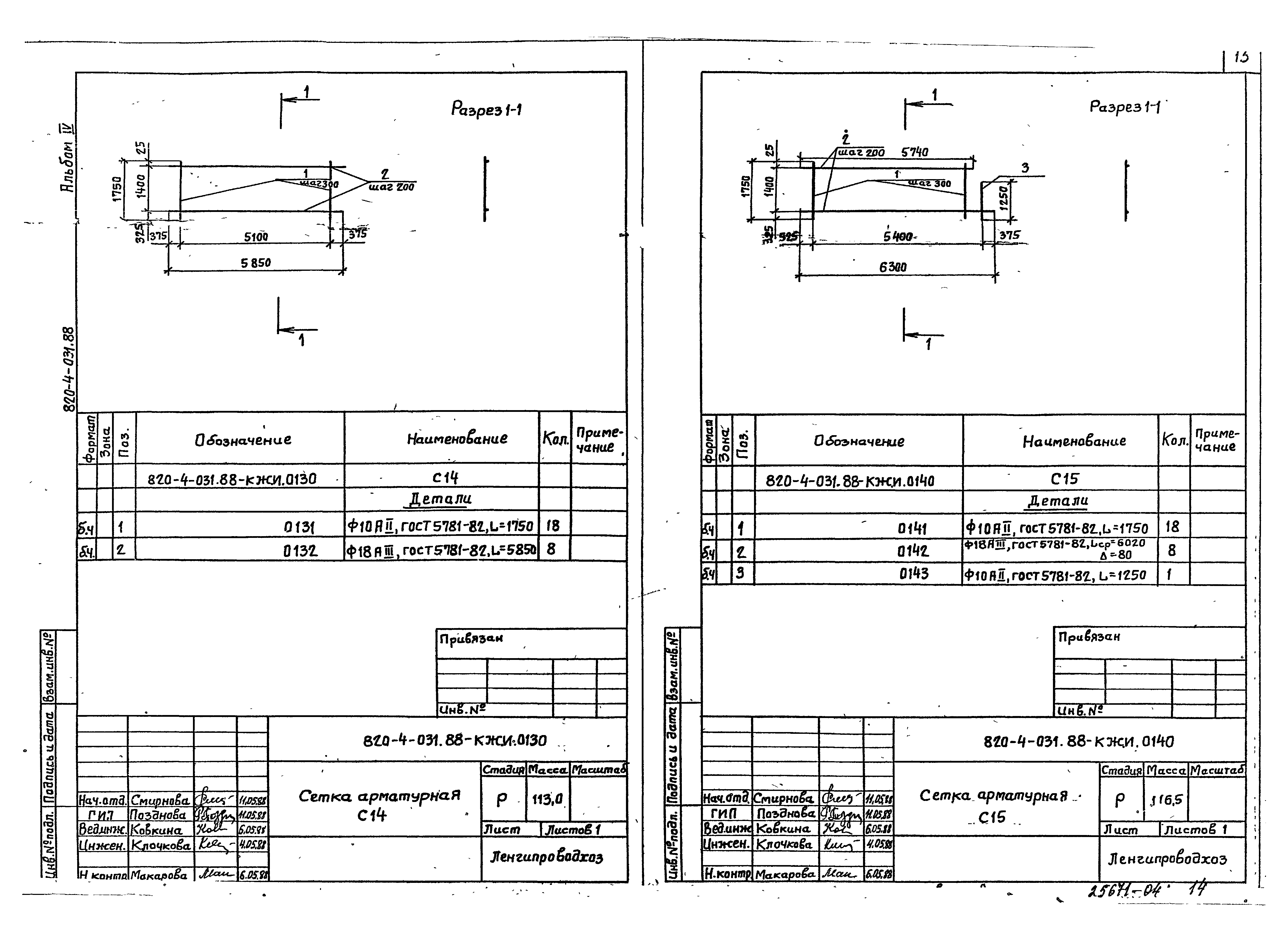
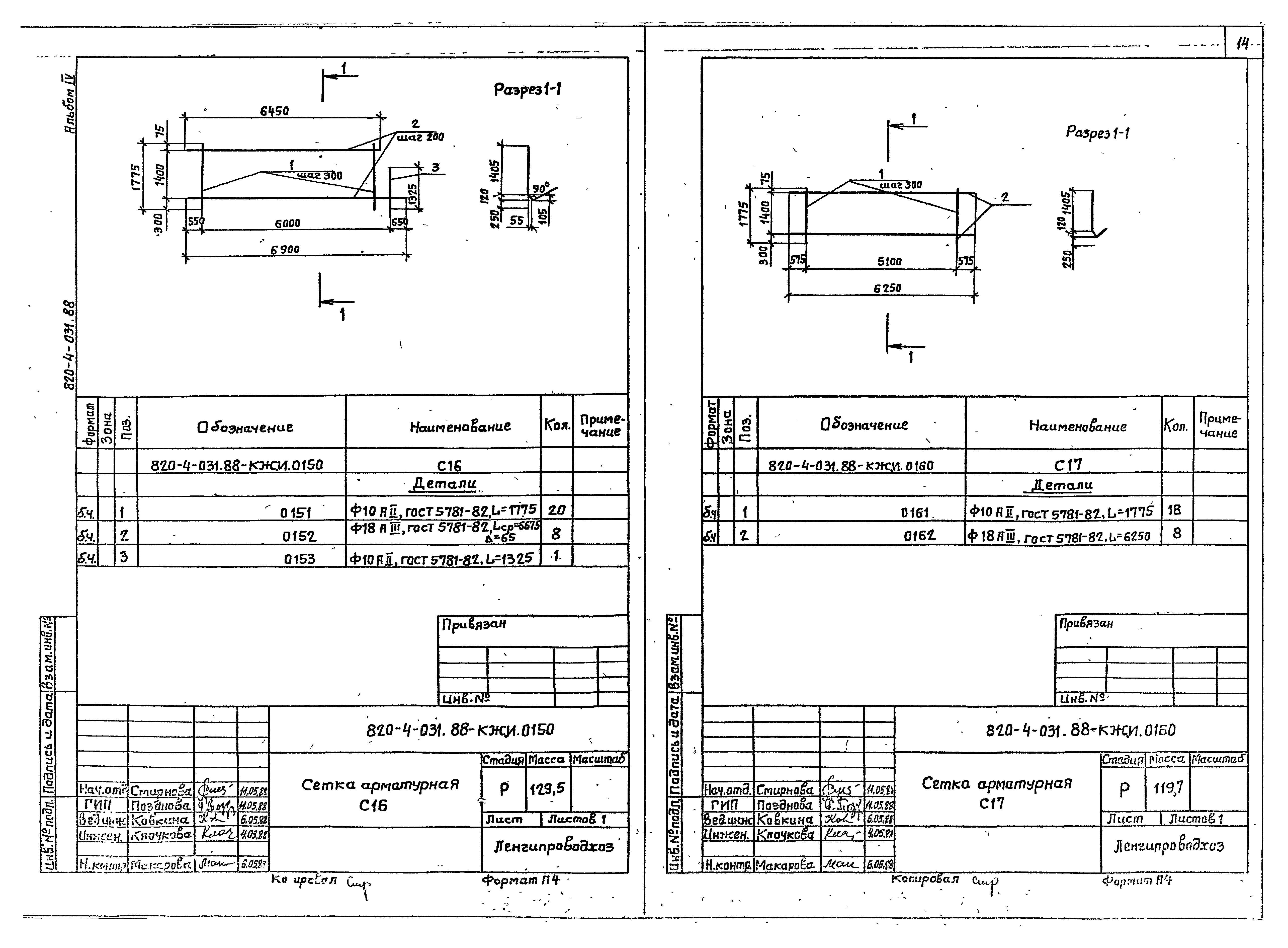
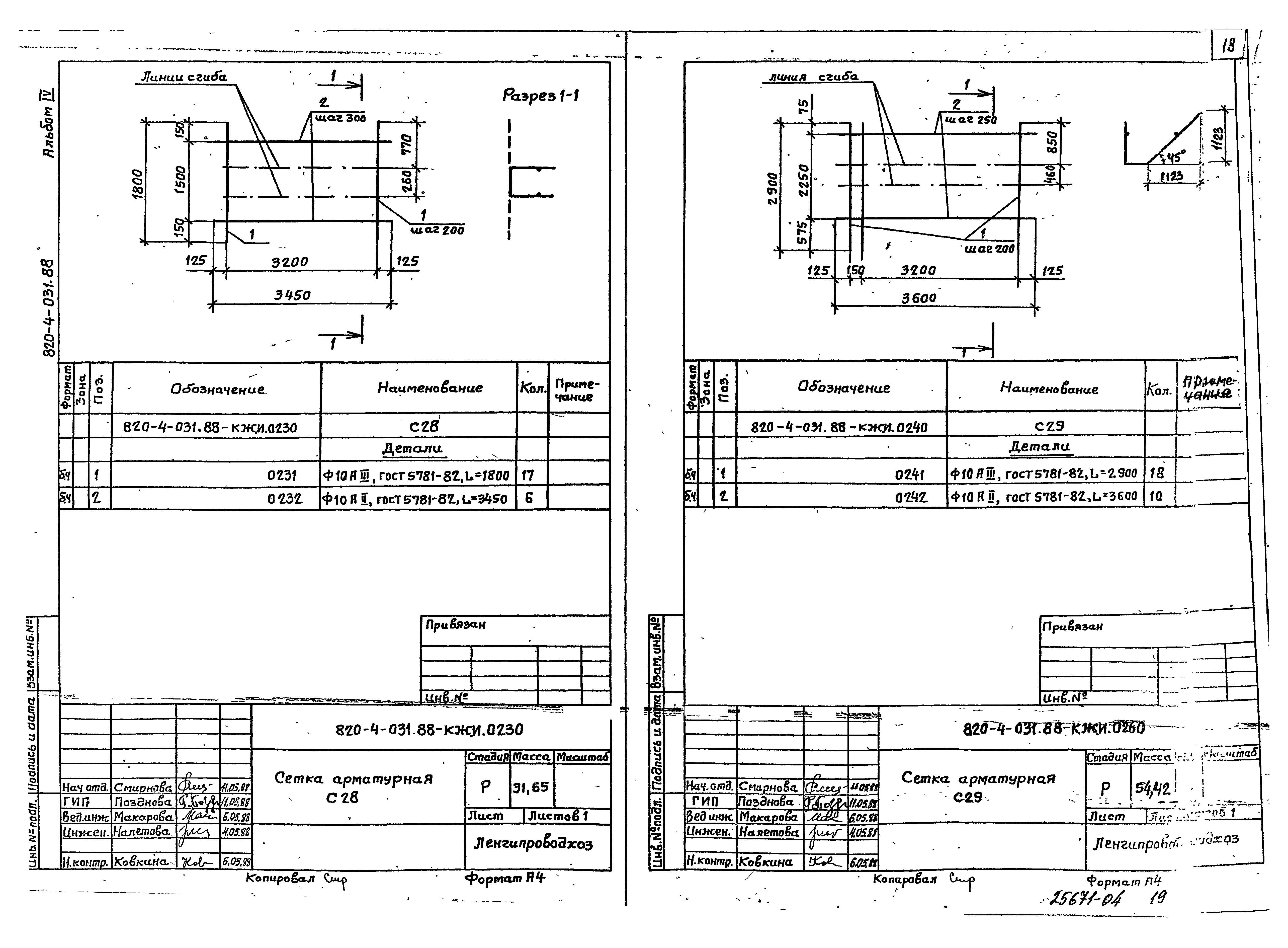
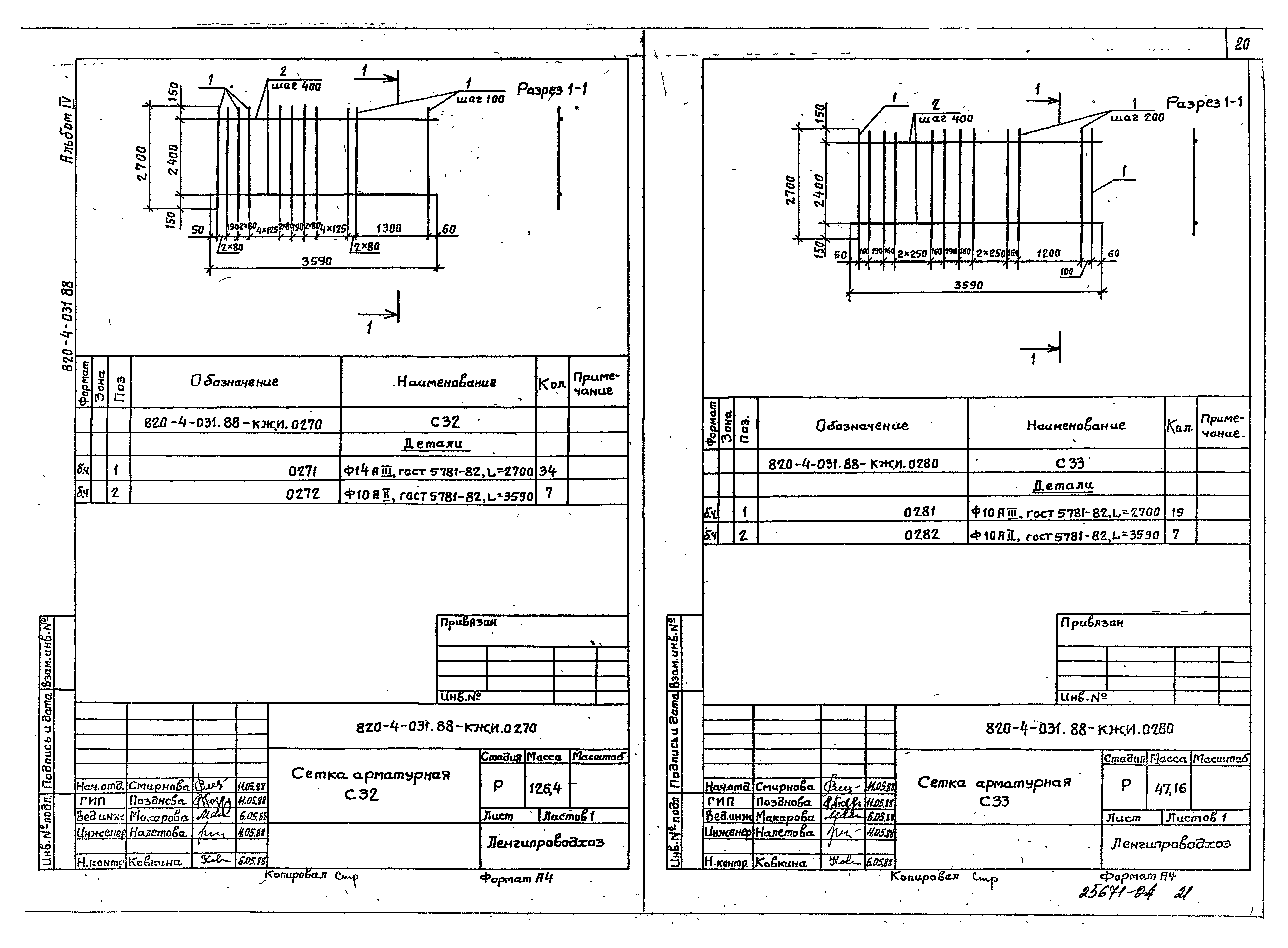
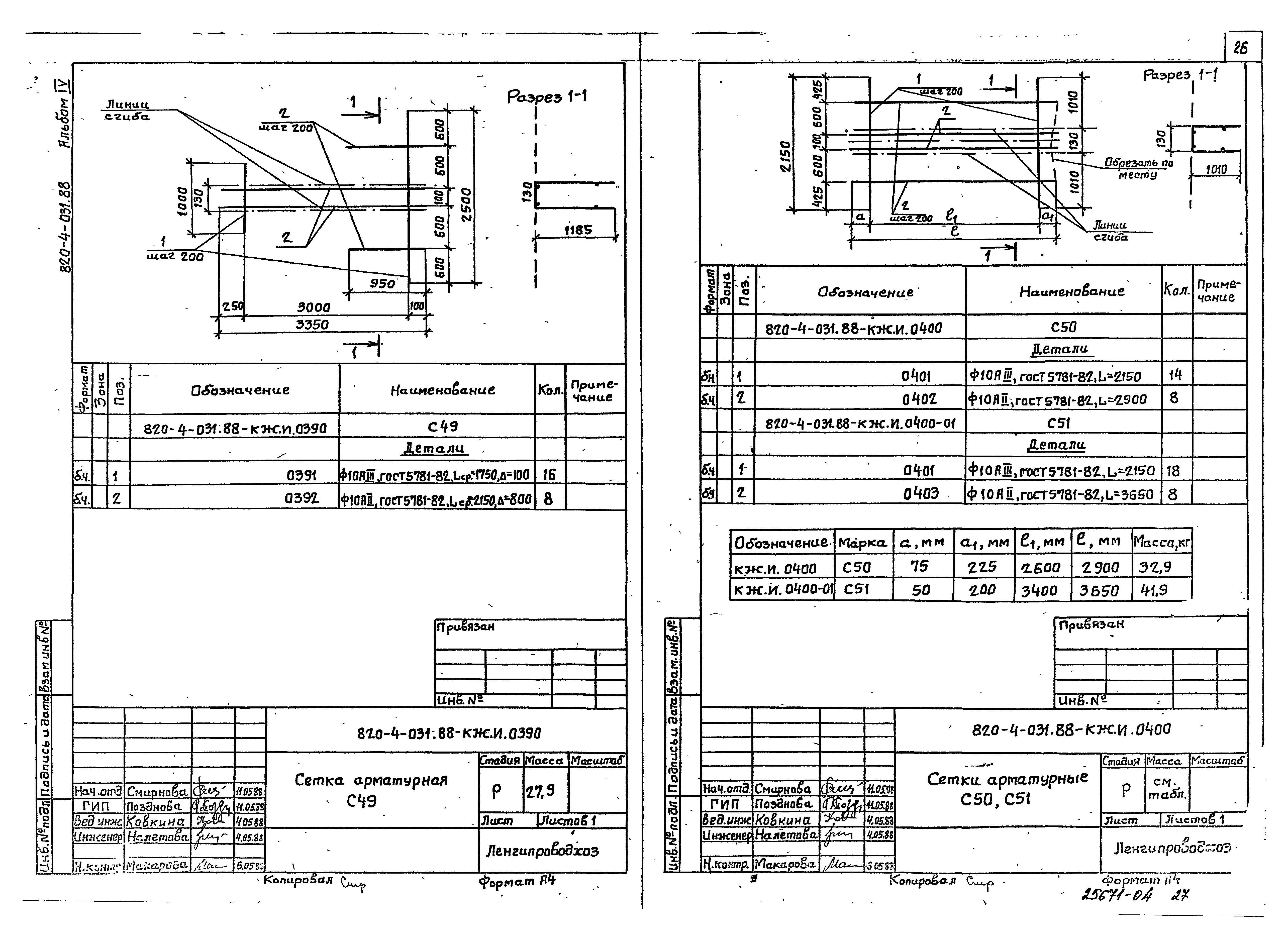
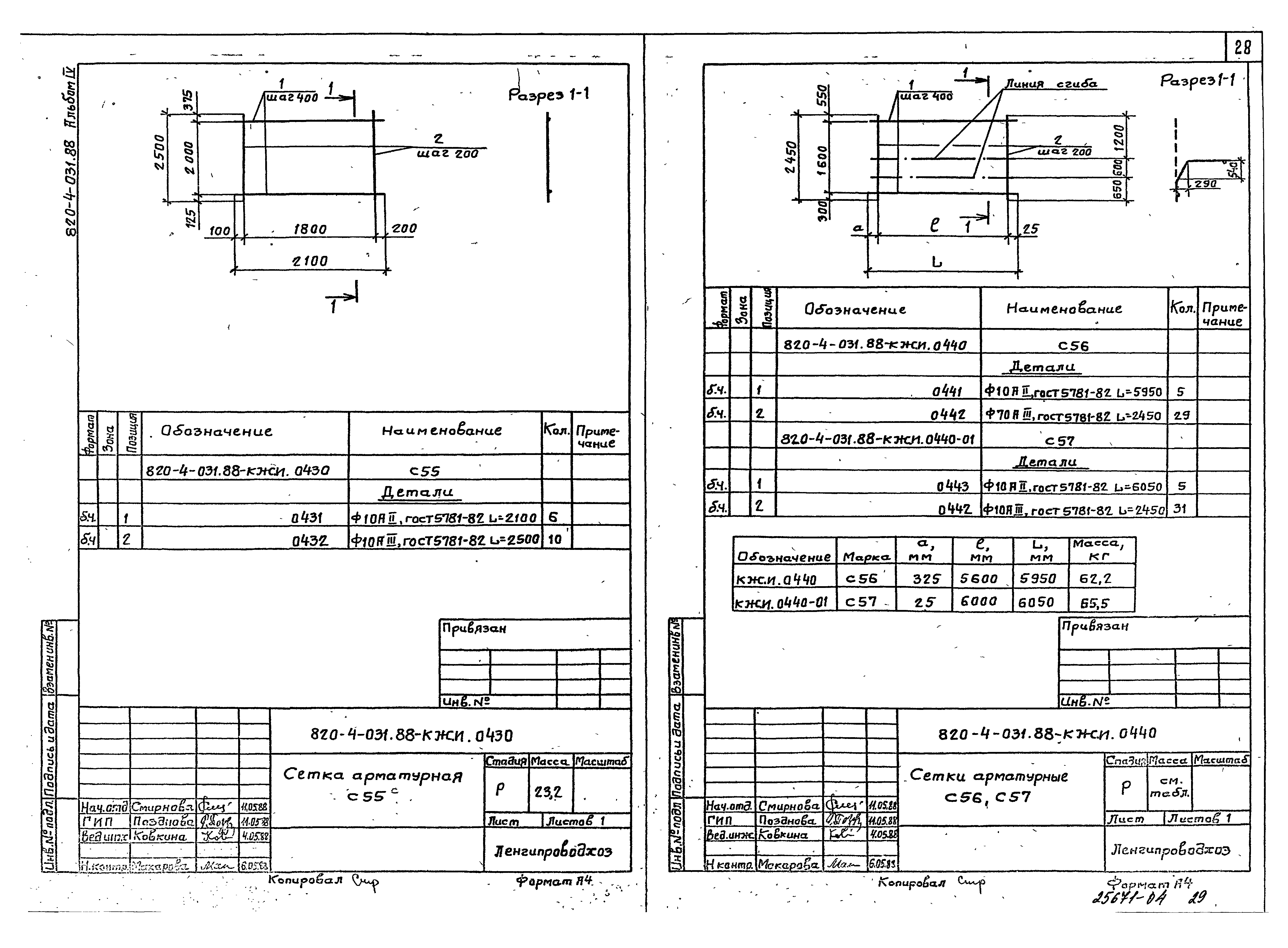
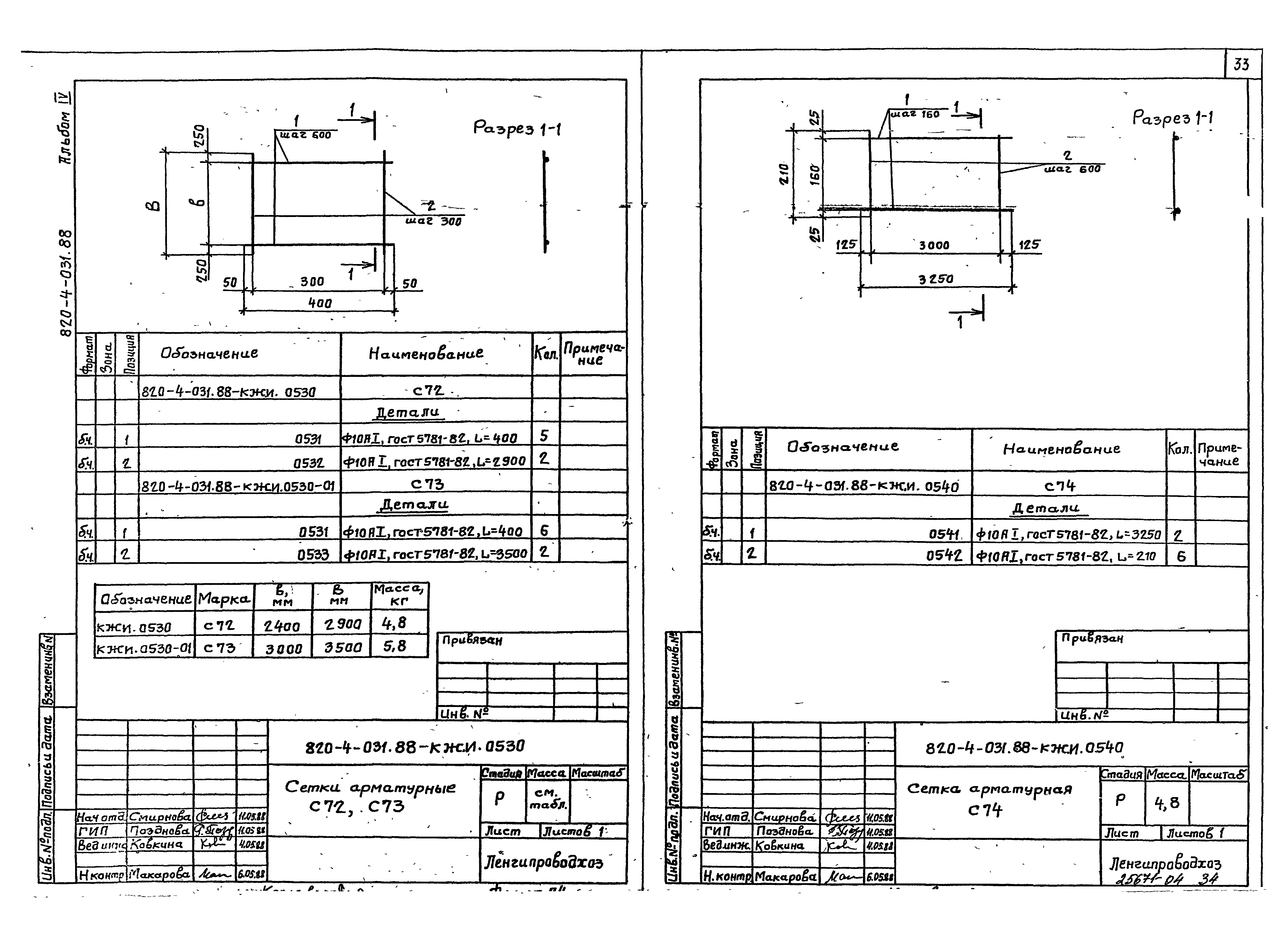
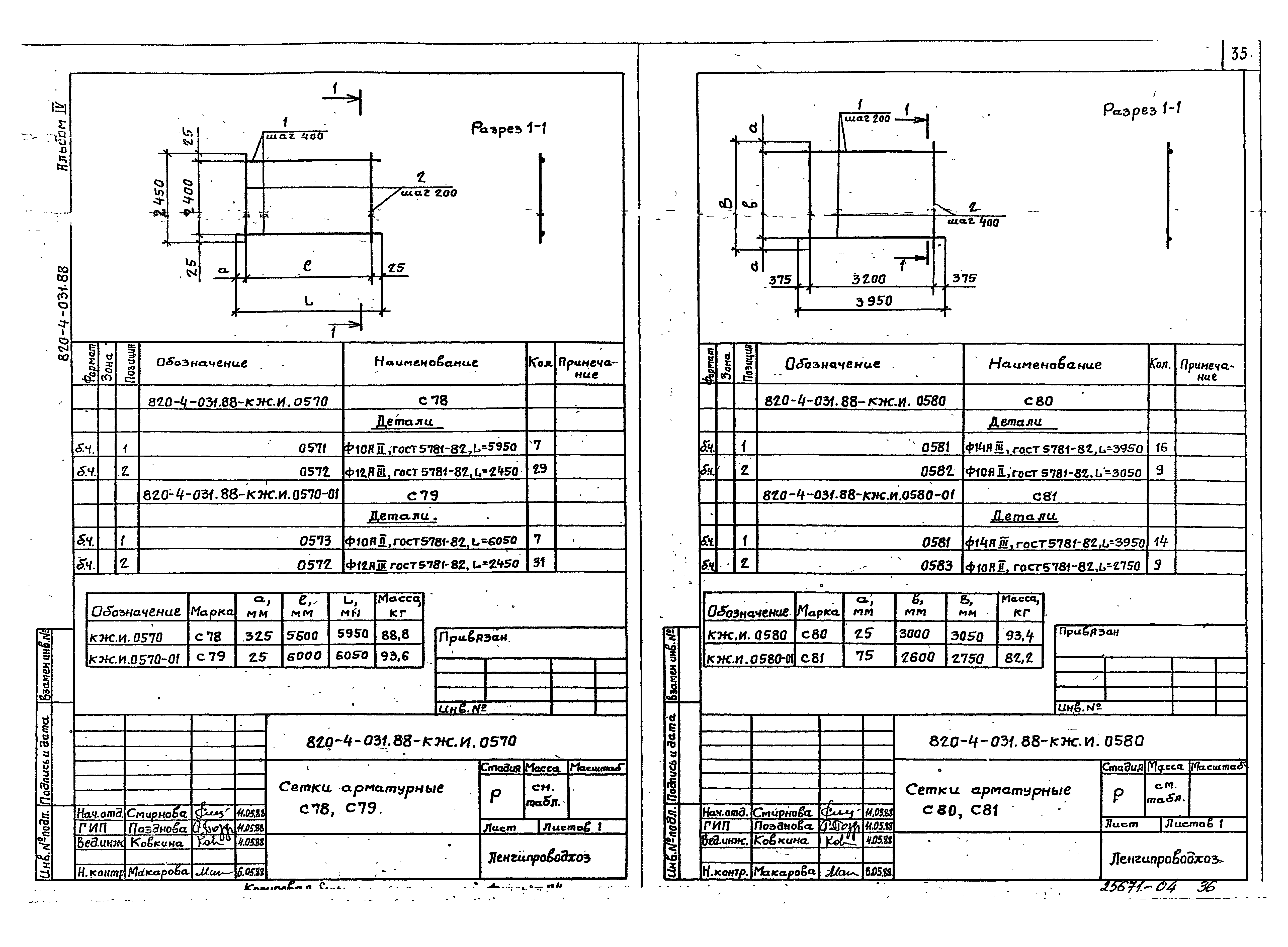
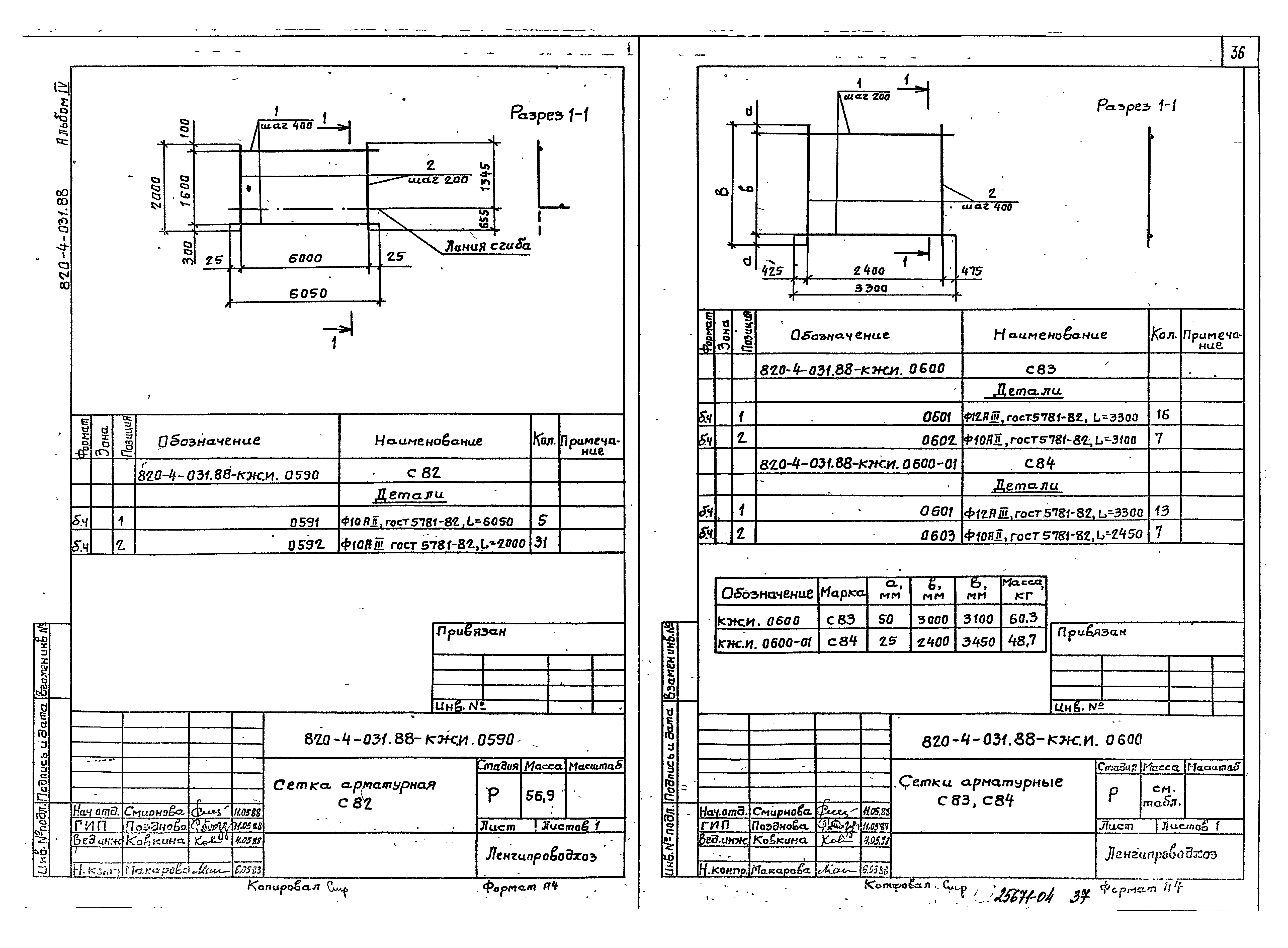
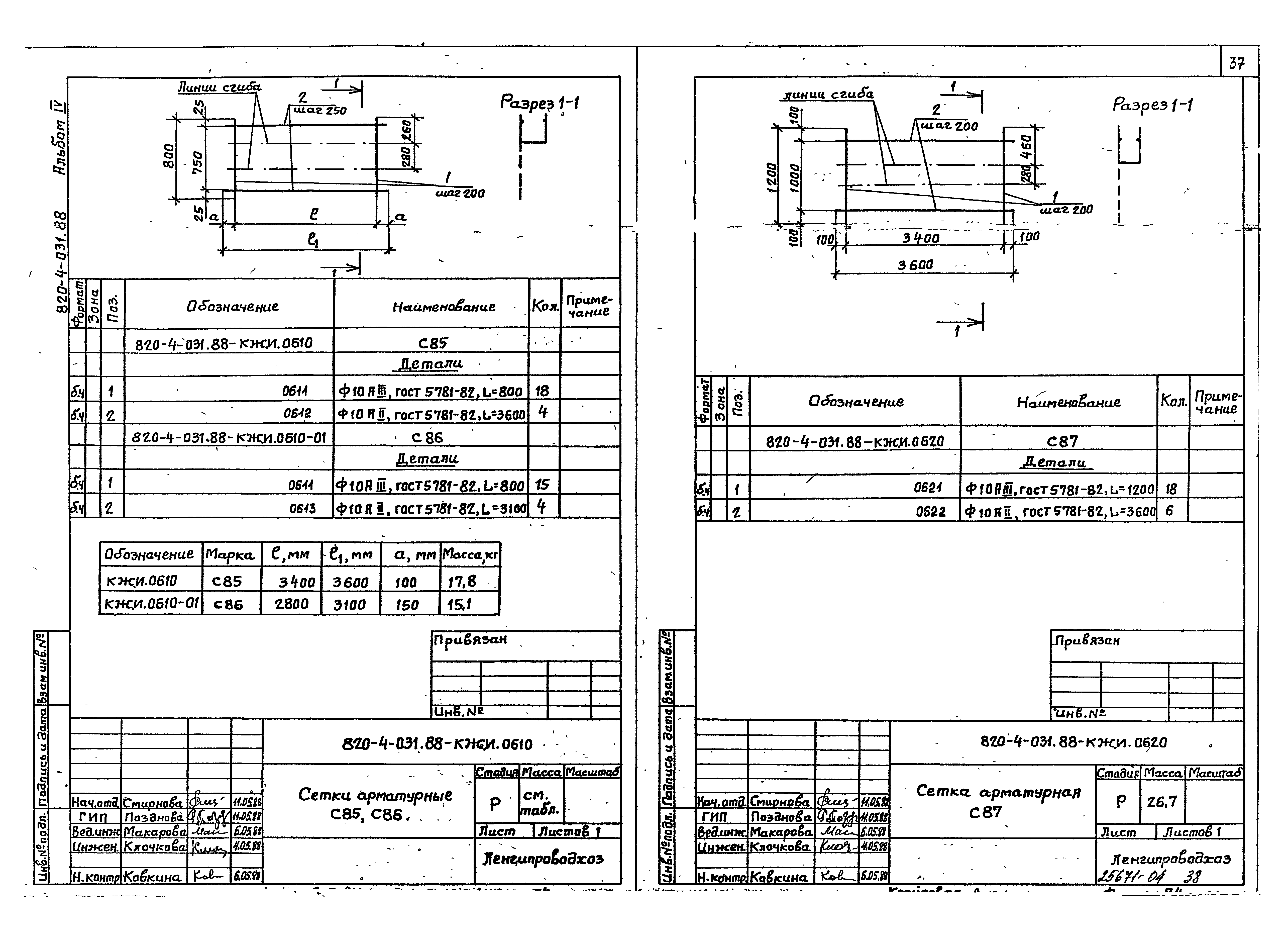
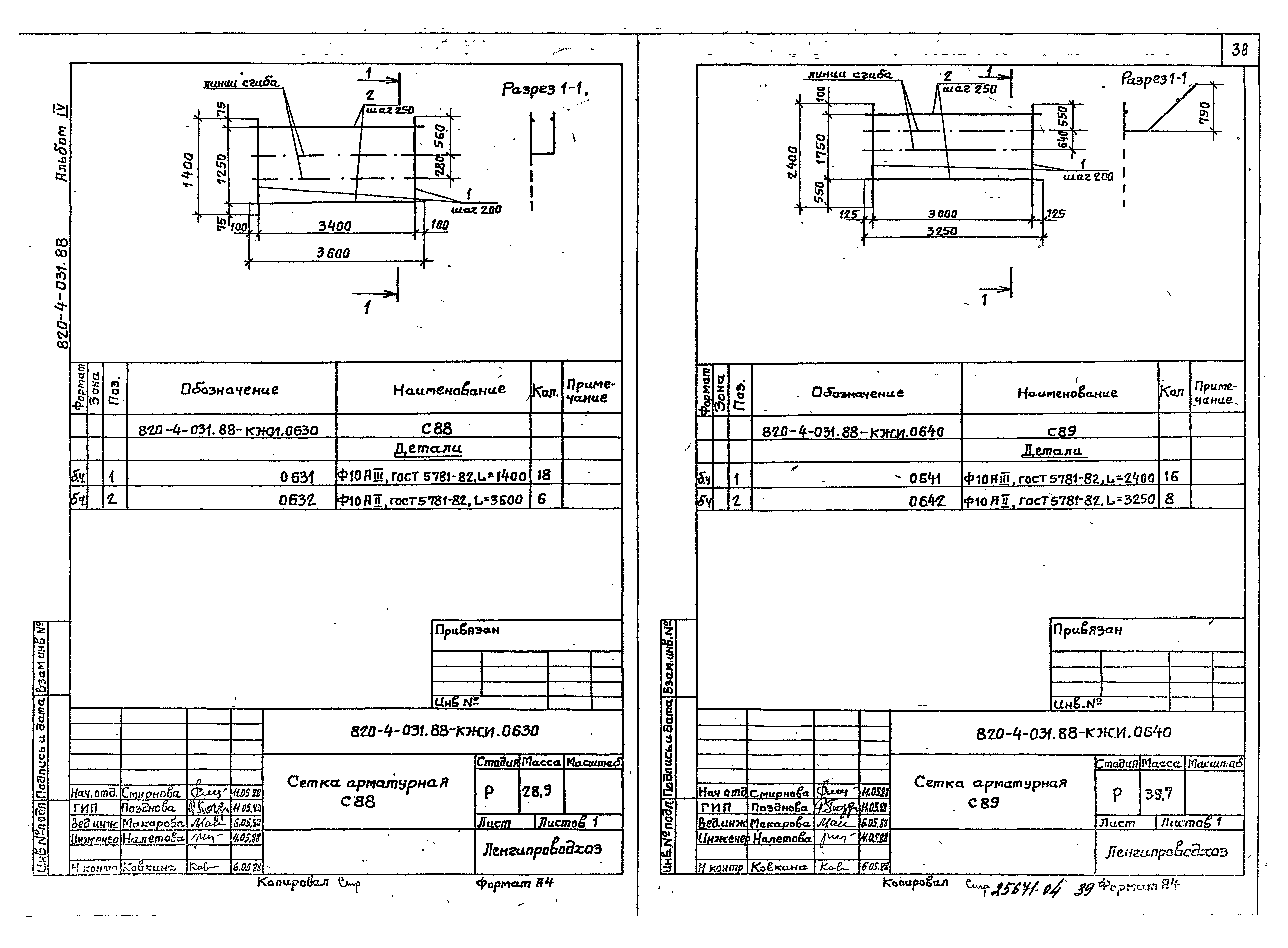
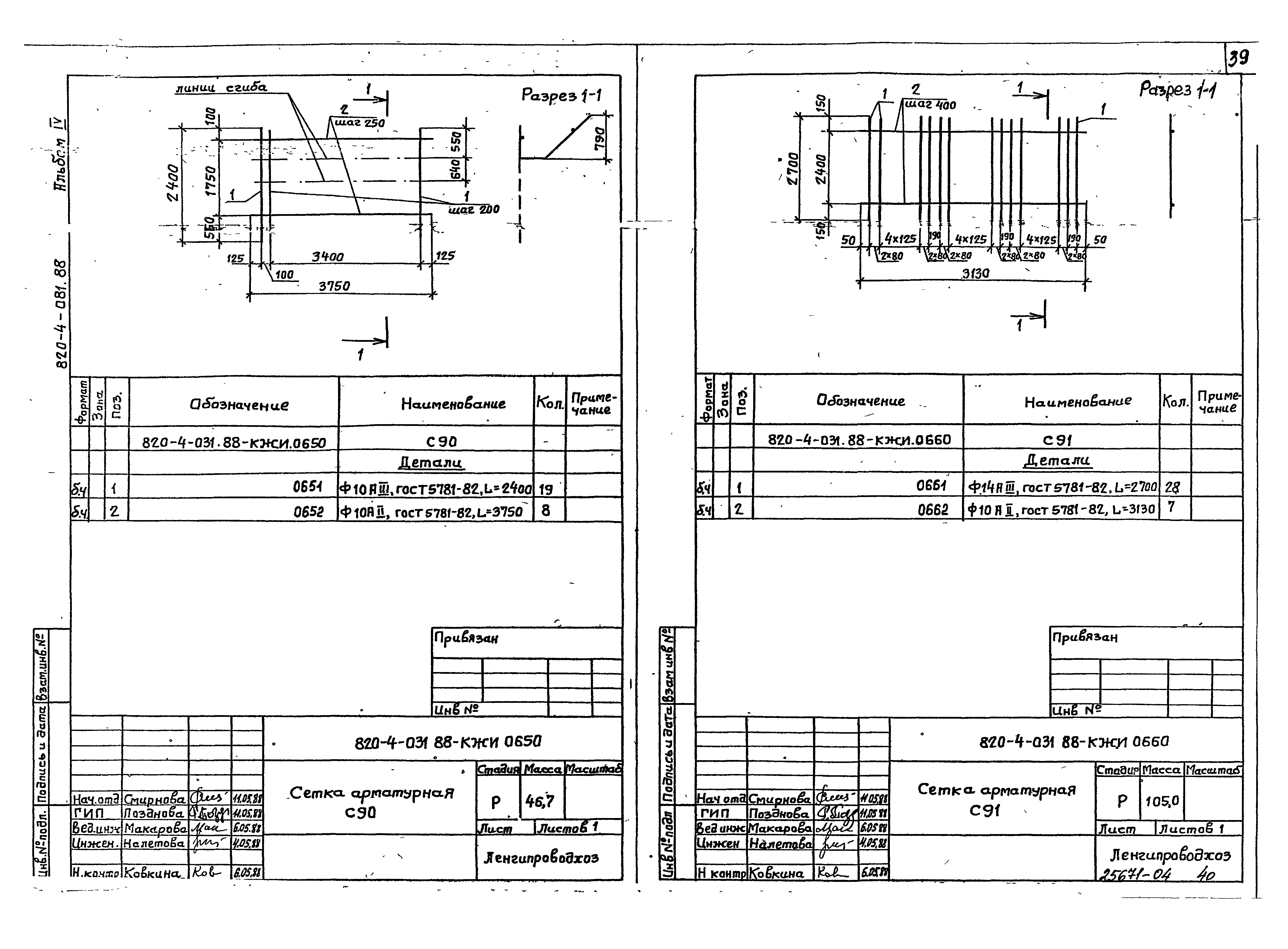
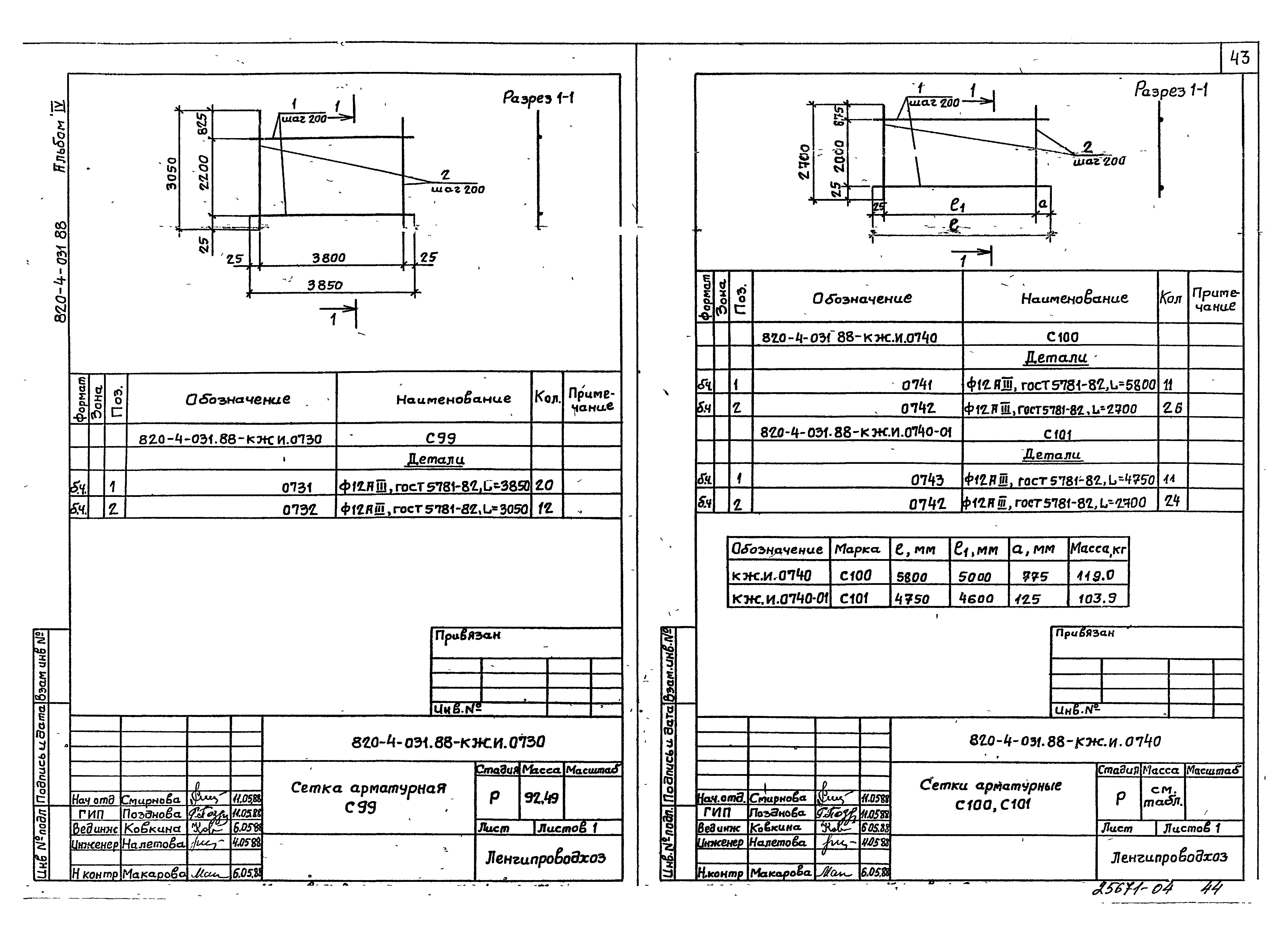
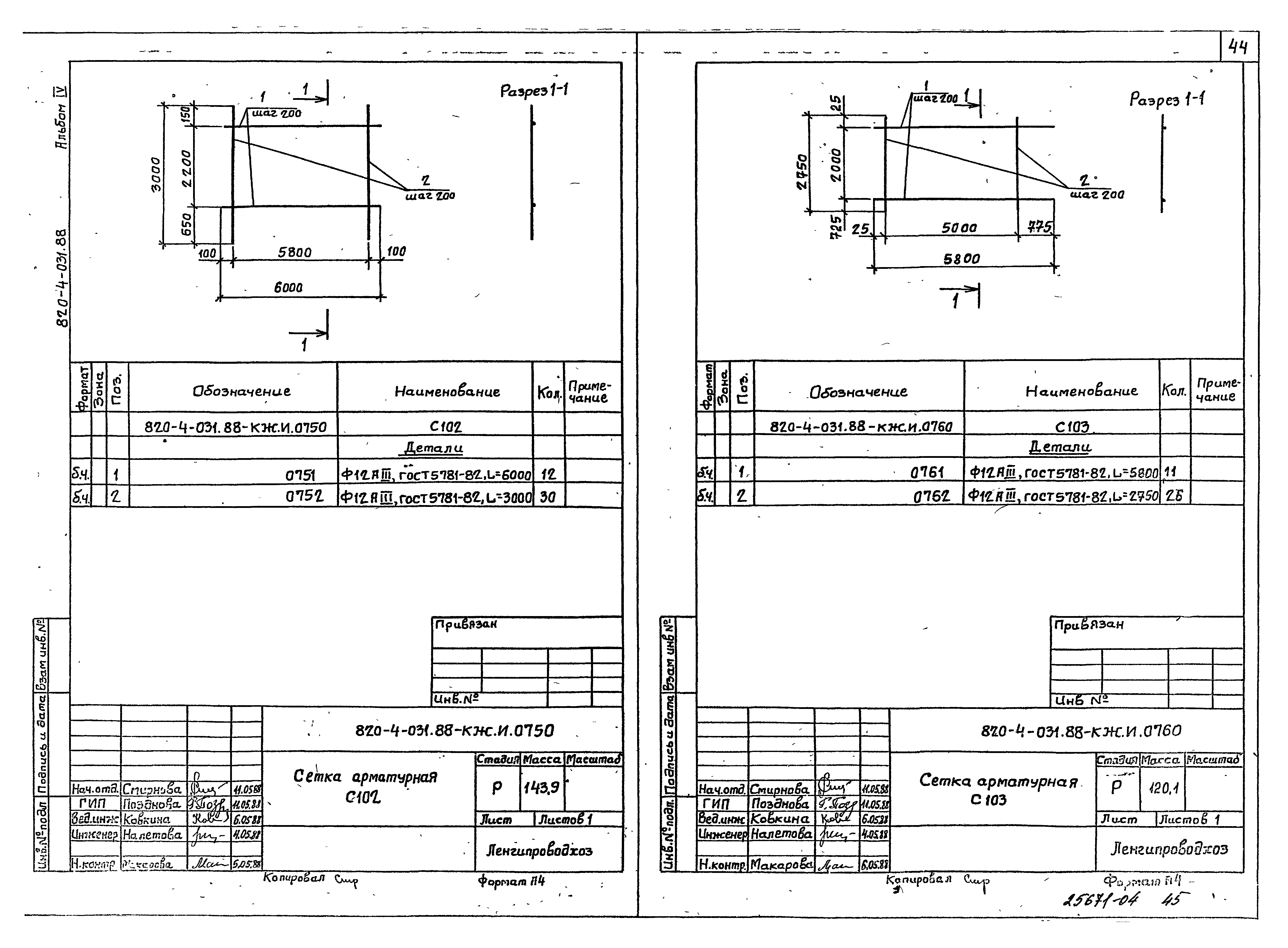
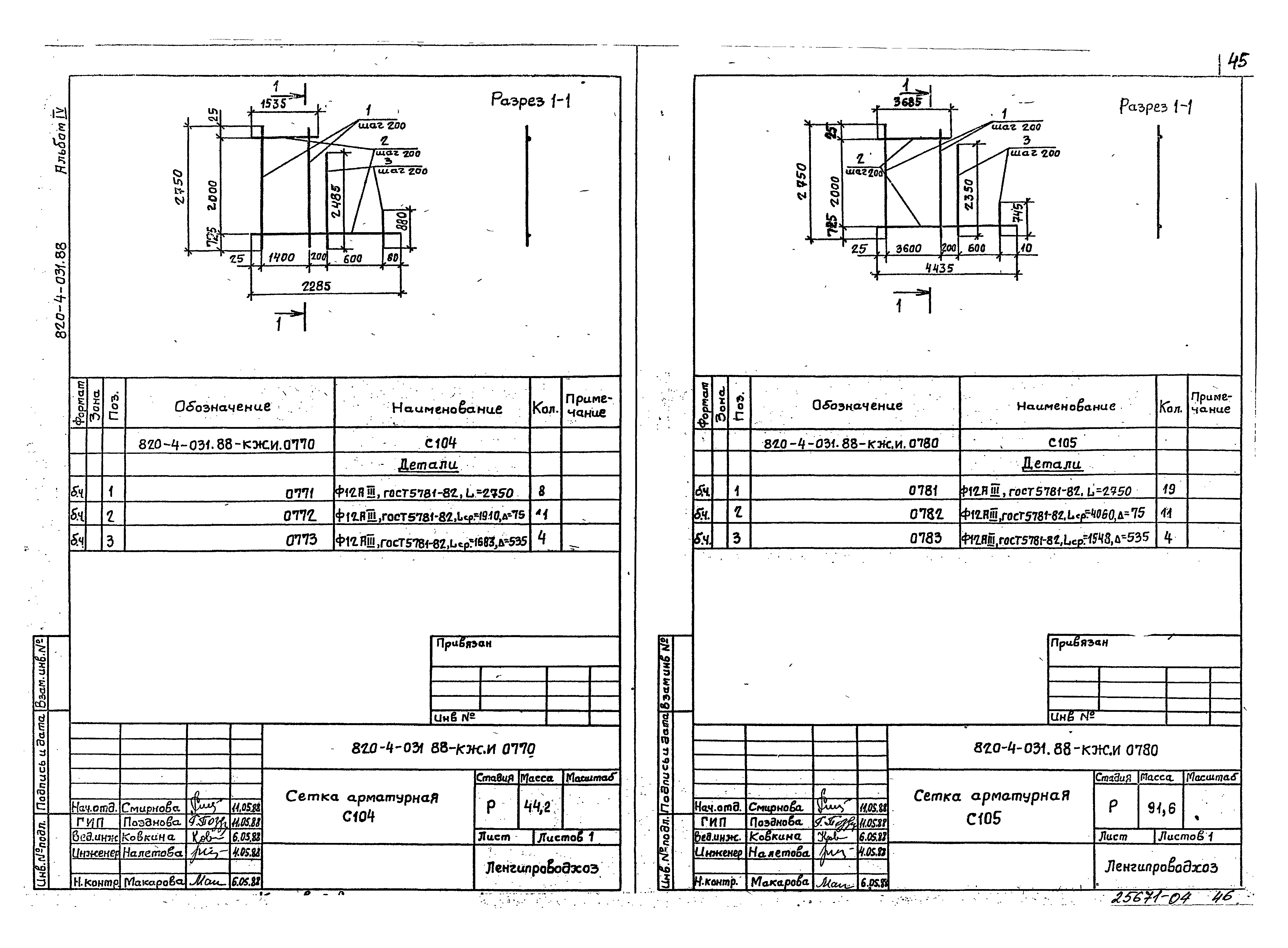
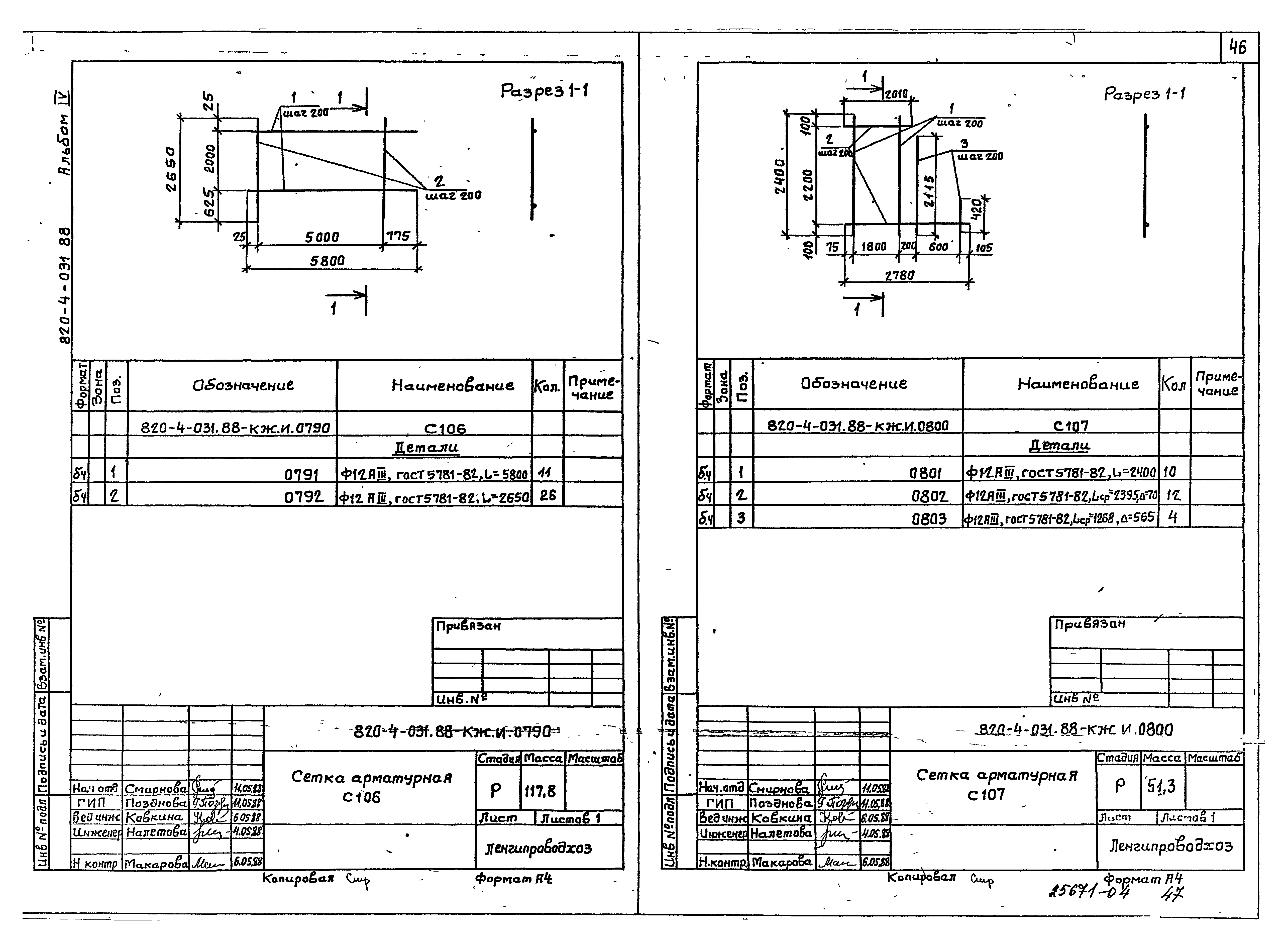
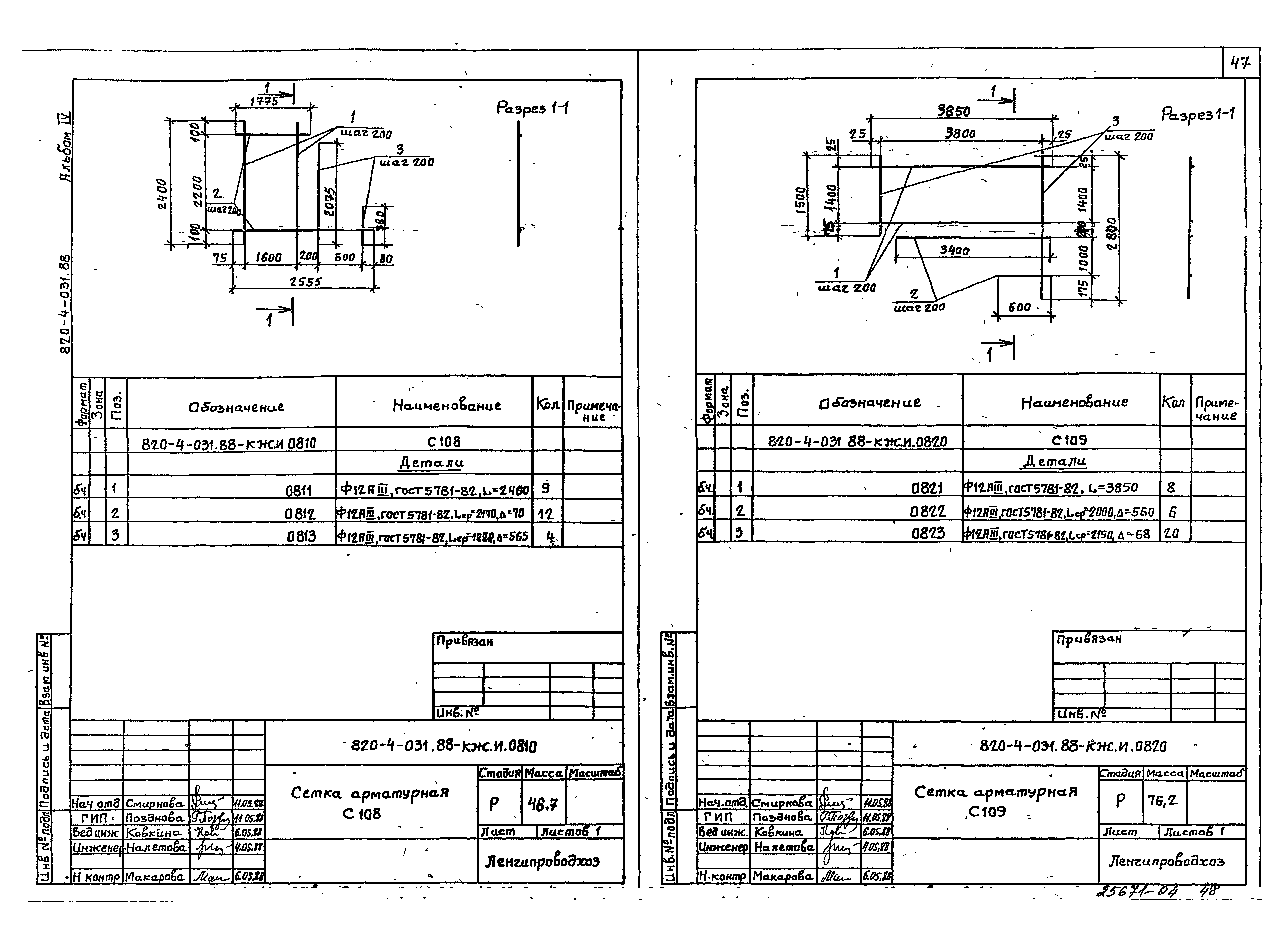
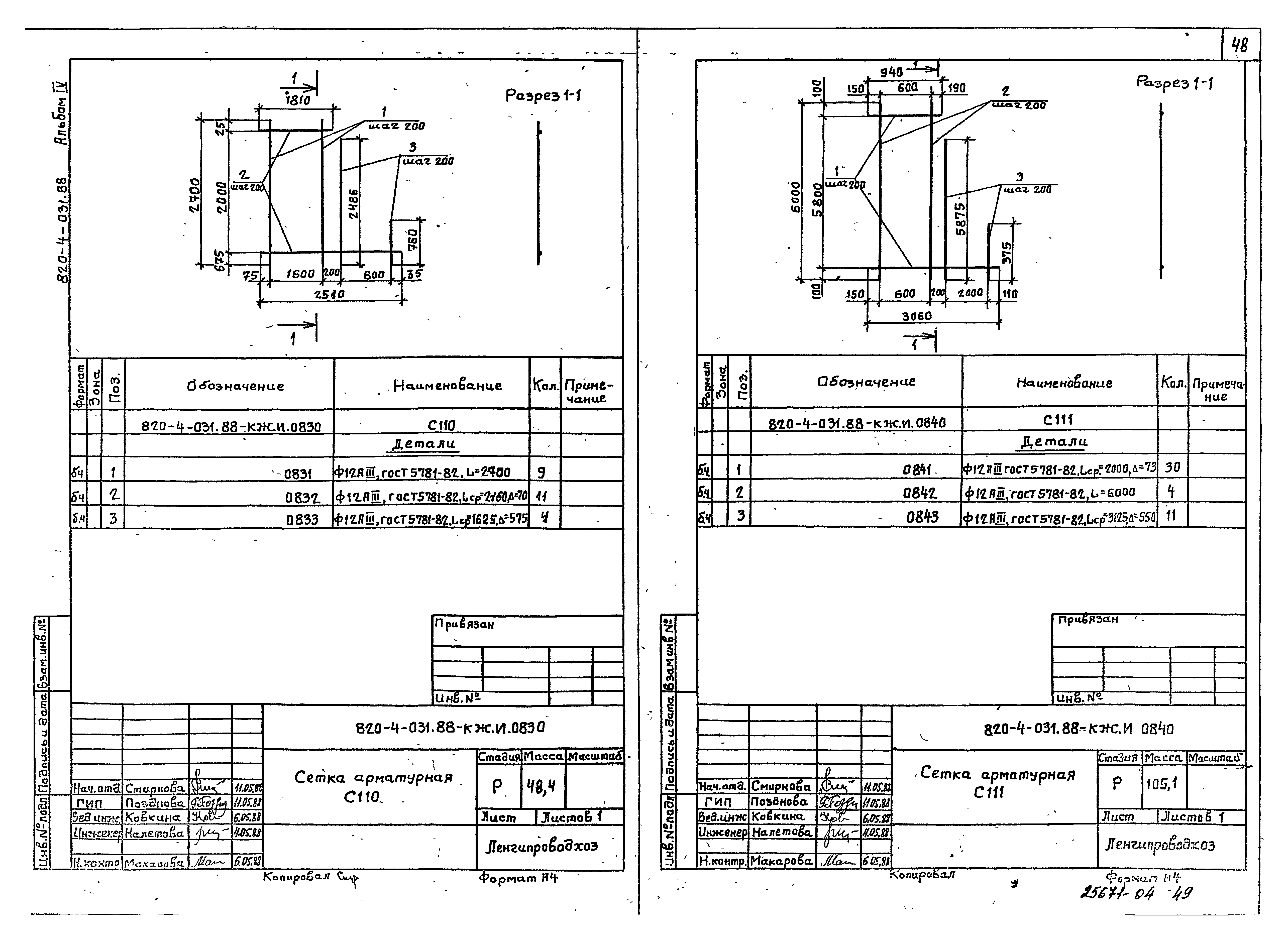
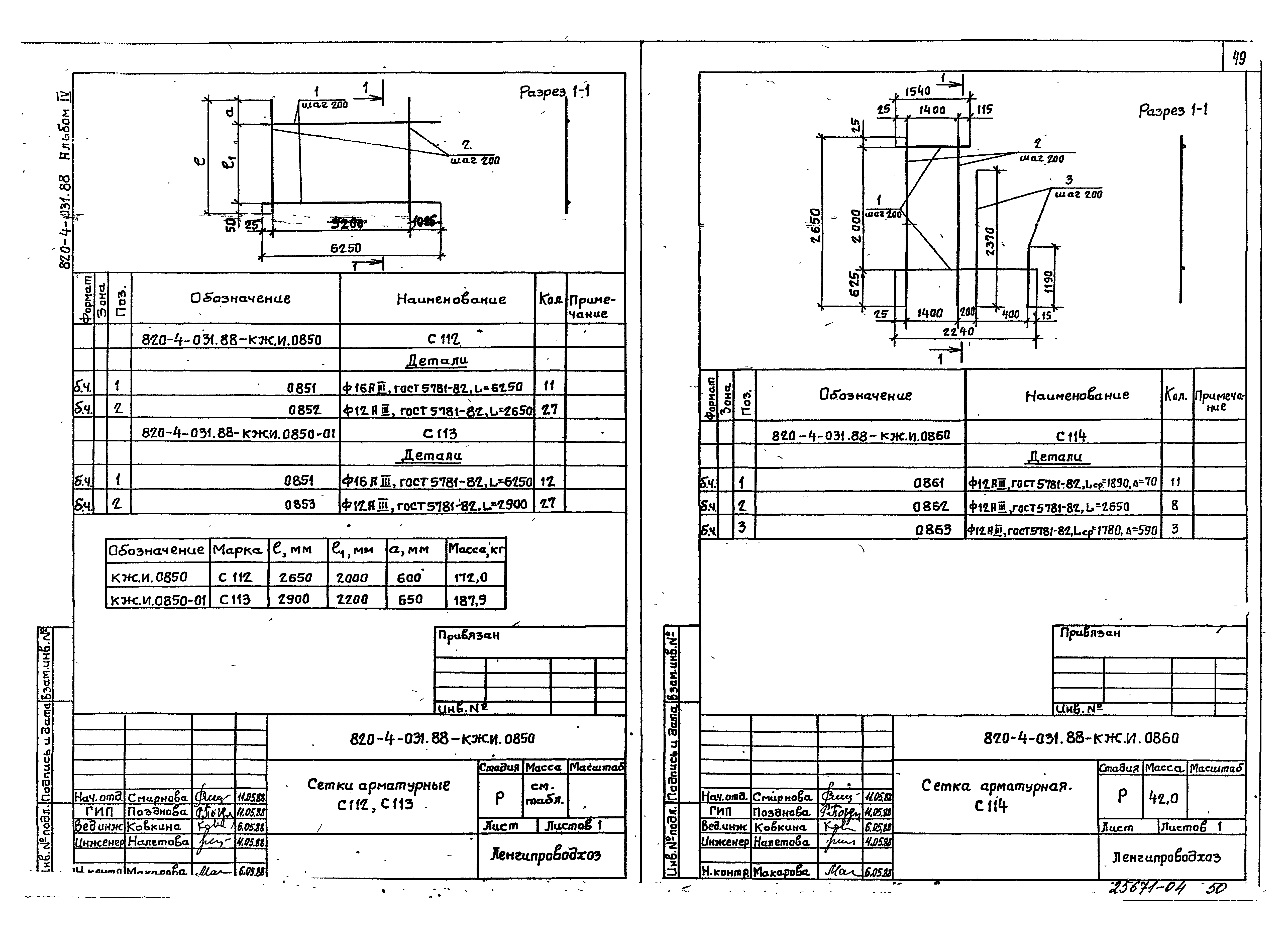
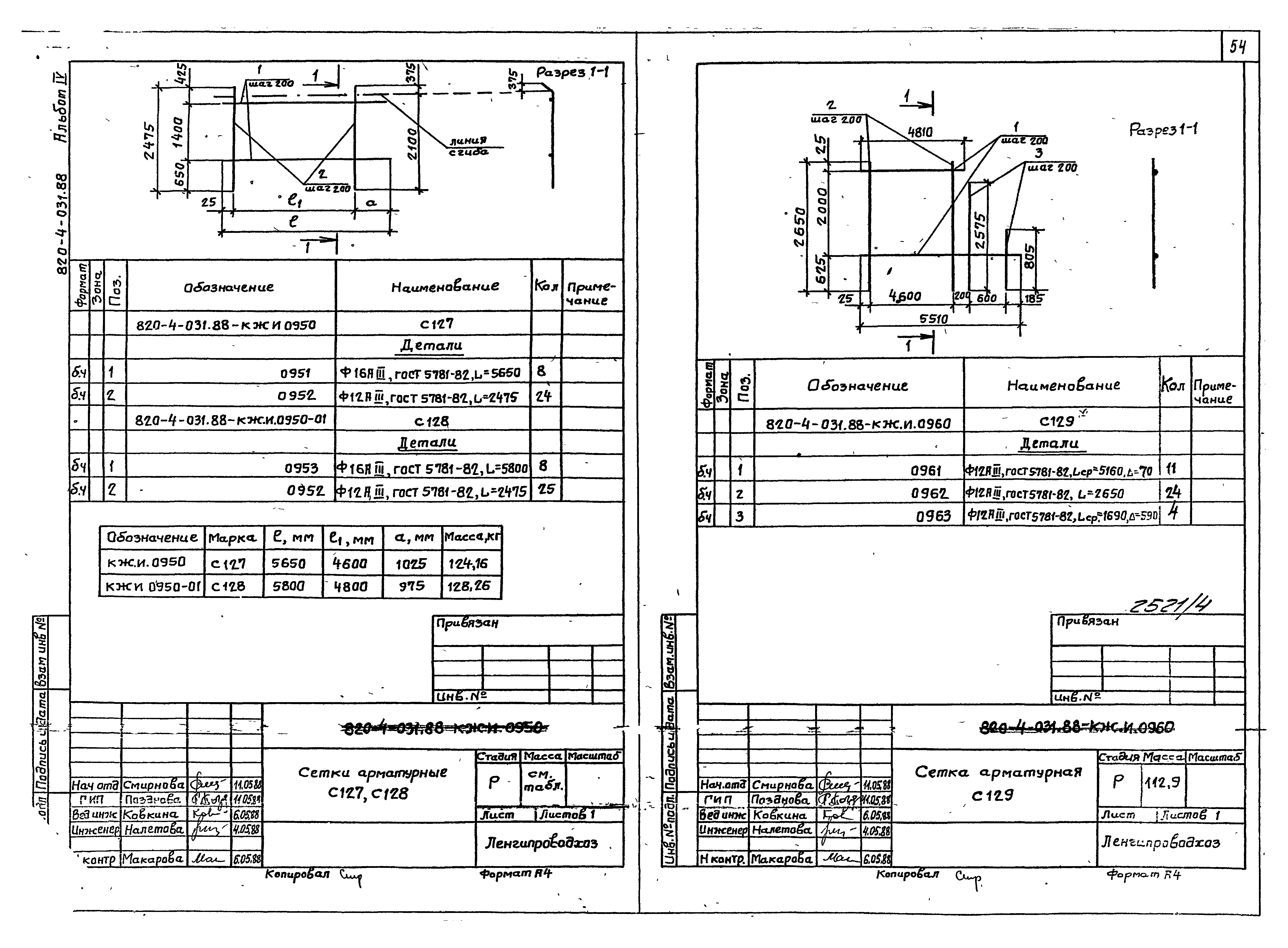
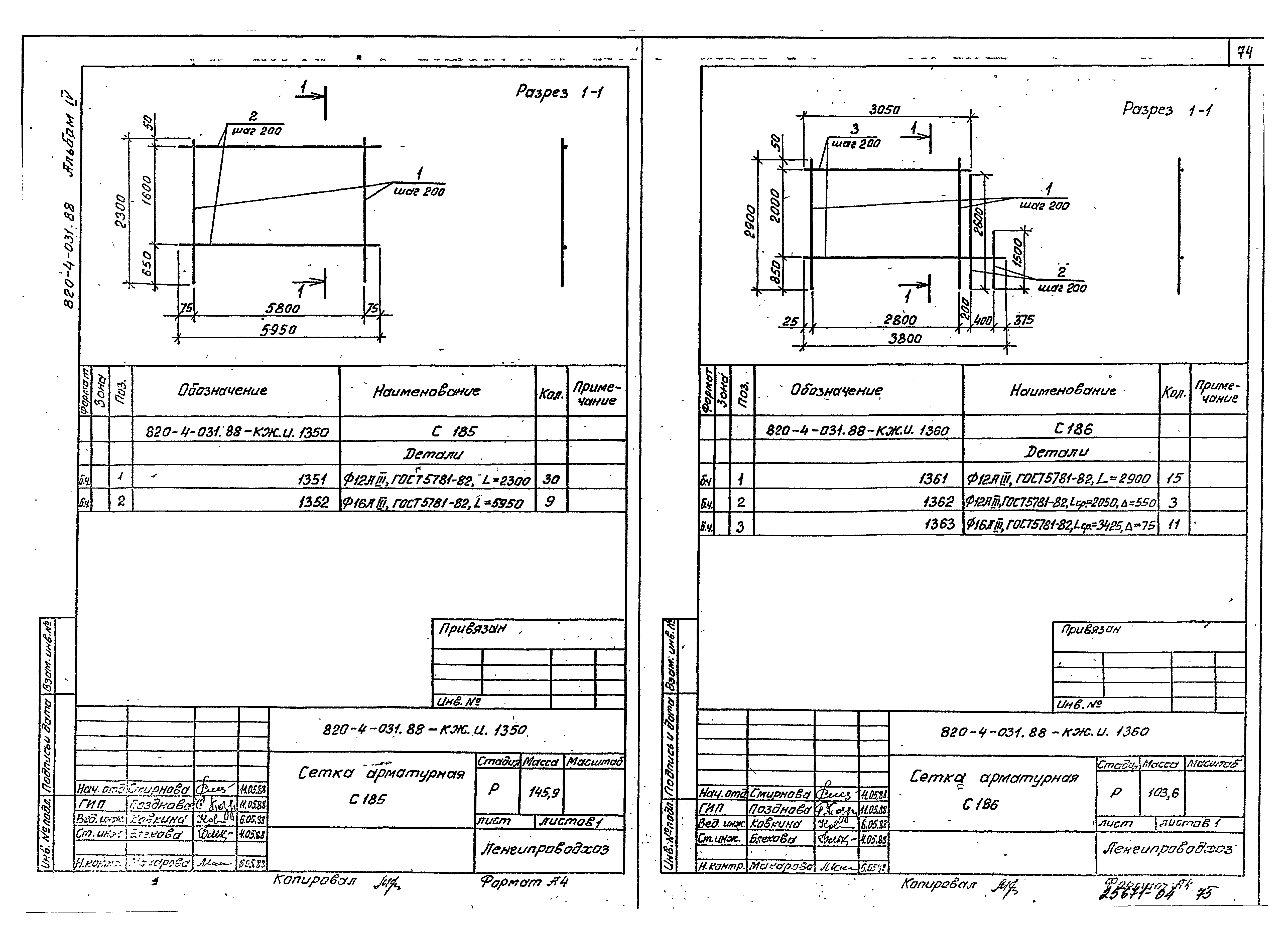
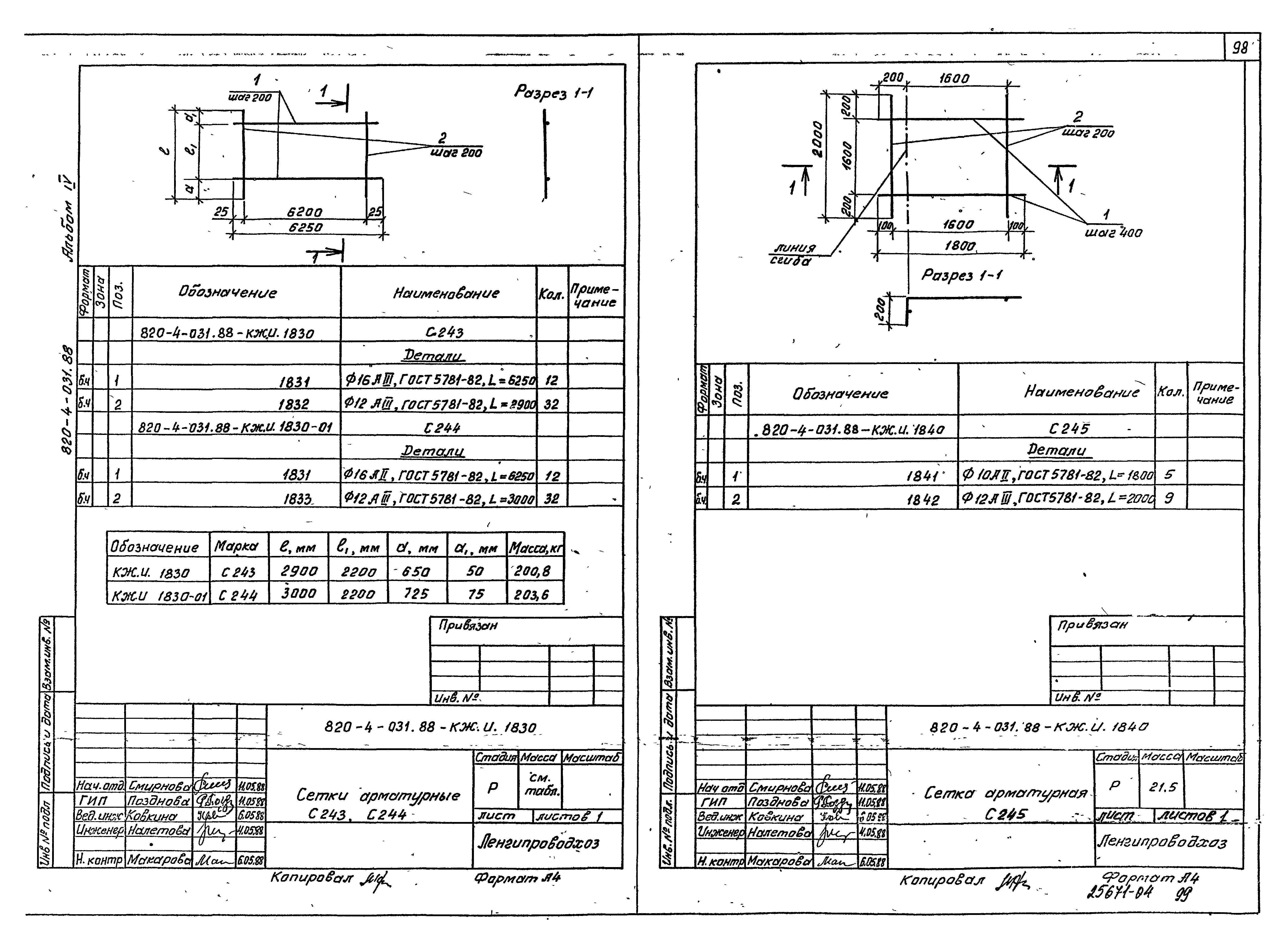
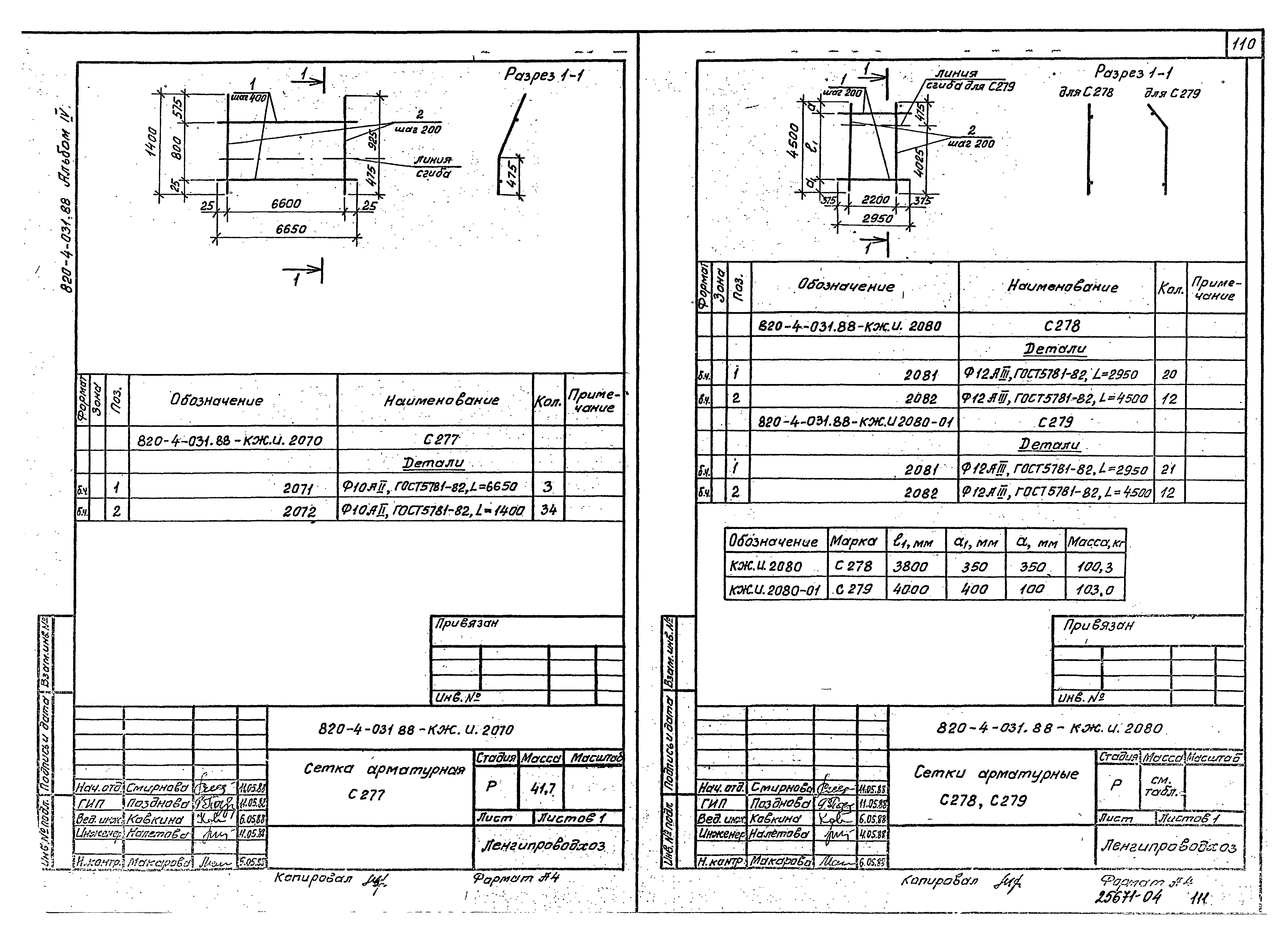
Скачать Типовые проектные решения 820-4-031.88 Альбом IV. Арматурные и закладные изделияДата актуализации: 01.01.2021 Типовые проектные решения 820-4-031.88
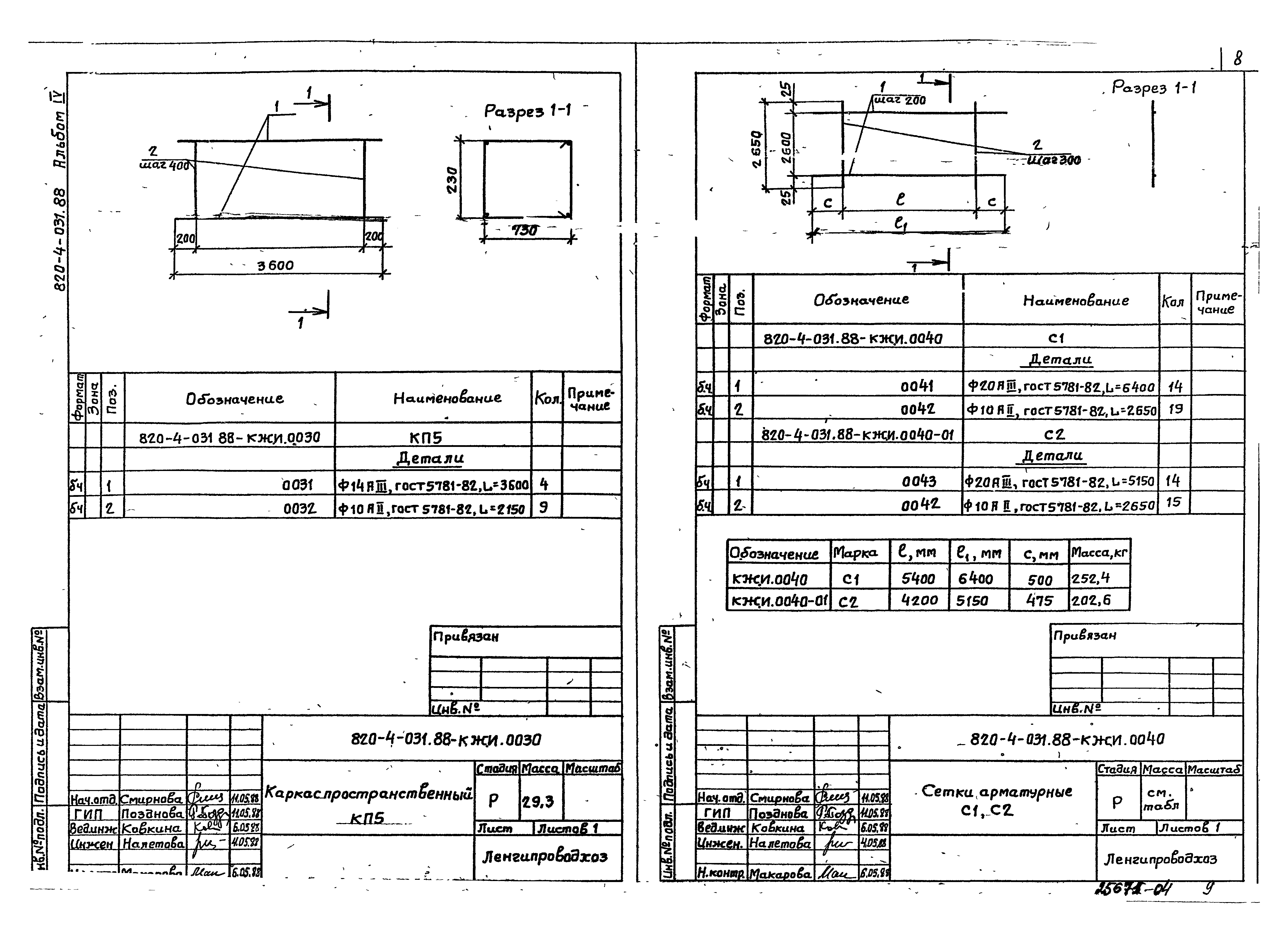
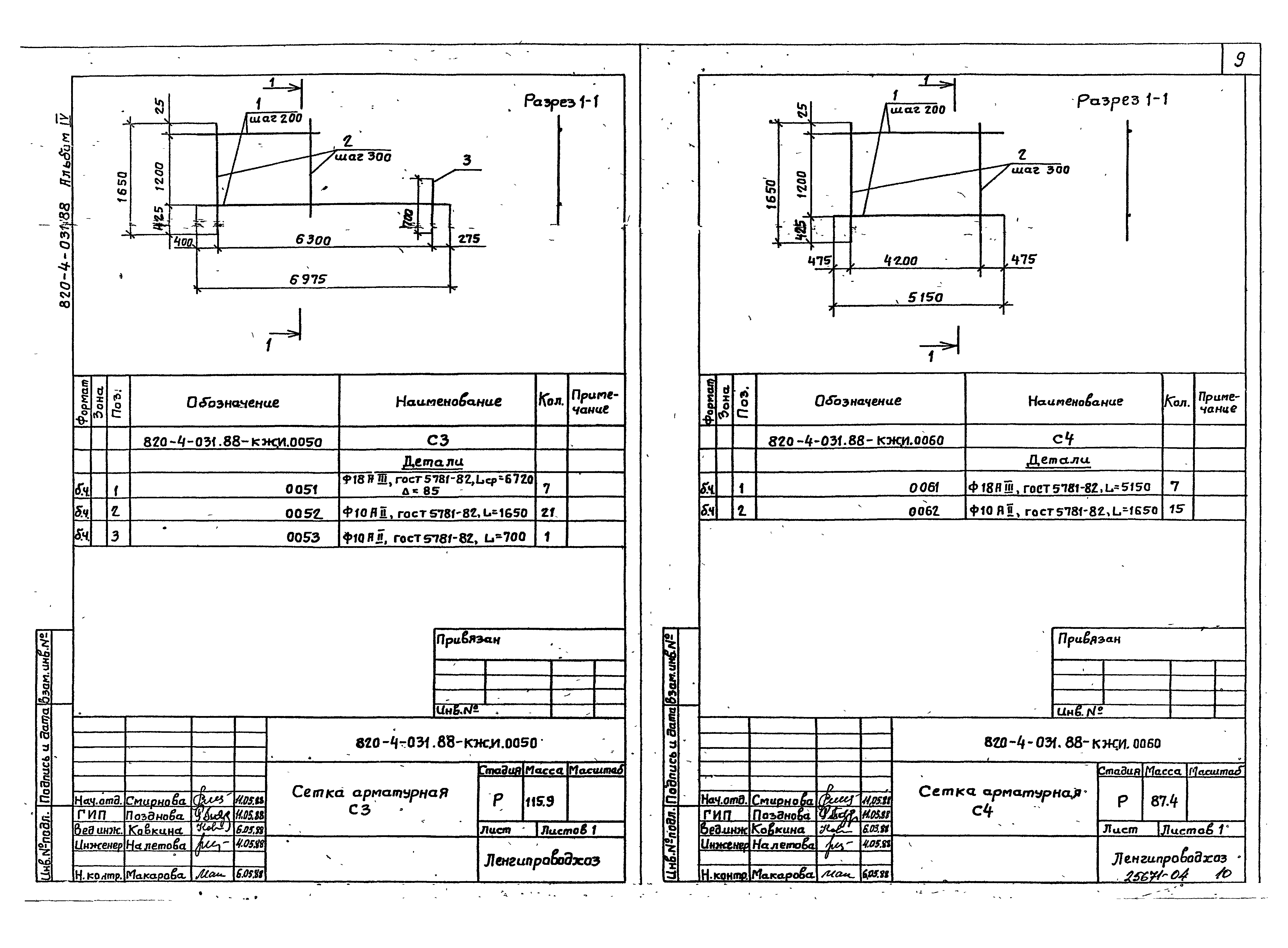
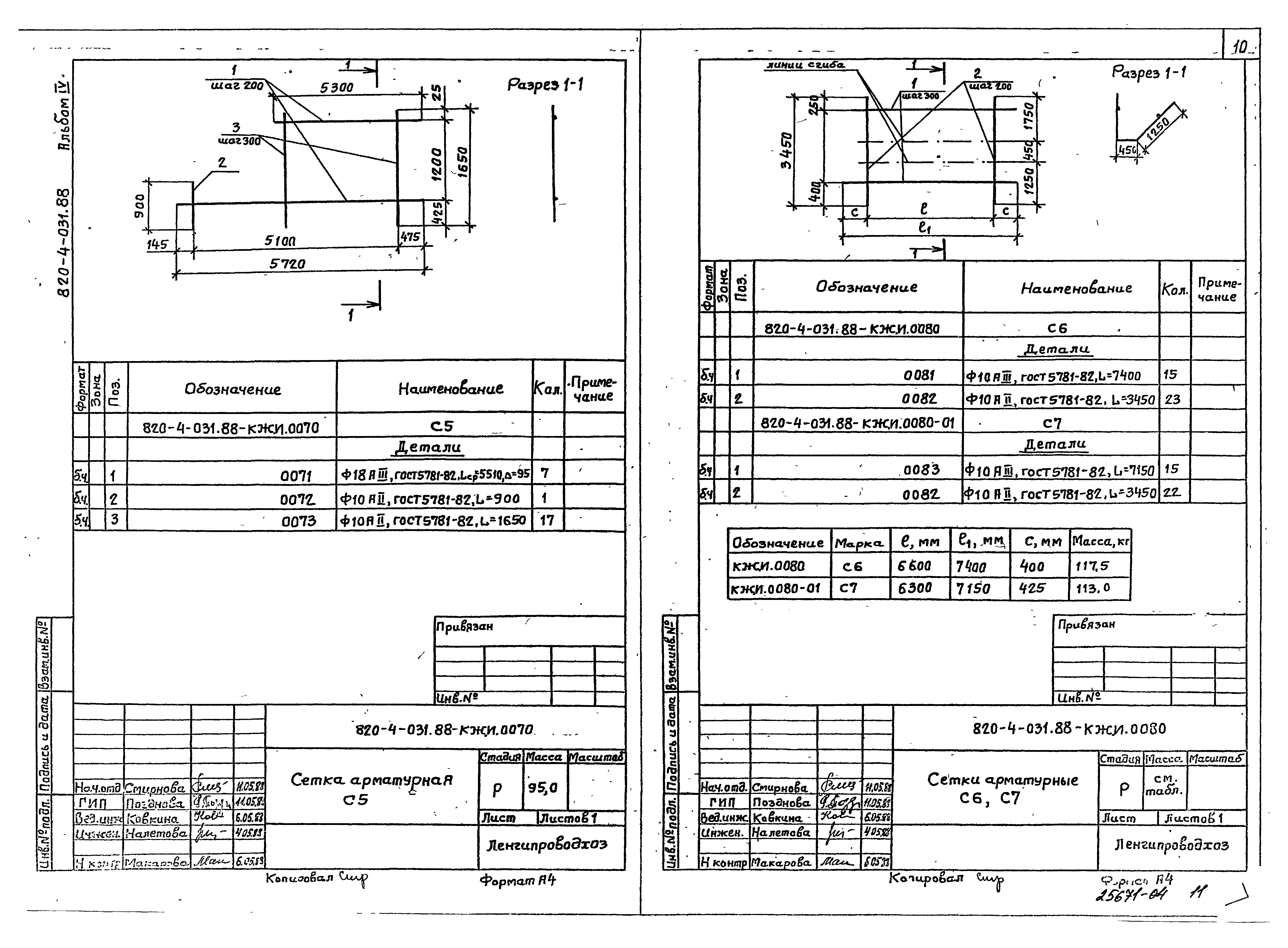
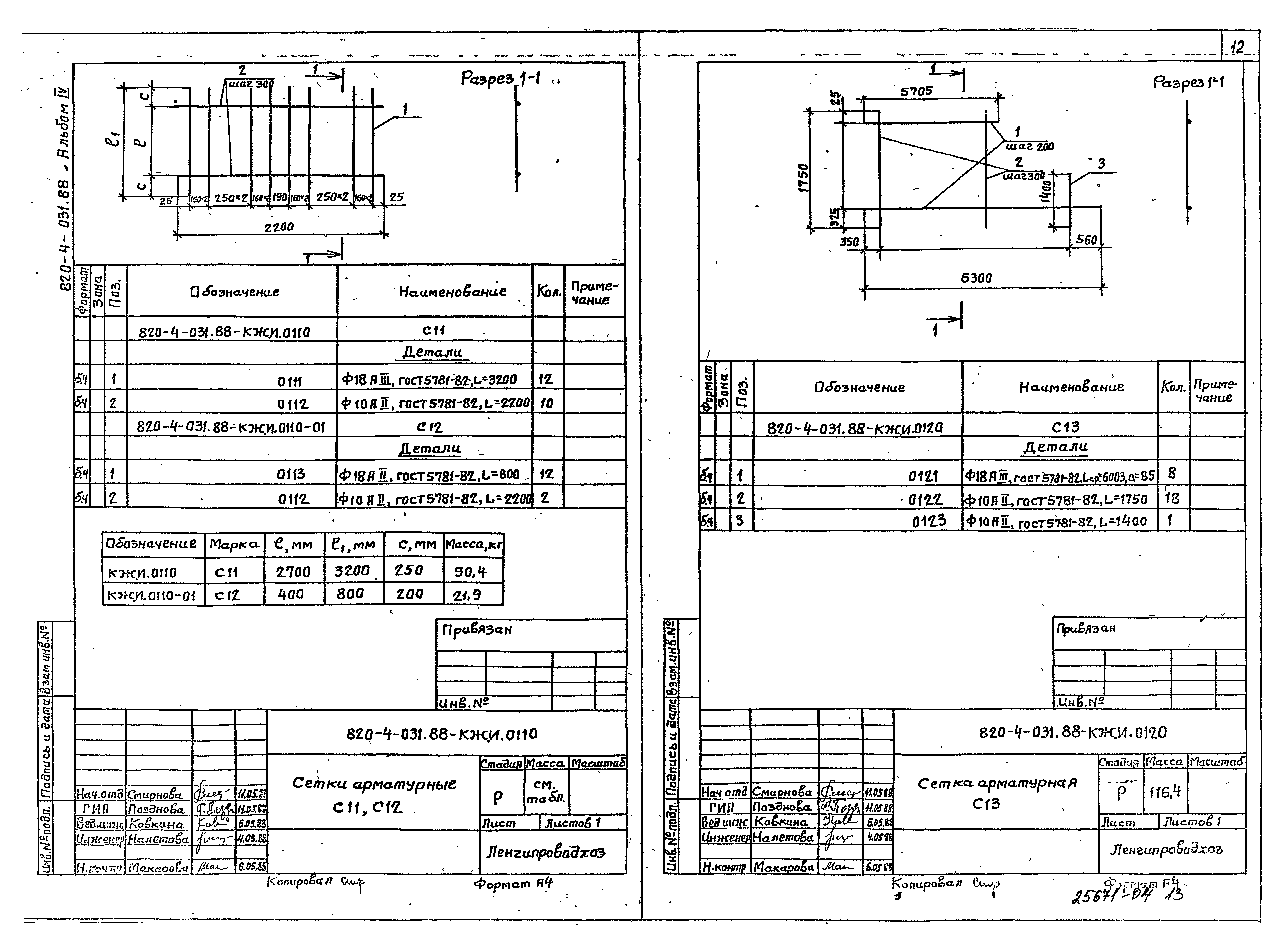
Альбом IV. Арматурные и закладные изделия| Обозначение: | Типовые проектные решения 820-4-031.88 | | Обозначение англ: | 820-4-031.88 | | Статус: | справочные материалы, мп, тпр | | Название рус.: | Альбом IV. Арматурные и закладные изделия | | Дата добавления в базу: | 01.09.2013 | | Дата актуализации: | 01.01.2021 | | Дата введения: | 01.10.1988 | | Разработан: | Ленгипроводхоз Минводхоза СССР
| | Утверждён: | 05.05.1988 Минводхоз СССР (USSR Minvodkhoz 761)
|
                                                                                                                        
|