Скачать Типовой проект 705-1-207.86 Альбом I. Пояснительная записка. Технология производства. Архитектурные решения. Конструкции железобетонные. Конструкции металлические. Отопление и вентиляция. Силовое электрооборудование. Автоматизация технологии производстваДата актуализации: 01.01.2021
|
| Обозначение: | Типовой проект 705-1-207.86 |
| Обозначение англ: | 705-1-207.86 |
| Статус: | не определен законодательством |
| Название рус.: | Альбом I. Пояснительная записка. Технология производства. Архитектурные решения. Конструкции железобетонные. Конструкции металлические. Отопление и вентиляция. Силовое электрооборудование. Автоматизация технологии производства |
| Дата добавления в базу: | 01.09.2013 |
| Дата актуализации: | 01.01.2021 |
| Дата введения: | 02.12.1986 |
| Дата окончания срока действия: | 30.06.2003 |
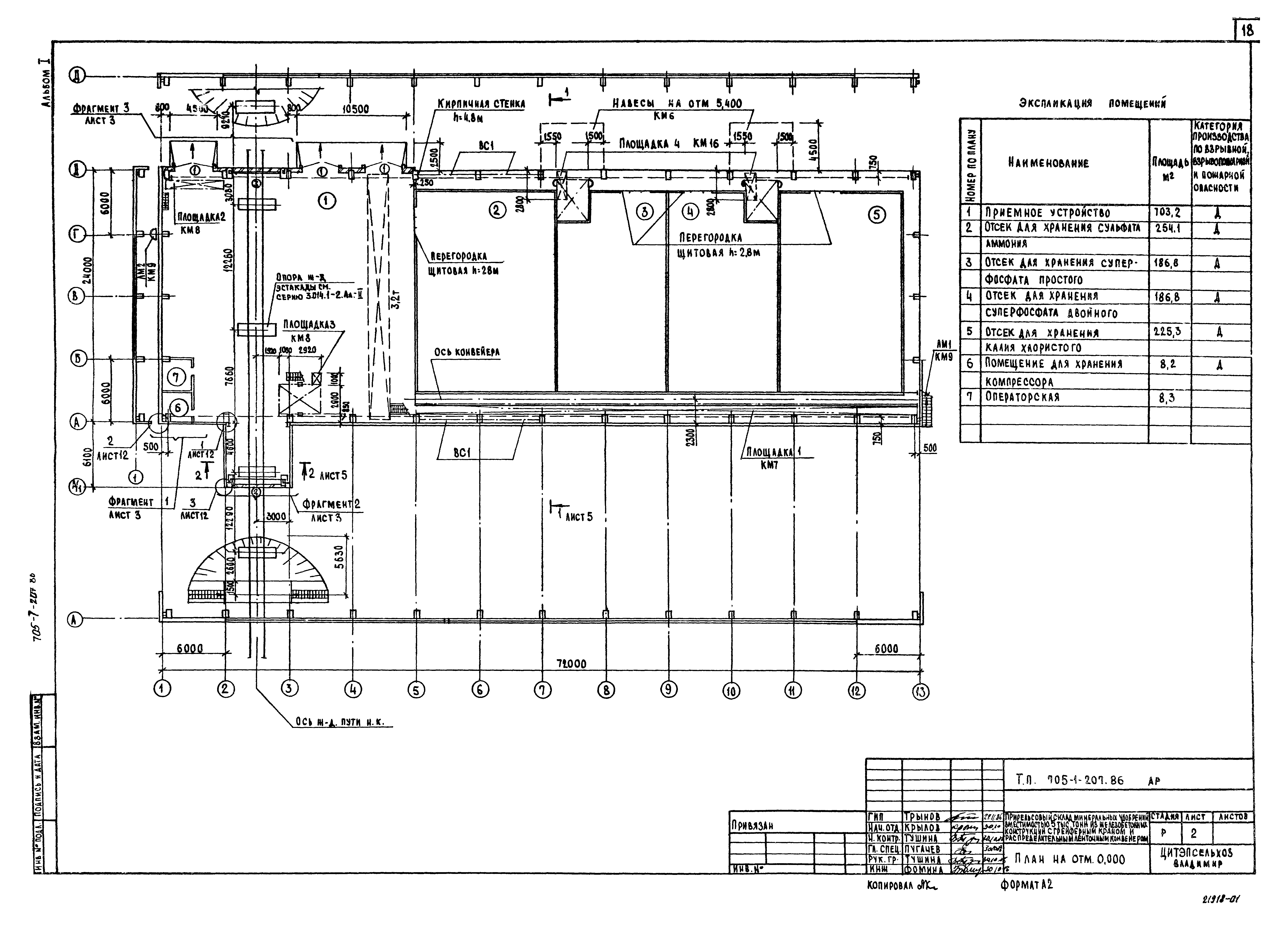
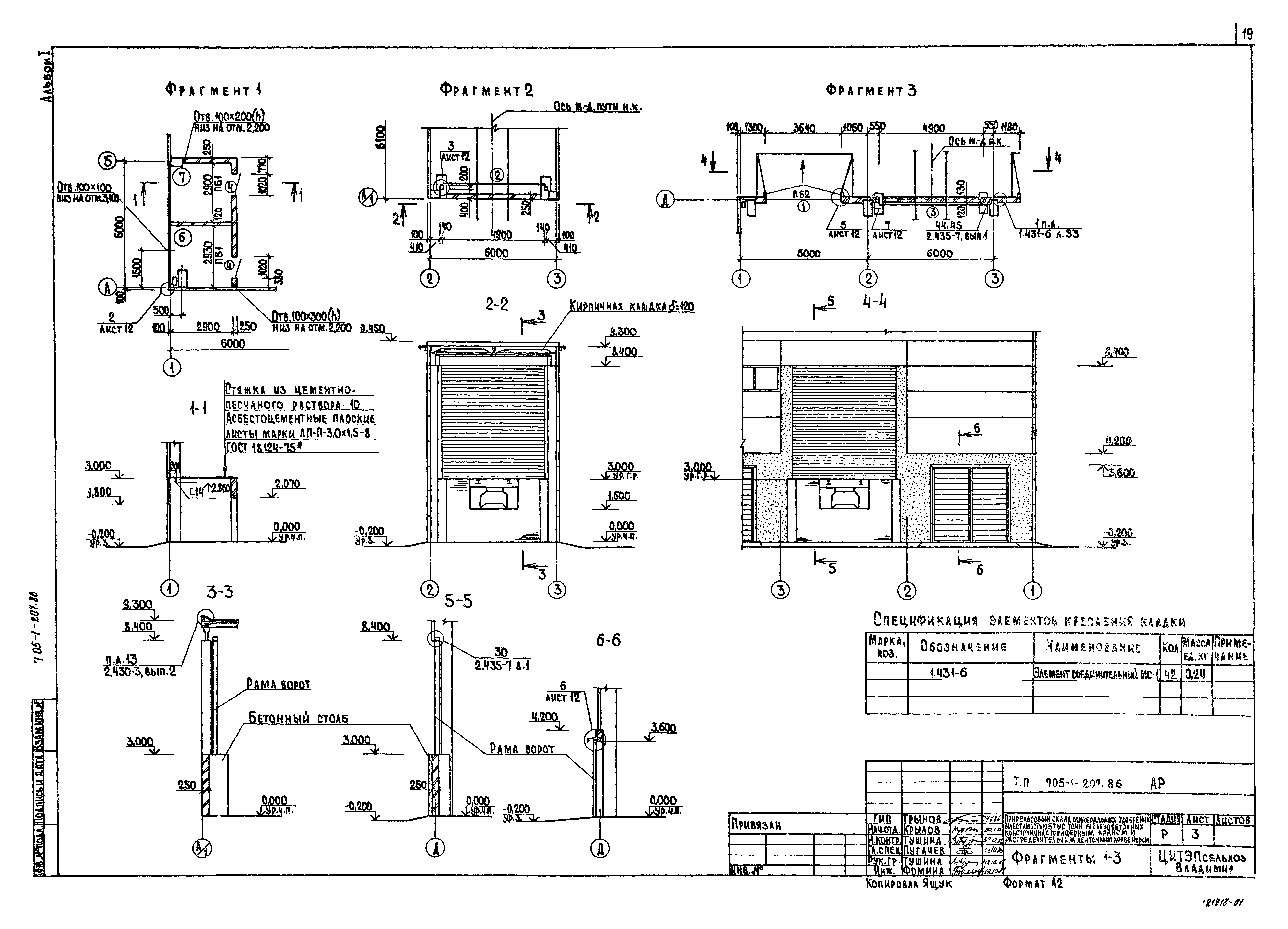
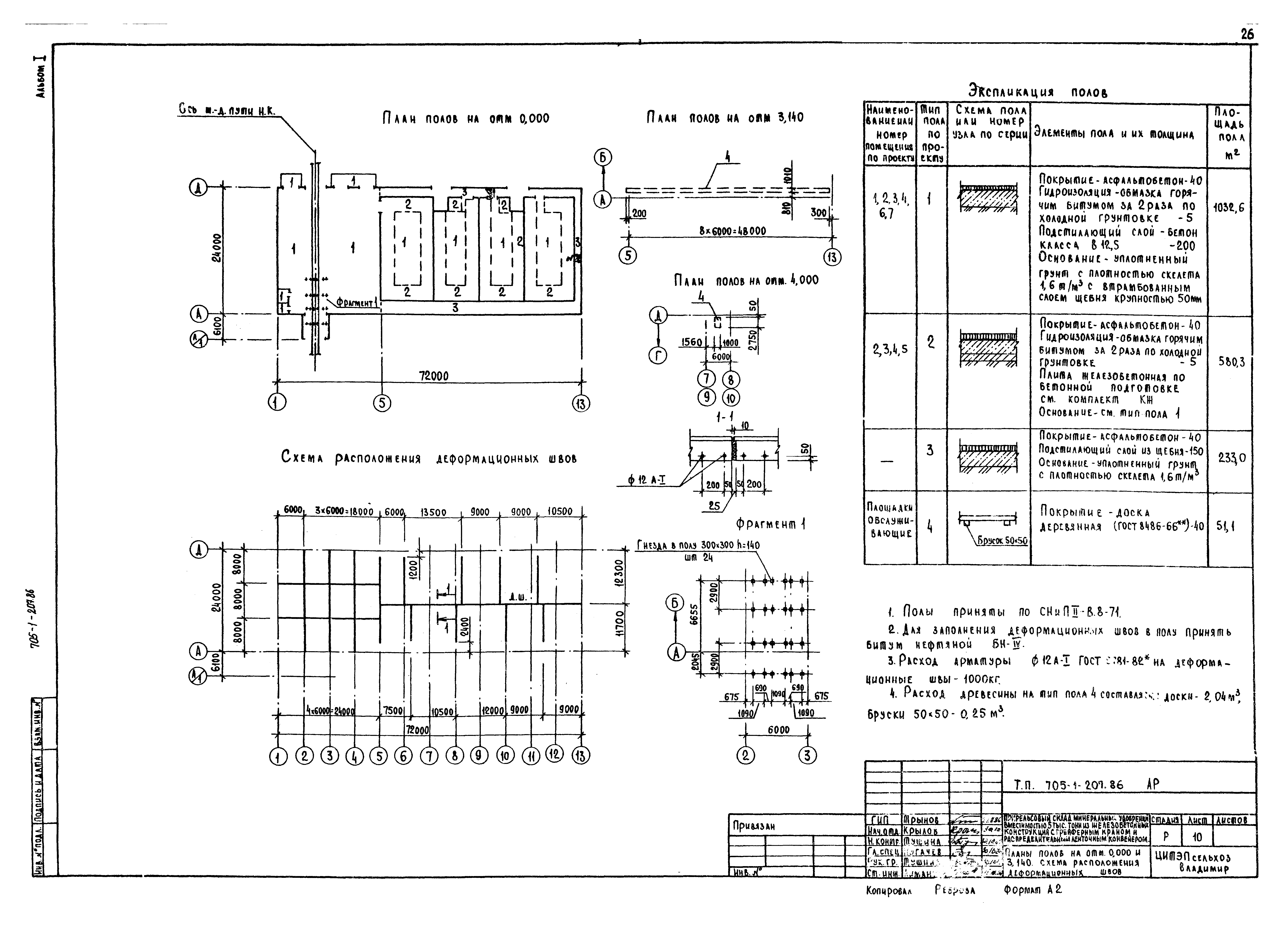
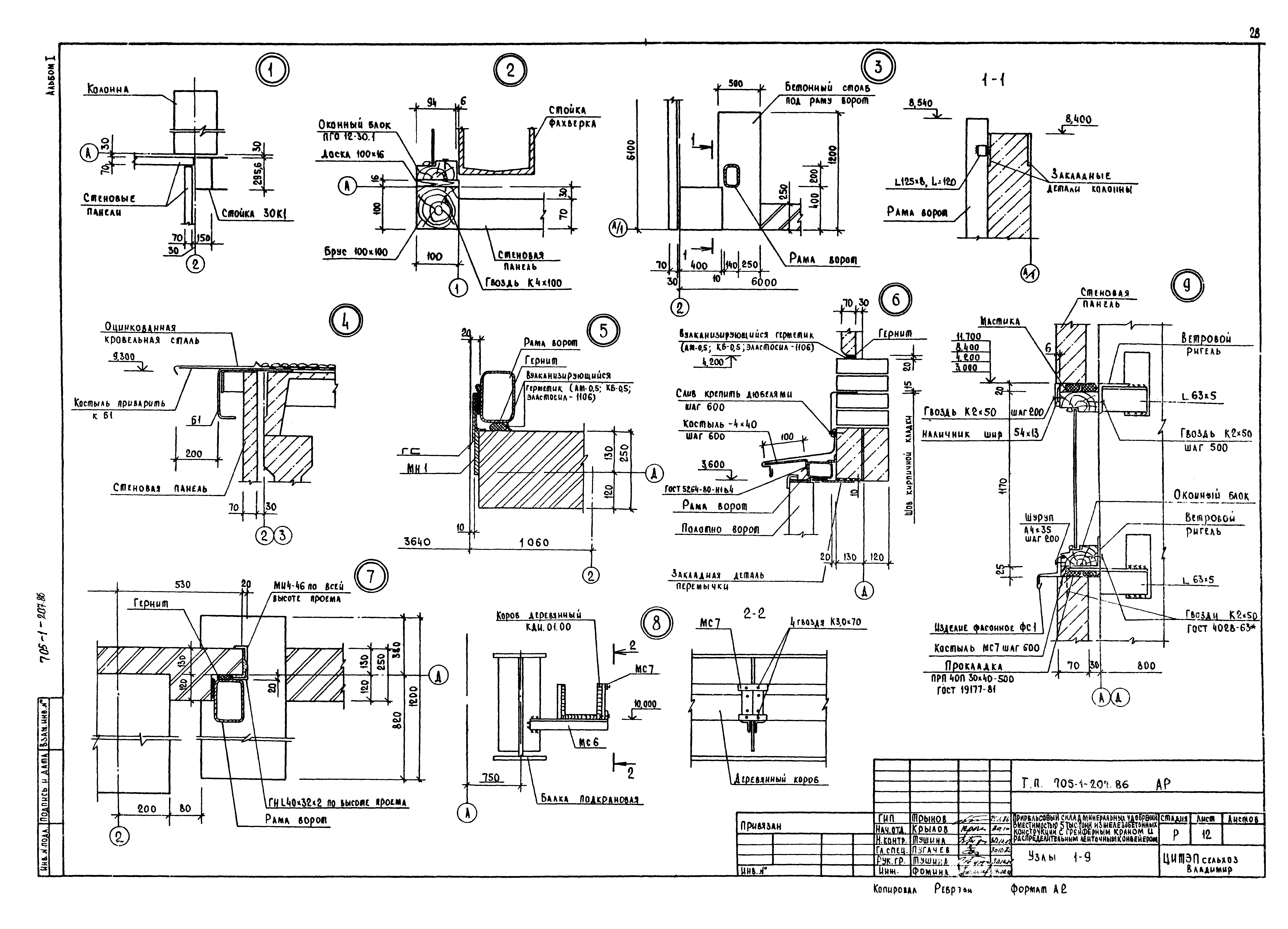
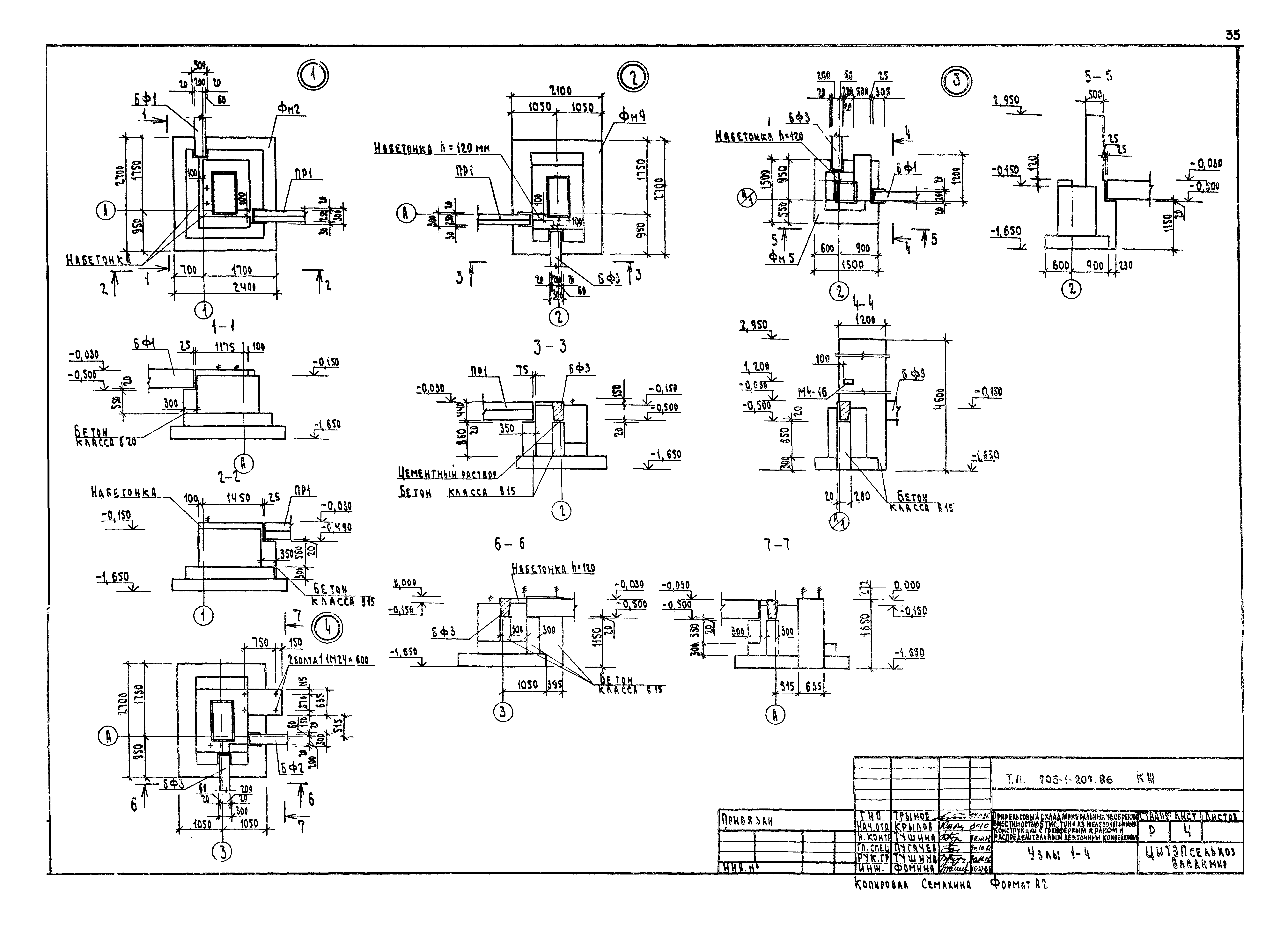
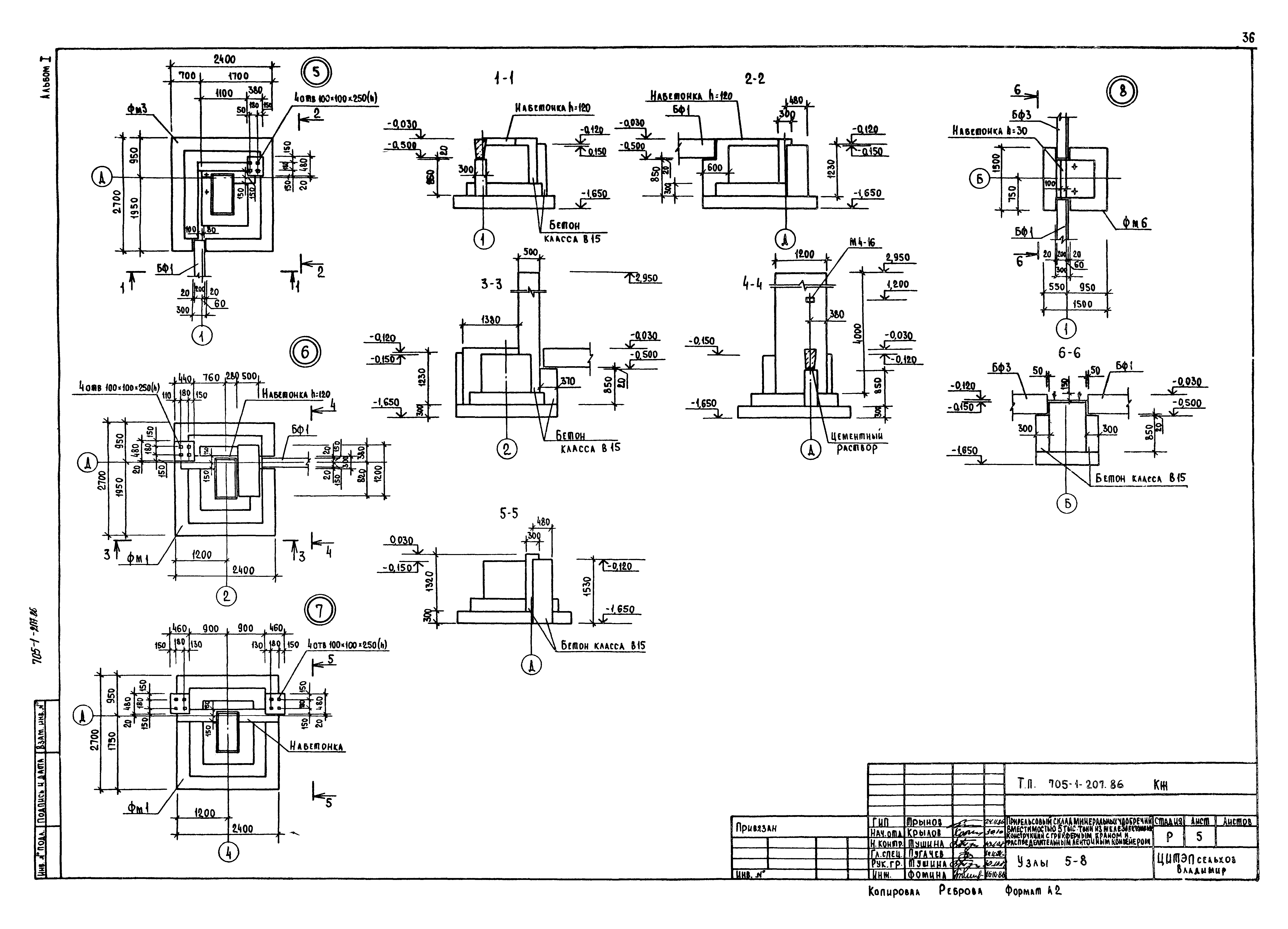
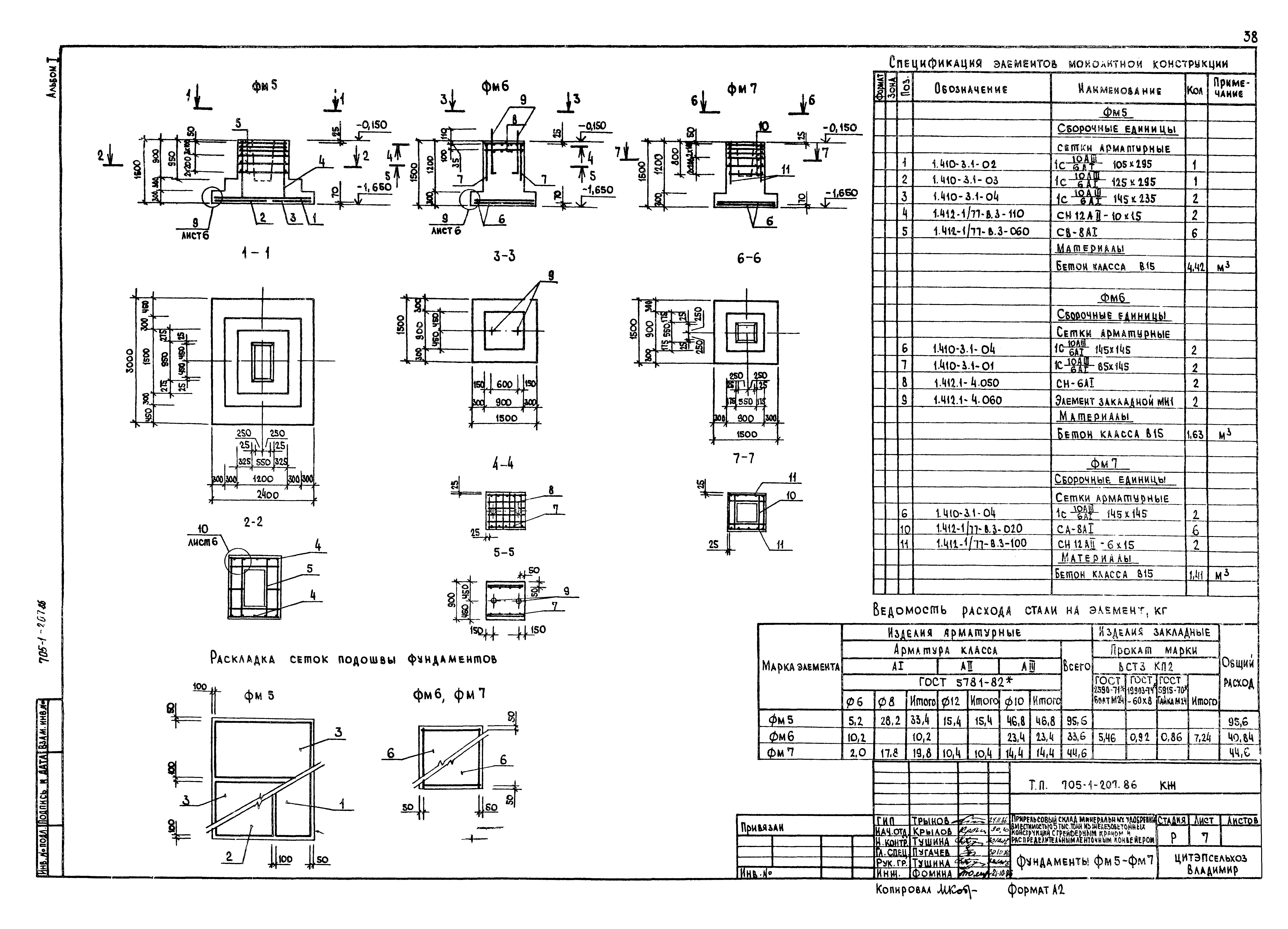
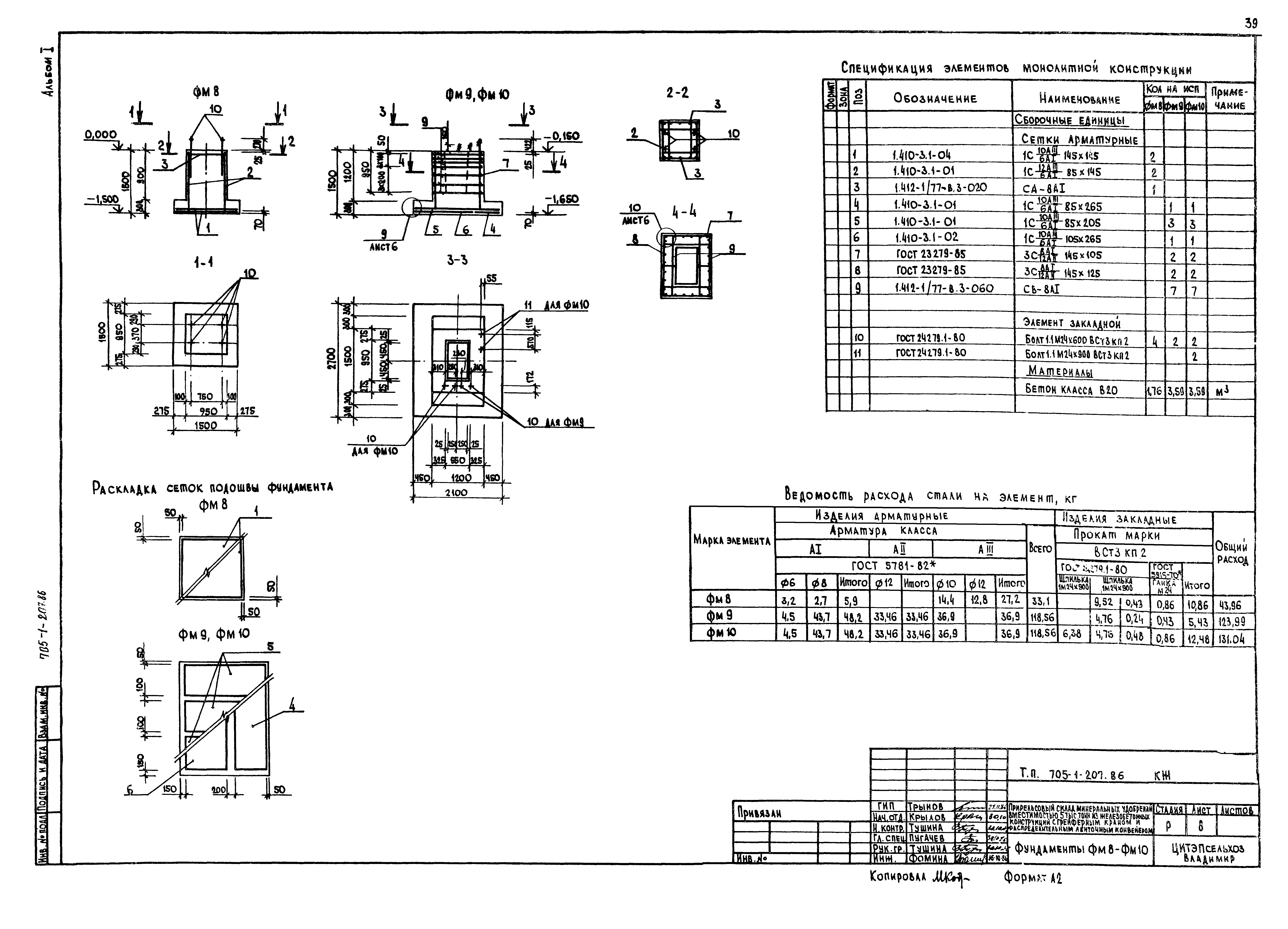
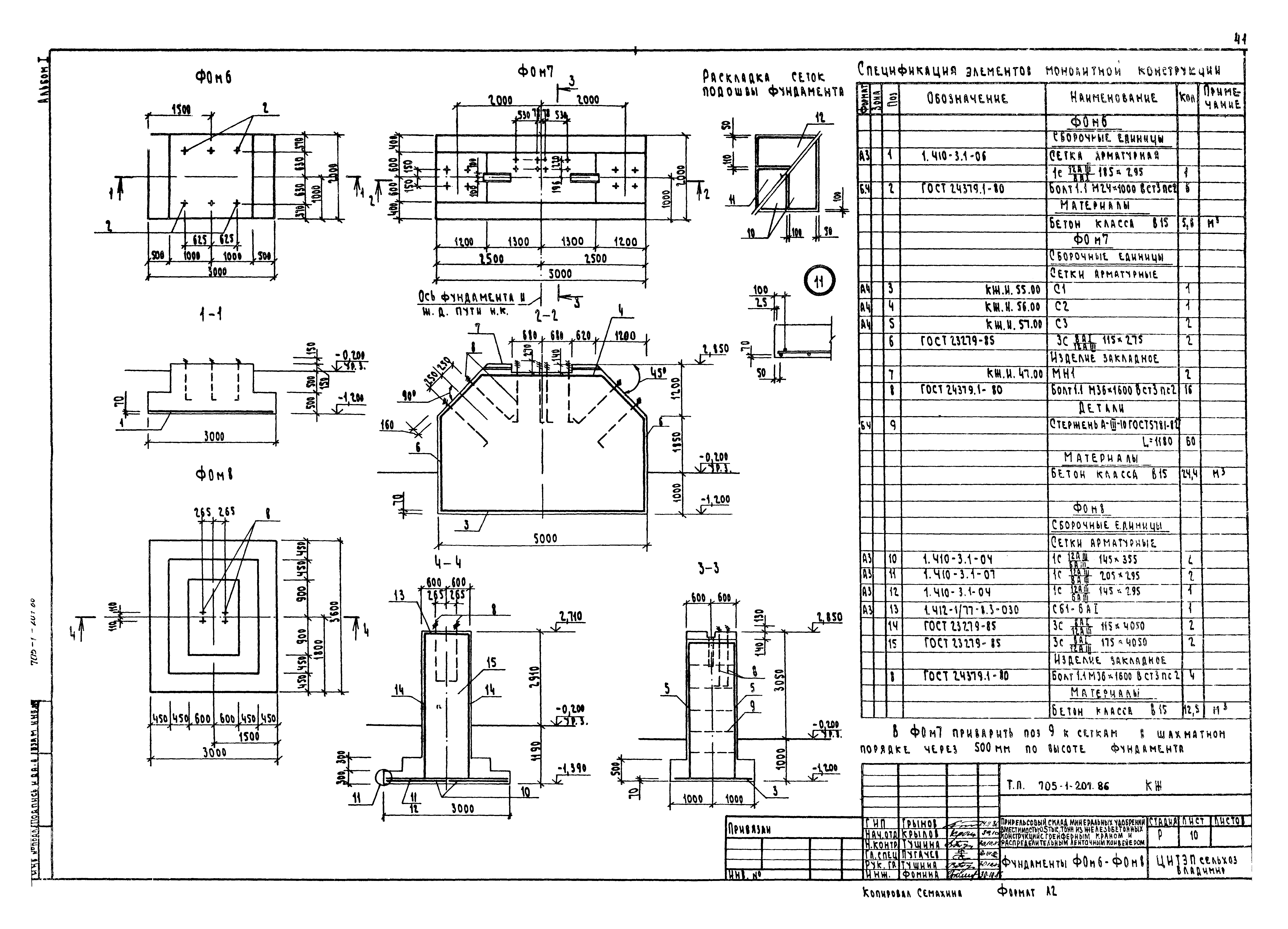
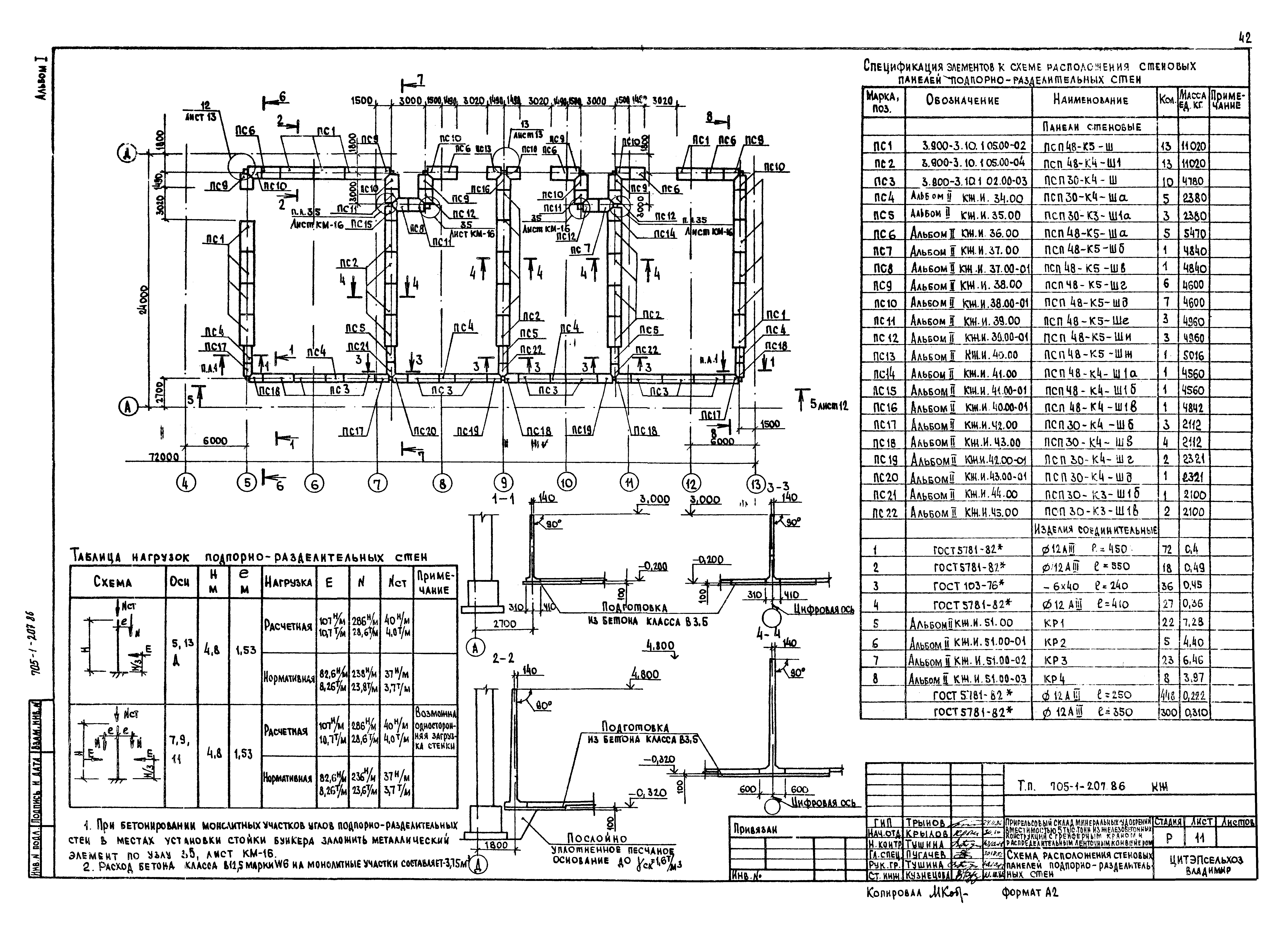
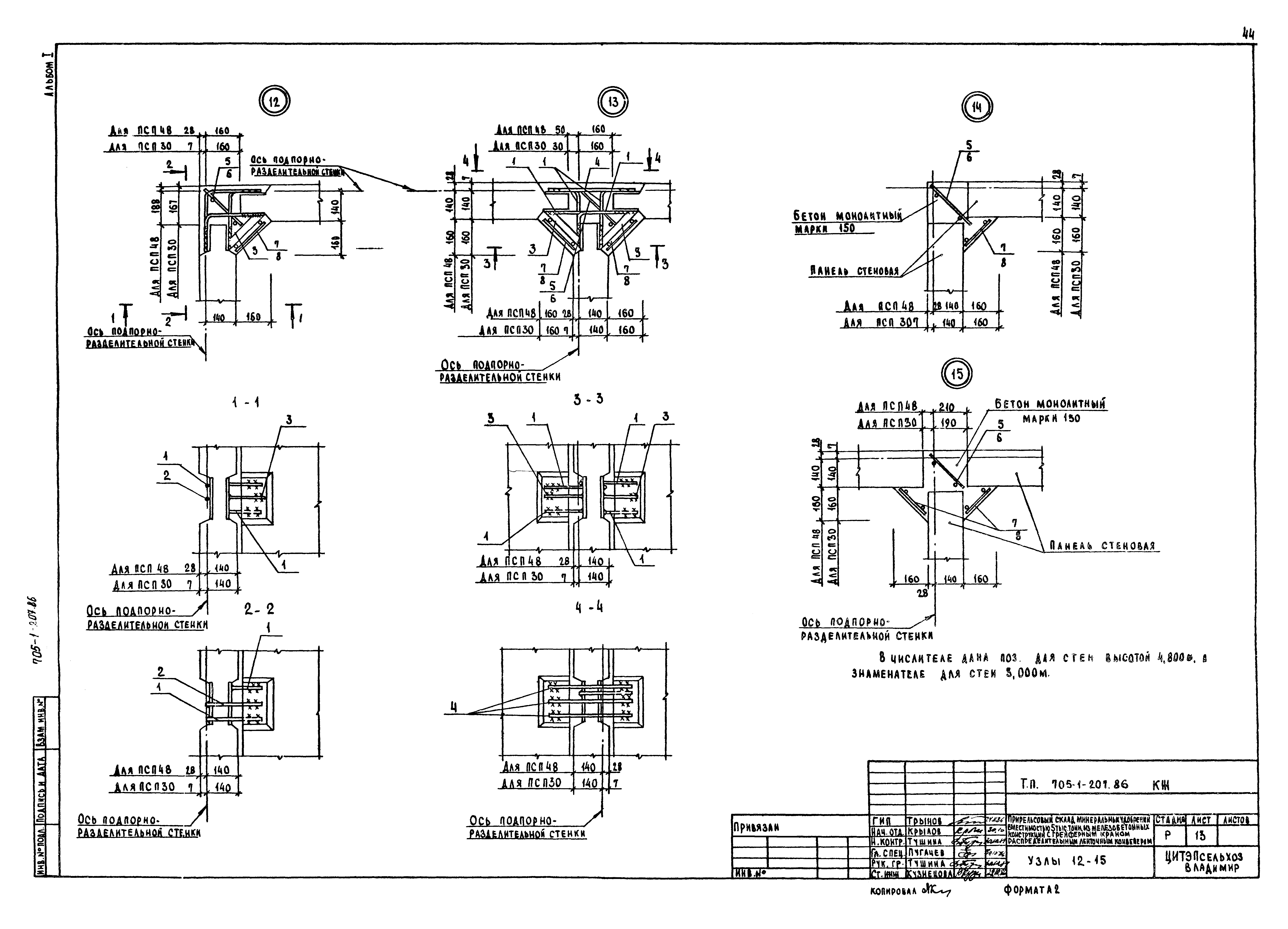
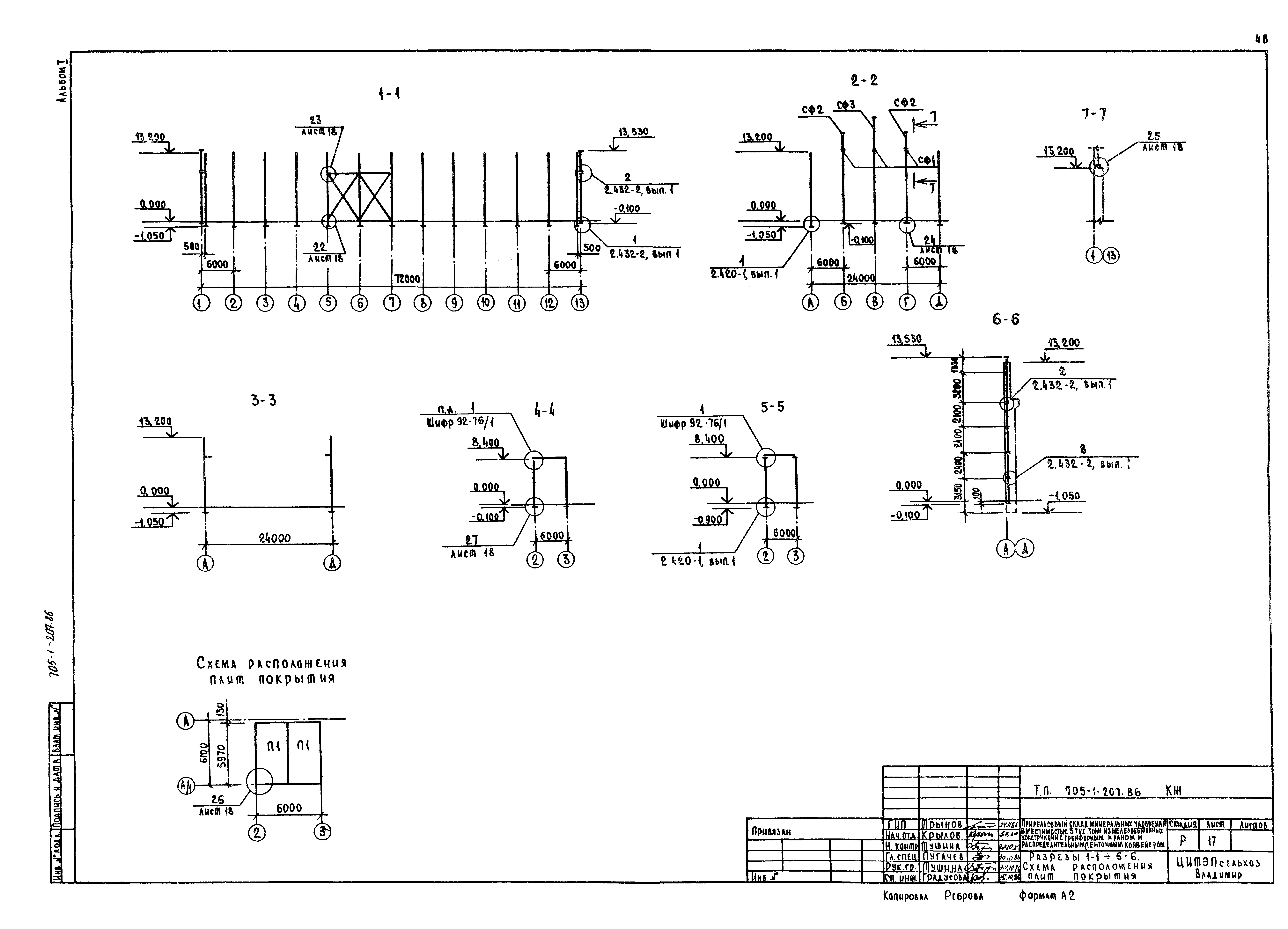
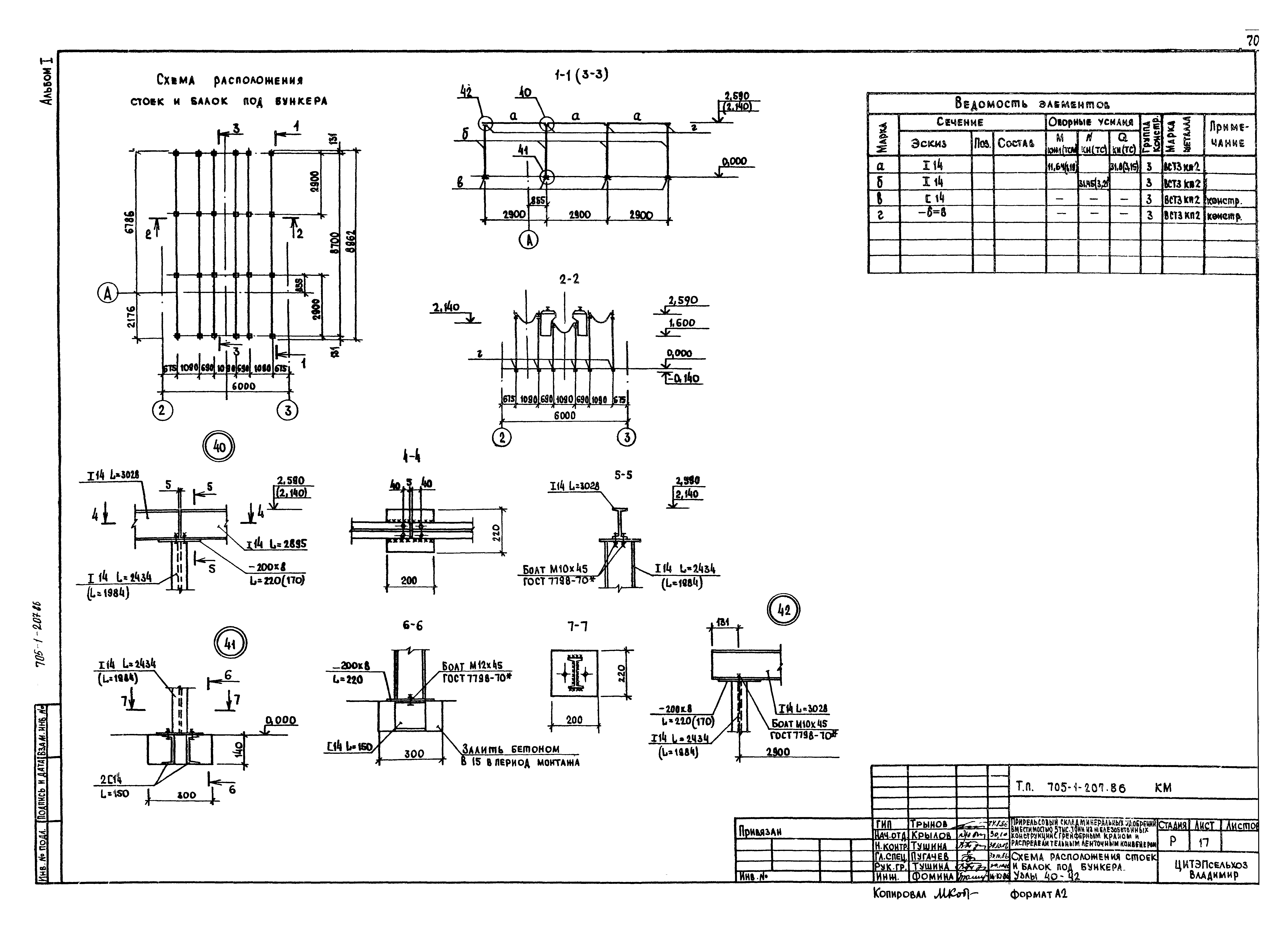
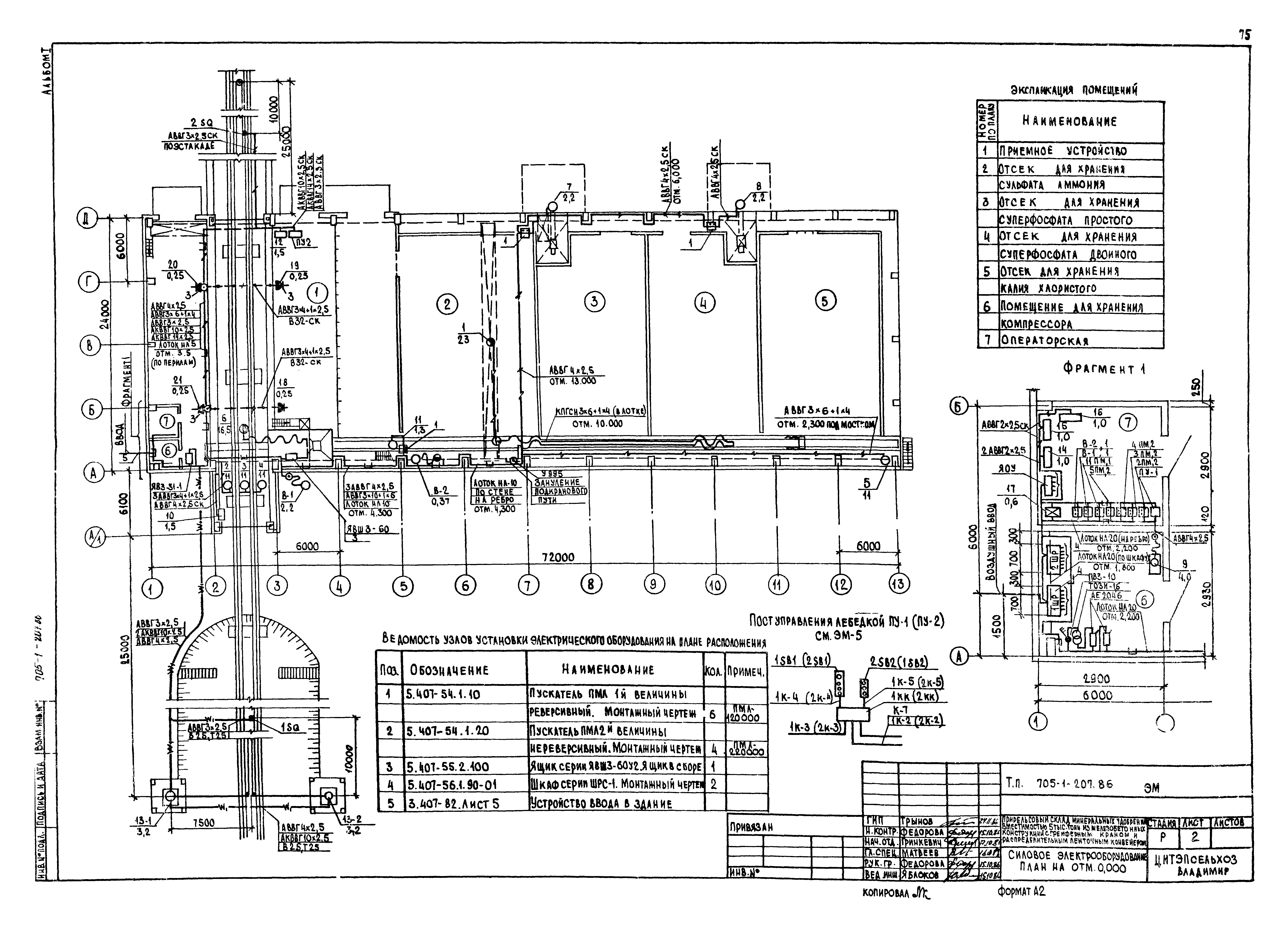
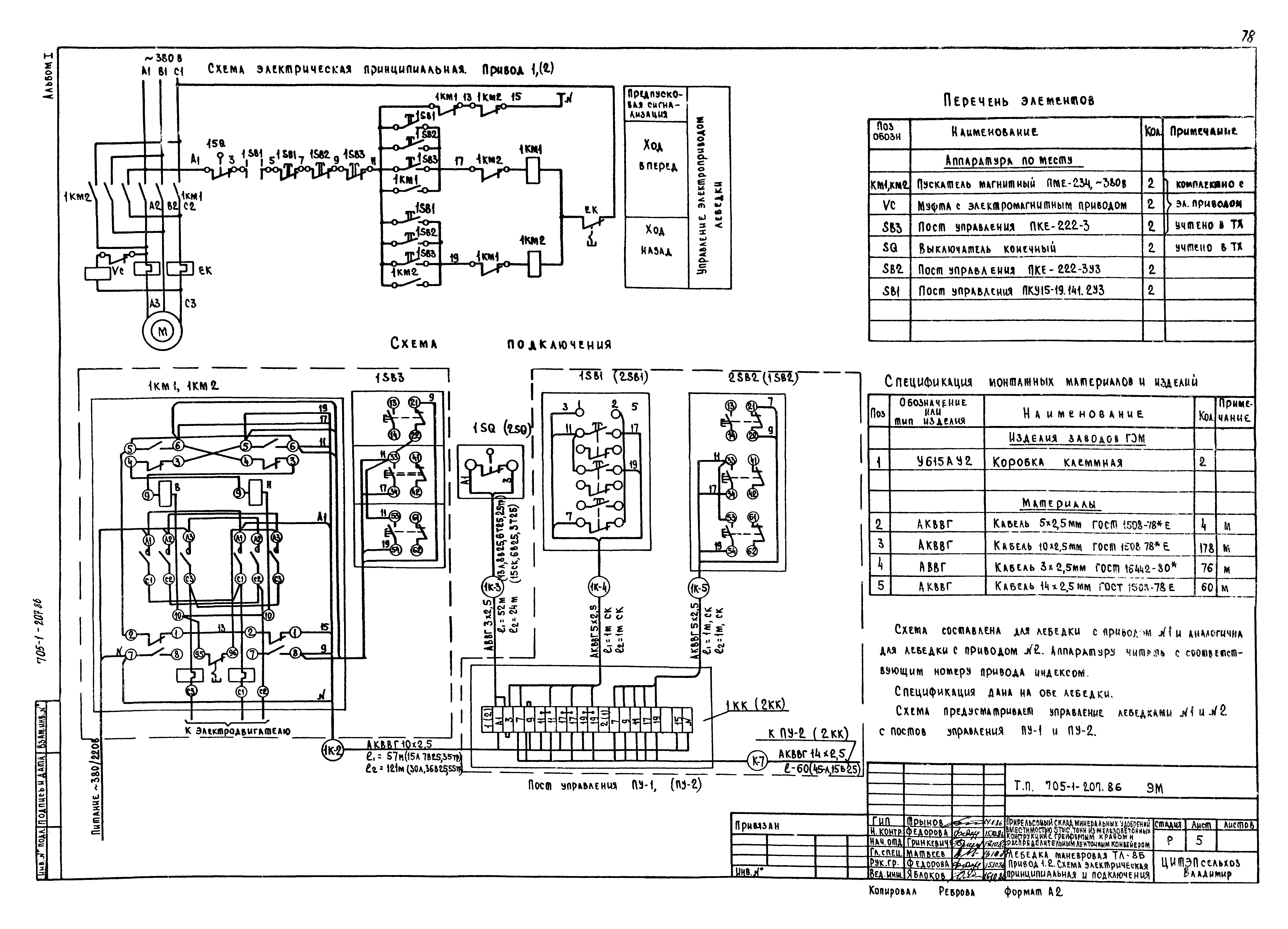
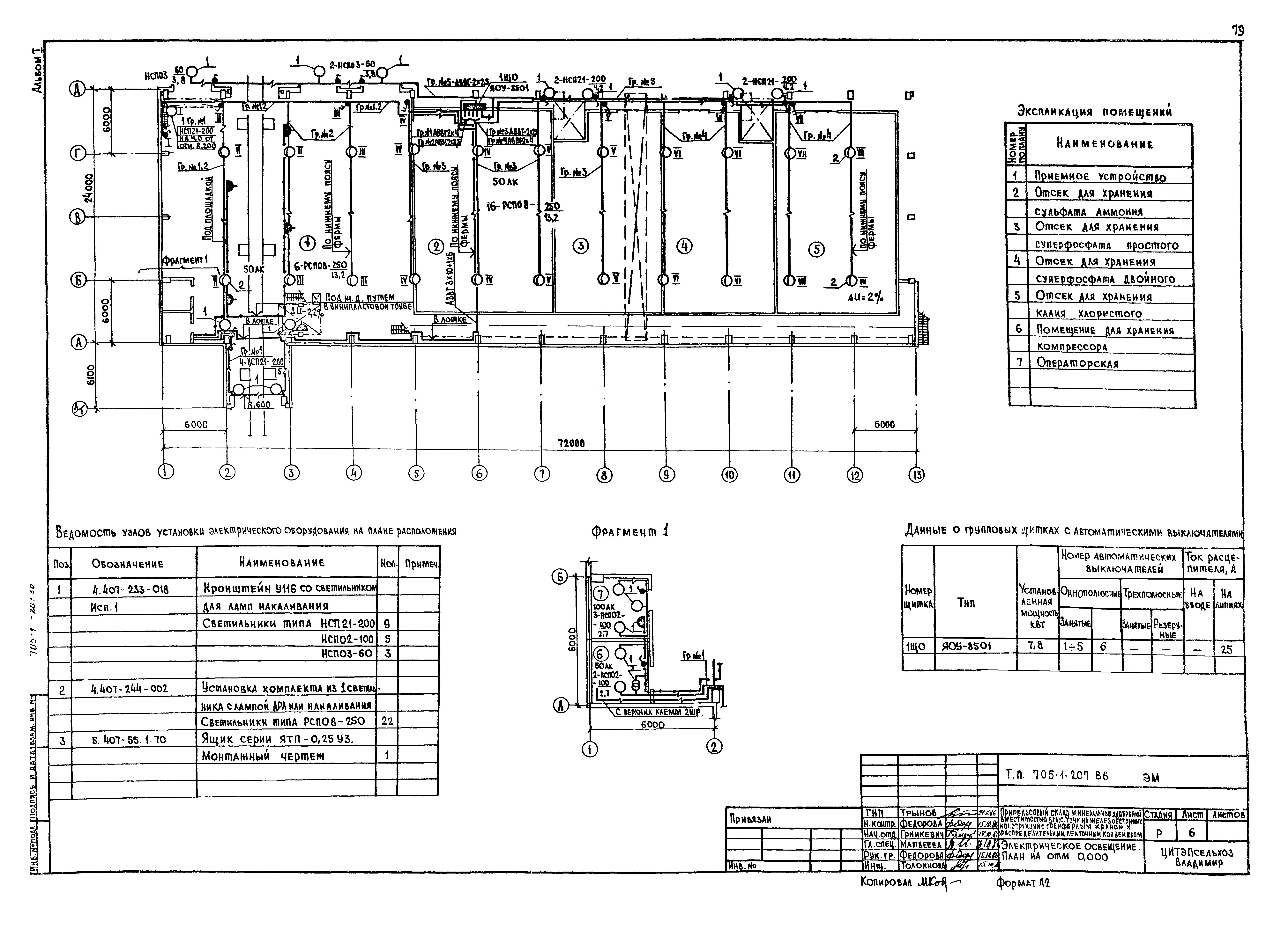
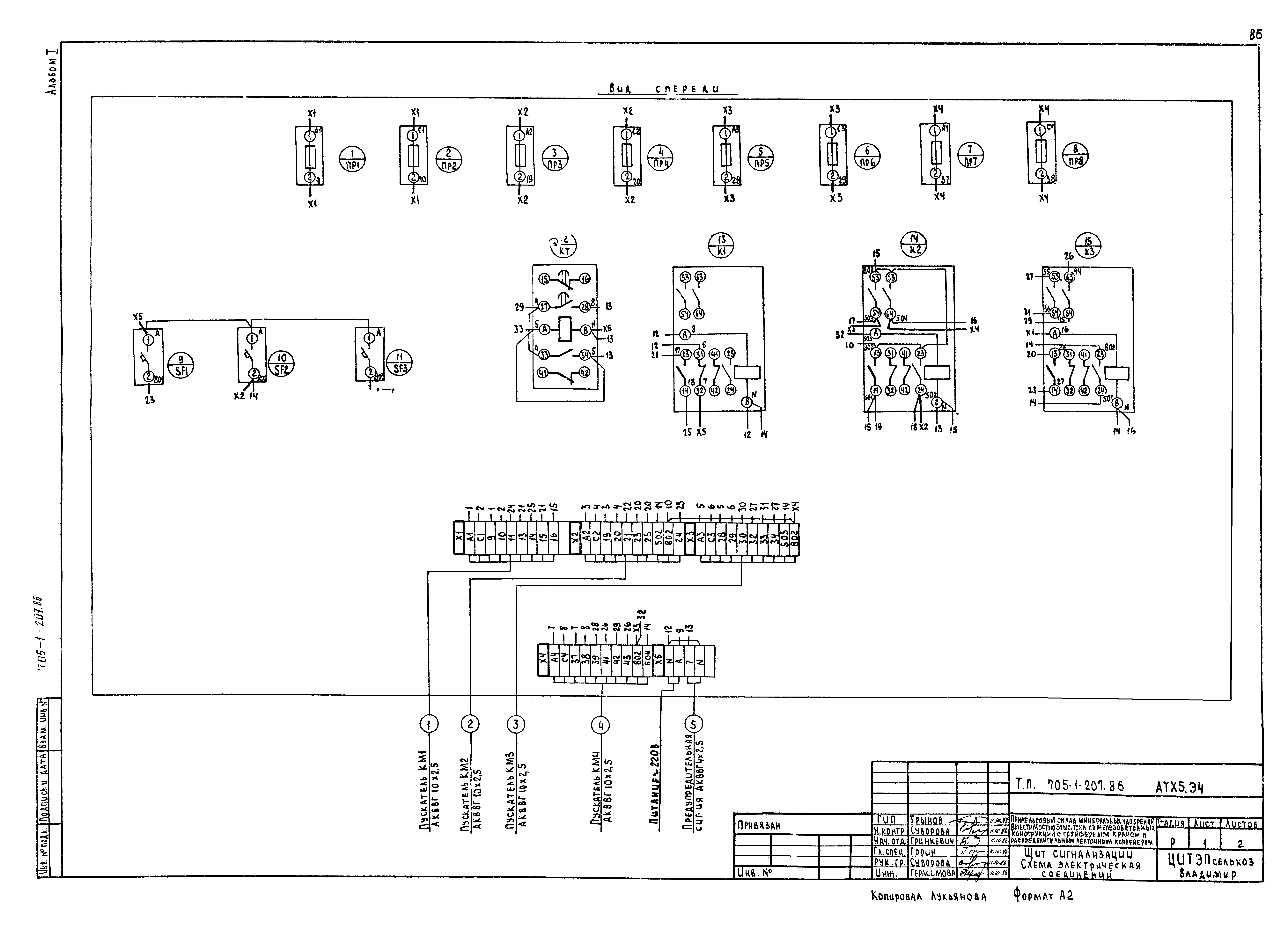
| Оглавление: | ТП 705-1-207.86 Содержание альбома ТП 705-1-207.86-ПЗ Пояснительная записка ТП 705-1-207.86-ТХ-1 Общие данные. Разрезы 1-1;2-2 ТП 705-1-207.86-ТХ-2 План на отм. 0.000. Разрез 3-3 ТП 705-1-207.86-ТХ-3 Конвейер ленточный. План 2-2 ТП 705-1-207.86-ТХ-4 Схема конвейера. Экспликация оборудования ТП 705-1-207.86-ТХ-5 Воздухоснабжение ТП 705-1-207.86-ТХН-01 Станина. Эскизный чертеж общего вида ТП 705-1-207.86-ТХН-02 Бункер отгрузочный. Эскизный чертеж общего вида ТП 705-1-207.86-ТХН-03 Лоток приемный направляющий. Эскизный чертеж общего вида ТП 705-1-207.86-ТХН-04 Рама роликоопор. Эскизный чертеж общего вида ТП 705-1-207.86-АР-1 Общие данные ТП 705-1-207.86-АР-2 План на отм. 0.000 ТП 705-1-207.86-АР-3 Фрагмент 1-3 ТП 705-1-207.86-АР-4 Фасады 1-13,13-1,А/1-Д,Д-А/1 ТП 705-1-207.86-АР-5 Разрезы 1-1,2-2. Схемы расположения асбестоцементных листов, закладных деталей в проеме поз.1 и деревянных коробов ТП 705-1-207.86-АР-6 Схемы заполнения оконных проемов ТП 705-1-207.86-АР-7 Схема расположения прогонов и ветровых ригелей по осям А,Д,1,3 ТП 705-1-207.86-АР-8 Схема расположения элементов стен ТП 705-1-207.86-АР-9 Схема расположения элементов кровли ТП 705-1-207.86-АР-10 Планы полов на отм. 0.000 и 3.140. Схема расположения деформационных швов ТП 705-1-207.86-АР-11 Схема расположения ограждений оборудования. План кровли ТП 705-1-207.86-АР-12 Узлы 1-9 ТП 705-1-207.86-АР-13 Узлы 10-18 ТП 705-1-207.86-АР-14 Узлы 19-20 ТП 705-1-207.86-АР-15 Схема расположения деревянных щитов ТП 705-1-207.86-КЖ-1 Общие данные (начало) ТП 705-1-207.86-КЖ-2 Общие данные (окончание) ТП 705-1-207.86-КЖ-3 Схема расположения фундаментов ТП 705-1-207.86-КЖ-4 Узлы 1-4 ТП 705-1-207.86-КЖ-5 Узлы 5-8 ТП 705-1-207.86-КЖ-6 Фундаменты ФМ1-ФМ4 ТП 705-1-207.86-КЖ-7 Фундаменты ФМ5-ФМ7 ТП 705-1-207.86-КЖ-8 Фундаменты ФМ8-ФМ10 ТП 705-1-207.86-КЖ-9 Схема расположения фундаментов под оборудование. Фундаменты ФОМ1-ФОМ5 ТП 705-1-207.86-КЖ-10 Фундаменты ФОМ6-ФОМ8 ТП 705-1-207.86-КЖ-11 Схема расположения стеновых панелей подпорно-разделительных стен ТП 705-1-207.86-КЖ-12 Сечения 5-5÷8-8 ТП 705-1-207.86-КЖ-13 Узлы 12-15 ТП 705-1-207.86-КЖ-14 Схема расположения верхних и нижних арматурных сеток монолитной конструкции ТП 705-1-207.86-КЖ-15 Узлы 12-16. Сечения 1-1÷4-4 ТП 705-1-207.86-КЖ-16 Схема расположения колонн, балок ТП 705-1-207.86-КЖ-17 Разрезы 1-1÷6-6. Схема расположения плит покрытия ТП 705-1-207.86-КЖ-18 Узлы 21-27 ТП 705-1-207.86-КЖ-19 Схема расположения подкрановых балок ТП 705-1-207.86-КЖ-20 Схема расположения стеновых панелей по осям А,Д ТП 705-1-207.86-КЖ-21 Схема расположения стеновых панелей по осям 1,13,2,3 ТП 705-1-207.86-КЖ-22 Разгрузочная железнодорожная эстакада ТП 705-1-207.86-КМ-1 Общие данные (начало) ТП 705-1-207.86-КМ-2 Общие данные (продолжение) ТП 705-1-207.86-КМ-3 Общие данные (продолжение) ТП 705-1-207.86-КМ-4 Общие данные (продолжение) ТП 705-1-207.86-КМ-5 Общие данные (окончание) ТП 705-1-207.86-КМ-6 Схема расположения ферм, прогонов и связей по верхним и нижним поясам ферм ТП 705-1-207.86-КМ-7 Схема расположения элементов площадки 1 ТП 705-1-207.86-КМ-8 Схема расположения элементов площадок 2,3 ТП 705-1-207.86-КМ-9 Лестницы ЛМ1,ЛМ2 ТП 705-1-207.86-КМ-10 Узлы 1-5 ТП 705-1-207.86-КМ-11 Узлы 6-13 ТП 705-1-207.86-КМ-12 Узлы 14-17 ТП 705-1-207.86-КМ-13 Узлы 18-21 ТП 705-1-207.86-КМ-14 Узлы 22-26 ТП 705-1-207.86-КМ-15 Узлы 27-31 ТП 705-1-207.86-КМ-16 Схема расположения элементов площадки 4. Узлы 32-39 ТП 705-1-207.86-КМ-17 Схема расположения стоек и балок под бункера. Узлы 40-42 ТП 705-1-207.86-ОВ-1 Общие данные ТП 705-1-207.86-ОВ-2 План на отм. 0.000. Схемы систем В1,В2,ВЕ1,ВЕ2 ТП 705-1-207.86-ОВ-3 Установки систем В1,В2 ТП 705-1-207.86-ЭМ-1 Общие данные ТП 705-1-207.86-ЭМ-2 Силовое электрооборудование. План на отм. 0.000 ТП 705-1-207.86-ЭМ-3 Силовое электрооборудование. Принципиальная расчетная схема (начало) ТП 705-1-207.86-ЭМ-4 Силовое электрооборудование. Принципиальная расчетная схема (окончание) ТП 705-1-207.86-ЭМ-5 Лебедка маневровая ТЛ-86. Привод 1.2. Схема электрическая принципиальная подключения ТП 705-1-207.86-ЭМ-6 Электрическое освещение. План на отм. 0.000 ТП 705-1-207.86-ЭМ.ВЭК Ведомость электромонтажных конструкций и деталей подлежащих изготовлению в МЭЗ ТП 705-1-207.86-ЭМ.ВИМ Ведомость изделий и материалов для изготовления электромонтажных конструкций и дет алей МЭЧ ТП 705-1-207.86-ЭМ.ВР Ведомость объемов строительных монтажных работ по чертежам ТП 705-1-207.86-АТХ-1 Общие данные ТП 705-1-207.86-АТХ-2 Схемы предупредительной сигнализации, сигнализации и питания ТП 705-1-207.86-АТХ-3 Схемы электрические принципиальные управления ТП 705-1-207.86-АТХ-4 Схема внешних проводок. План расположения ТП 705-1-207.86-АТХ5.ВО Щит сигнализации. Чертеж общего вида ТП 705-1-207.86-АТХ5.ЭЧ Щит сигнализации. Схема электрическая соединений ТП 705-1-207.86-АТХ.ЭЧ Щит сигнализации. Схема электрическая соединений ТП 705-1-207.86-АТХ5 Щит сигнализации. Технические данные аппаратов ТП 705-1-207.86-АТХ5.ТБ Щит сигнализации. Таблица перечней надписей |
| Разработан: | Проектный институт ЦИТЭПсельхоз |
| Утверждён: | 02.12.1986 Госагропром СССР (USSR Gosagroprom 33-ЭТ) |

























































































