Скачать Типовой проект 904-02-8 Альбом II. Автоматическое управление и силовое электрооборудование. Завесы с четырьмя вентиляторамиДата актуализации: 01.01.2021
|
| Обозначение: | Типовой проект 904-02-8 |
| Обозначение англ: | 904-02-8 |
| Статус: | действует |
| Название рус.: | Альбом II. Автоматическое управление и силовое электрооборудование. Завесы с четырьмя вентиляторами |
| Дата добавления в базу: | 01.09.2013 |
| Дата актуализации: | 01.01.2021 |
| Дата введения: | 15.11.1981 |
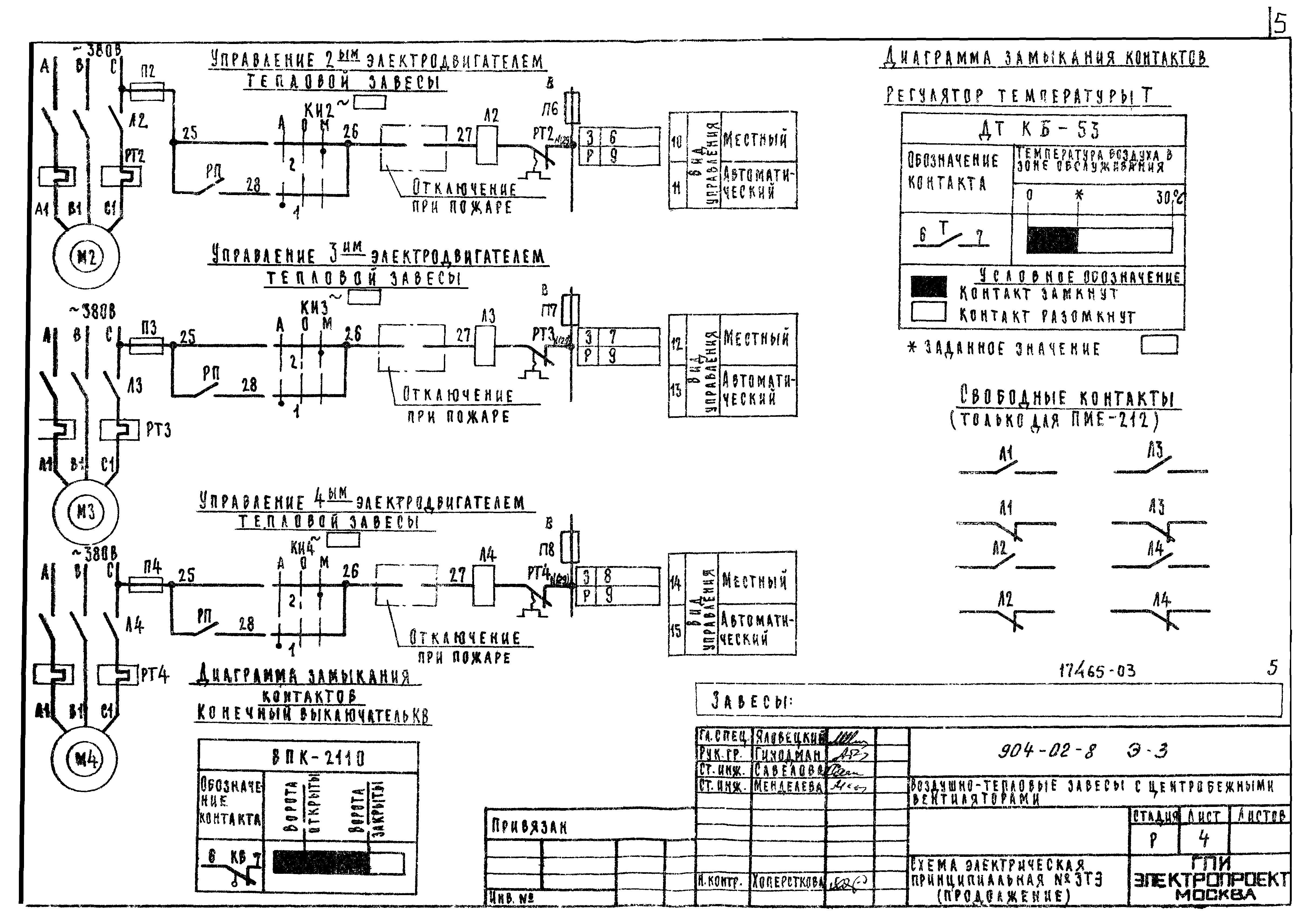
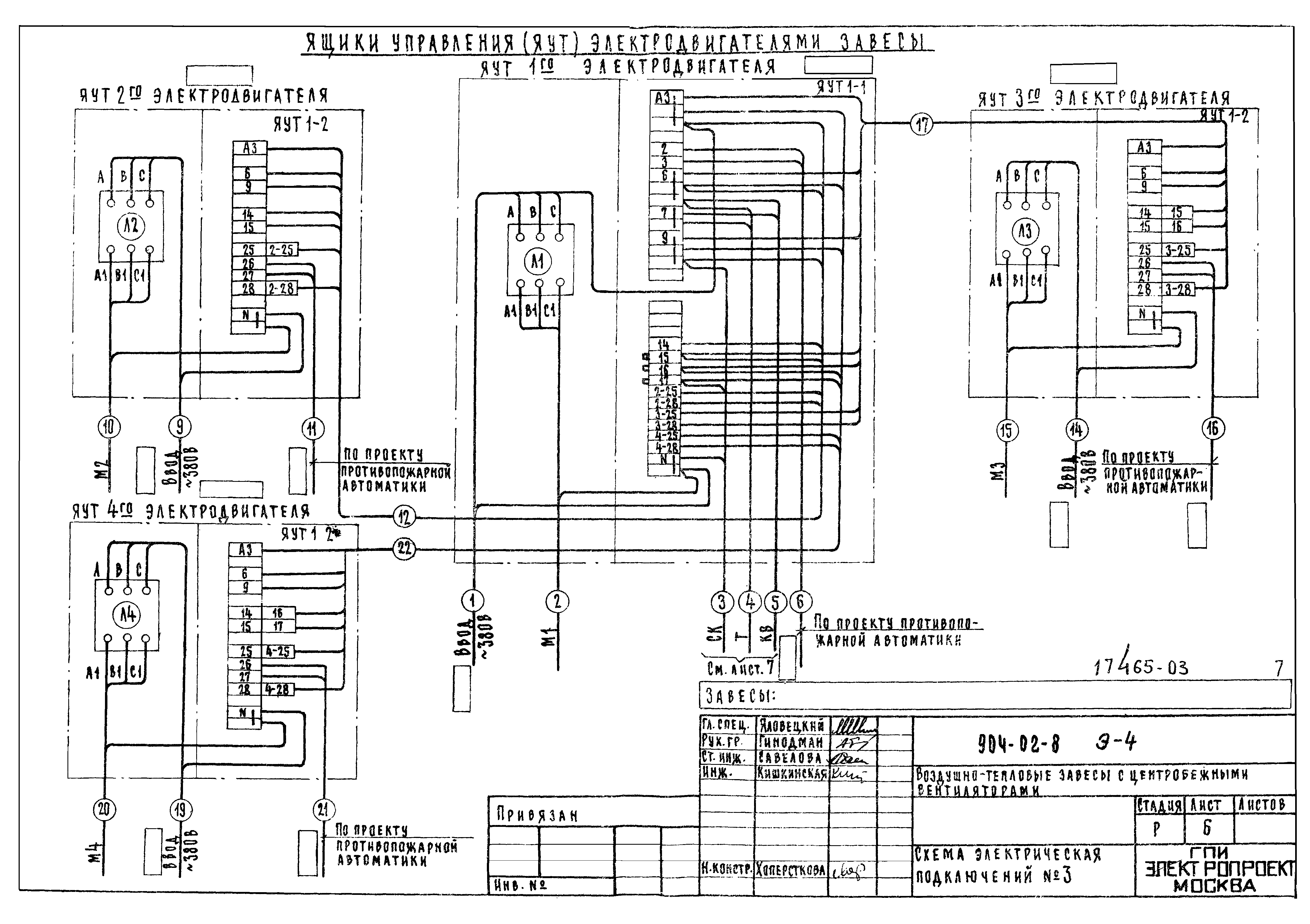
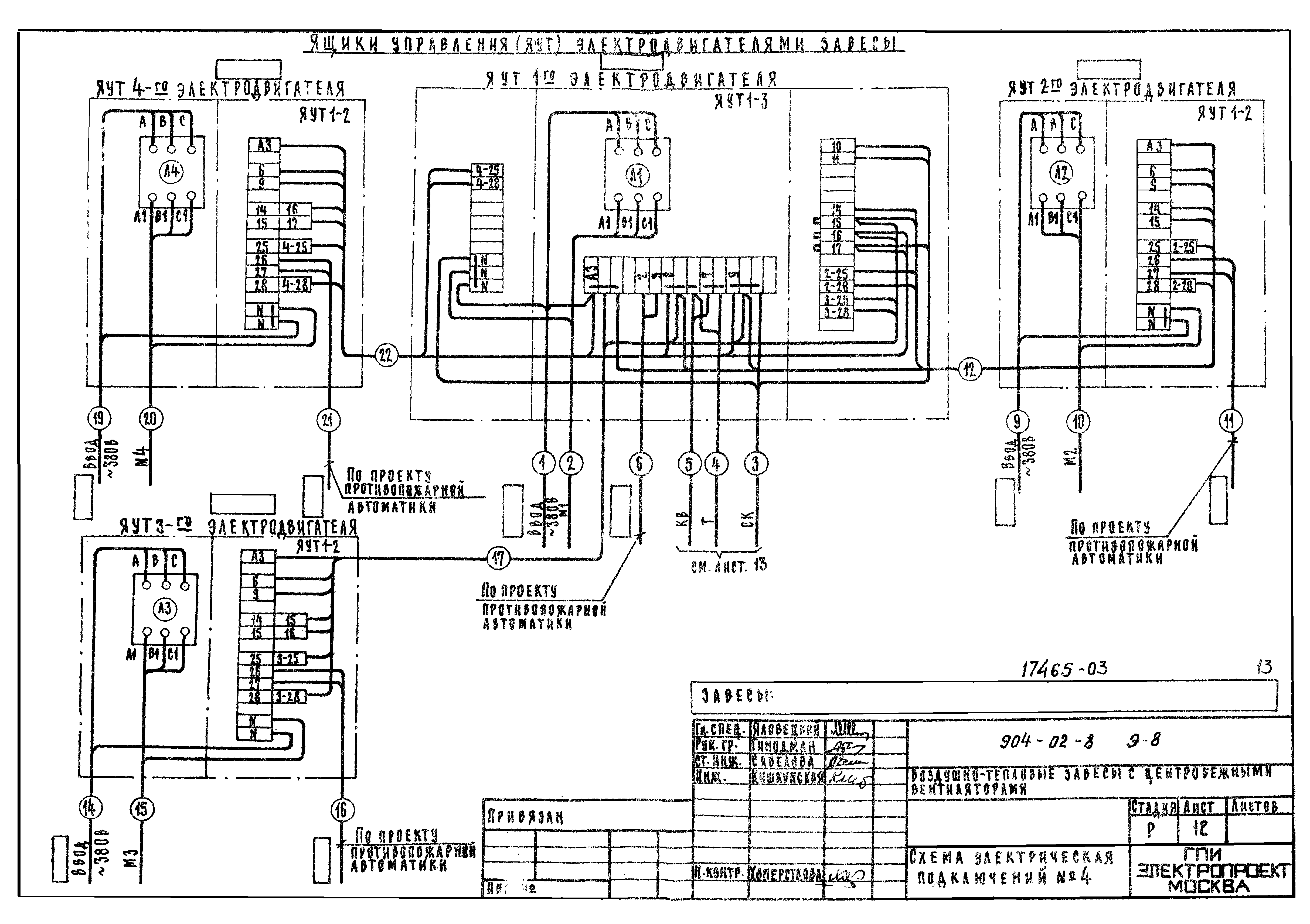
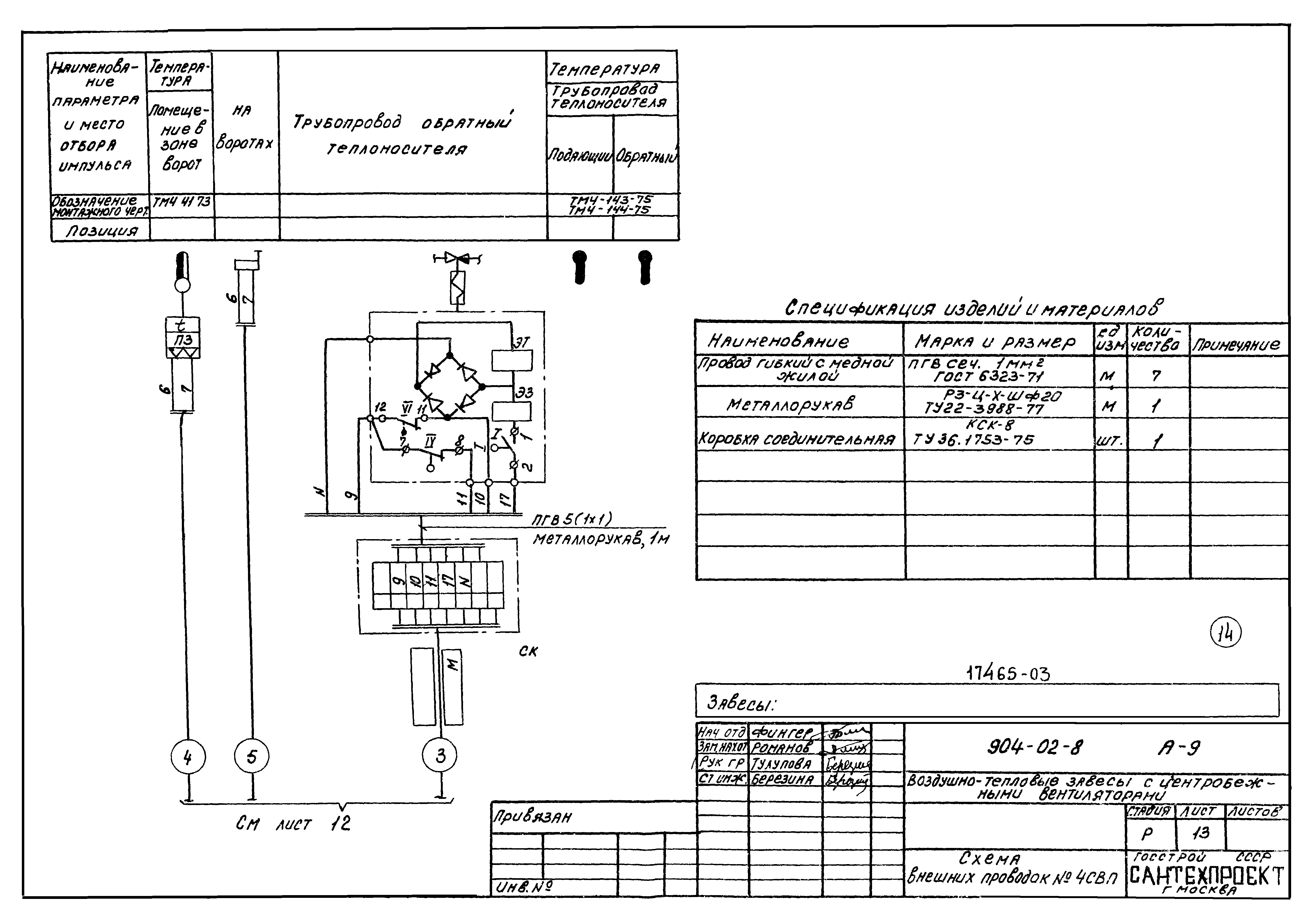
| Оглавление: | ТП 904-02-8-АЭ-1 Общие данные ТП 904-02-8-А-2 Схема функциональная №3ТФ ТП 904-02-8-Э-3 Схема электрическая принципиальная №3ТЭ ТП 904-02-8-Э-4 Схема электрическая подключений №3 ТП 904-02-8-А-5 Схема внешних проводок №3СВП ТП 904-02-8-А-6 Схема функциональная №4ТФ ТП 904-02-8-Э-7 Схема электрическая принципиальная №4ТЭ ТП 904-02-8-Э-8 Схема электрическая подключений №4 ТП 904-02-8-А-9 Схема внешних проводок №4СВП |
| Разработан: | Сантехпроект Госстроя СССР Электропроект Минмонтажспецстроя СССР |
| Утверждён: | 23.10.1981 Главпромстройпроект Госстроя СССР (83) |















