Скачать Типовые проектные решения 904-02-9 Альбом 0. Рекомендации по применениюДата актуализации: 01.01.2021
|
| Обозначение: | Типовые проектные решения 904-02-9 |
| Обозначение англ: | 904-02-9 |
| Статус: | справочные материалы, мп, тпр |
| Название рус.: | Альбом 0. Рекомендации по применению |
| Дата добавления в базу: | 01.09.2013 |
| Дата актуализации: | 01.01.2021 |
| Дата окончания срока действия: | 15.11.1981 |
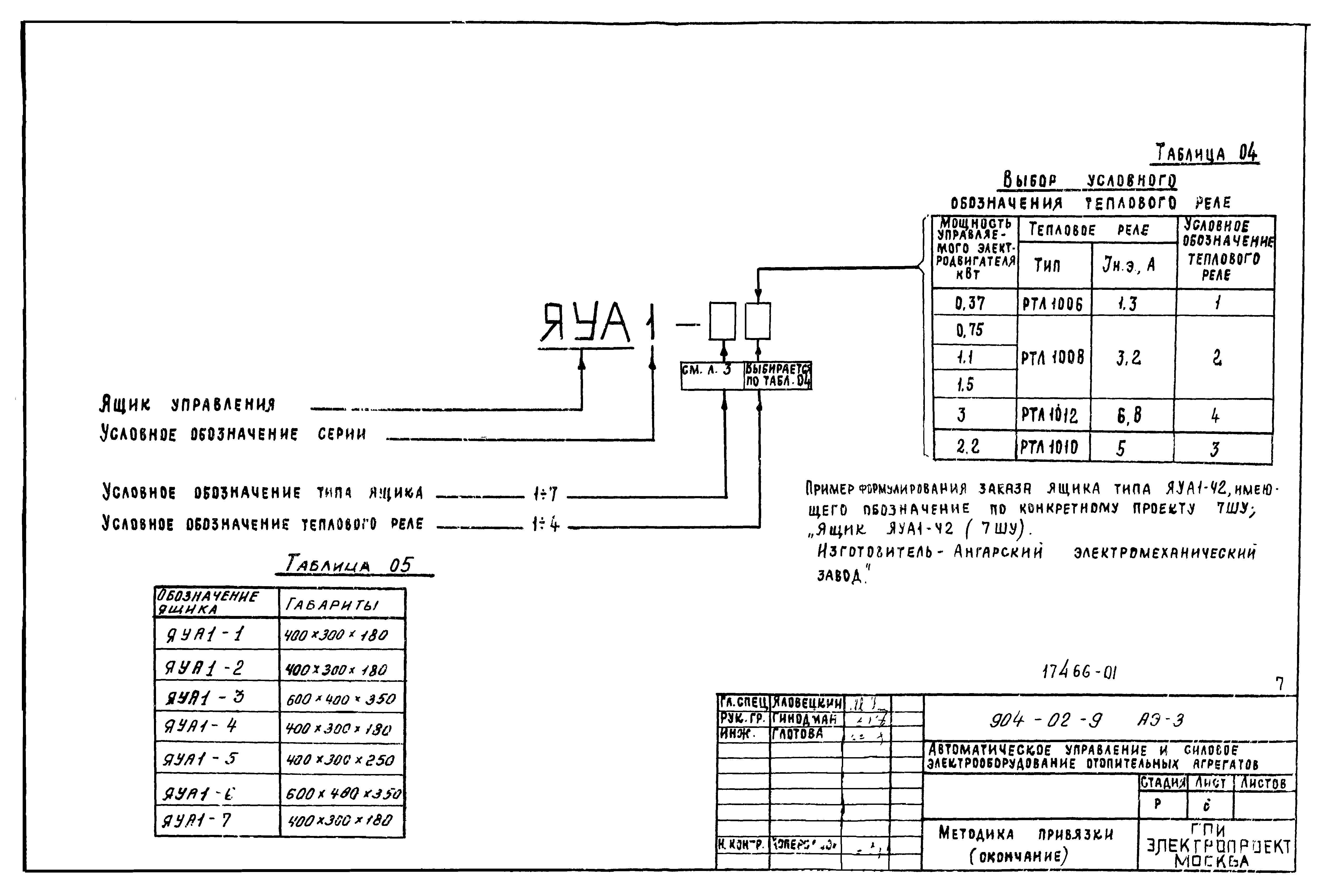
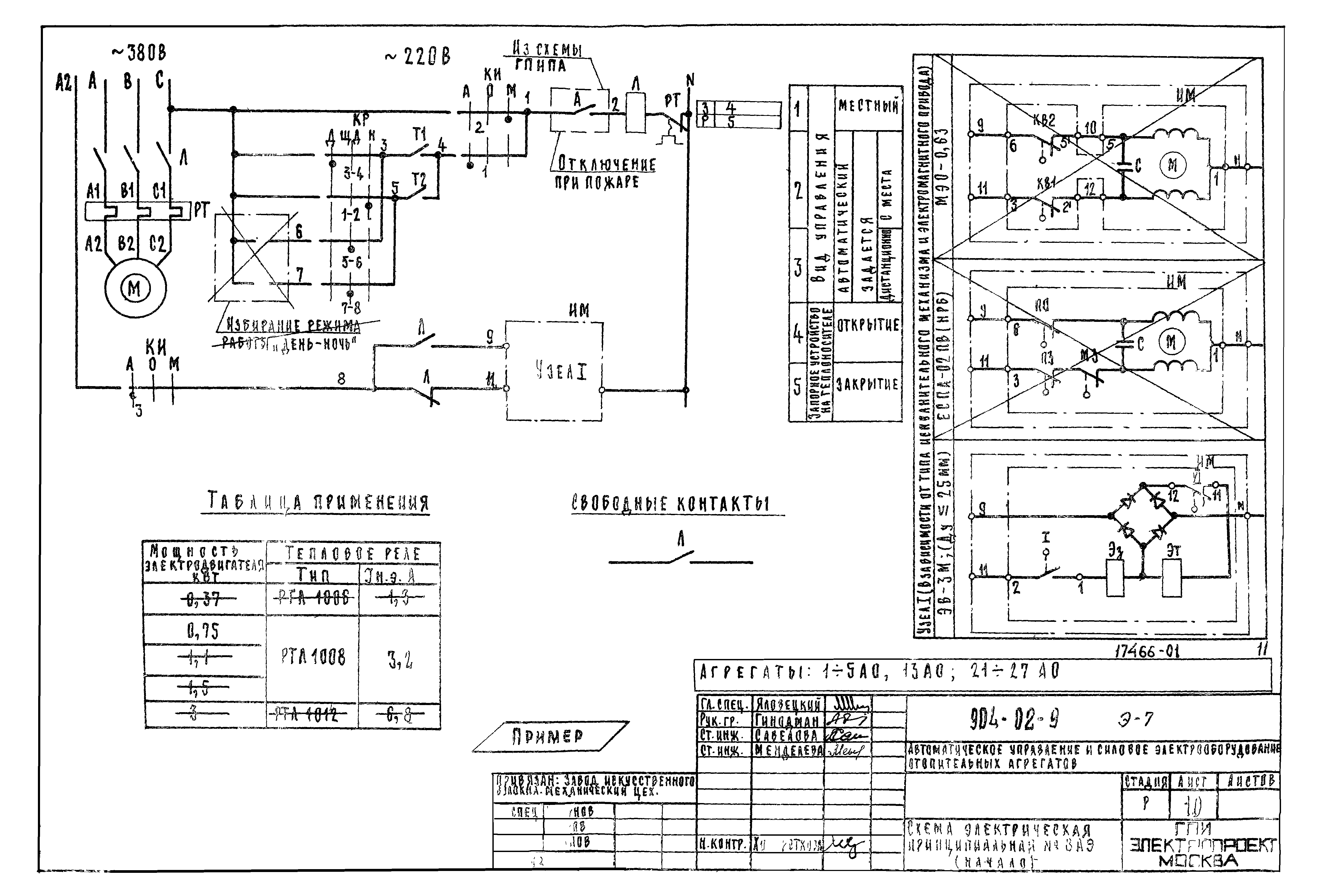
| Оглавление: | ТП 904-02-8-АЭ-1 Общие данные ТП 904-02-8-АЭ-2 Пояснительная записка ТП 904-02-8-АЭ-3 Методика привязки ТП 904-02-8-АЭ-4 Задание на привязку. Форма ТП 904-02-8-АЭ-5 Задание на привязку. Пример заполнения ТП 904-02-8-АЭ-6 Схема функциональная №8АФ ТП 904-02-8-АЭ-7 Схема электрическая принципиальная №8АЭ ТП 904-02-8-АЭ-8 Схема электрическая подключений №8 ТП 904-02-8-АЭ-9 Схема внешних проводок №4СВП ТП 904-02-8-Э-9 Оптовые цены ящиков управления |
| Разработан: | Сантехпроект Госстроя СССР Электропроект Минмонтажспецстроя СССР |
| Утверждён: | 23.10.1981 Главпромстройпроект Госстроя СССР (82) |

















