Скачать Типовой проект 902-1-82.83 Альбом X. Сметы. Общая часть (из ТП 902-1-78.83)Дата актуализации: 01.01.2021
|
| Обозначение: | Типовой проект 902-1-82.83 |
| Обозначение англ: | 902-1-82.83 |
| Статус: | действует |
| Название рус.: | Альбом X. Сметы. Общая часть (из ТП 902-1-78.83) |
| Дата добавления в базу: | 01.09.2013 |
| Дата актуализации: | 01.01.2021 |
| Дата введения: | 06.02.1984 |
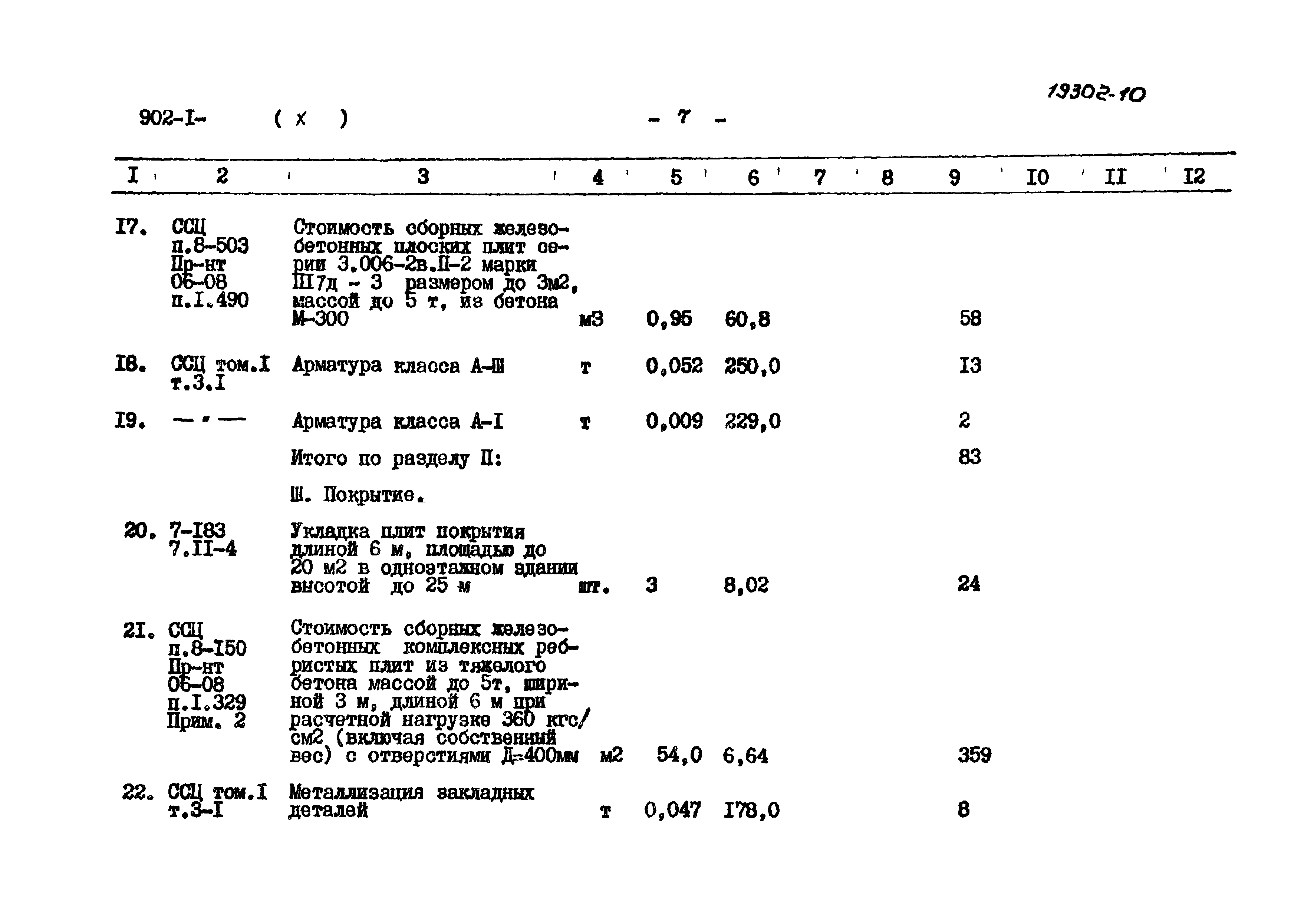
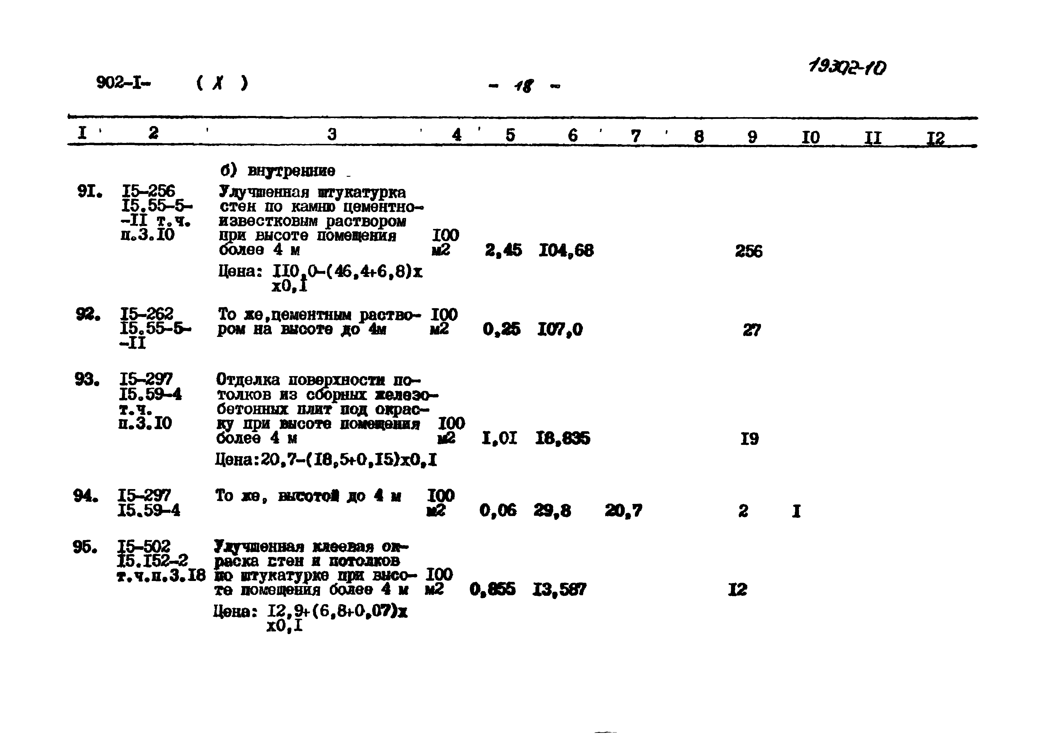
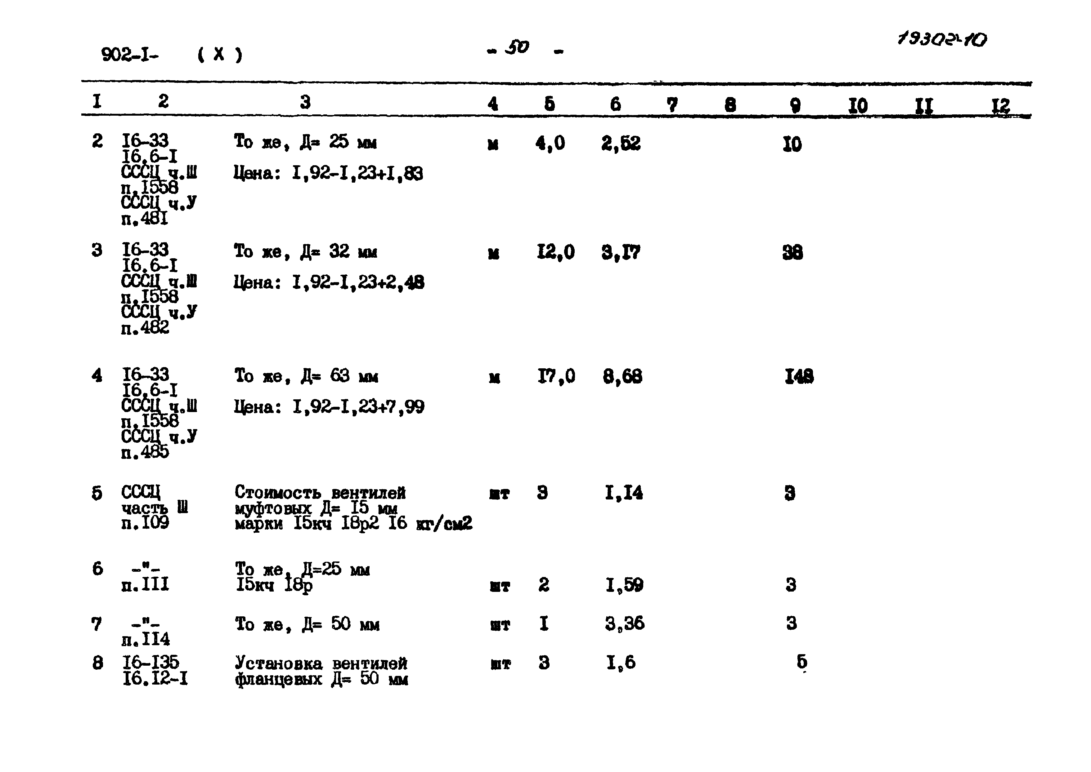
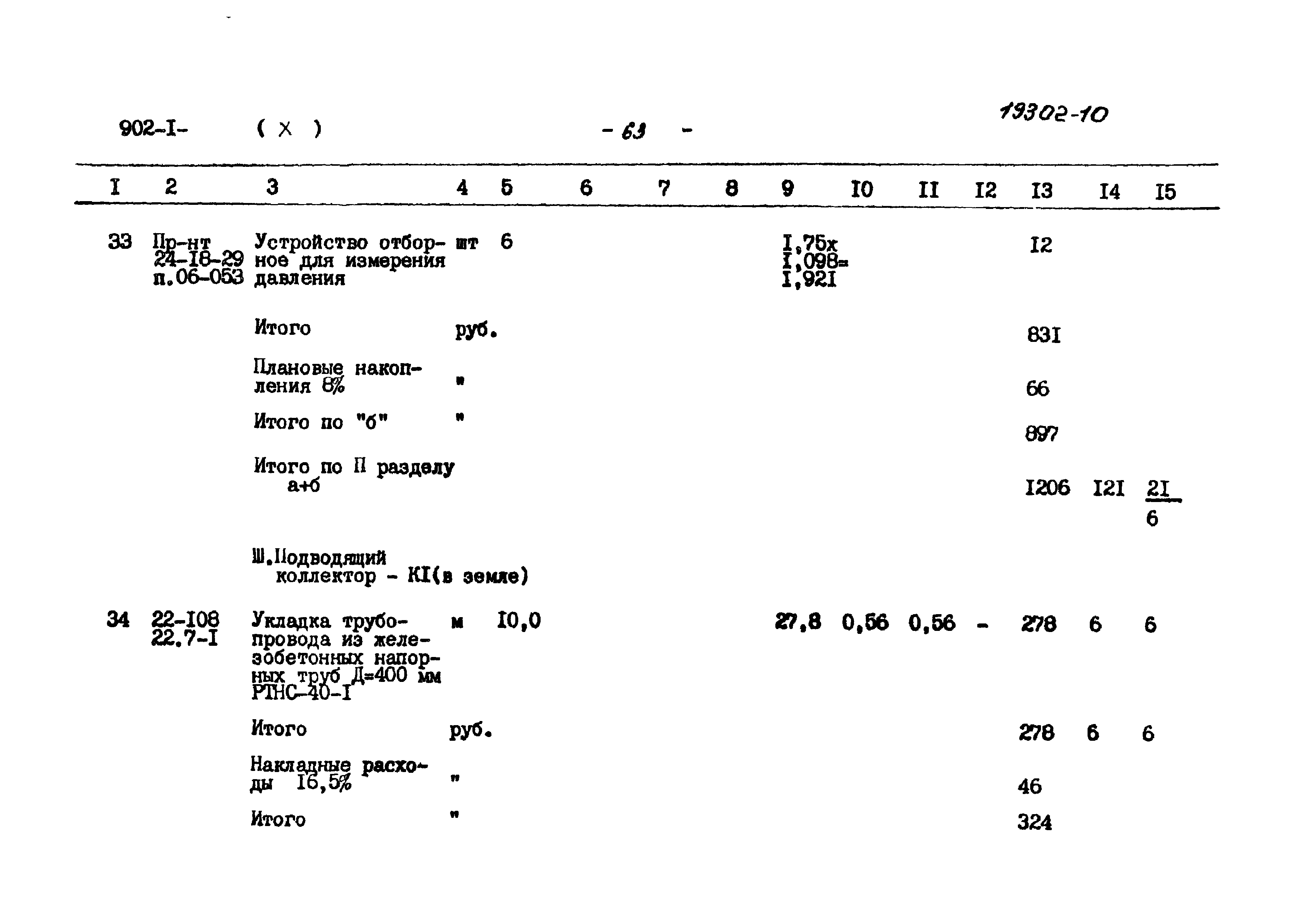
| Оглавление: | ТП 902-1-78.83 Пояснительная записка ТП 902-1-78.83 Смета № 2 на общестроительные работы надземной части ТП 902-1-78.83 Смета № 3 на отопление ТП 902-1-78.83 Смета № 4 на теплоснабжение установки П-1 ТП 902-1-78.83 Смета № 5 на теплоснабжение водоподогревателя ТП 902-1-78.83 Смета № 6 на узел управления ТП 902-1-78.83 Смета № 7 на вентиляцию ТП 902-1-78.83 Смета № 8 на внутренний водопровод ТП 902-1-78.83 Смета № 9 на внутреннюю канализацию ТП 902-1-78.83 Смета № 10 на технологическое оборудование и трубопроводы ТП 902-1-78.83 Смета № 11 на трубопровод производственной воды ТП 902-1-78.83 Смета № 12 на приобретение гардеробного оборудования ТП 902-1-78.83 Смета № 13 на электросиловое оборудование ТП 902-1-78.83 Смета № 14 на электроосвещение ТП 902-1-78.83 Смета № 15 на КиП и средства автоматизации ТП 902-1-78.83 Ведомость потребности в производственных ресурсах |
| Разработан: | Харьковский Водоканалпроект |
| Утверждён: | 27.10.1983 СоюзводоканалНИИпроект (SoyuzvodokanalNIIproject 59) |
































































































































