Скачать Типовой проект 902-1-87.84 Альбом IV. Строительные решения. Подземная часть. Сборно-монолитный вариант (открытый способ в сухих грунтах)Дата актуализации: 01.01.2021
|
| Обозначение: | Типовой проект 902-1-87.84 |
| Обозначение англ: | 902-1-87.84 |
| Статус: | действует |
| Название рус.: | Альбом IV. Строительные решения. Подземная часть. Сборно-монолитный вариант (открытый способ в сухих грунтах) |
| Дата добавления в базу: | 01.09.2013 |
| Дата актуализации: | 01.01.2021 |
| Дата введения: | 18.04.1984 |
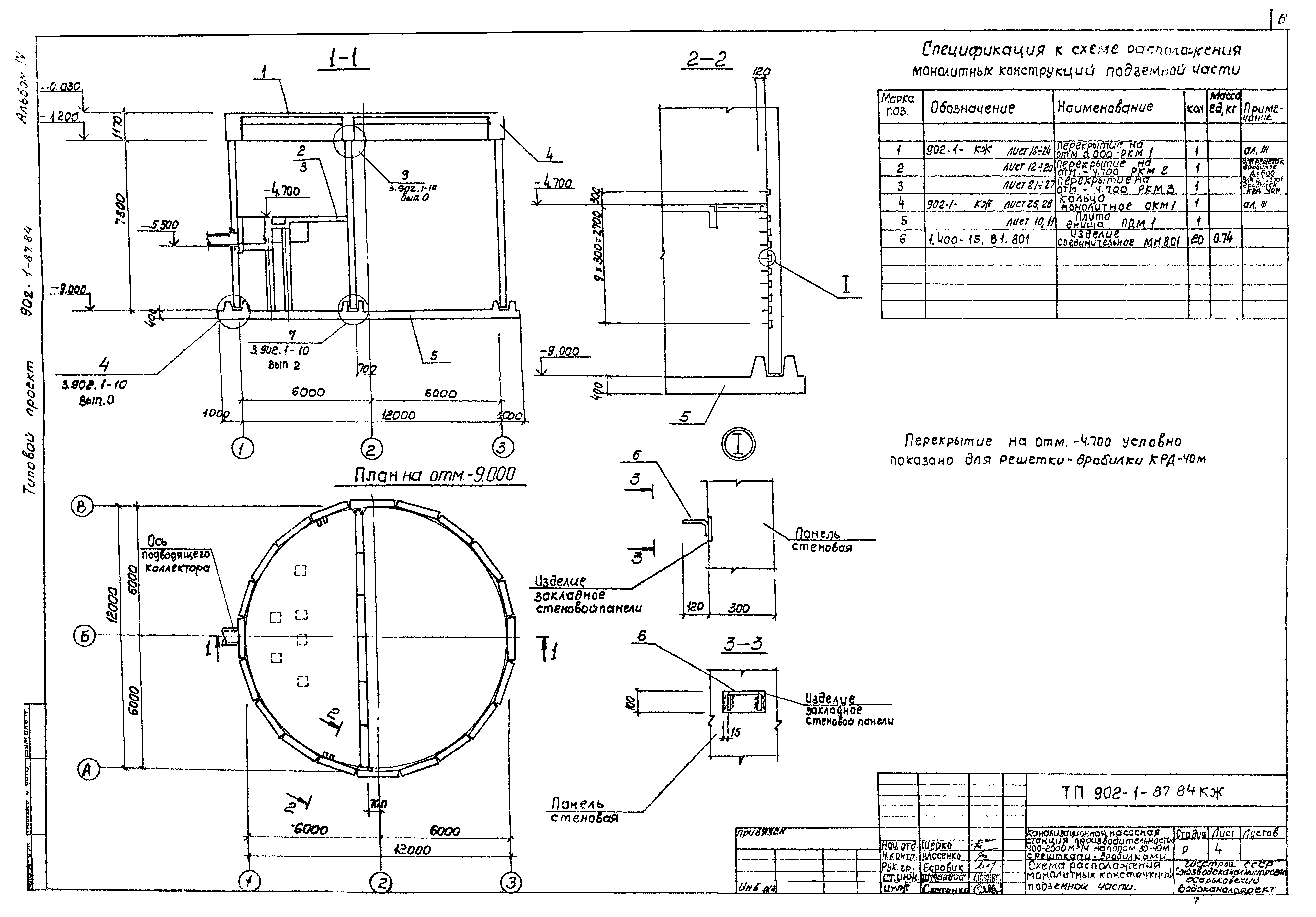
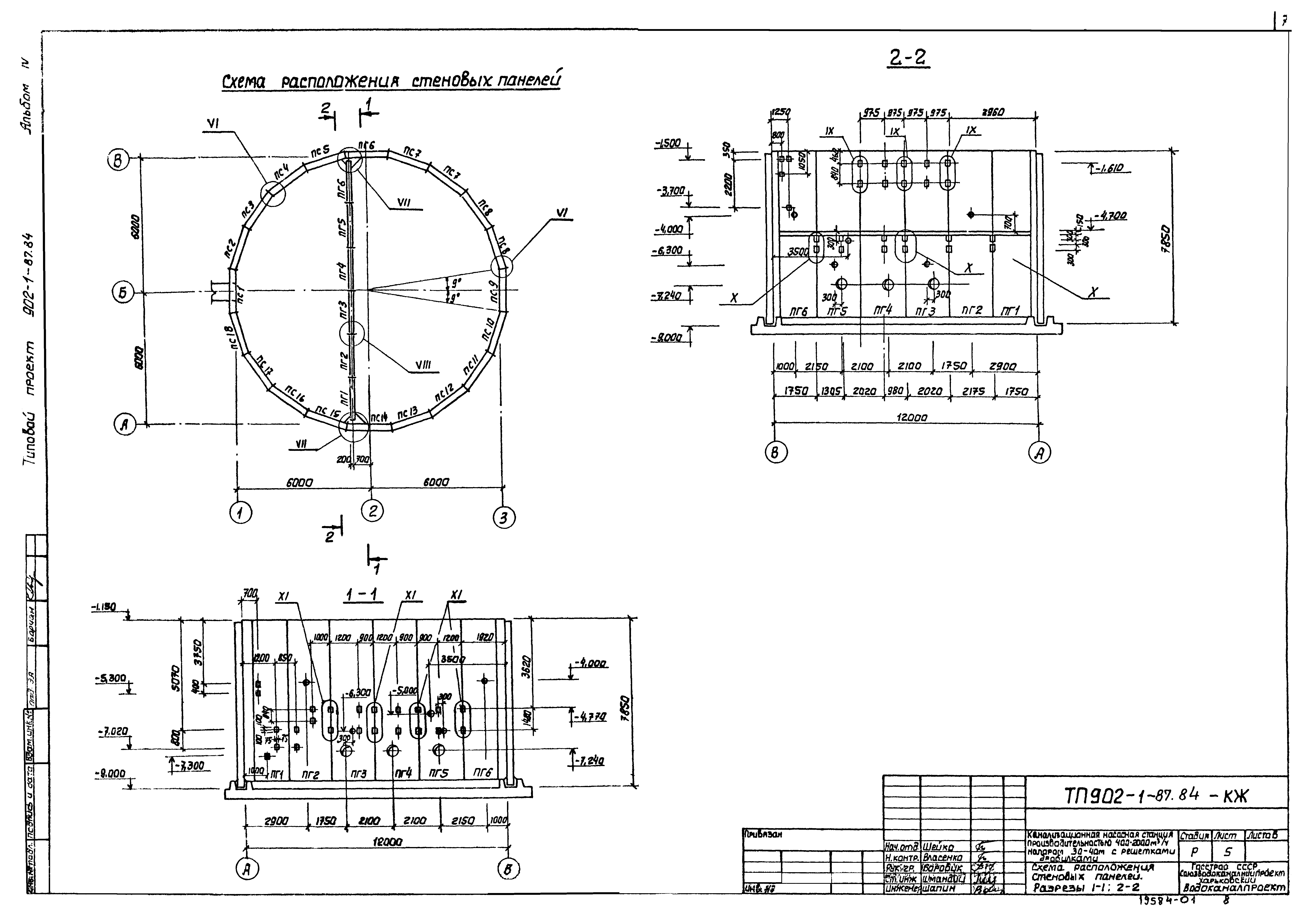
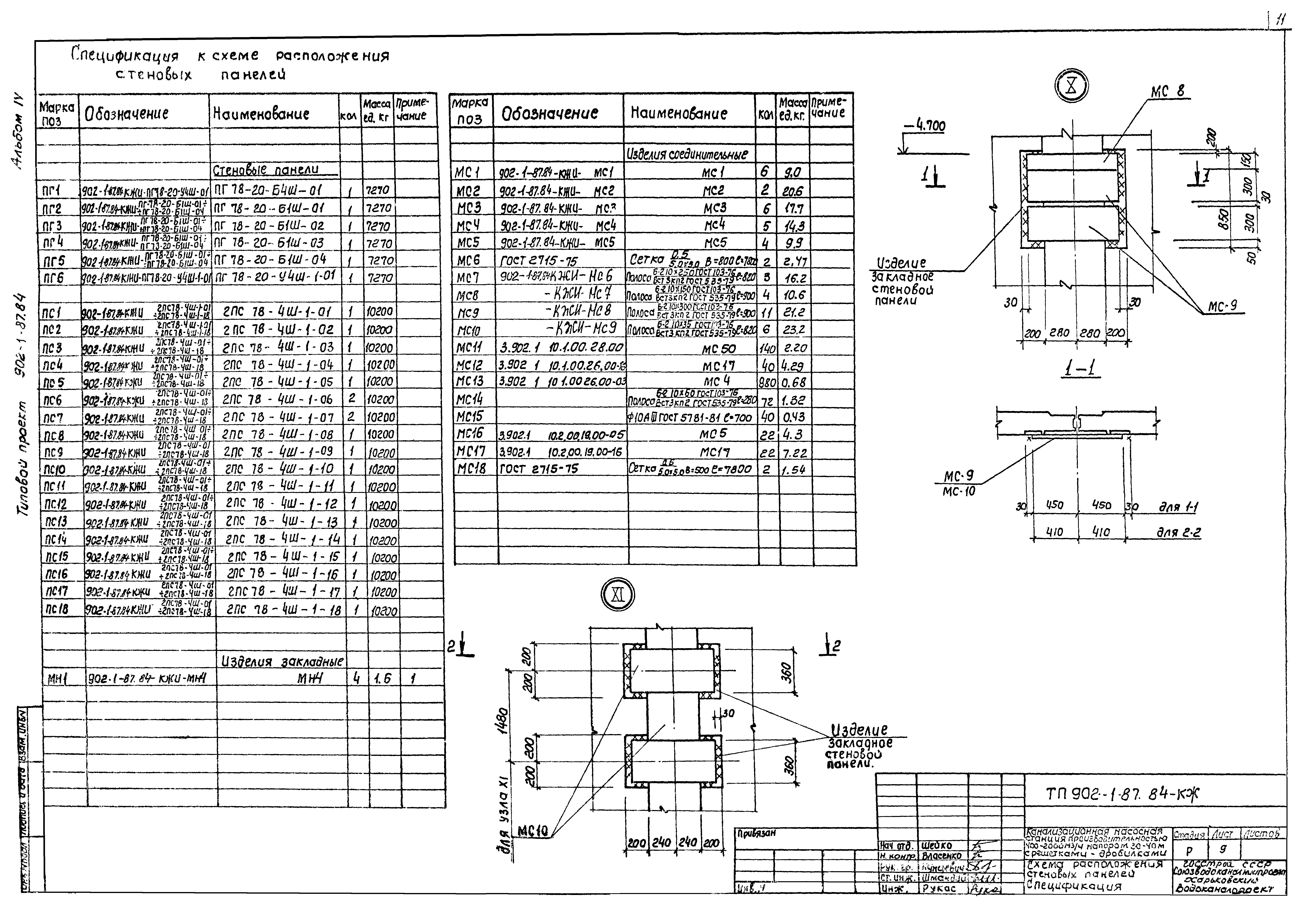
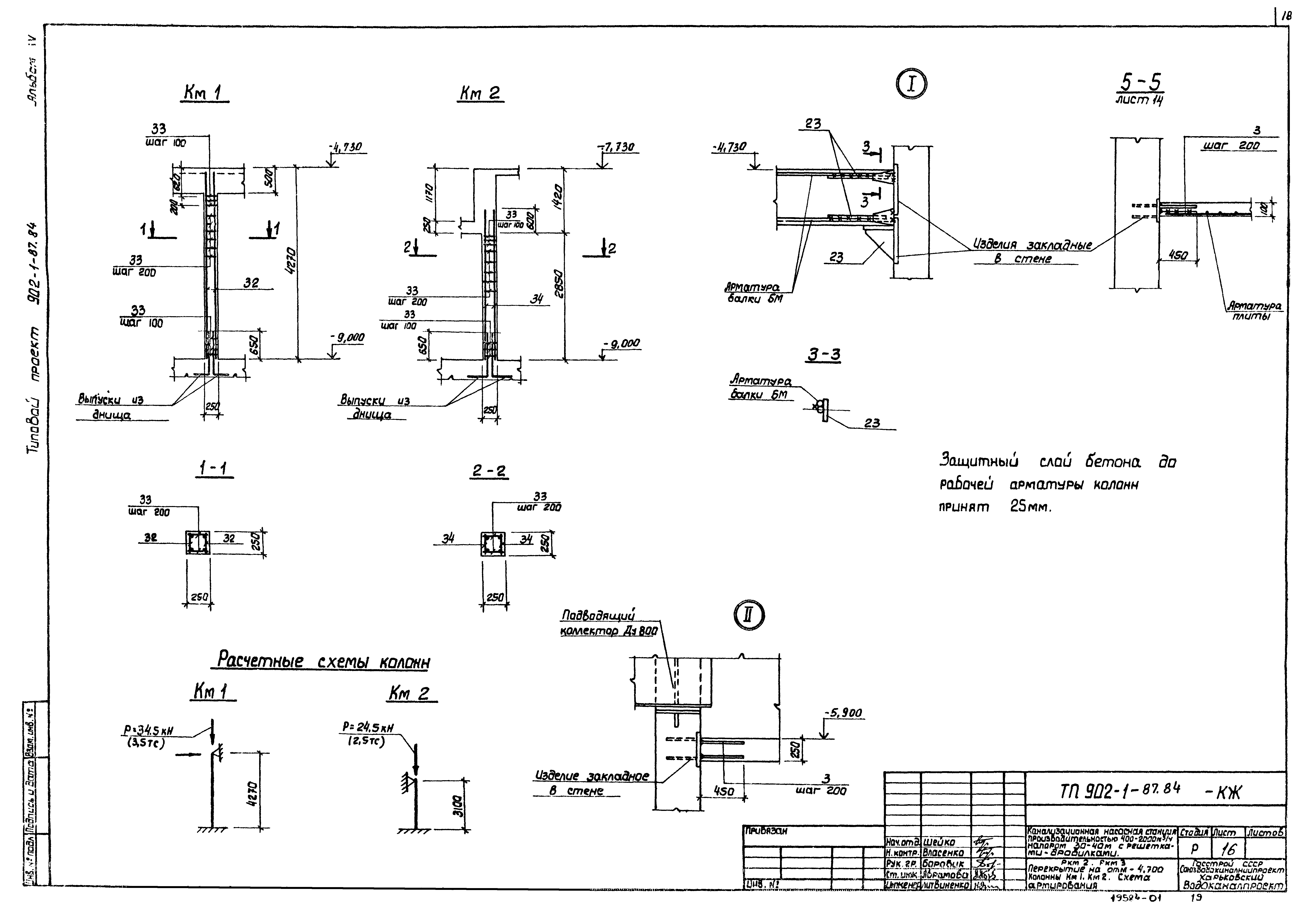
| Оглавление: | ТП 902-1-88.84 Содержание ТП 902-1-88.84-КЖ Основной комплект КЖ ТП 902-1-88.84-КЖ-1 Общие данные (начало) ТП 902-1-88.84-КЖ-2 Общие данные (окончание) ТП 902-1-88.84-КЖ-3 Планы на отм. -7.840 и -4.700. Разрезы 1-1;2-2 ТП 902-1-88.84-КЖ-4 Схема расположения монолитных конструкций подземной части ТП 902-1-88.84-КЖ-5 Схема расположения стеновых панелей. Разрезы 1-1;2-2 ТП 902-1-88.84-КЖ-6 Схема расположения стеновых панелей. Развертка наружной стены. Узлы 1,2 ТП 902-1-88.84-КЖ-7 Схема расположения стеновых панелей. Узлы 3-6 ТП 902-1-88.84-КЖ-8 Схема расположения стеновых панелей. Узлы 7-9 ТП 902-1-88.84-КЖ-9 Схема расположения стеновых панелей. Спецификация ТП 902-1-88.84-КЖ-10 Плита днища ПДМ1. Общий вид. Схема армирования ТП 902-1-88.84-КЖ-11 Плита днища ПДМ1.Схема армирования. Спецификация ТП 902-1-88.84-КЖ-12 РКМ2. Перекрытие на отм. -4.700. План и сечения 1-1÷3-3;7-7 ТП 902-1-88.84-КЖ-13 РКМ2. Перекрытие на отм. -4.700. Элемент плана 1. Сечение 4-4÷6-6 ТП 902-1-88.84-КЖ-14 РКМ2. Перекрытие на отм. -4.700. Плита ПМ1. Балки БМ1-БМ3. Схема армирования ТП 902-1-88.84-КЖ-15 РКМ2,РКМ3. Перекрытие на отм. -4.700. Балки БМ4-БМ8. Схема армирования ТП 902-1-88.84-КЖ-16 РКМ2,РКМ3. Перекрытие на отм. -4.700. Колонны КМ1,КМ2. Схема армирования ТП 902-1-88.84-КЖ-17 РКМ2. Перекрытие на отм. -4.700. Лоток ЛТМ1. Схема армирования ТП 902-1-88.84-КЖ-18 РКМ2. Перекрытие на отм. -4.700. Лоток ЛТМ1. Схема армирования. Сечения 3-3÷8-8 ТП 902-1-88.84-КЖ-19 РКМ2. Перекрытие на отм. -4.700. Схема армирования. Спецификация (начало) ТП 902-1-88.84-КЖ-20 РКМ2. Перекрытие на отм. -4.700. Схема армирования. Спецификация (окончание) ТП 902-1-88.84-КЖ-21 РКМ3. Перекрытие на отм. -4.700. План и сечения 1-1÷3-3,7-7 ТП 902-1-88.84-КЖ-22 РКМ3. Перекрытие на отм. -4.700. Элемент плана 1. Сечения 4-4÷6-6 ТП 902-1-88.84-КЖ-23 РКМ3. Перекрытие на отм. -4.700. Плита ПМ1. Балки БМ1-БМ3. Схема армирования ТП 902-1-88.84-КЖ-24 РКМ3. Перекрытие на отм. -4.700. Лоток ЛТМ2. Схема армирования ТП 902-1-88.84-КЖ-25 РКМ3. Перекрытие на отм. -4.700. Лоток ЛТМ2. Схема армирования. Сечения 3-3÷8-8 ТП 902-1-88.84-КЖ-26 РКМ3. Перекрытие на отм. -4.700. Спецификация (начало) ТП 902-1-88.84-КЖ-27 РКМ3. Перекрытие на отм. -4.700. Спецификация (окончание) ТП 902-1-88.84-КМ Основной комплект КМ ТП 902-1-88.84-КМ-1 Общие данные (начало) ТП 902-1-88.84-КМ-2 Общие данные (окончание) ТП 902-1-88.84-КМ-3 Схема расположения лестниц, лестничных площадок. Разрезы 1-1,2-2 ТП 902-1-88.84-КМ-4 Схема узлов лестниц. Узел 1 ТП 902-1-88.84-КМ-5 Узлы 2-5 |
| Разработан: | Харьковский Водоканалпроект |
| Утверждён: | 27.10.1983 СоюзводоканалНИИпроект (SoyuzvodokanalNIIproject 59) |



































