Скачать Типовые проектные решения 904-02-12 Альбом I. Системы утилизации тепла в теплоутилизаторах типа вода-воздух с подогревом промежуточного теплоносителя. Технологические системыДата актуализации: 01.01.2021
|
| Обозначение: | Типовые проектные решения 904-02-12 |
| Обозначение англ: | 904-02-12 |
| Статус: | справочные материалы, мп, тпр |
| Название рус.: | Альбом I. Системы утилизации тепла в теплоутилизаторах типа "вода-воздух" с подогревом промежуточного теплоносителя. Технологические системы |
| Дата добавления в базу: | 01.09.2013 |
| Дата актуализации: | 01.01.2021 |
| Дата окончания срока действия: | 01.01.1982 |
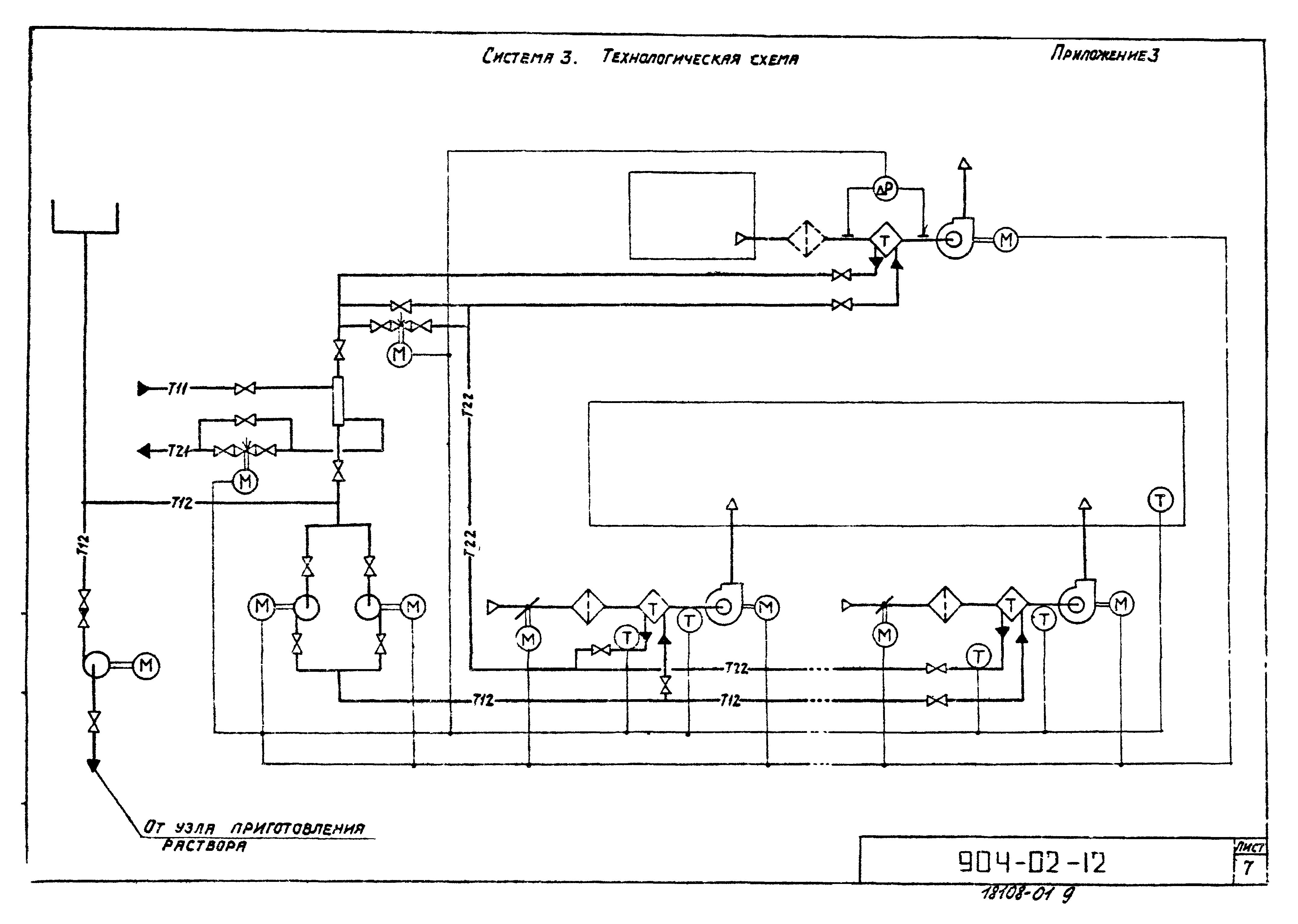
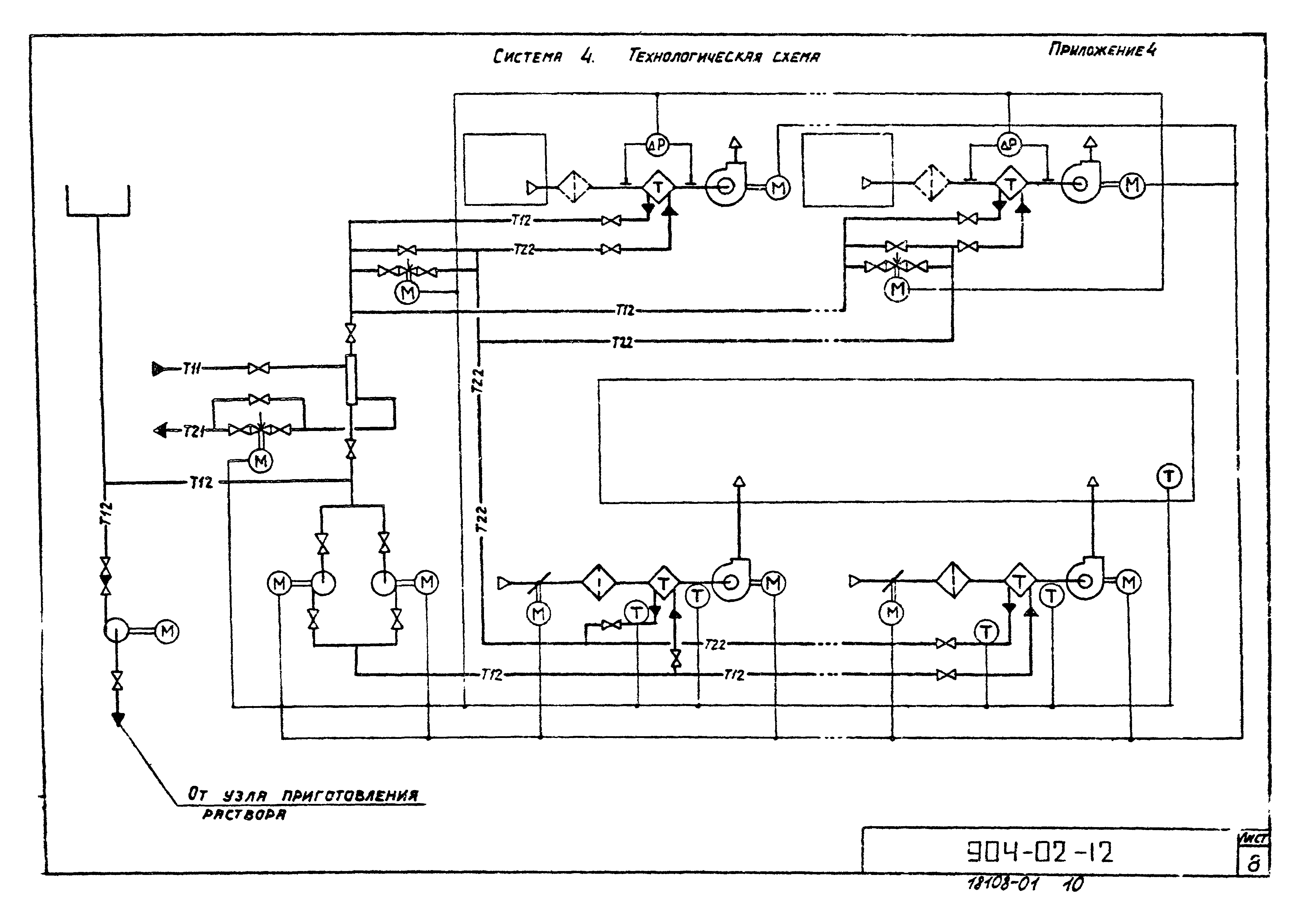
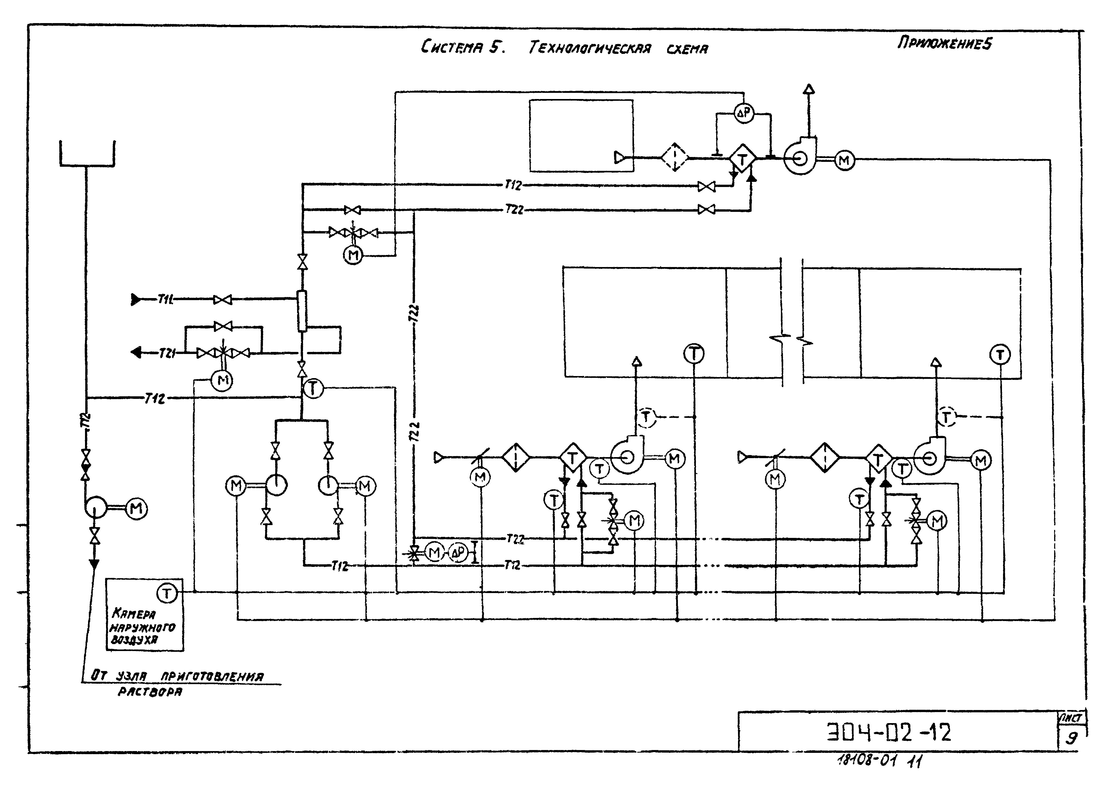
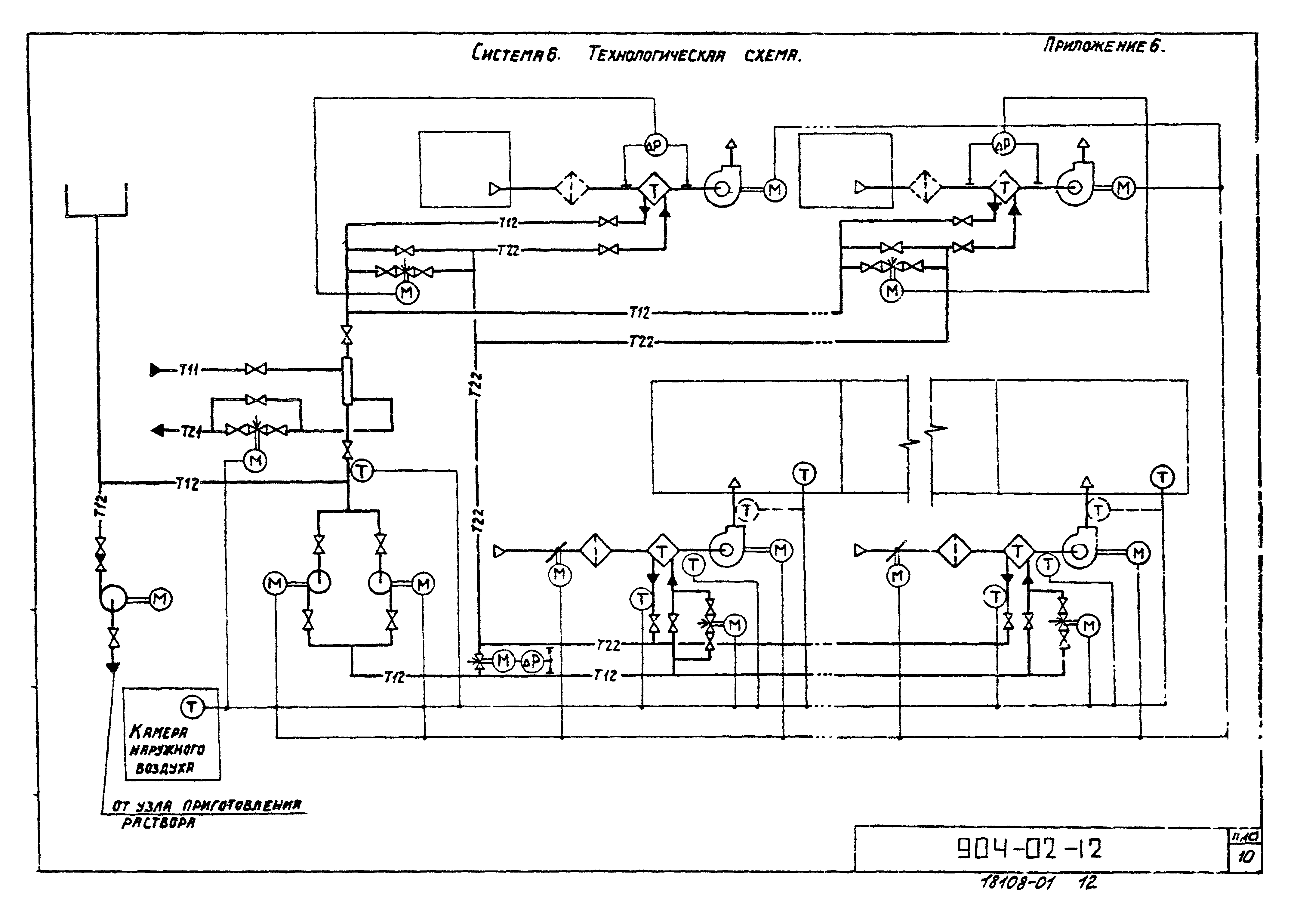
| Оглавление: | ТП 904-02-12 Исходные данные ТП 904-02-12 Основные решения ТП 904-02-12 Приложение 1. Система 1. Технологическая схема ТП 904-02-12 Приложение 2. Система 2. Технологическая схема ТП 904-02-12 Приложение 3. Система 3. Технологическая схема ТП 904-02-12 Приложение 4. Система 4. Технологическая схема ТП 904-02-12 Приложение 5. Система 5. Технологическая схема ТП 904-02-12 Приложение 6. Система 6. Технологическая схема ТП 904-02-12 Приложение 7. Пример компоновки приточной и вытяжной установок системы с теплоутилизаторами типа "вода-воздух" |
| Разработан: | Сантехпроект Госстроя СССР |
| Утверждён: | 23.12.1981 Главпромстройпроект Госстроя СССР (ВА-6) |













