Скачать Типовые проектные решения 904-02-22.86 Альбом I. Две системы приточной вентиляции производительностью от 10 тыс. куб. м/ч до 80 тыс. куб. м/ч с максимальной пропускной способностью регулирующего клапана до 100 т/ч, с ограничением количества наружного воздуха при температуре наружного воздуха ниже расчетной вентиляционной, с местным управлением и вариантом для дистанционного управленияДата актуализации: 01.01.2021
|
| Обозначение: | Типовые проектные решения 904-02-22.86 |
| Обозначение англ: | 904-02-22.86 |
| Статус: | справочные материалы, мп, тпр |
| Название рус.: | Альбом I. Две системы приточной вентиляции производительностью от 10 тыс. куб. м/ч до 80 тыс. куб. м/ч с максимальной пропускной способностью регулирующего клапана до 100 т/ч, с ограничением количества наружного воздуха при температуре наружного воздуха ниже расчетной вентиляционной, с местным управлением и вариантом для дистанционного управления |
| Дата добавления в базу: | 01.09.2013 |
| Дата актуализации: | 01.01.2021 |
| Дата окончания срока действия: | 16.01.1986 |
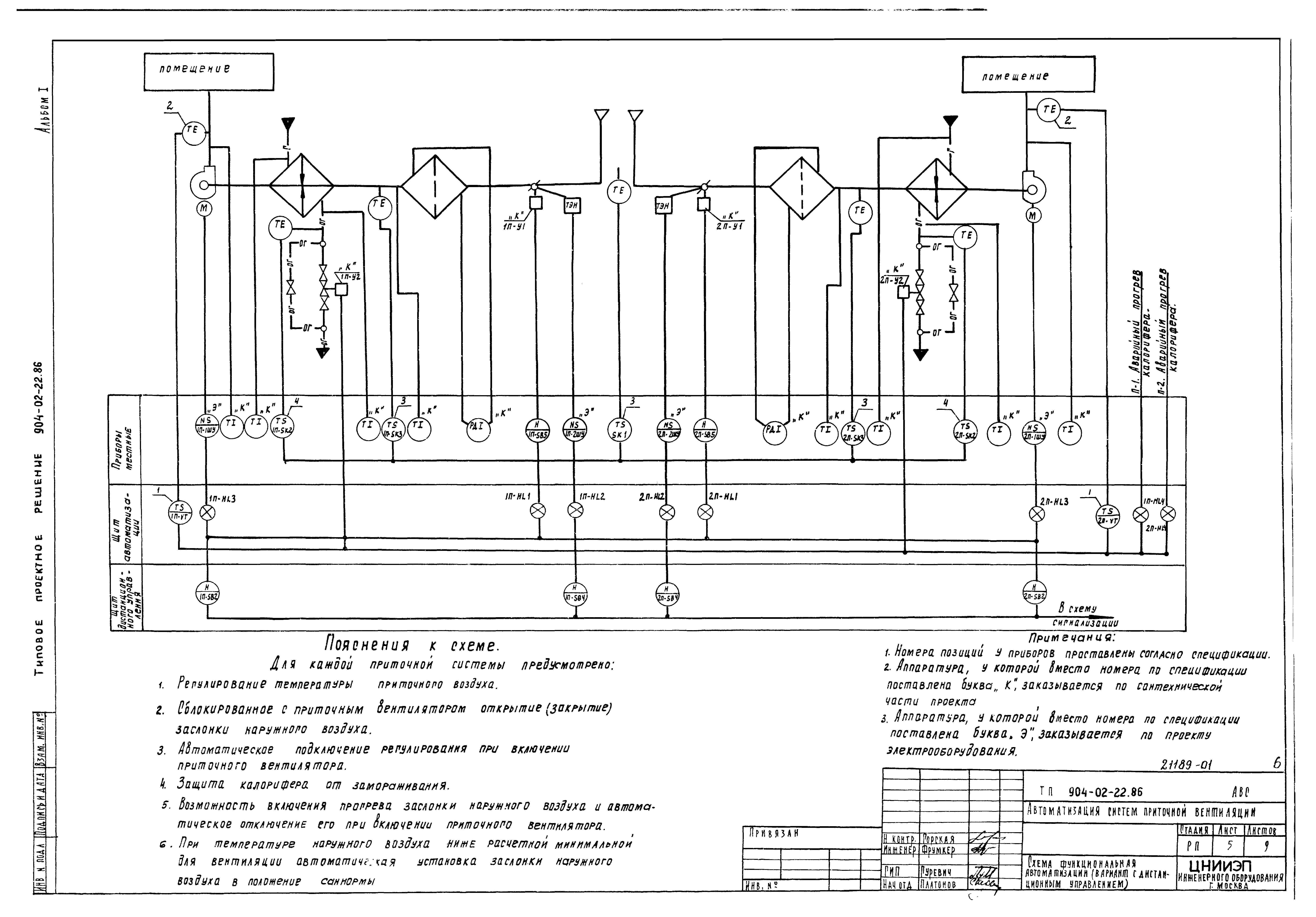
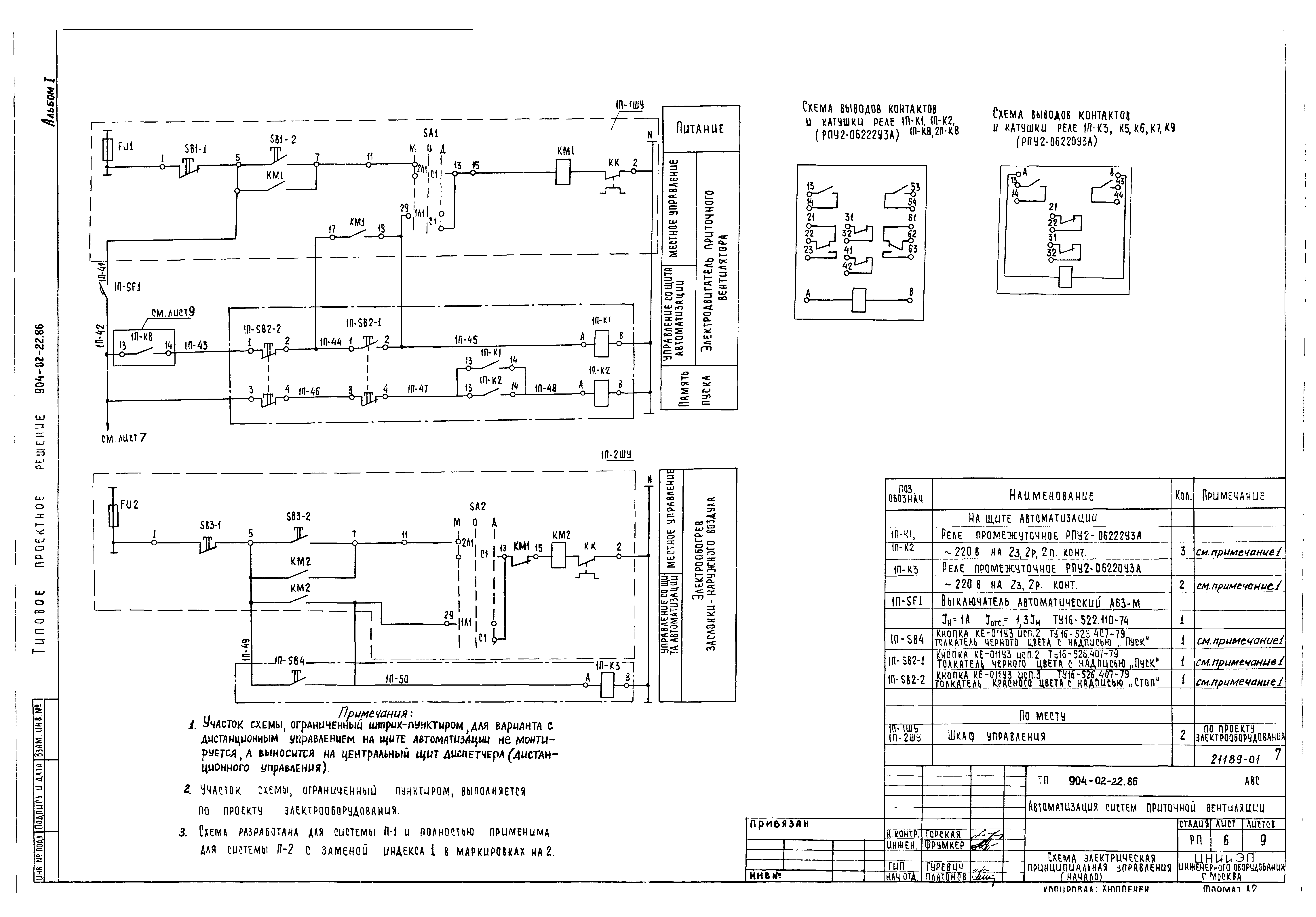
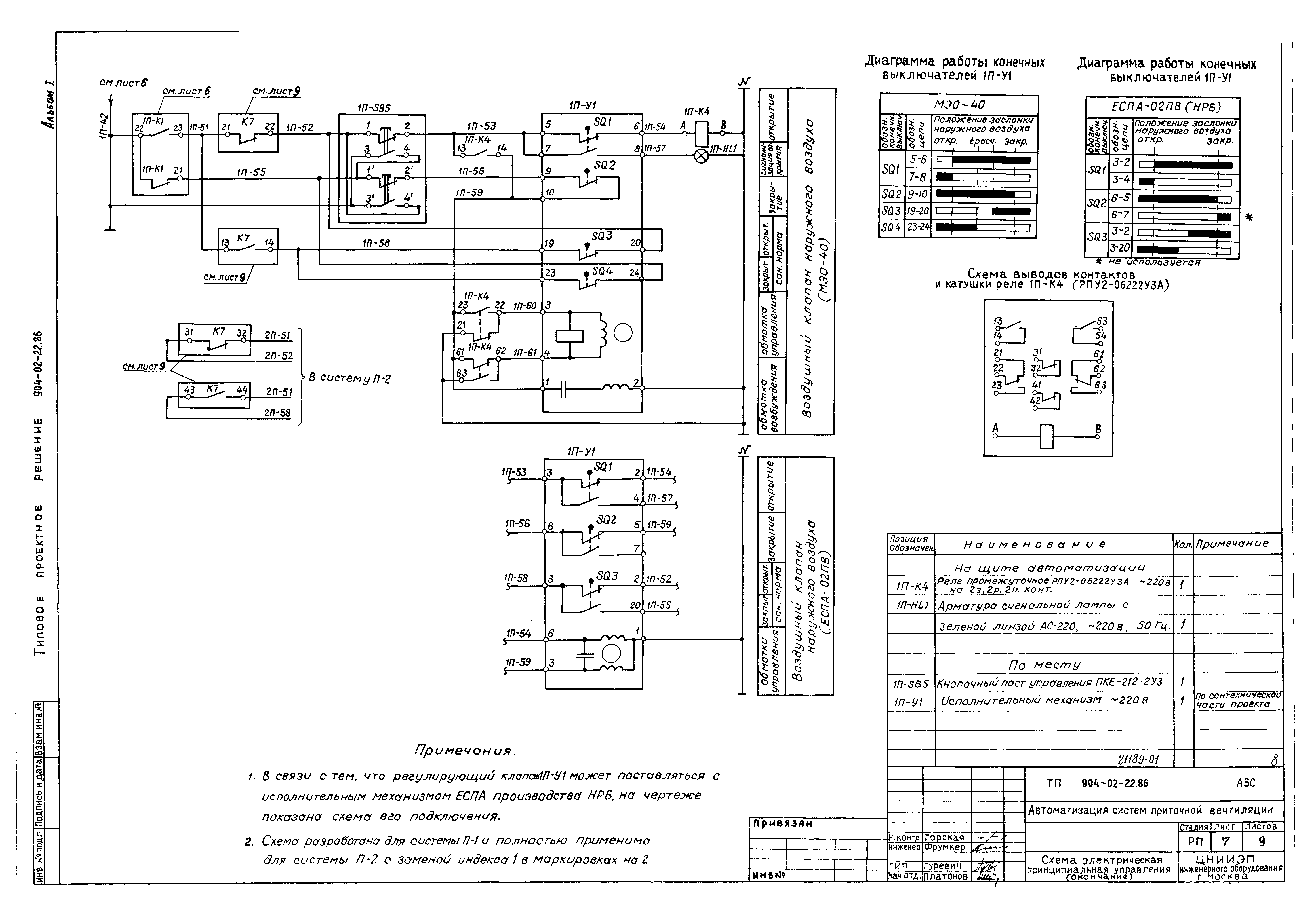
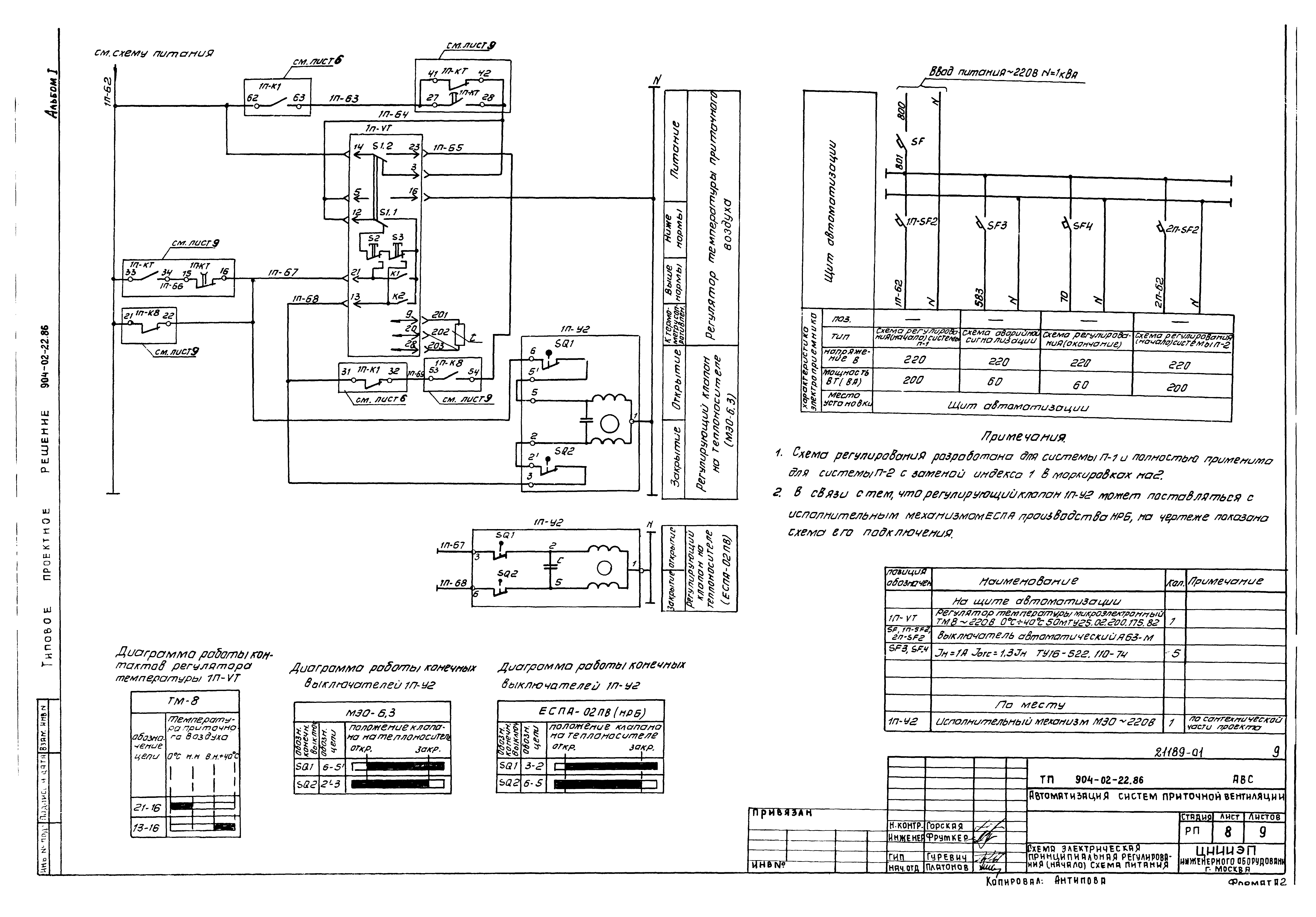
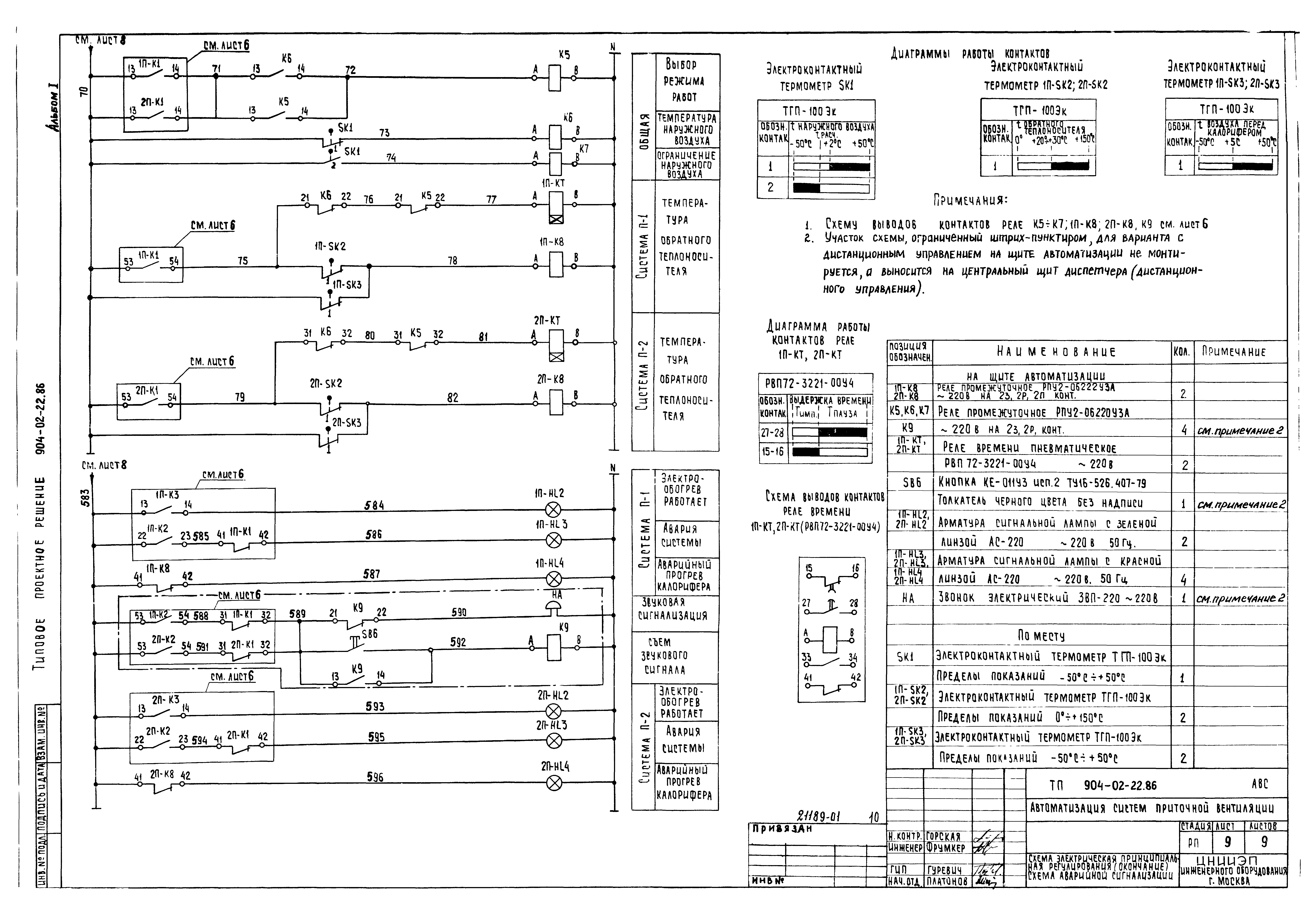
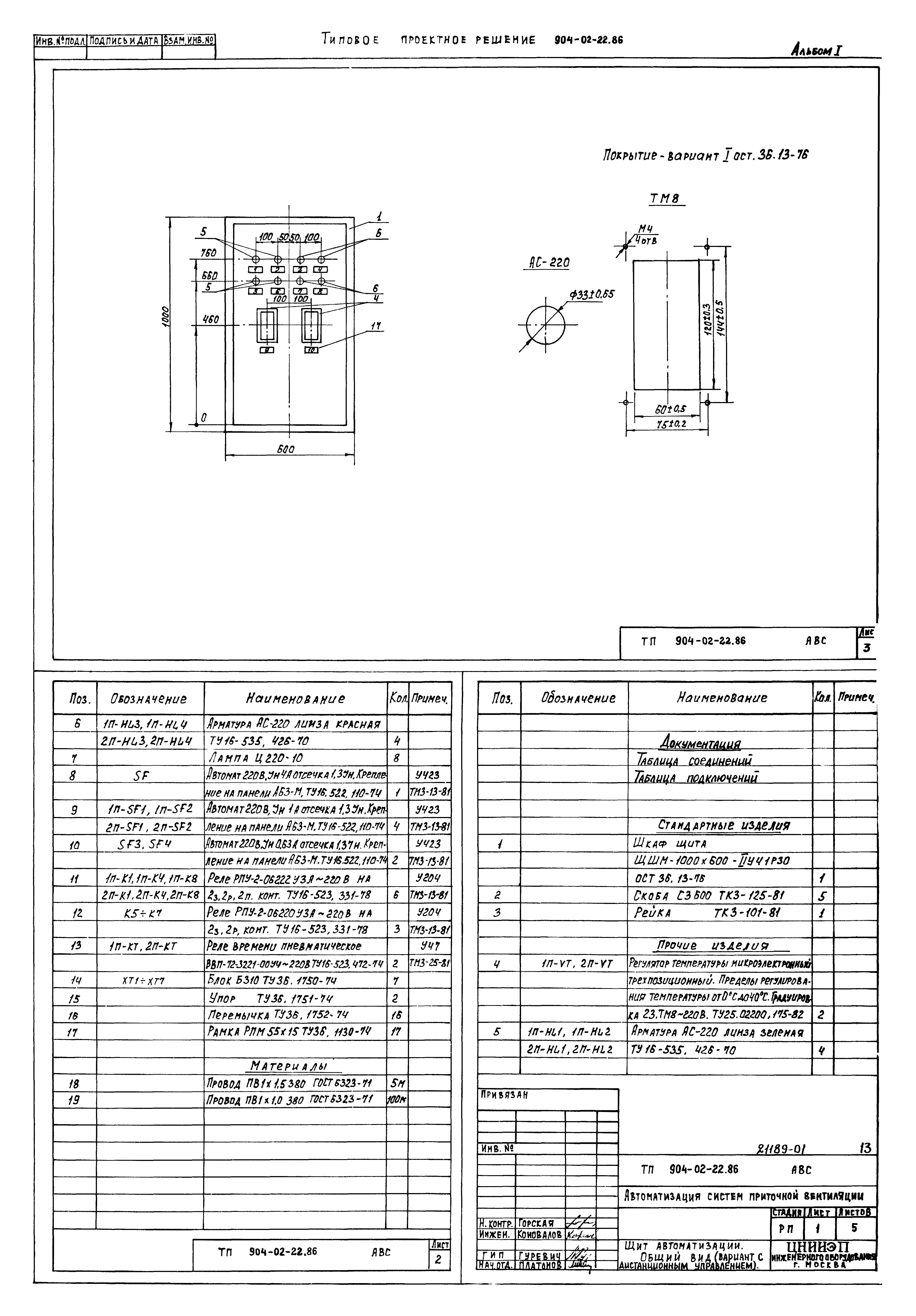
| Оглавление: | ТП 904-02-22.86-АВС-1 Общие данные ТП 904-02-22.86-АВС-2 Общие указания ТП 904-02-22.86-АВС-3 Спецификация оборудования и аппаратуры ТП 904-02-22.86-АВС-4 Схема функциональная автоматизации (вариант с местным управлением) ТП 904-02-22.86-АВС-5 Схема функциональная автоматизации (вариант с дистанционным управлением) ТП 904-02-22.86-АВС-6 Схема электрическая принципиальная управления (начало) ТП 904-02-22.86-АВС-7 Схема электрическая принципиальная управления (окончание) ТП 904-02-22.86-АВС-8 Схема электрическая принципиальная регулирования (начало). Схема питания ТП 904-02-22.86-АВС-9 Схема электрическая принципиальная регулирования (окончание). Схема аварийной сигнализации ТП 904-02-22.86-АВС Прилагаемые документы ТП 904-02-22.86-АВС Щит автоматизации. Общий вид (вариант с местным управлением) ТП 904-02-22.86-АВС Щит автоматизации. Общий вид (вариант с дистанционным управлением) |
| Разработан: | ЦНИИЭП |
| Утверждён: | 07.01.1986 Госгражданстрой (Gosgrazhdanstroy 9) |















