Скачать Типовой проект 902-3-2 Альбом I. Технологическая и строительная части, нестандартизированное оборудование, заказные спецификацииДата актуализации: 01.01.2021
|
| Обозначение: | Типовой проект 902-3-2 |
| Обозначение англ: | 902-3-2 |
| Статус: | действует |
| Название рус.: | Альбом I. Технологическая и строительная части, нестандартизированное оборудование, заказные спецификации |
| Дата добавления в базу: | 01.09.2013 |
| Дата актуализации: | 01.01.2021 |
| Дата введения: | 30.11.1979 |
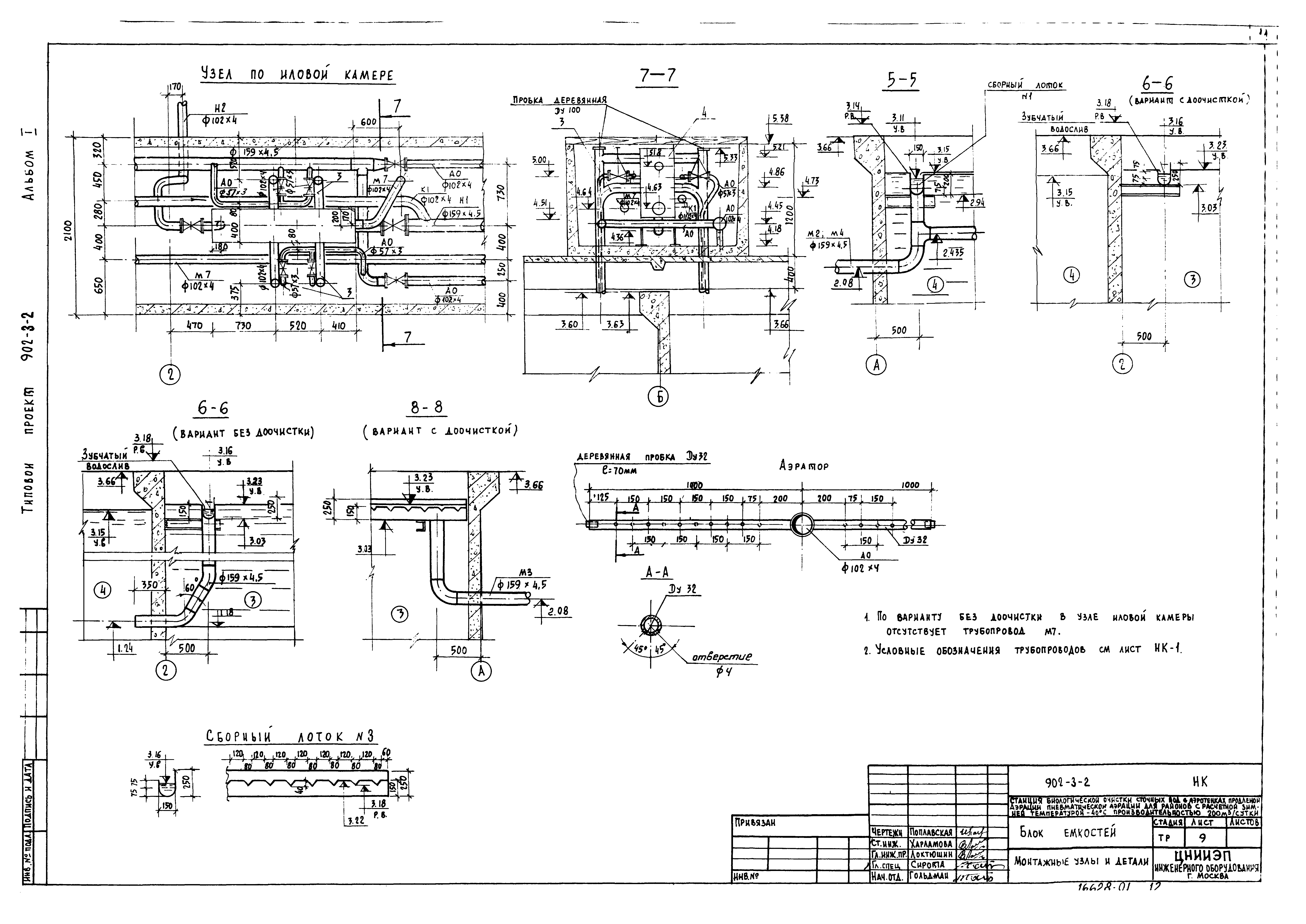
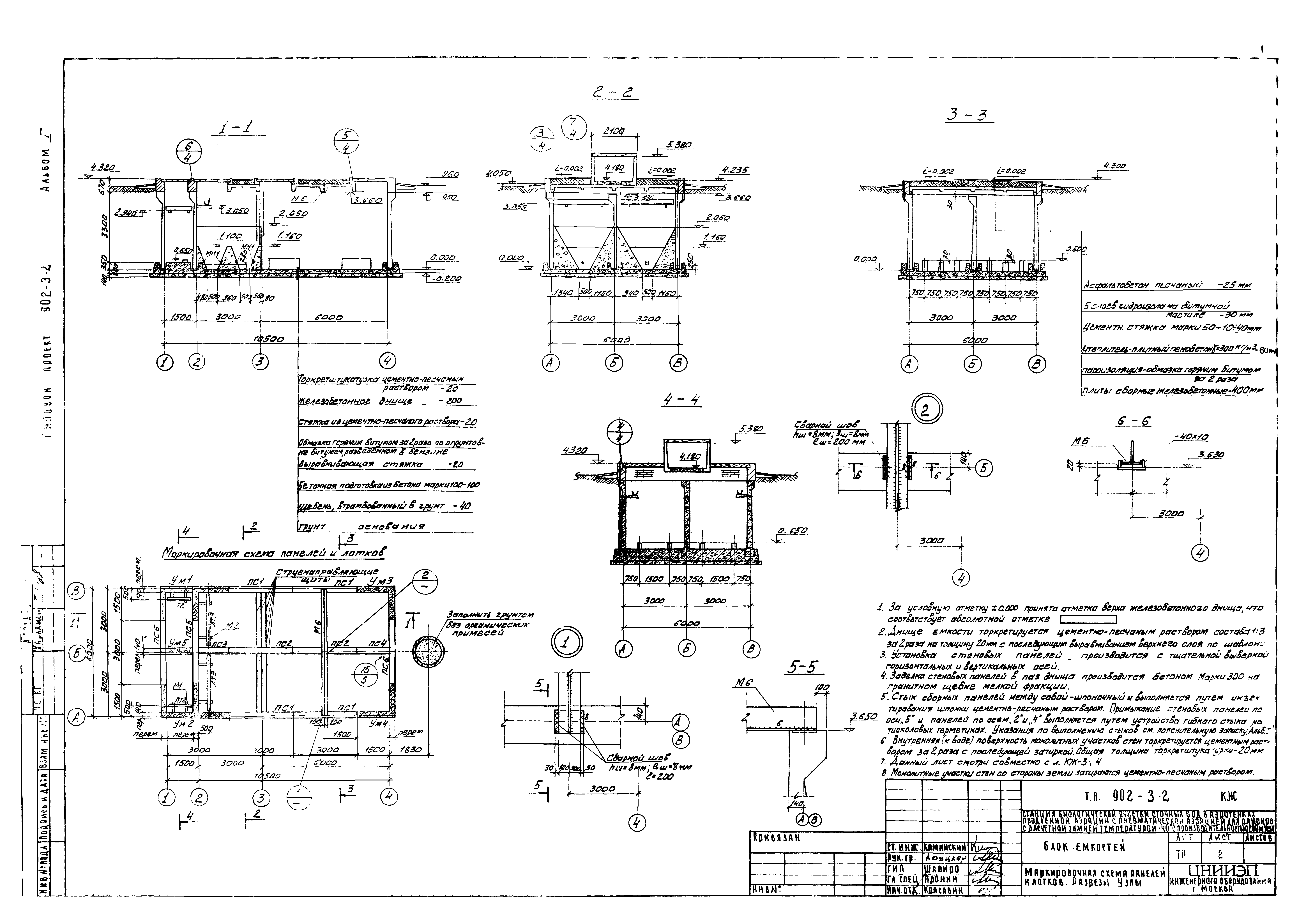
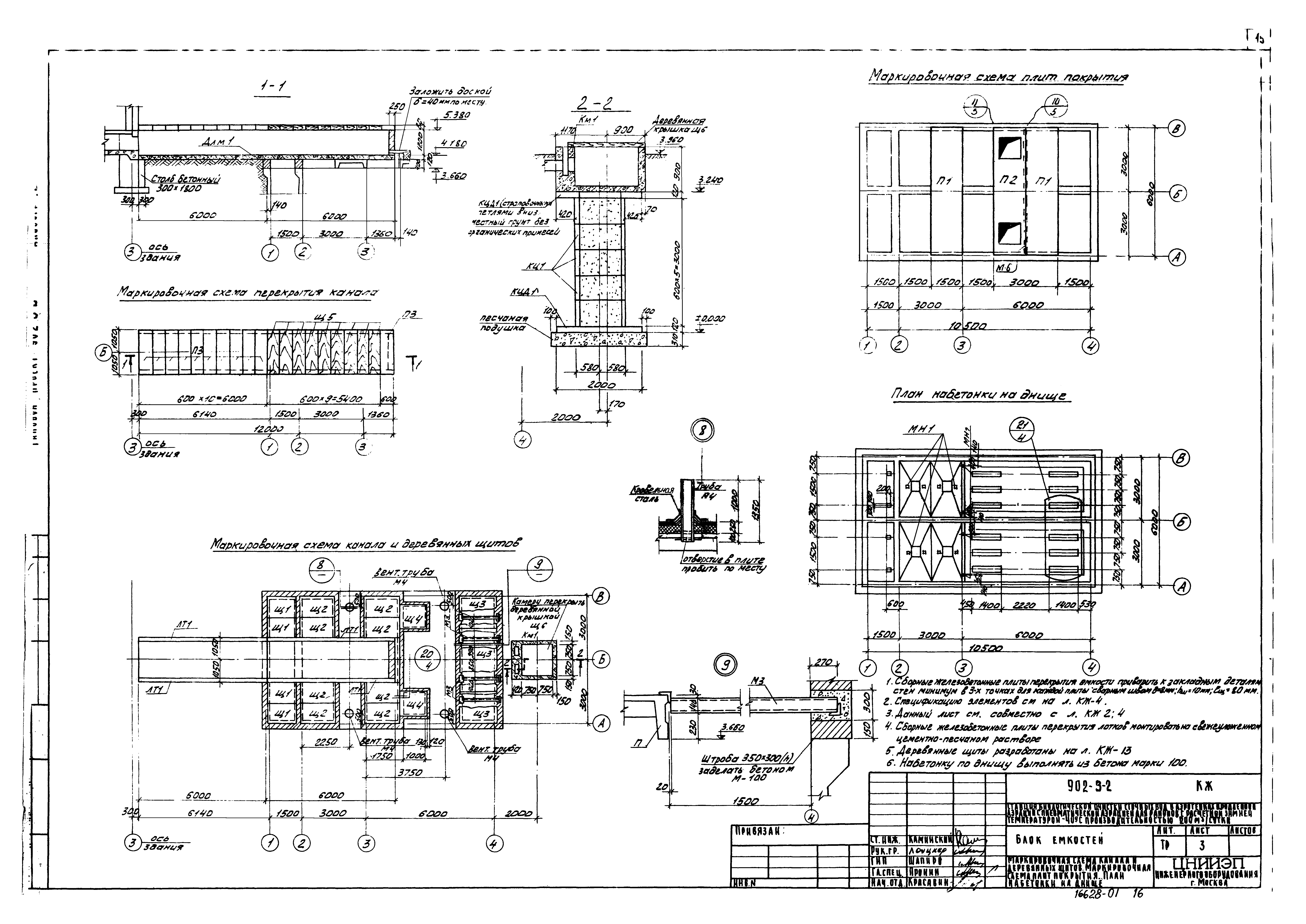
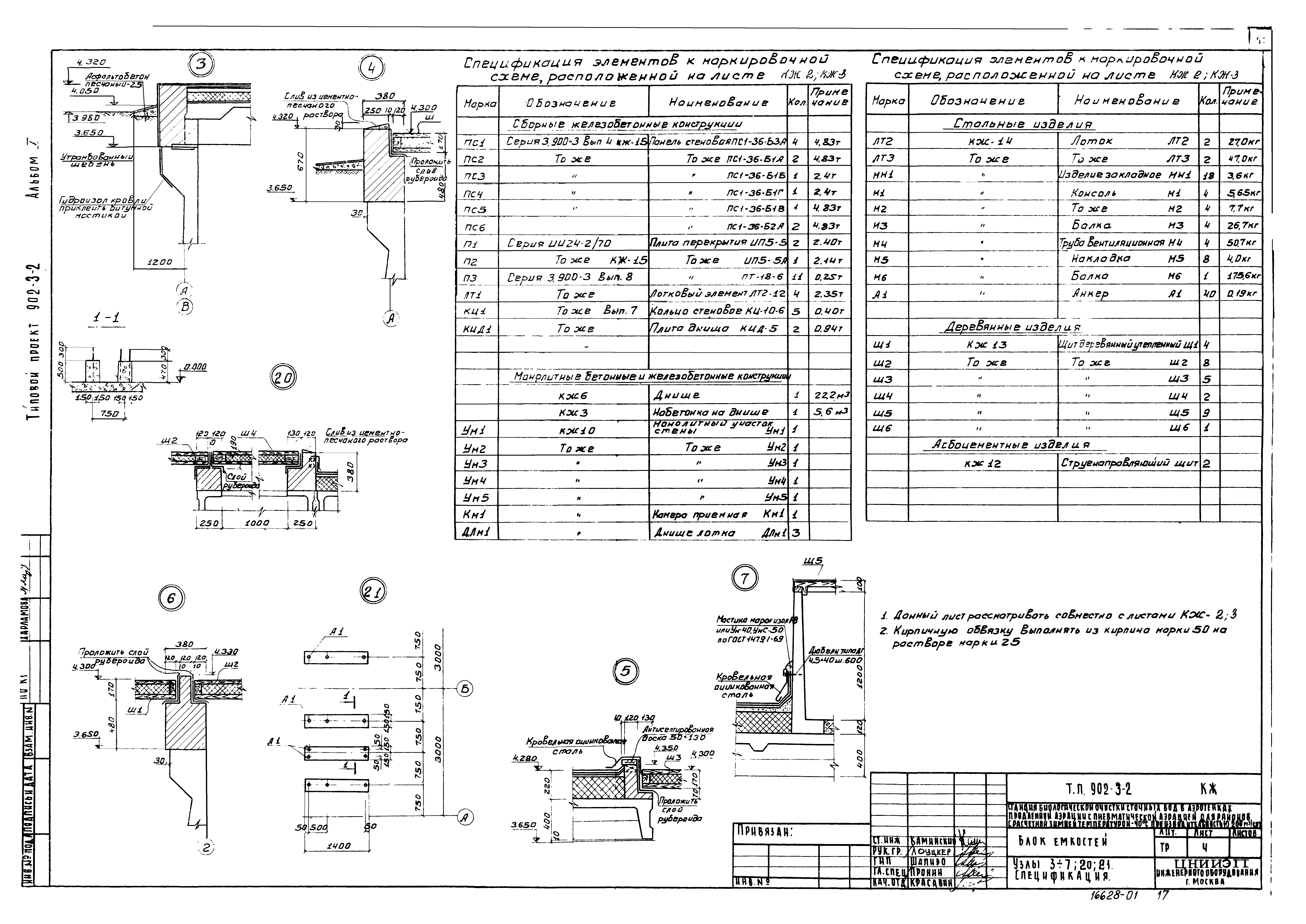
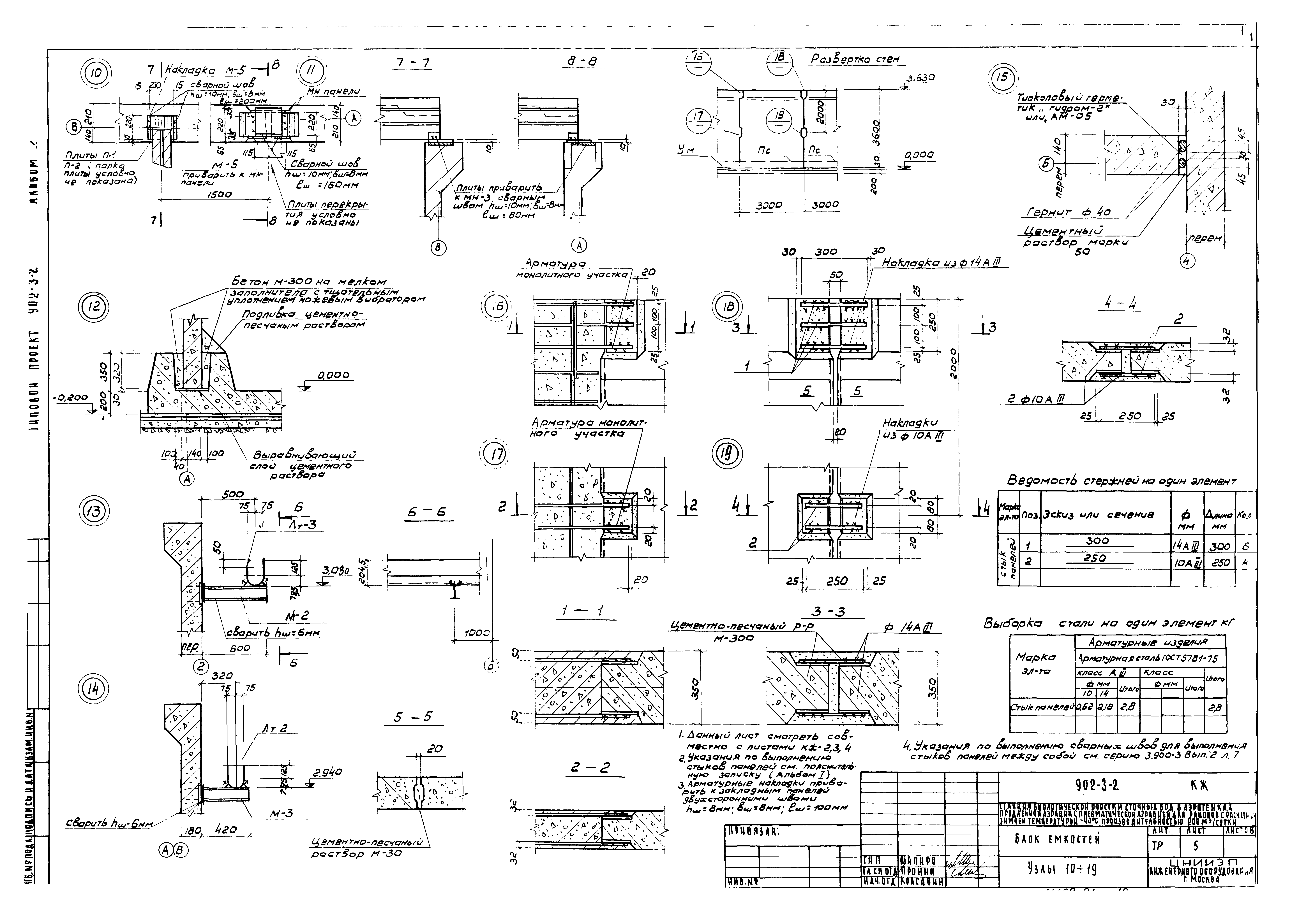
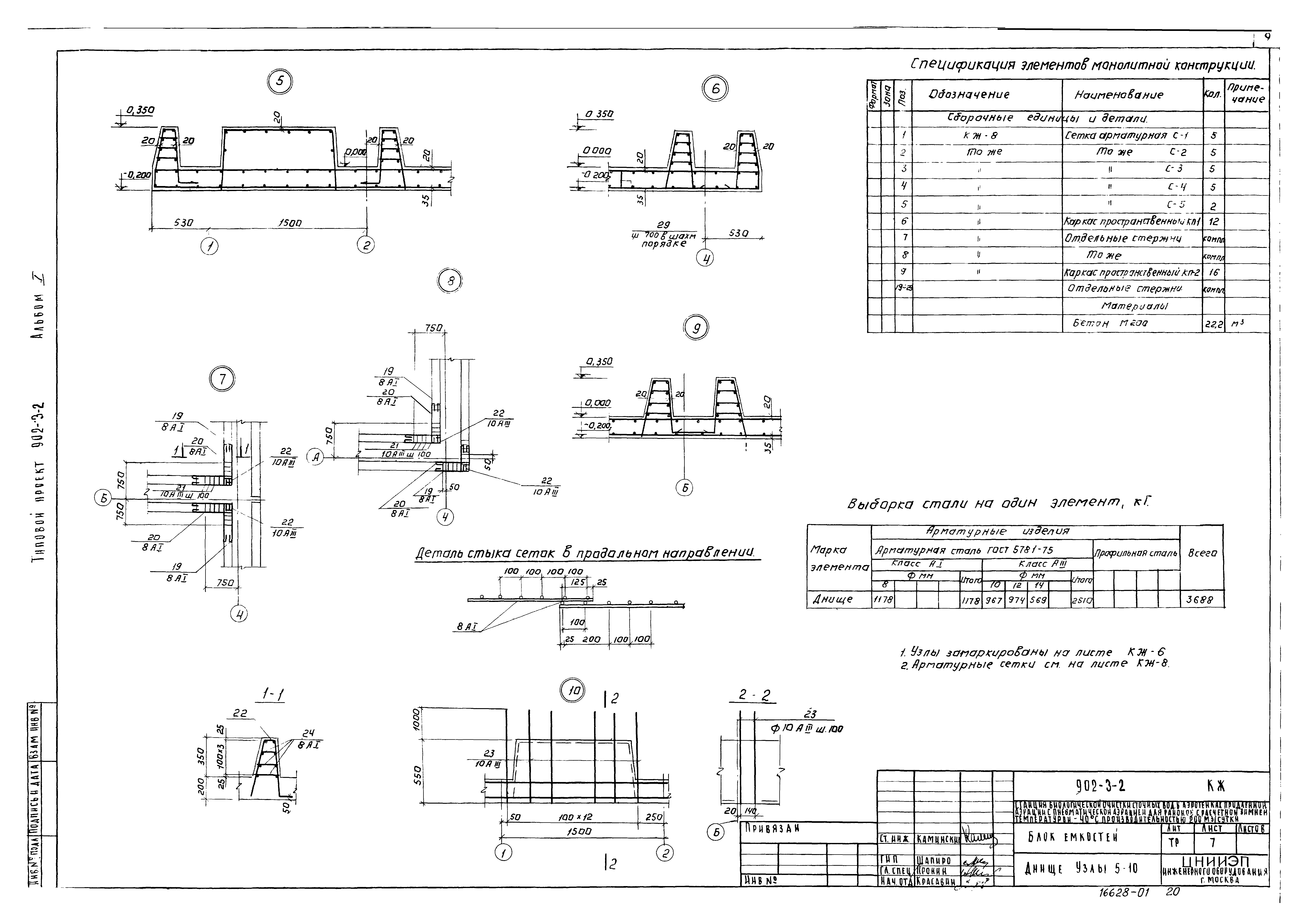
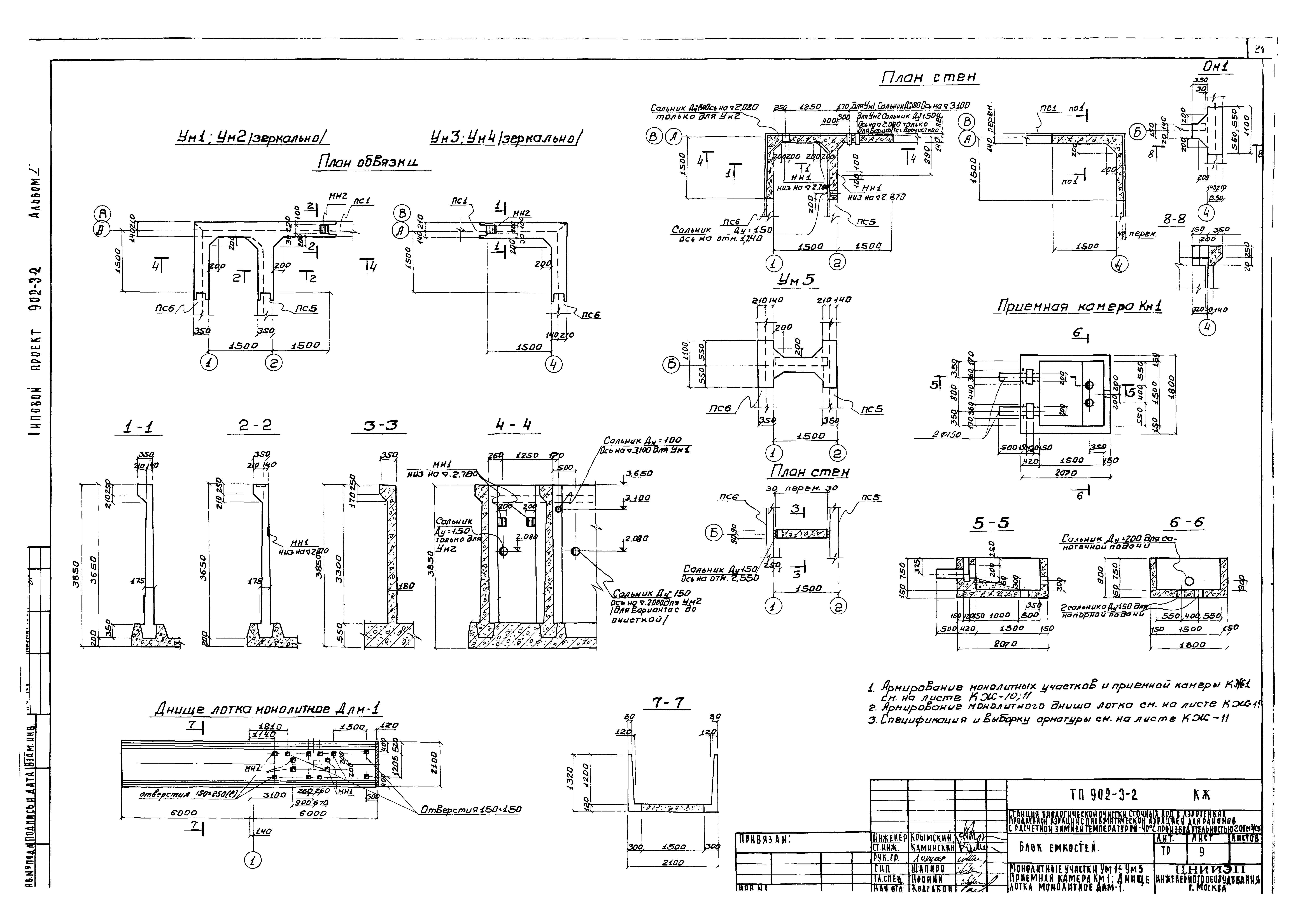
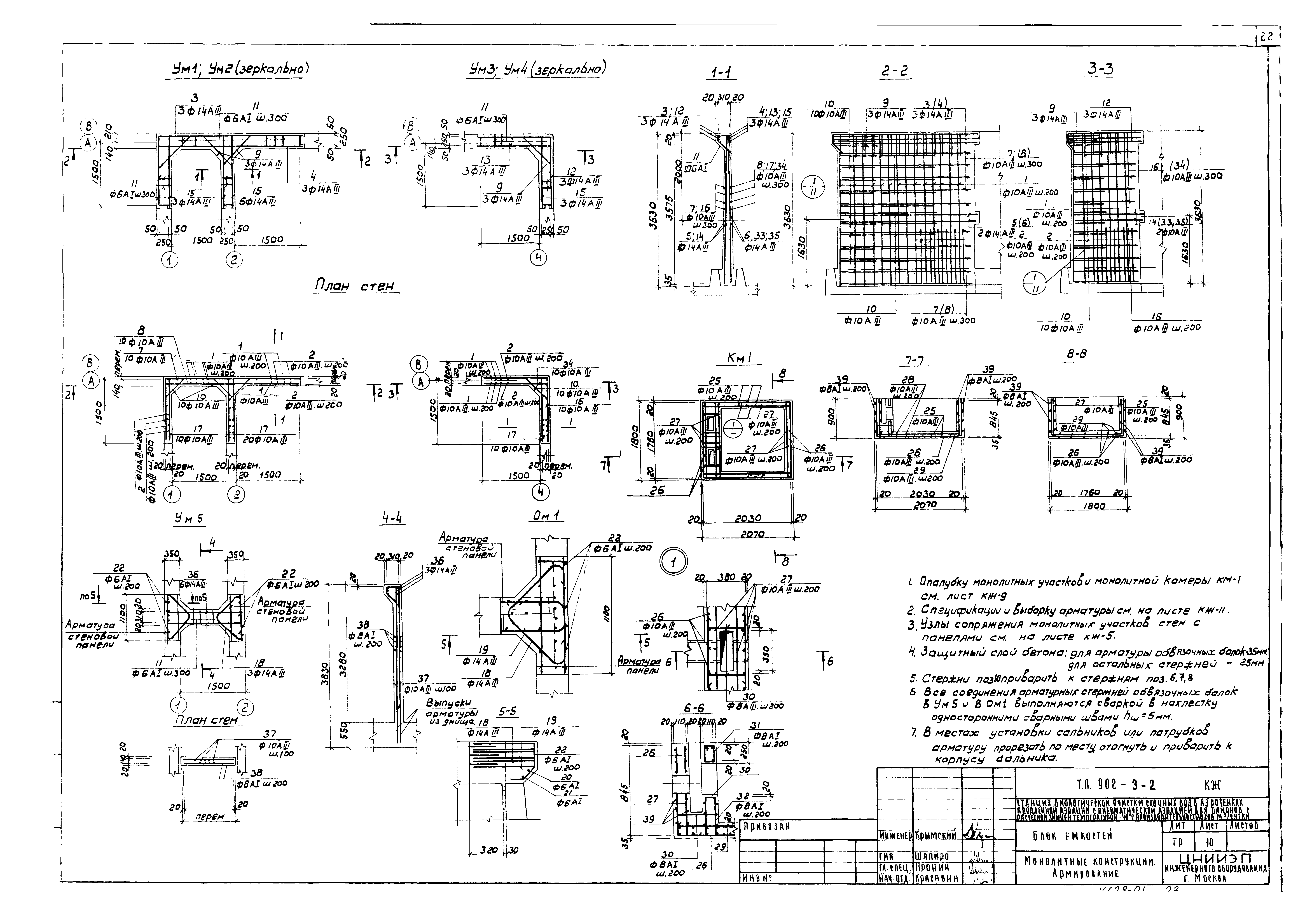
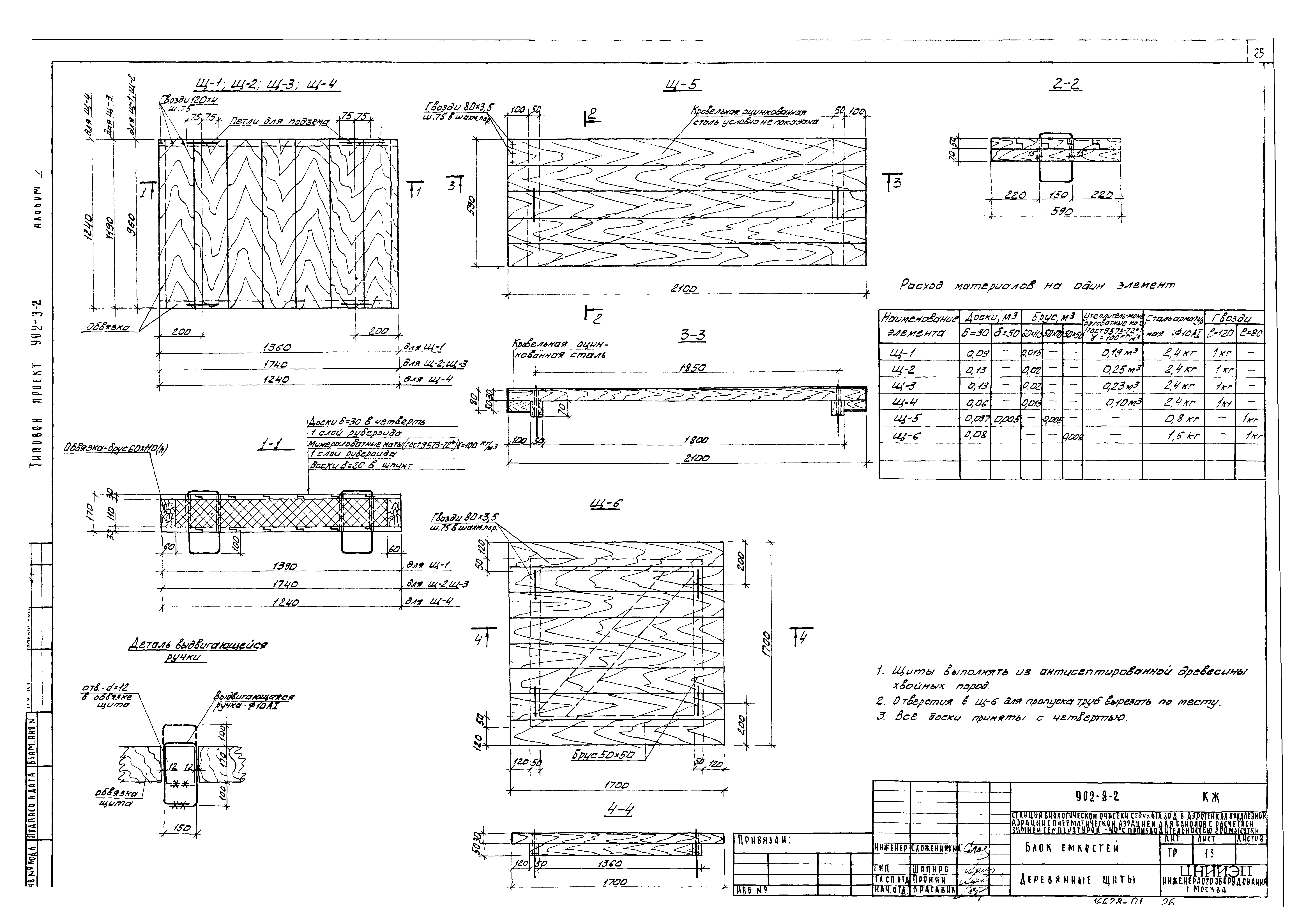
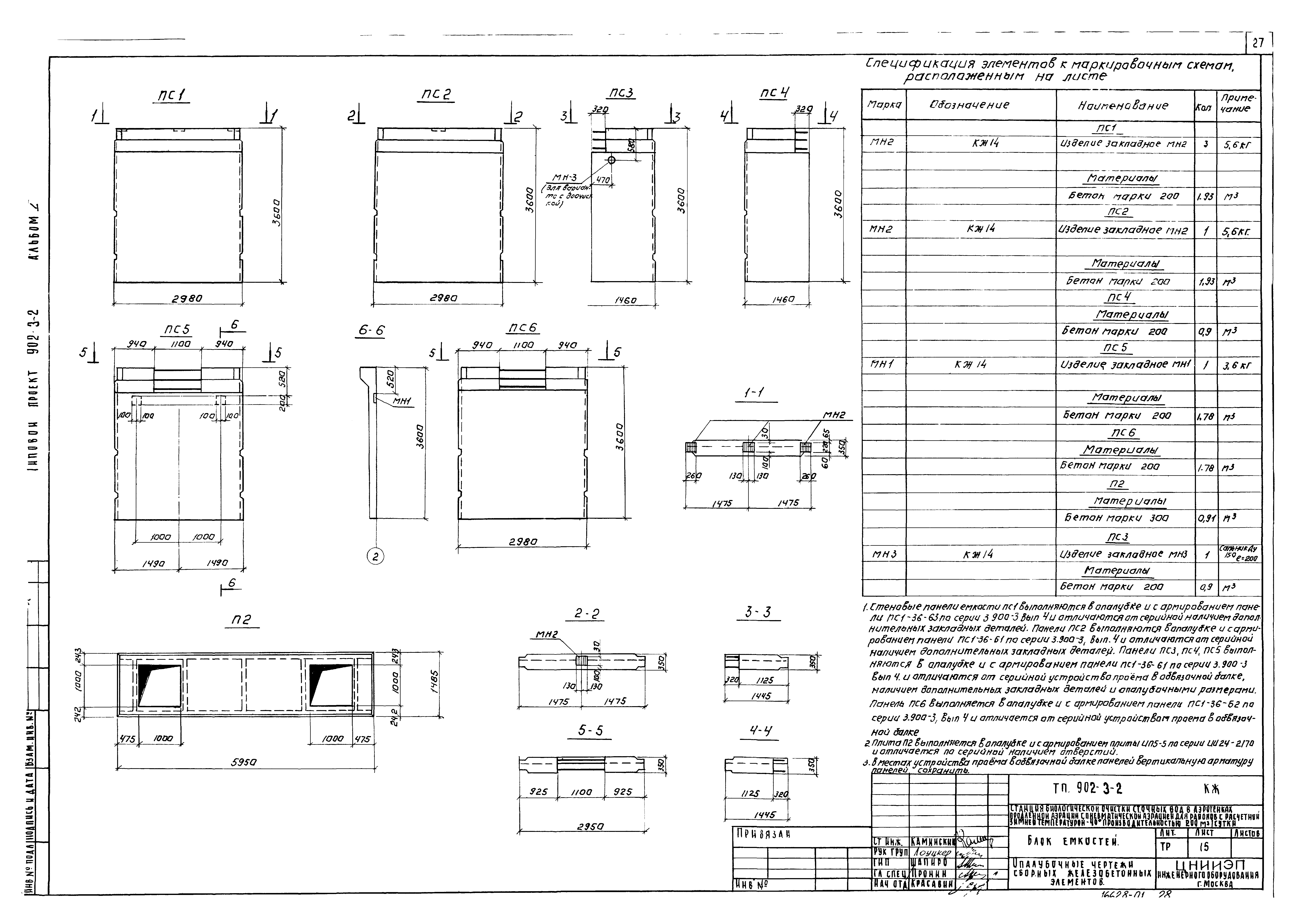
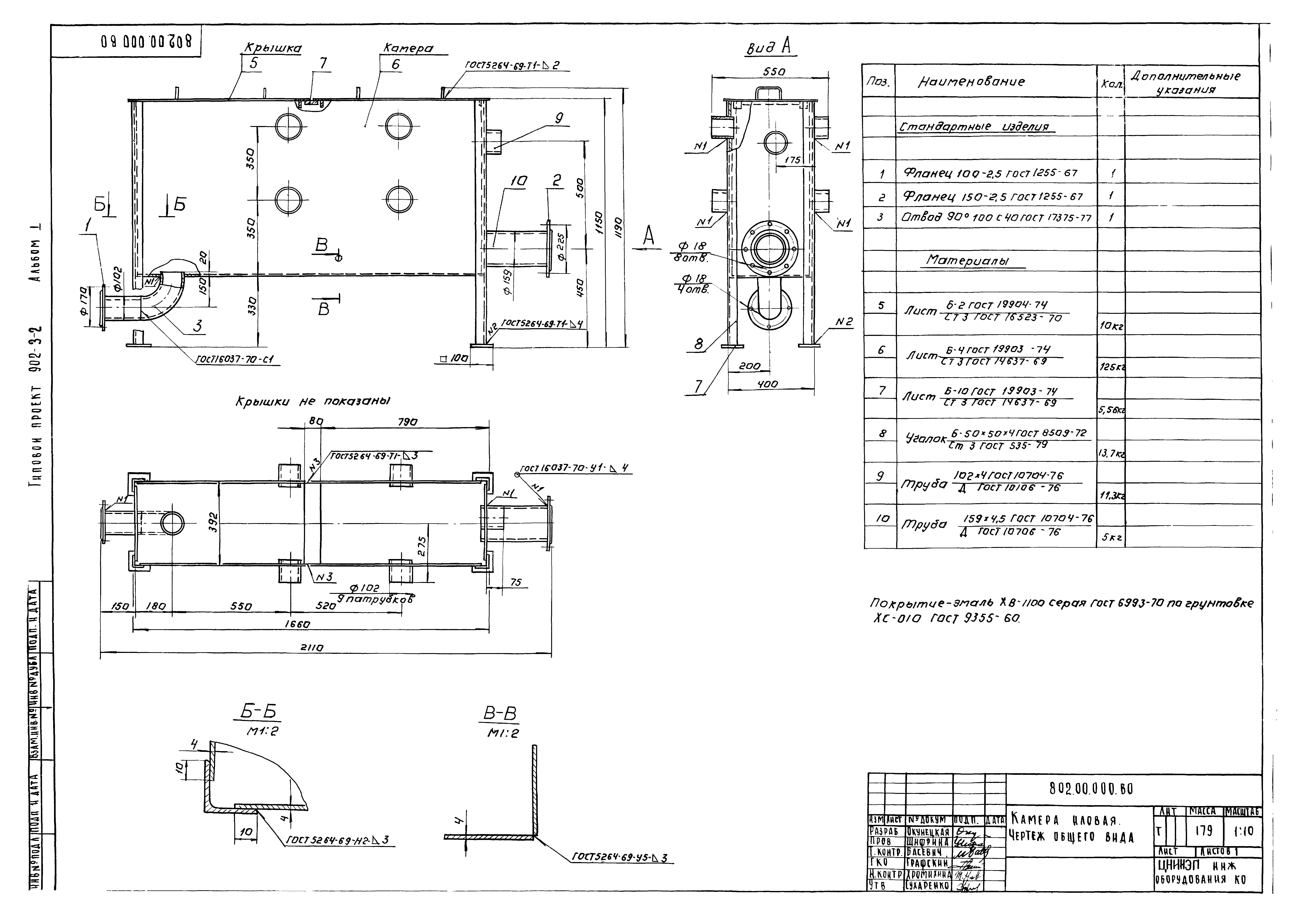
| Оглавление: | ТП 902-3-2 Содержание альбома ТП 902-3-2-НК Технологическая часть ТП 902-3-2-НК-1 Общие данные ТП 902-3-2-НК-2 Общие данные. Сводная спецификация ТП 902-3-2-НК-3 Вариант без доочистки. План. Экспликация оборудования ТП 902-3-2-НК-4 Вариант без доочистки. Разрез 1-1. Спецификация ТП 902-3-2-НК-5 Вариант без доочистки. Разрез 2-2,3-3,4-4 ТП 902-3-2-НК-6 Вариант с доочисткой. План. Экспликация оборудования ТП 902-3-2-НК-7 Вариант с доочисткой. Разрез 1-1. Спецификация ТП 902-3-2-НК-8 Вариант с доочисткой. Разрез 2-2,3-3,4-4 ТП 902-3-2-НК-9 Монтажные узлы и детали ТП 902-3-2-НК-10 Вставка. Спецификация ТП 902-3-2-КЖ Конструкции железобетонные ТП 902-3-2-КЖ-1 Общие данные ТП 902-3-2-КЖ-2 Маркировочная схема панелей и лотков. Разрезы. Узлы ТП 902-3-2-КЖ-3 Маркировочная схема канала и деревянных щитов. Маркировочная схема плит покрытия. План набетонки на днище ТП 902-3-2-КЖ-4 Узлы 3-7,20,21. Спецификация ТП 902-3-2-КЖ-5 Узлы 10-19 ТП 902-3-2-КЖ-6 Днище. Опалубка, разрезы. Узлы. План раскладки каркасов. План раскладки верхних и нижних сеток ТП 902-3-2-КЖ-7 Днище. Узлы 5-10 ТП 902-3-2-КЖ-8 Днище. Арматурные изделия ТП 902-3-2-КЖ-9 Монолитные участки УМ1-УМ5. Приемная камера КМ1. Днище лотка монолитное ДАМ1 ТП 902-3-2-КЖ-10 Монолитные конструкции. Армирование ТП 902-3-2-КЖ-11 Монолитные конструкции. Армирование. Спецификация ТП 902-3-2-КЖ-12 Струенаправляющие щиты. Разрезы. Узлы. Спецификация ТП 902-3-2-КЖ-13 Деревянные щиты ТП 902-3-2-КЖ-14 Металлические марки ТП 902-3-2-КЖ-15 Опалубочные чертежи сборных железобетонных элементов ТП 902-3-2-КЖ-16 3-х метровая вставка ТП 902-3-2 Нестандартизированное оборудование ТП 902-3-2-809.00.000.ВО Лоток с ручной решеткой ТП 902-3-2-803.00.000.ВО Эрлифт ТП 902-3-2-802.00.000.ВО Камера иловая ТП 902-3-2 Заказные спецификации ТП 902-3-2-НК-С1 Заказная спецификация на насосное оборудование ТП 902-3-2-НК-С2 Заказная спецификация на нестандартизированное оборудование ТП 902-3-2-НК-С3 Заказная спецификация на материалы ТП 902-3-2-НК-С4 Заказная спецификация на арматуру ТП 902-3-2-ЭЛ-С1 Заказная спецификация на электрооборудование |
| Разработан: | ЦНИИЭП |
| Утверждён: | 06.08.1979 Госгражданстрой (Gosgrazhdanstroy 173) |





































