Скачать Типовой проект 505-12/70 Альбом II. СметыДата актуализации: 01.01.2021
|
| Обозначение: | Типовой проект 505-12/70 |
| Обозначение англ: | 505-12/70 |
| Статус: | действует |
| Название рус.: | Альбом II. Сметы |
| Дата добавления в базу: | 01.09.2013 |
| Дата актуализации: | 01.01.2021 |
| Дата введения: | 01.05.1971 |
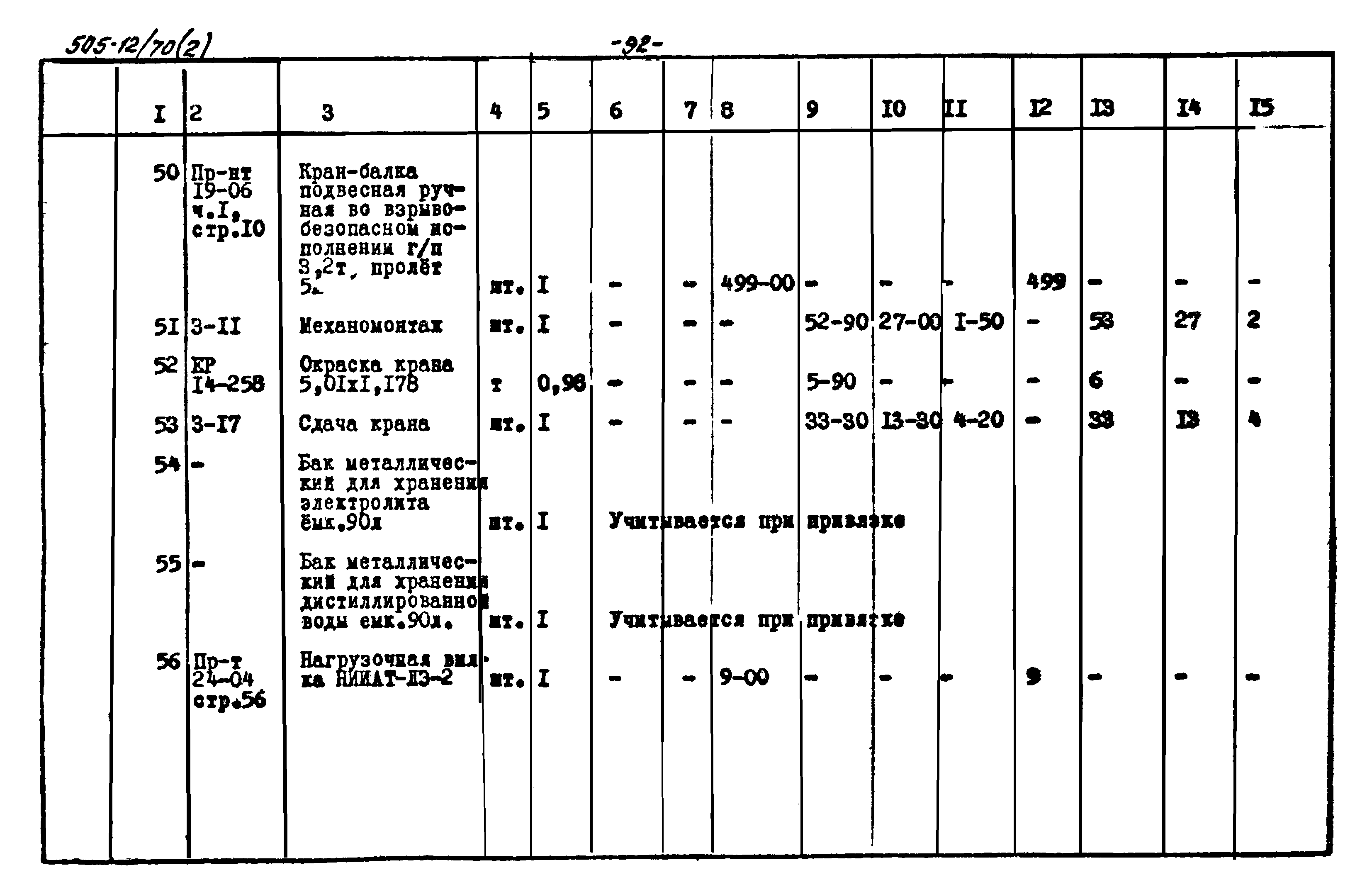
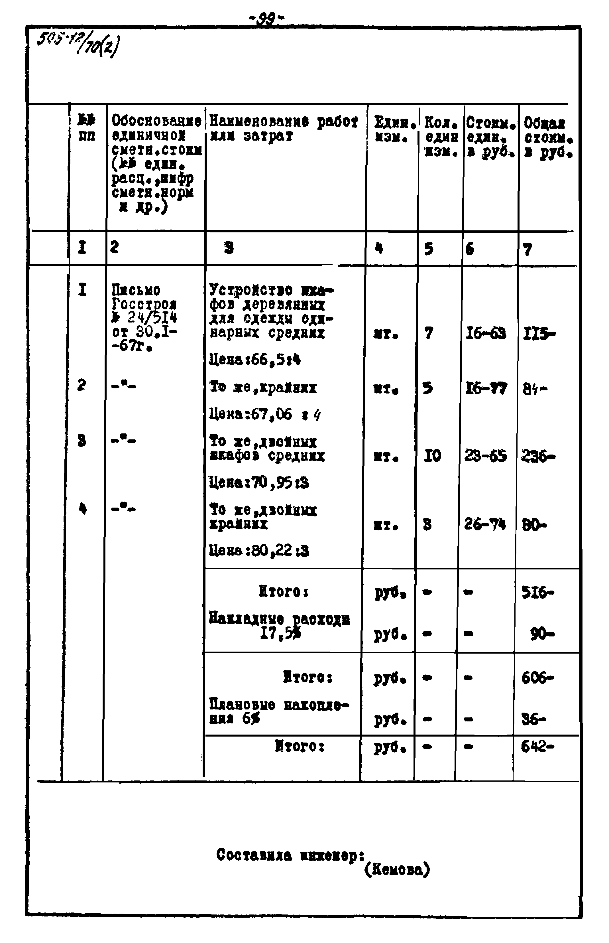
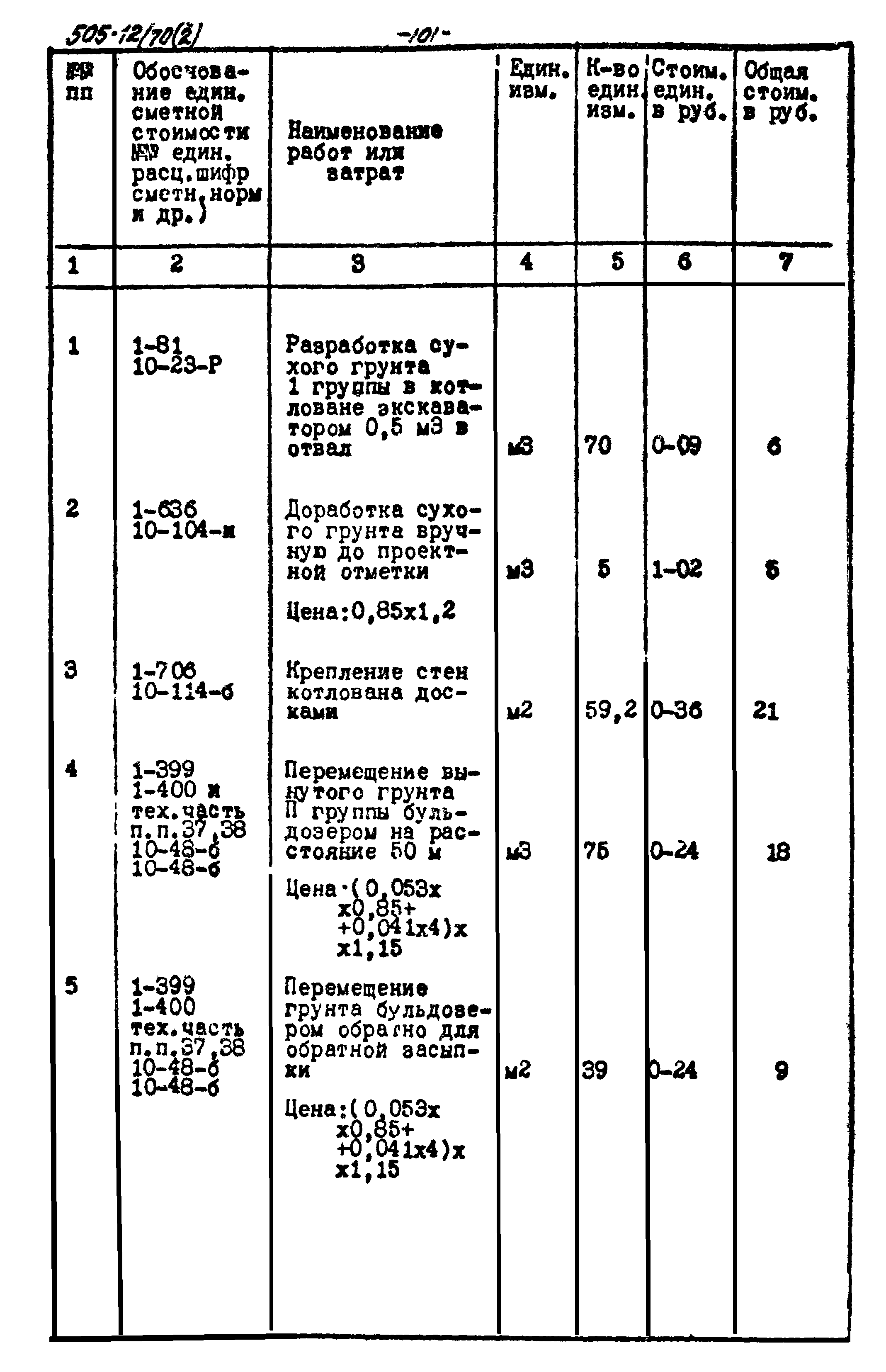
| Оглавление: | ТП 505-12/70 Пояснительная записка ТП 505-12/70 Объектная смета ТП 505-12/70 Смета № 1. Общестроительные работы ТП 505-12/70 Смета № 2. Внутренний водопровод холодный ТП 505-12/70 Смета № 3. Внутренний водопровод горячий ТП 505-12/70 Смета № 4. Внутренняя канализация ТП 505-12/70 Смета № 5. Отопление ТП 505-12/70 Смета № 6. Вентиляция ТП 505-12/70 Смета № 7. Электроосвещение ТП 505-12/70 Смета № 8. Слаботочные устройства ТП 505-12/70 Смета № 9. Силовое электрооборудование ТП 505-12/70 Смета № 10. Технологическое оборудование ТП 505-12/70 Смета № 11. Промпроводки сжатого воздуха, электролита и дистиллированной воды ТП 505-12/70 Смета № 12. Шкафы гардеробов ТП 505-12/70 Смета № 13. Грязеотстойник ТП 505-12/70 Смета № 14. Бензомаслоуловитель ТП 505-12/70 Смета № 3-а. Горячее водоснабжение с местным подогревателем (вариант) ТП 505-12/70 Смета № 15. Ж.д. эстакада для мойки автопогрузчиков (вариантов) ТП 505-12/70 Выборка трудовых затрат и материалов |
| Разработан: | Ленгипроречтранс |
| Утверждён: | 01.04.1971 Министерство речного флота РСФСР |
| Издан: | Минский филиал ЦИТП (1974 г. ) |
























































































































