Скачать Типовой проект 902-1-68.83 Альбом II. Архитектурно-строительные решенияДата актуализации: 01.01.2021
|
| Обозначение: | Типовой проект 902-1-68.83 |
| Обозначение англ: | 902-1-68.83 |
| Статус: | действует |
| Название рус.: | Альбом II. Архитектурно-строительные решения |
| Дата добавления в базу: | 01.09.2013 |
| Дата актуализации: | 01.01.2021 |
| Дата введения: | 20.12.1982 |
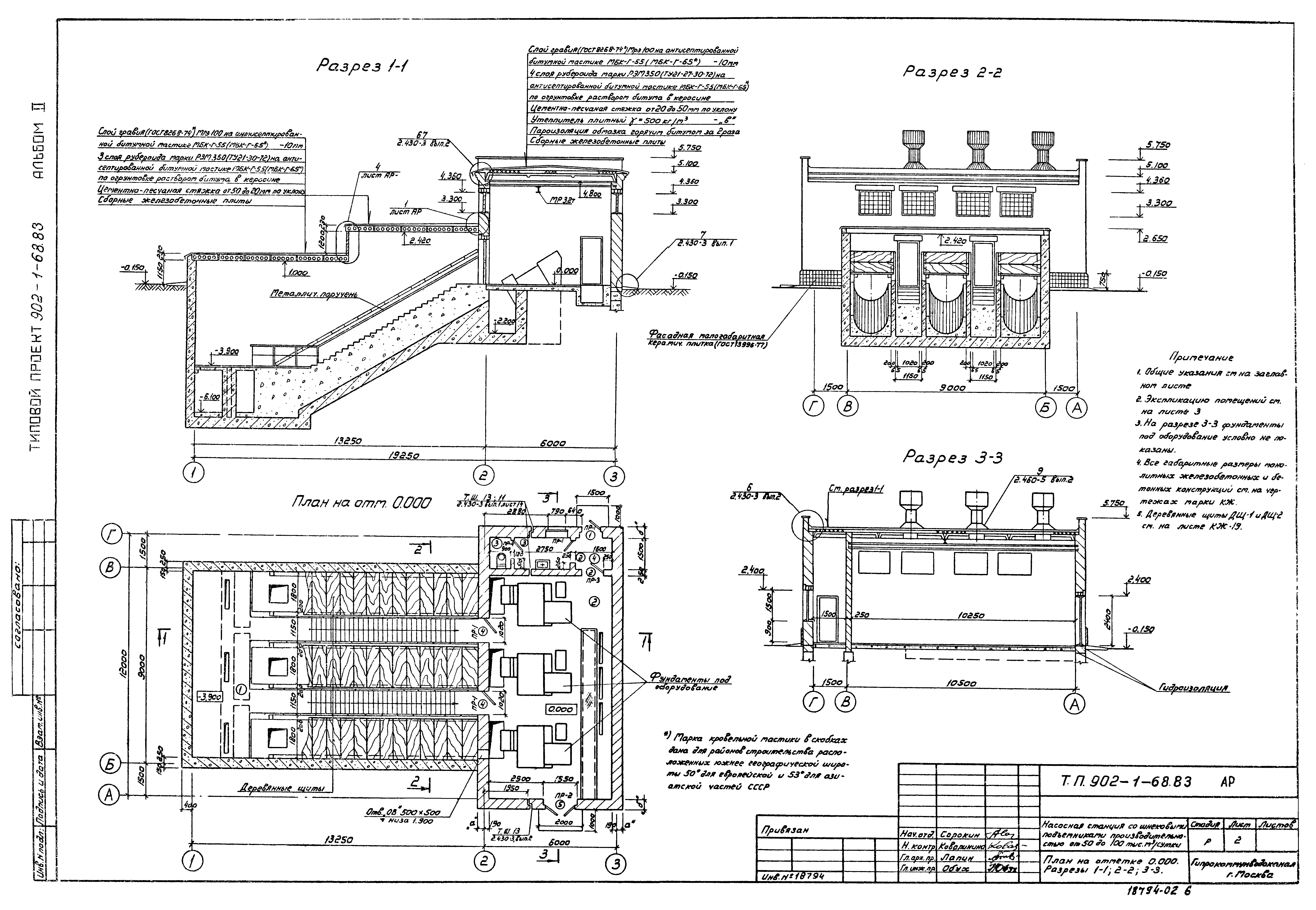
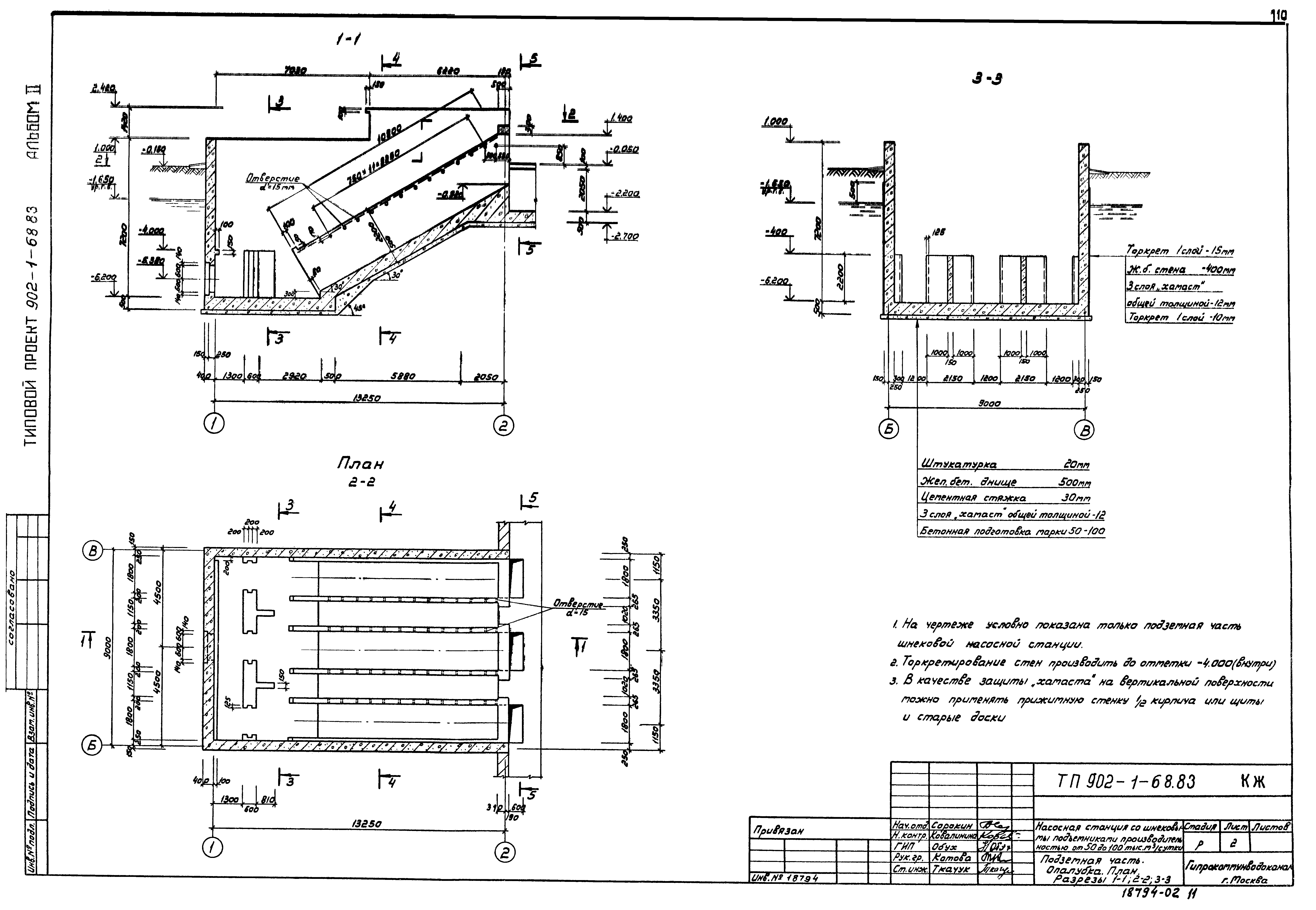
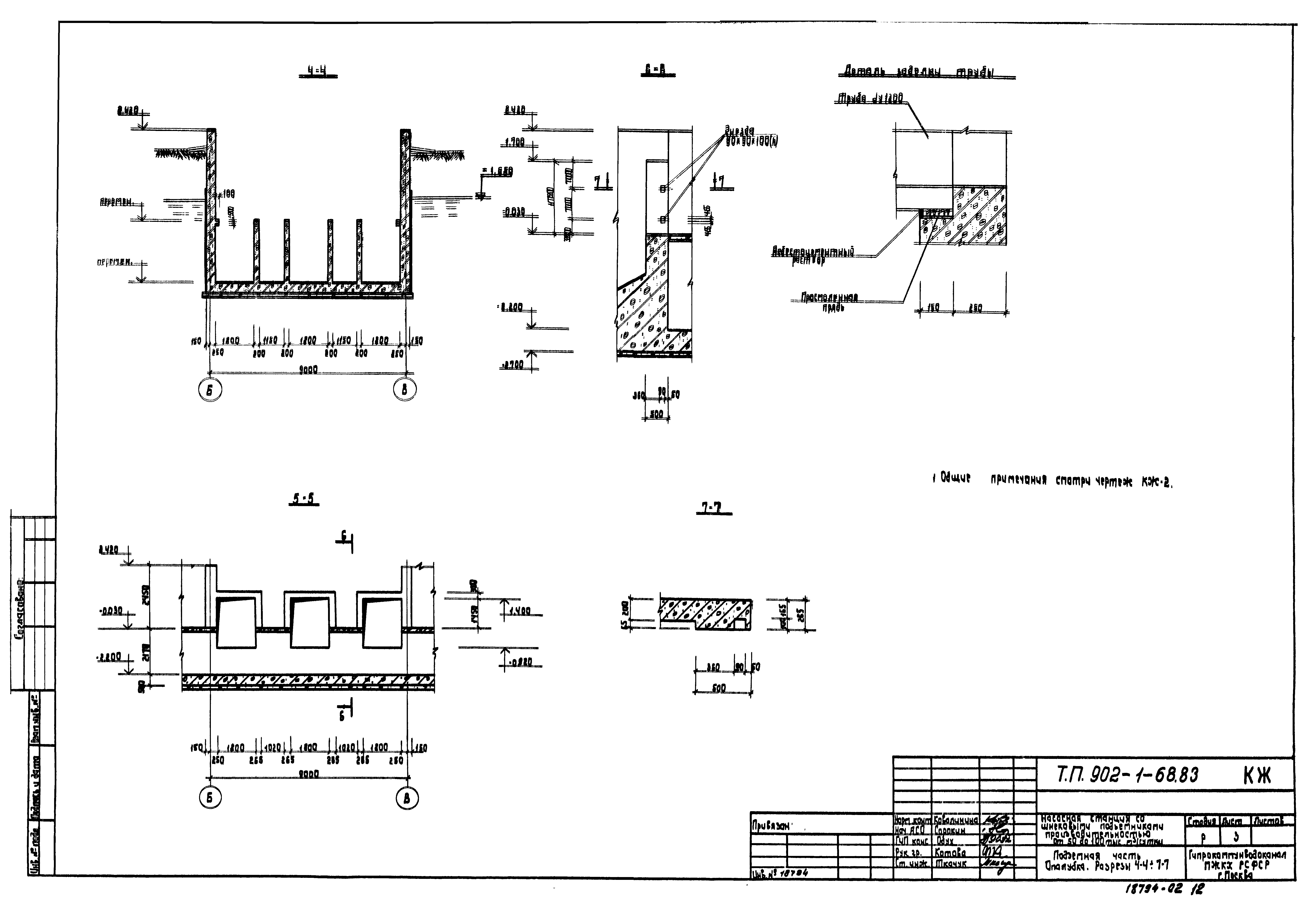
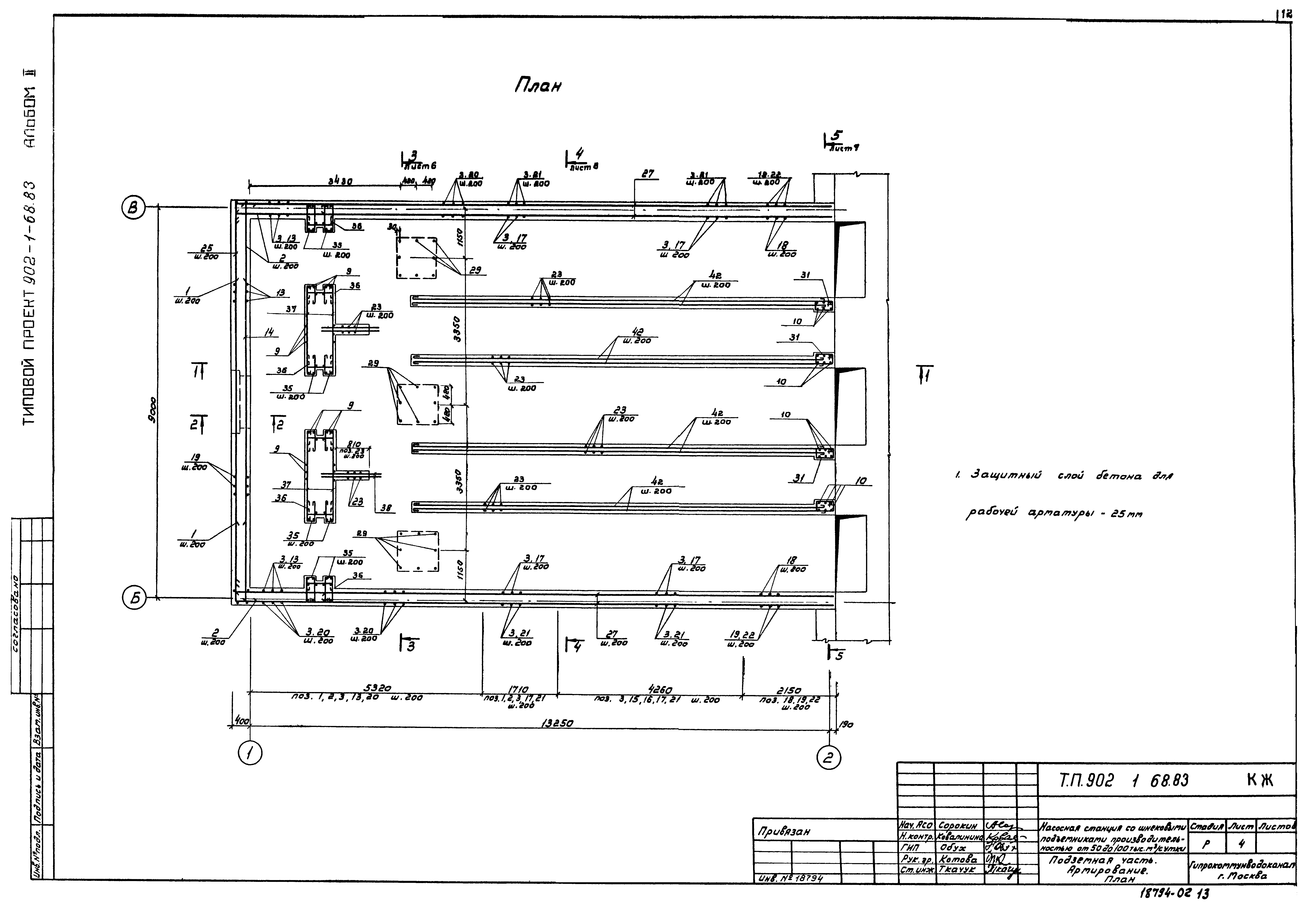
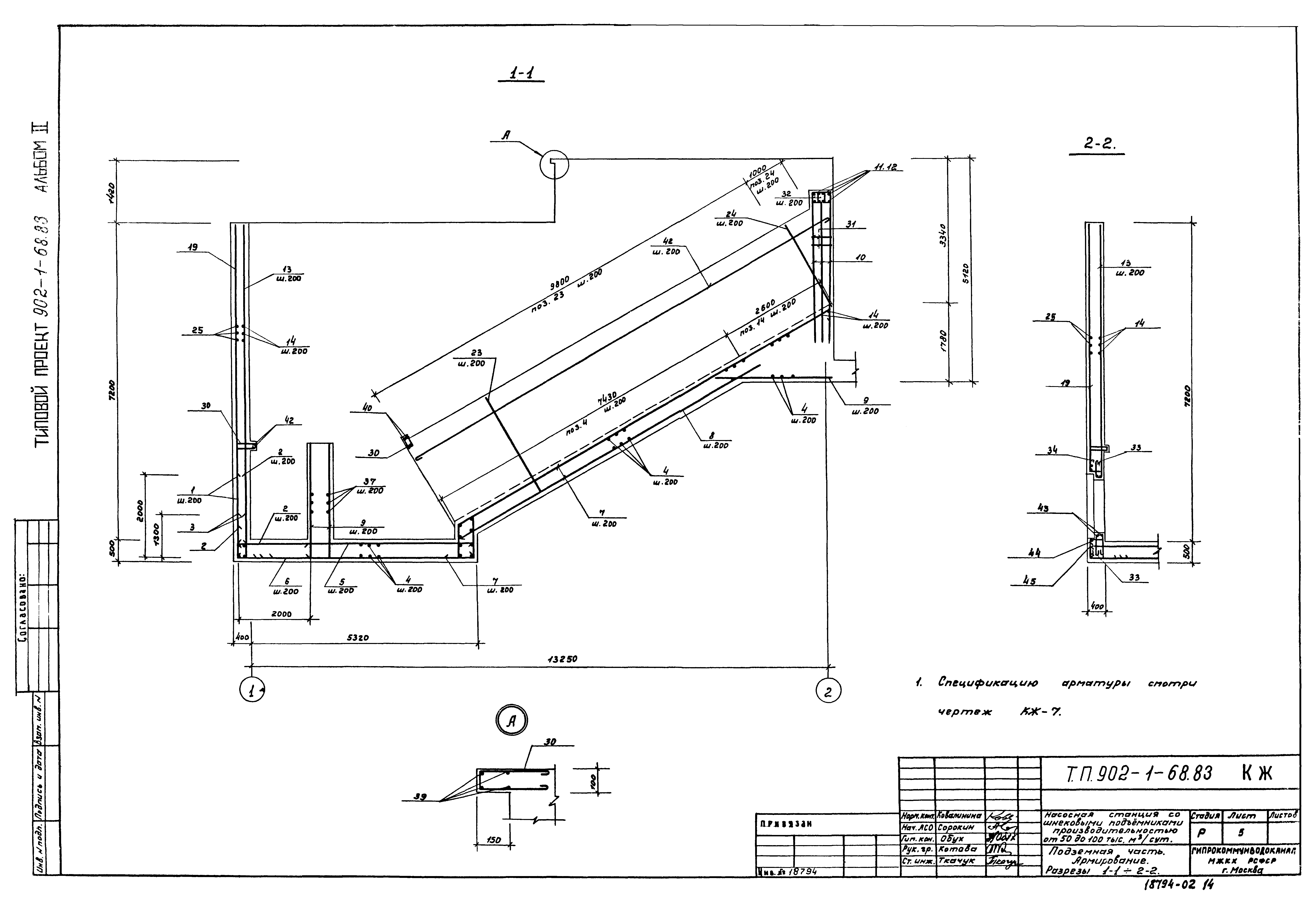
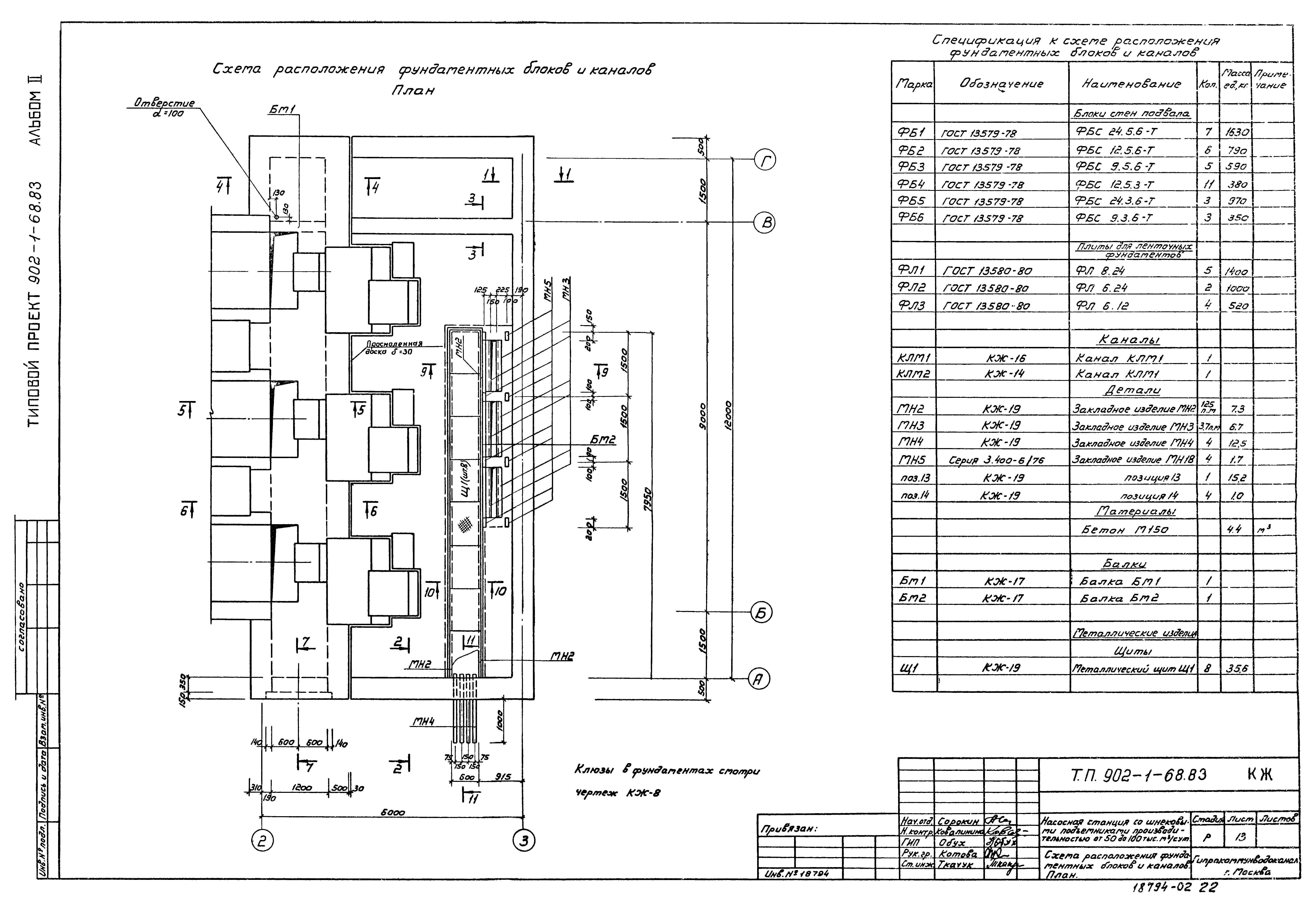
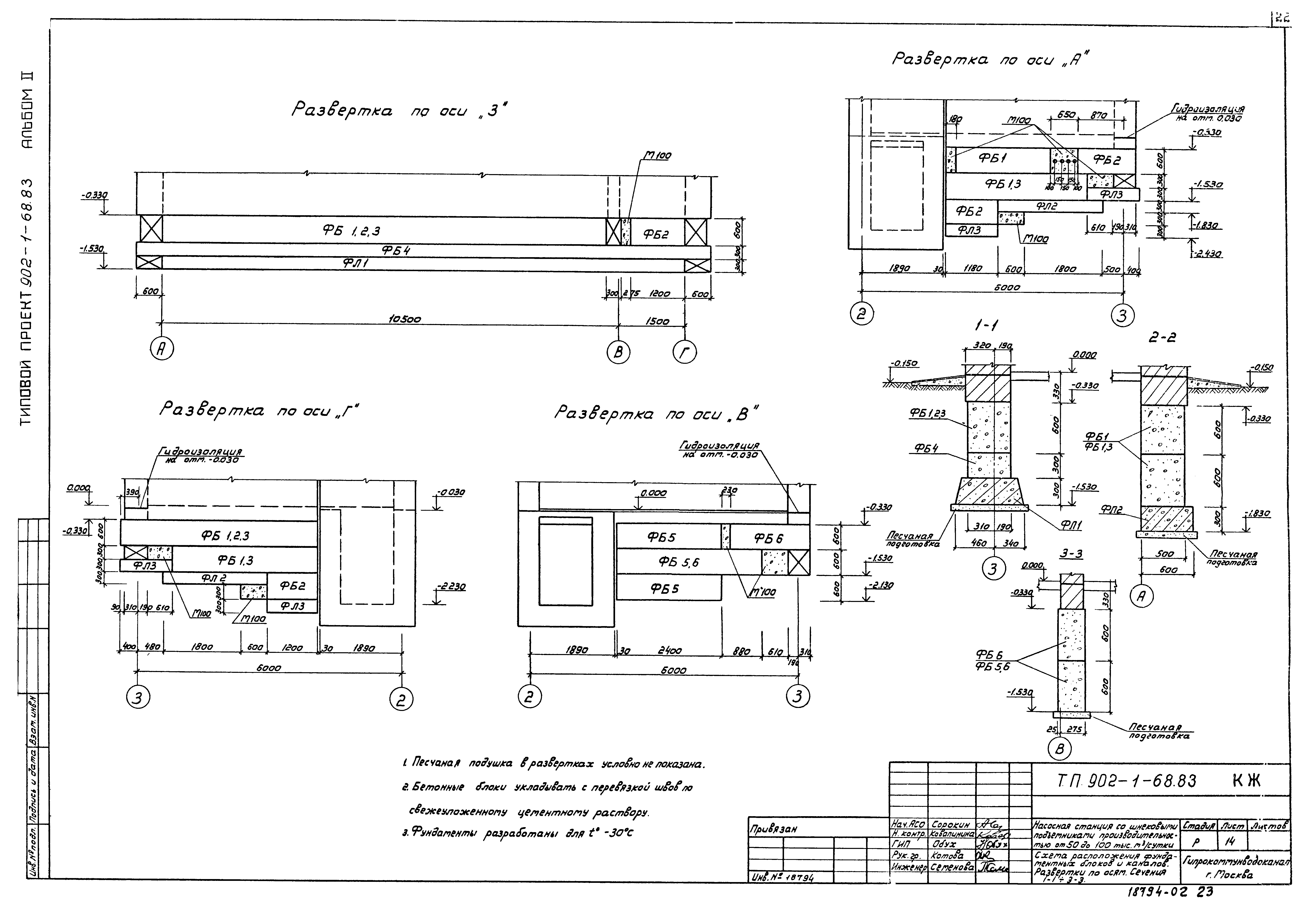
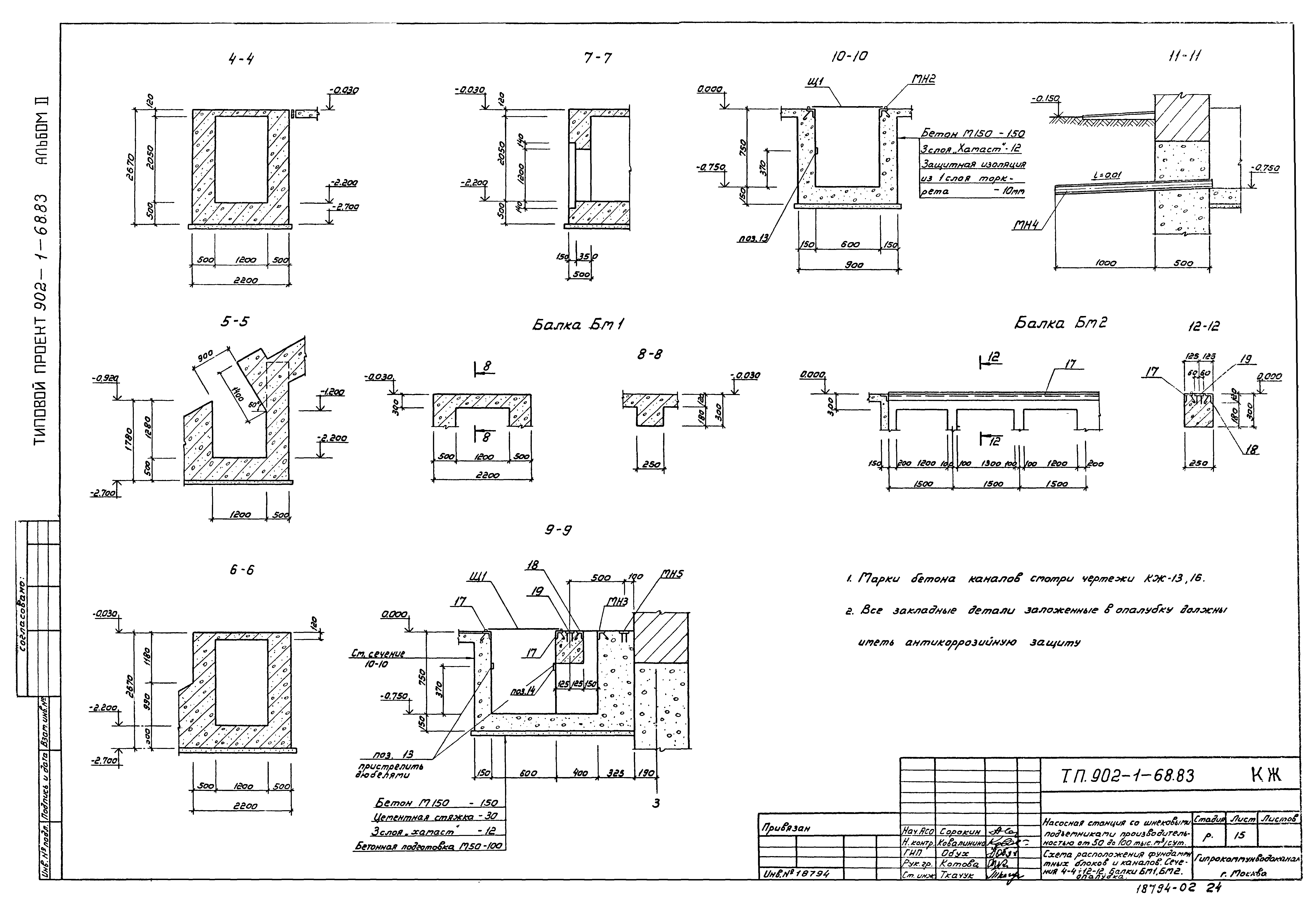
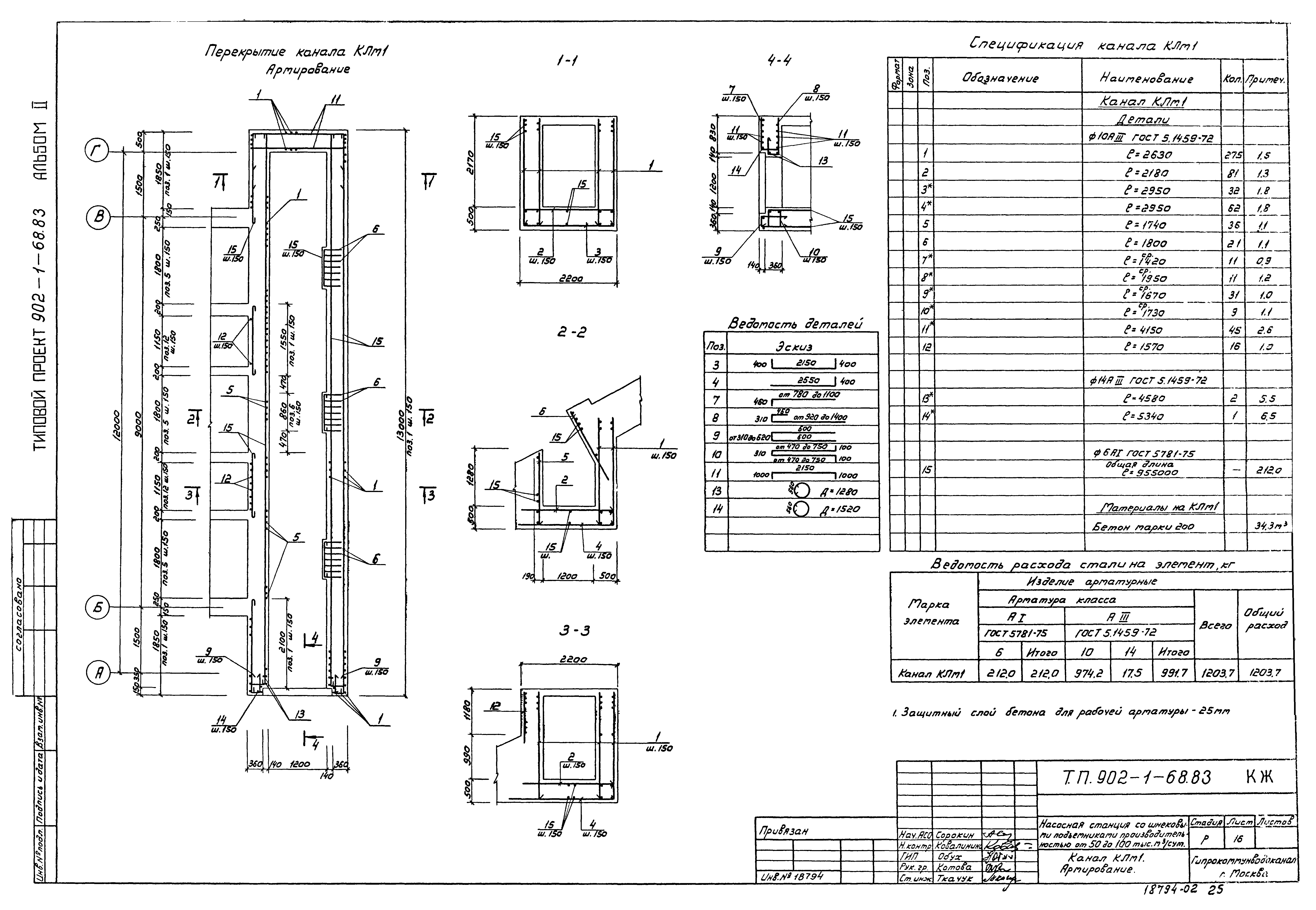
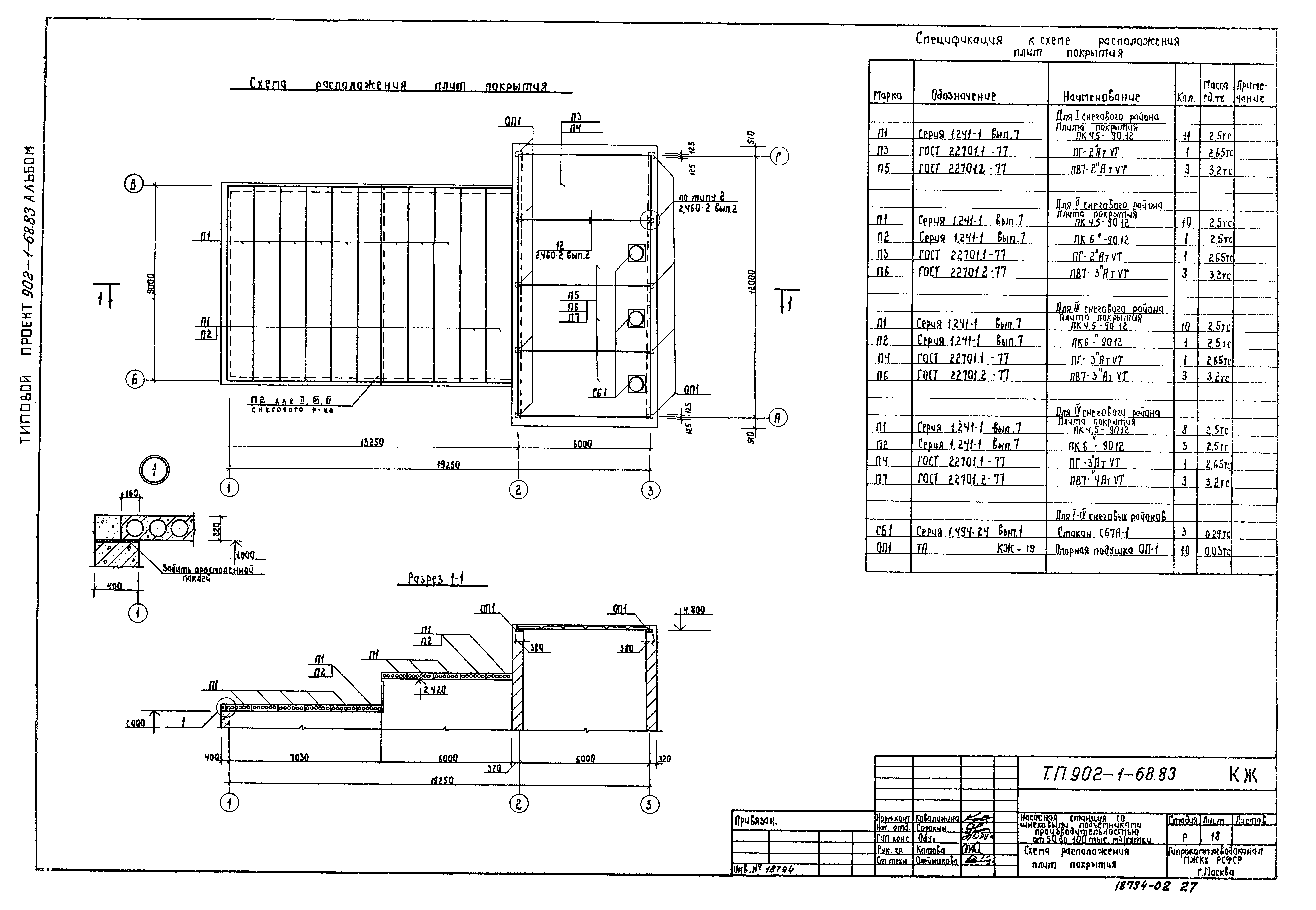
| Оглавление: | ТП 902-1-68.83 Содержание альбома ТП 902-1-68.83 Пояснительная записка ТП 902-1-68.83-АР-1 Общие данные ТП 902-1-68.83-АР-2 План на отметке -0.000. Разрезы 1-1;2-2;3-3 ТП 902-1-68.83-АР-3 План на отметке 3.600. Фасады 1-3;3-1;Г-А. Экспликация помещений ТП 902-1-68.83-АР-4 План полов. План кровли. Узлы 1,2,3. Экспликация полов. Ведомость отделки помещений. Ведомость перемычек ТП 902-1-68.83-АР-5 Узлы 4-5. Сечение 1-1. Узлы 1 и 2 ТП 902-1-68.83-КЖ-1 Общие данные ТП 902-1-68.83-КЖ-2 Подземная часть. Опалубка. План. Разрезы 1-1÷3-3 ТП 902-1-68.83-КЖ-3 Подземная часть. Опалубка. План. Разрезы 4-4÷7-7 ТП 902-1-68.83-КЖ-4 Подземная часть. Армирование. План ТП 902-1-68.83-КЖ-5 Подземная часть. Армирование. Разрезы 1-1÷2-2 ТП 902-1-68.83-КЖ-6 Подземная часть. Армирование. Разрезы 3-3÷4-4 ТП 902-1-68.83-КЖ-7 Подземная часть. Армирование. Разрез 5-5. Спецификация ТП 902-1-68.83-КЖ-8 Схема расположения фундаментов под оборудование ТП 902-1-68.83-КЖ-9 Схема расположения плит перекрытия, балок и деревянных щитов ТП 902-1-68.83-КЖ-10 Балки БМ1-БМ3. Плиты ПМ-1;ПМ-2 ТП 902-1-68.83-КЖ-11 Спецификация и ведомость к монолитным балкам и участкам перекрытия ТП 902-1-68.83-КЖ-12 Подземная часть. Набетонка ТП 902-1-68.83-КЖ-13 Схема расположения фундаментных блоков и каналов. План ТП 902-1-68.83-КЖ-14 Схема расположения фундаментных блоков и каналов. Развертки по осям. Разрезы 1-1÷3-3 ТП 902-1-68.83-КЖ-15 Схема расположения фундаментных блоков и каналов. Разрезы 4-4÷12-12. Балка БМ-1,БМ-2. Опалубка ТП 902-1-68.83-КЖ-16 Канал КЛМ1. Армирование ТП 902-1-68.83-КЖ-17 Перекрытие канала ПКМ1. Армирование ТП 902-1-68.83-КЖ-18 Схема расположения плит покрытия ТП 902-1-68.83-КЖ-19 Опорная подушка. Деревянные щиты. Закладные детали ТП 902-1-68.83-КМ-1 Общие данные ТП 902-1-68.83-КМ-2 Схема расположения балок, монорельсов и ограждений |
| Разработан: | Гипрокоммунводоканал Минжилкомхоза РСФСР |
| Утверждён: | 18.08.1982 МЖКХ РСФСР (15-ТД) |






























