Скачать Типовой проект 904-1-66.86 Альбом 1. Технология производстваДата актуализации: 01.01.2021
|
| Обозначение: | Типовой проект 904-1-66.86 |
| Обозначение англ: | 904-1-66.86 |
| Статус: | действует |
| Название рус.: | Альбом 1. Технология производства |
| Дата добавления в базу: | 01.09.2013 |
| Дата актуализации: | 01.01.2021 |
| Дата введения: | 30.08.1986 |
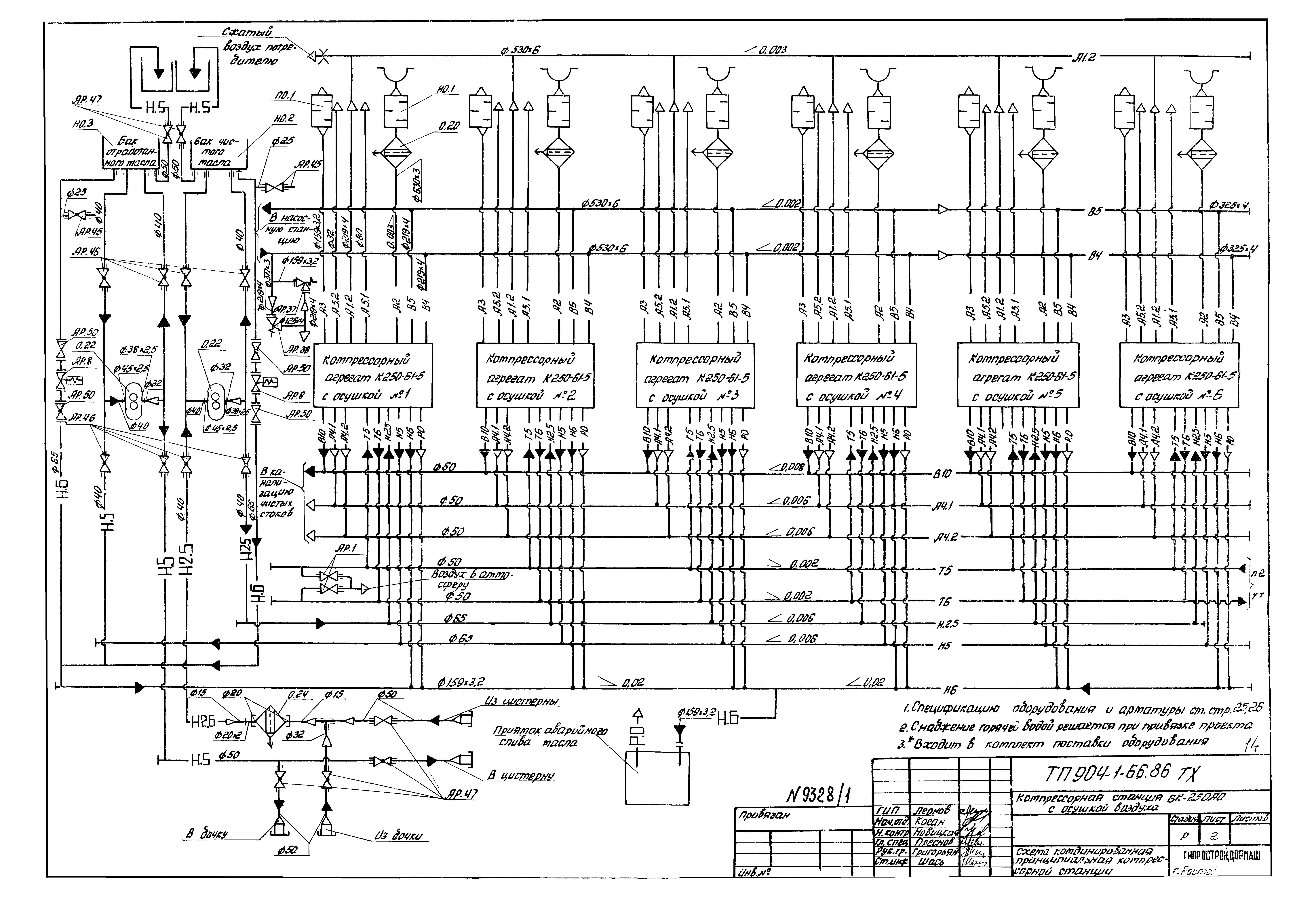
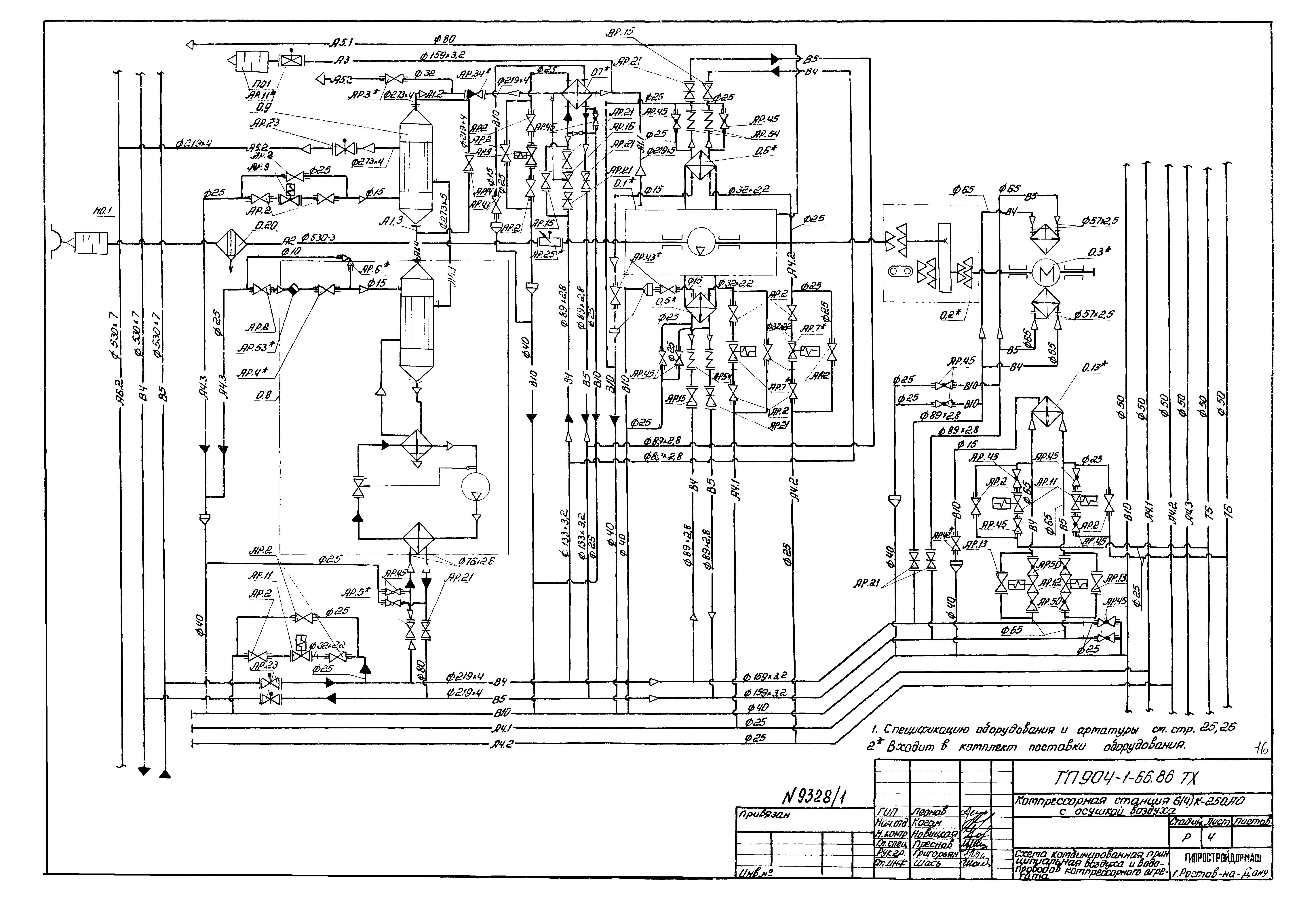
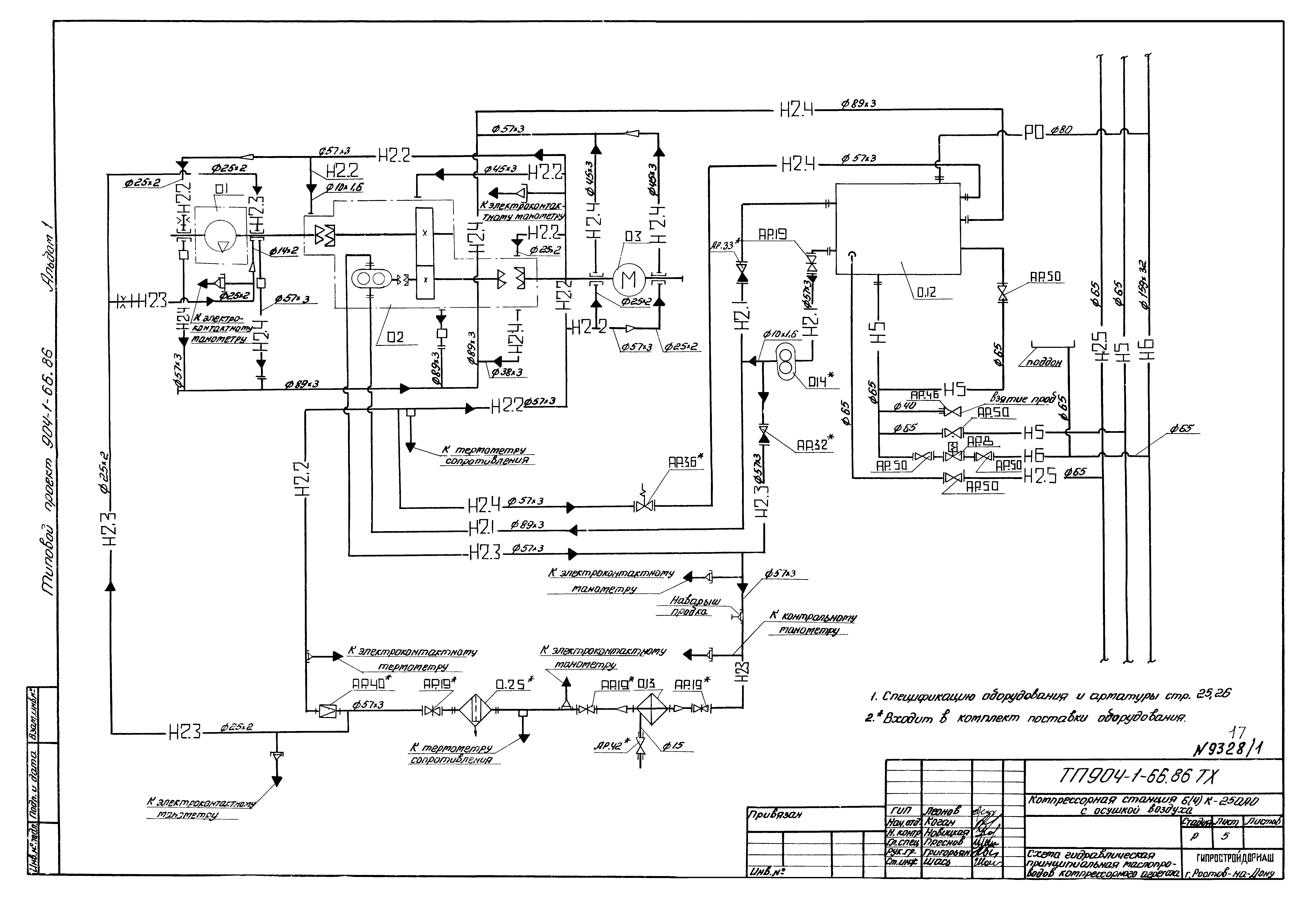
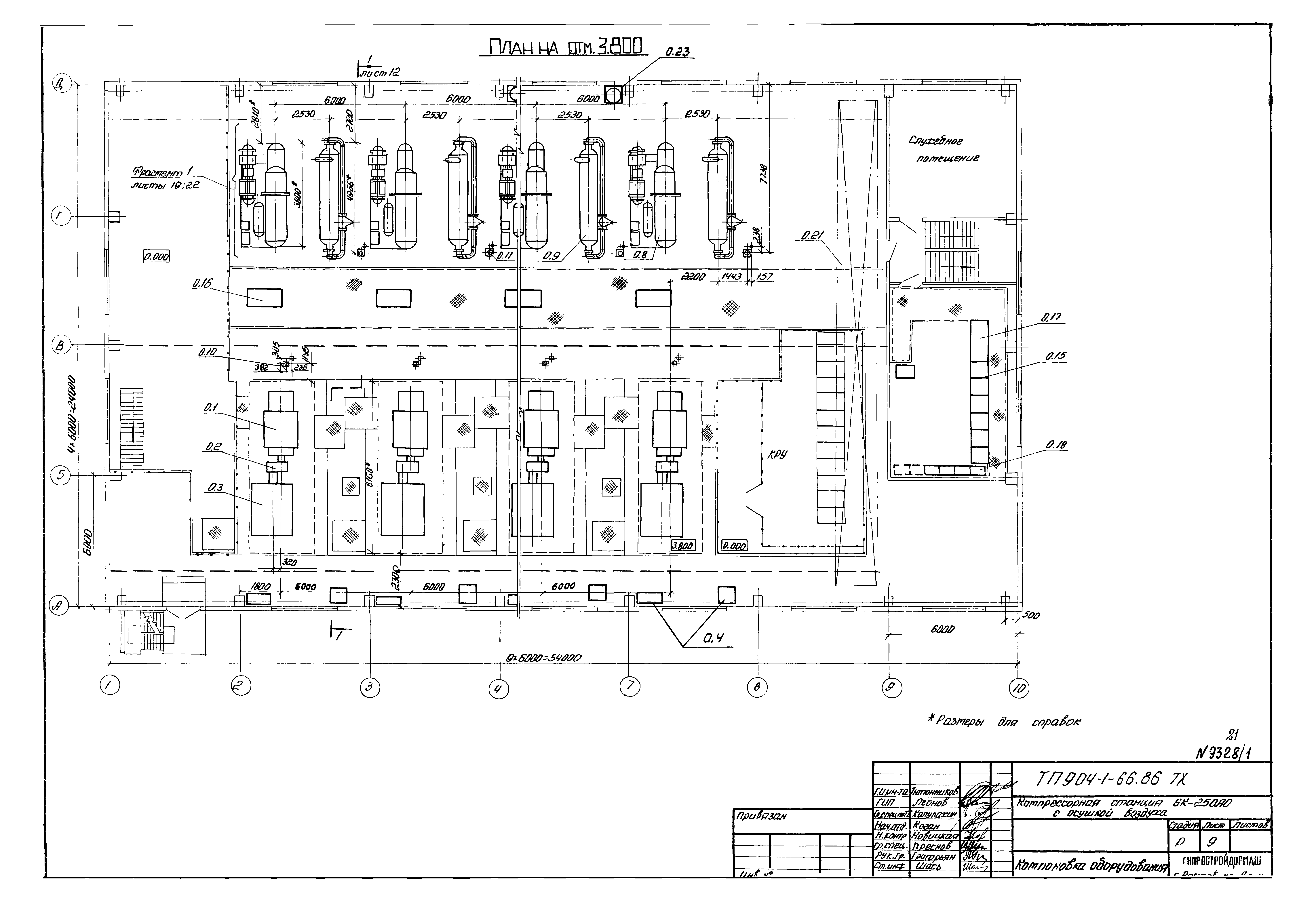
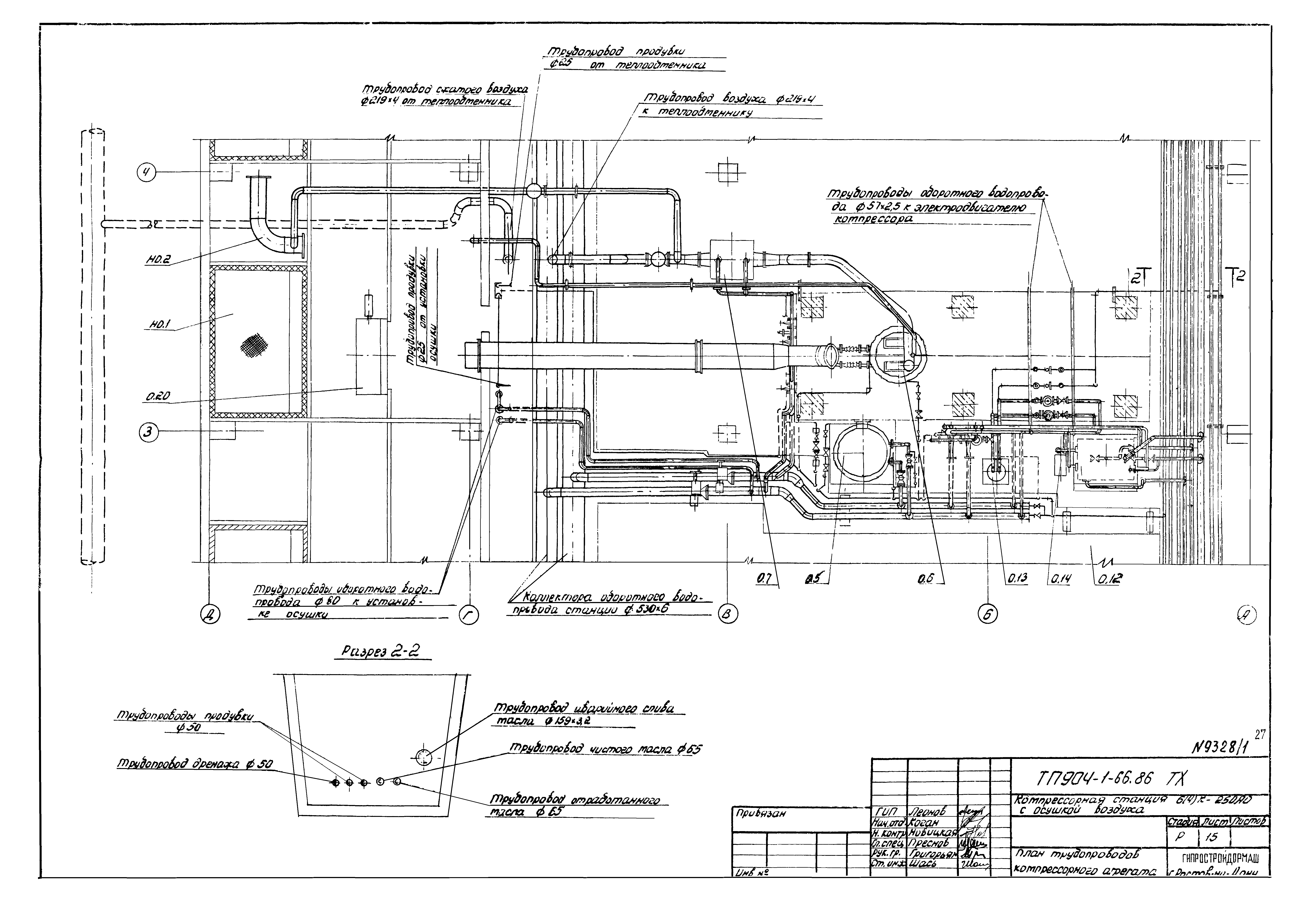
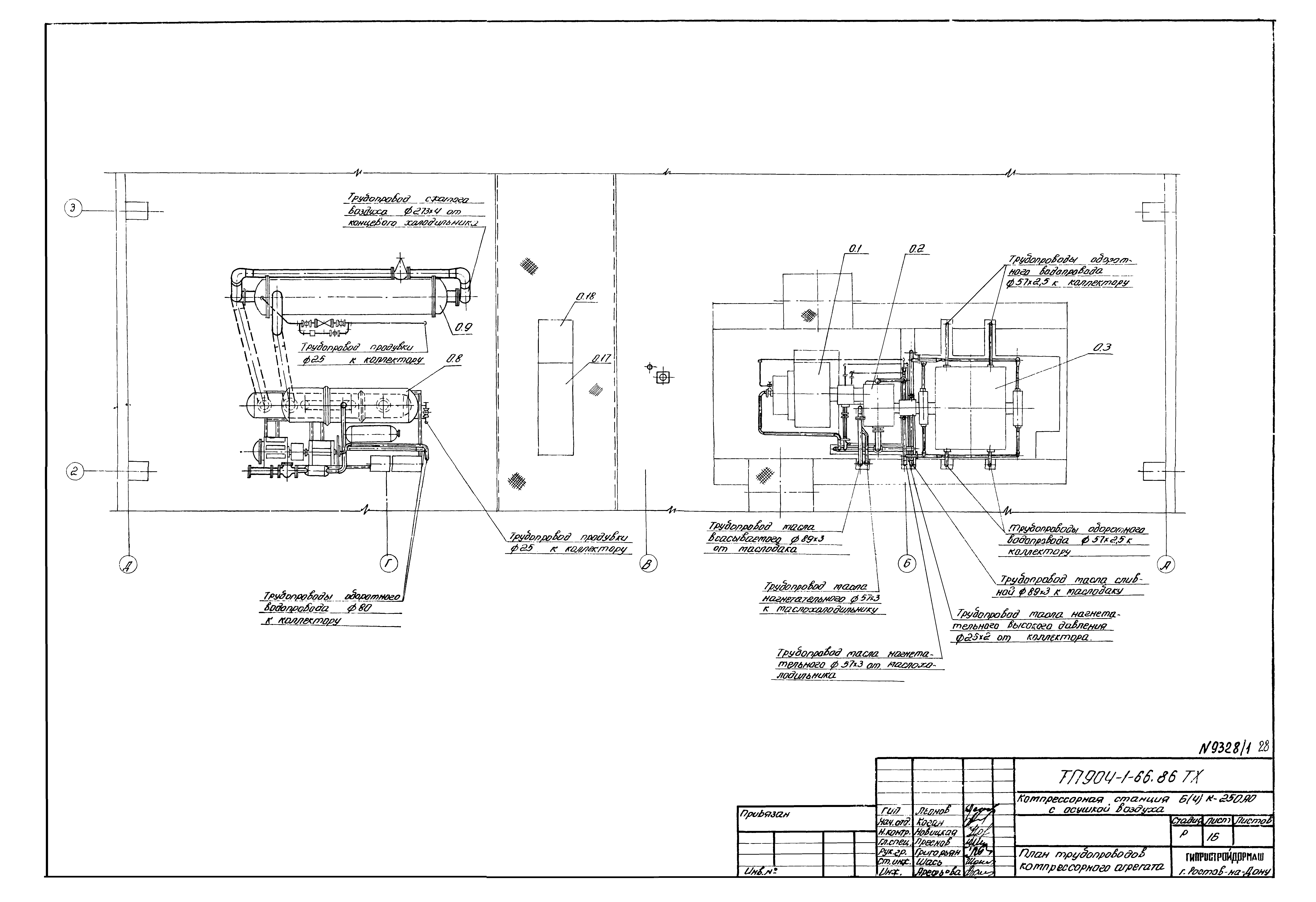
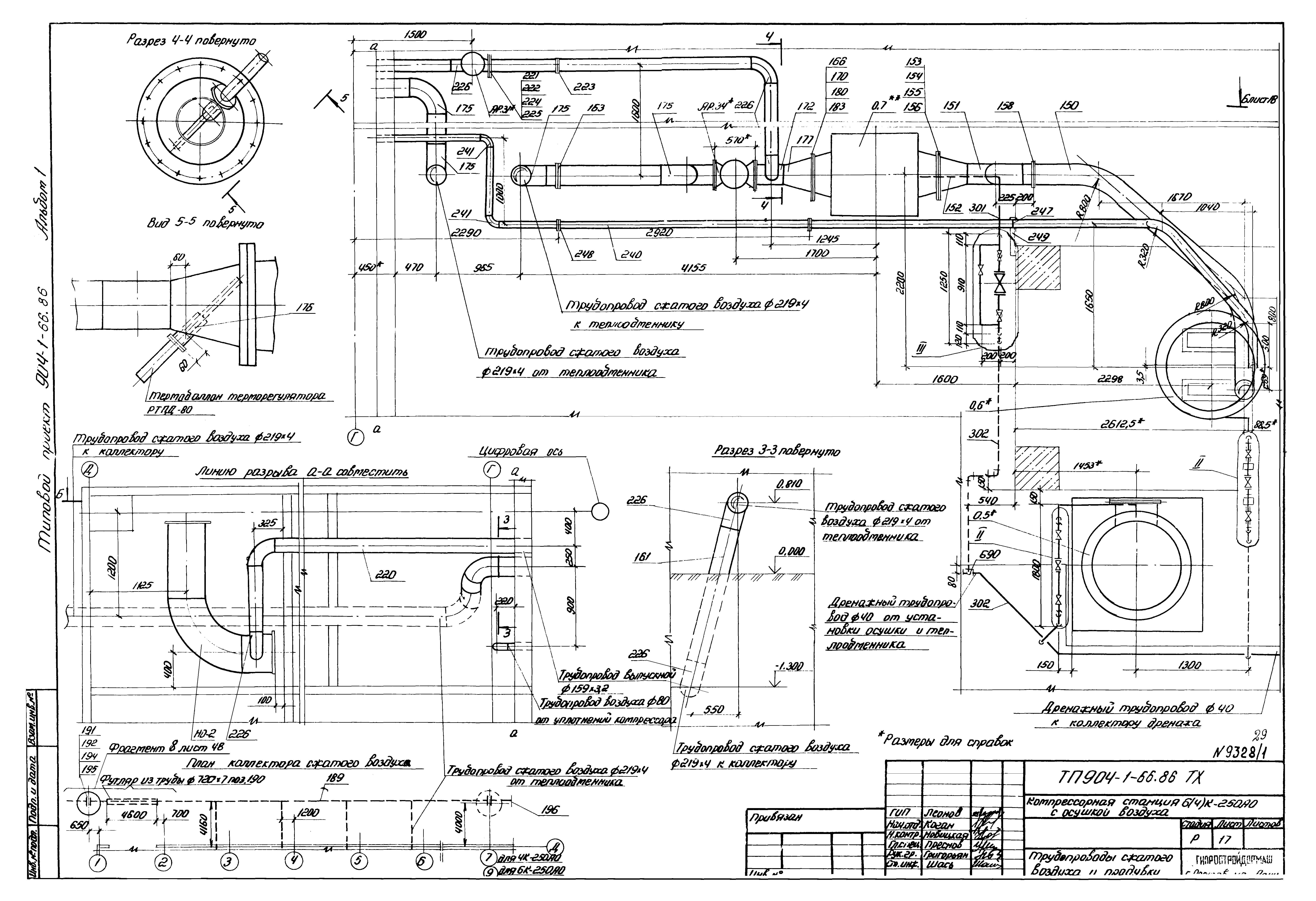
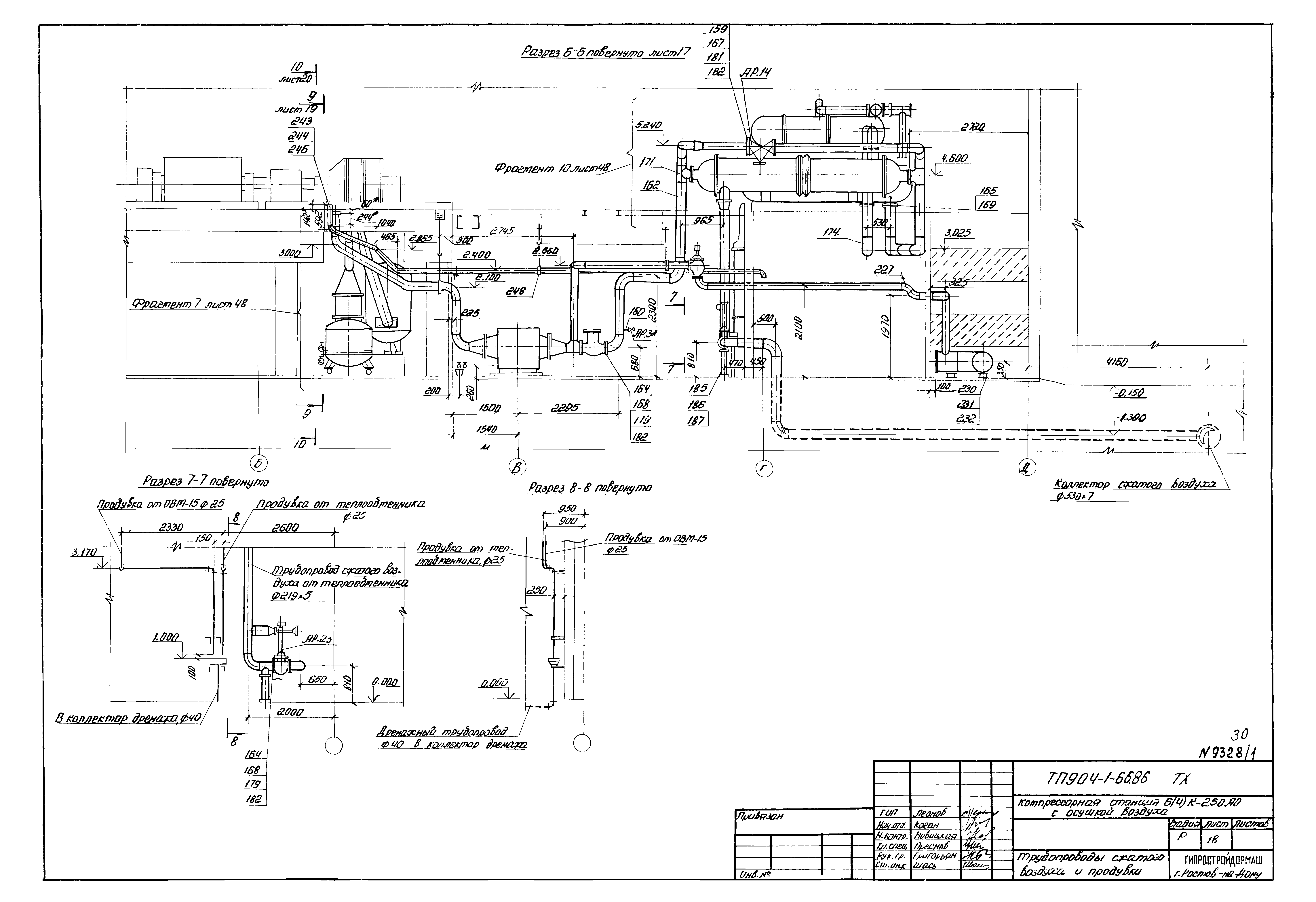
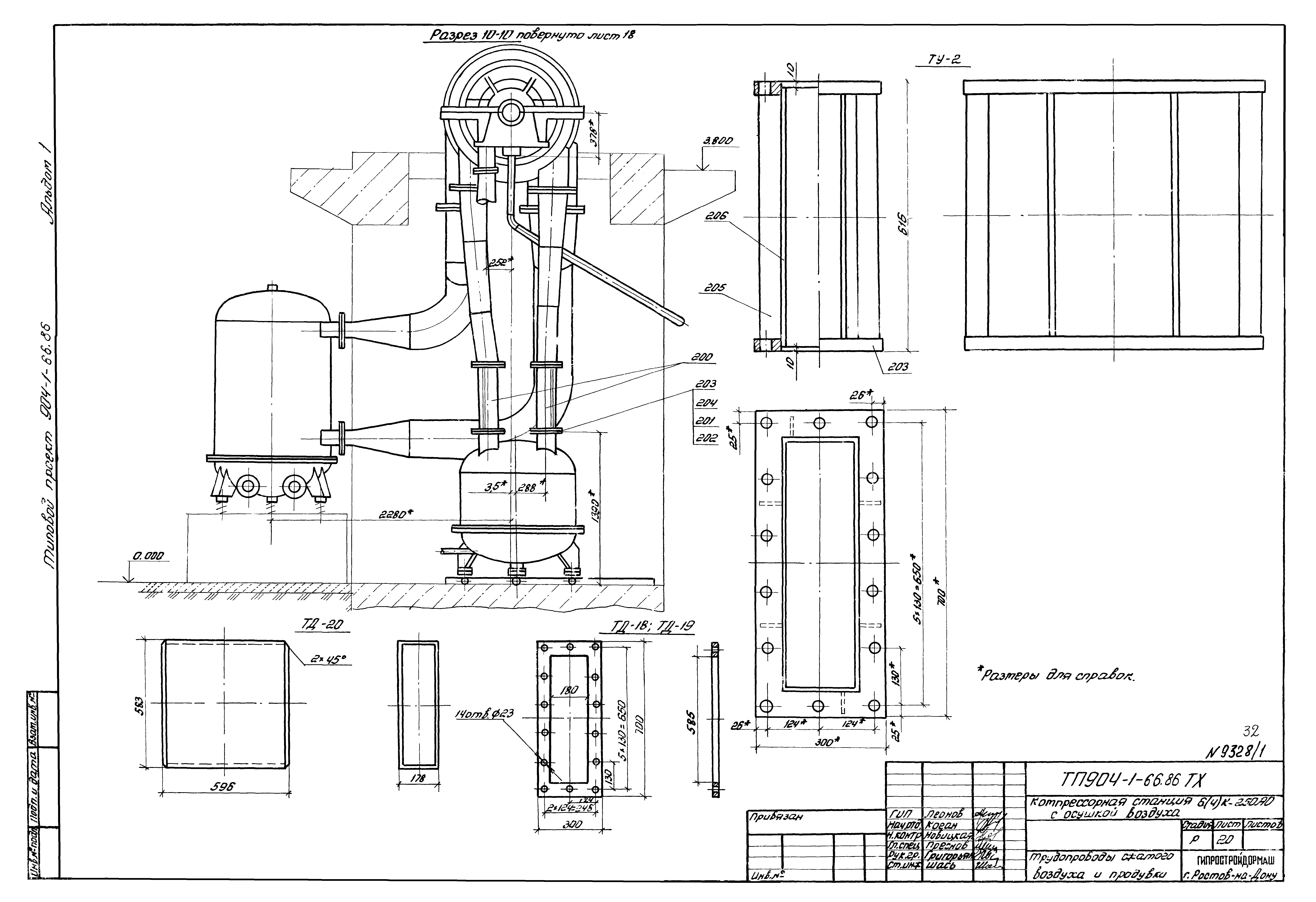
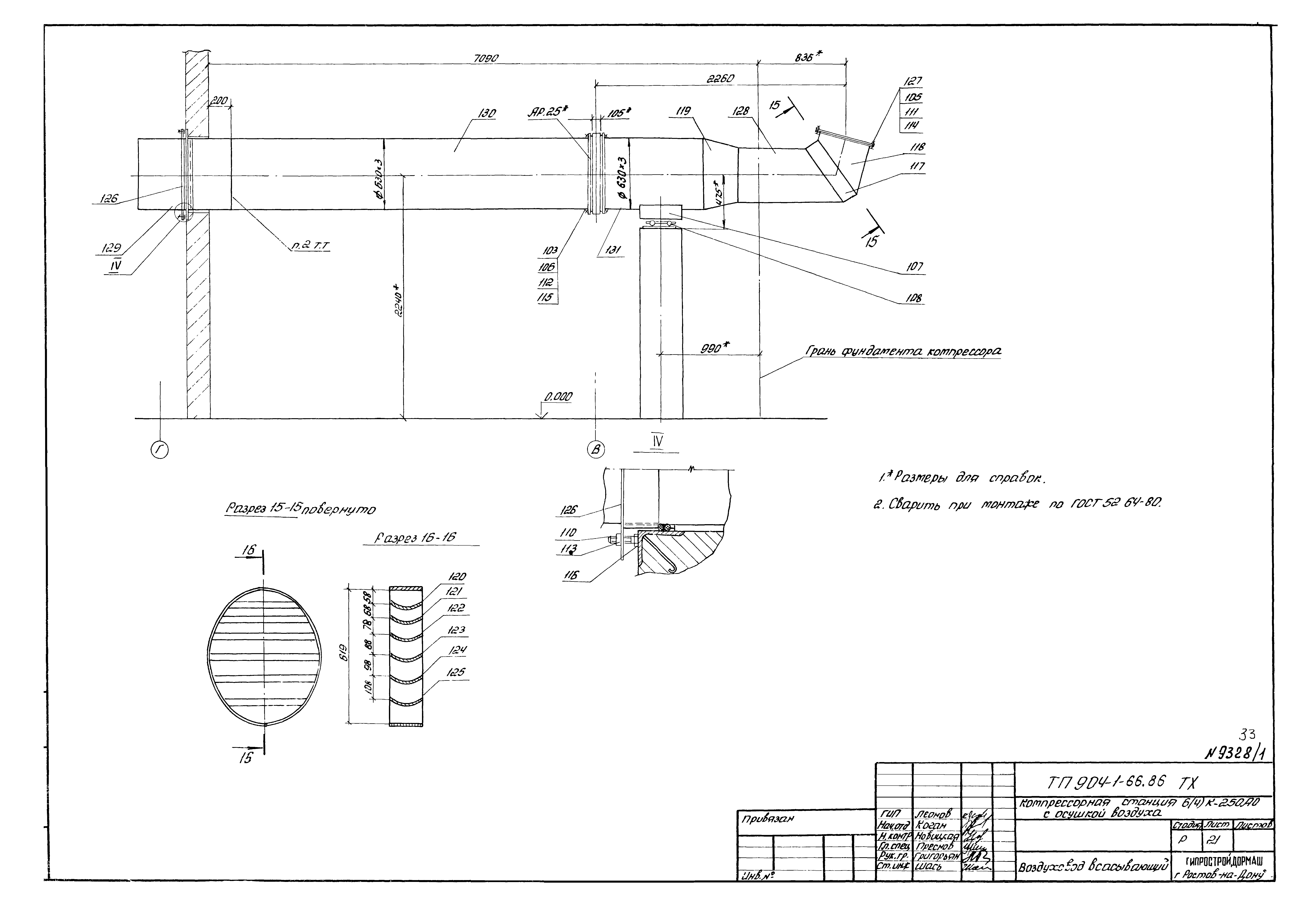
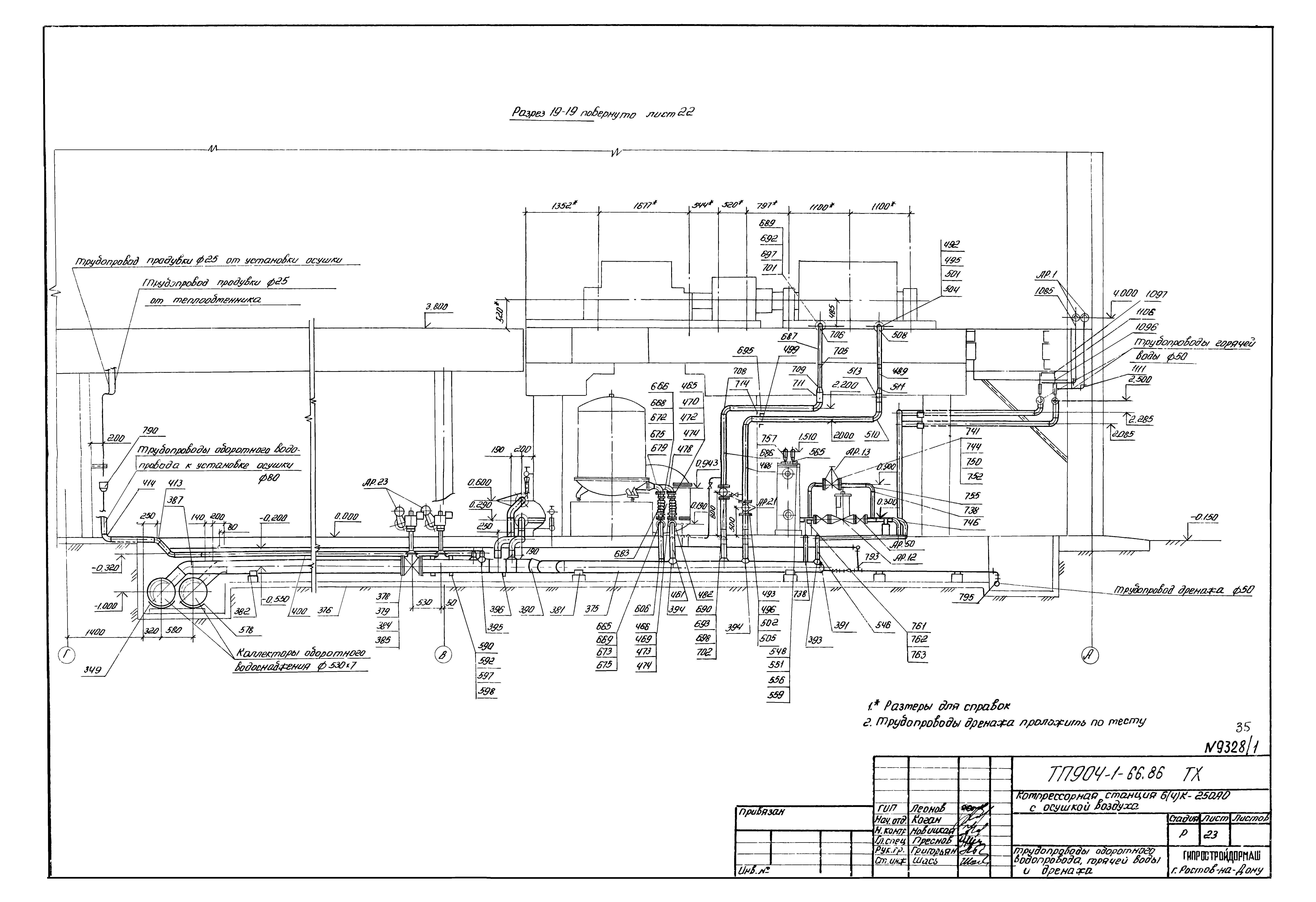
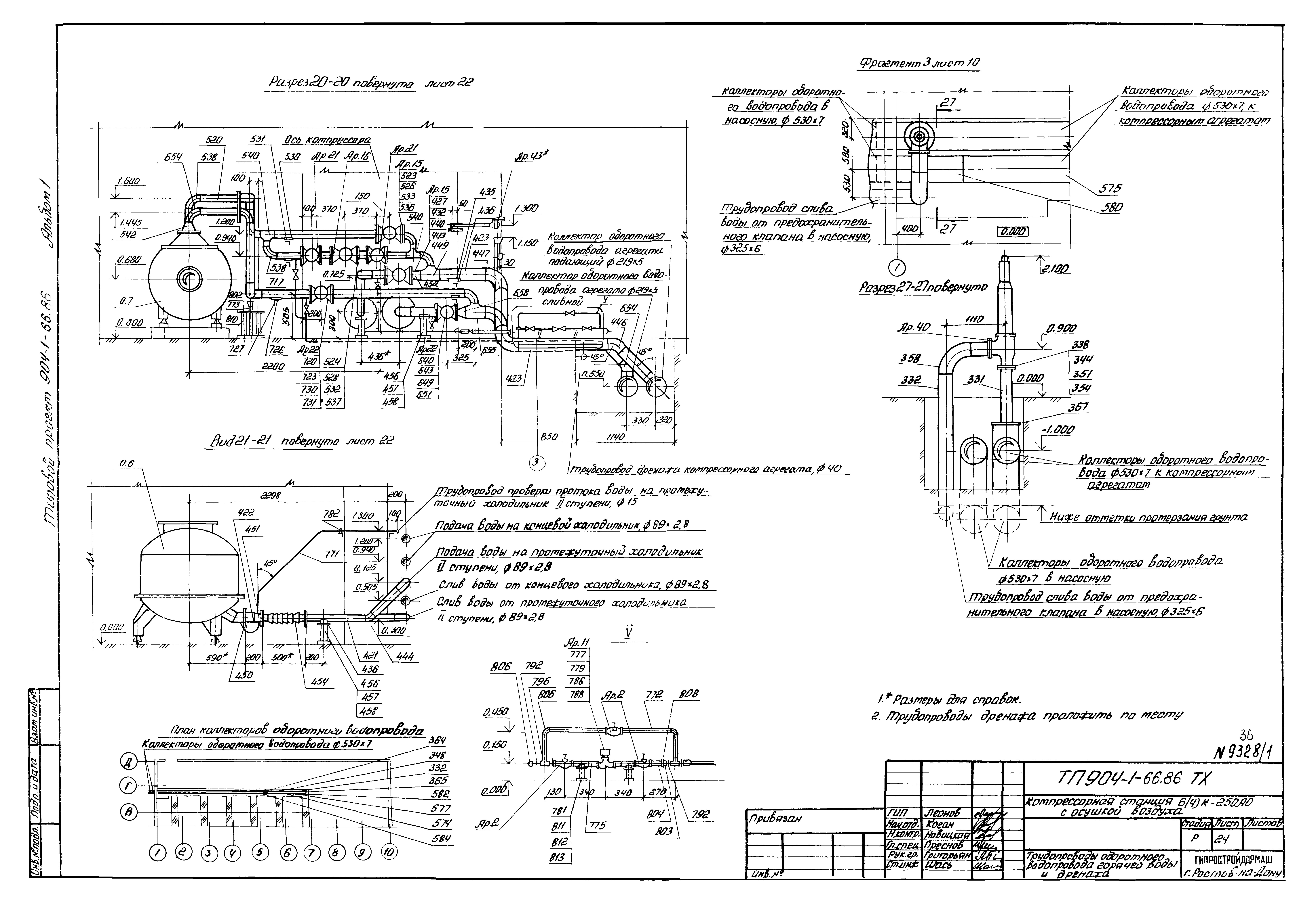
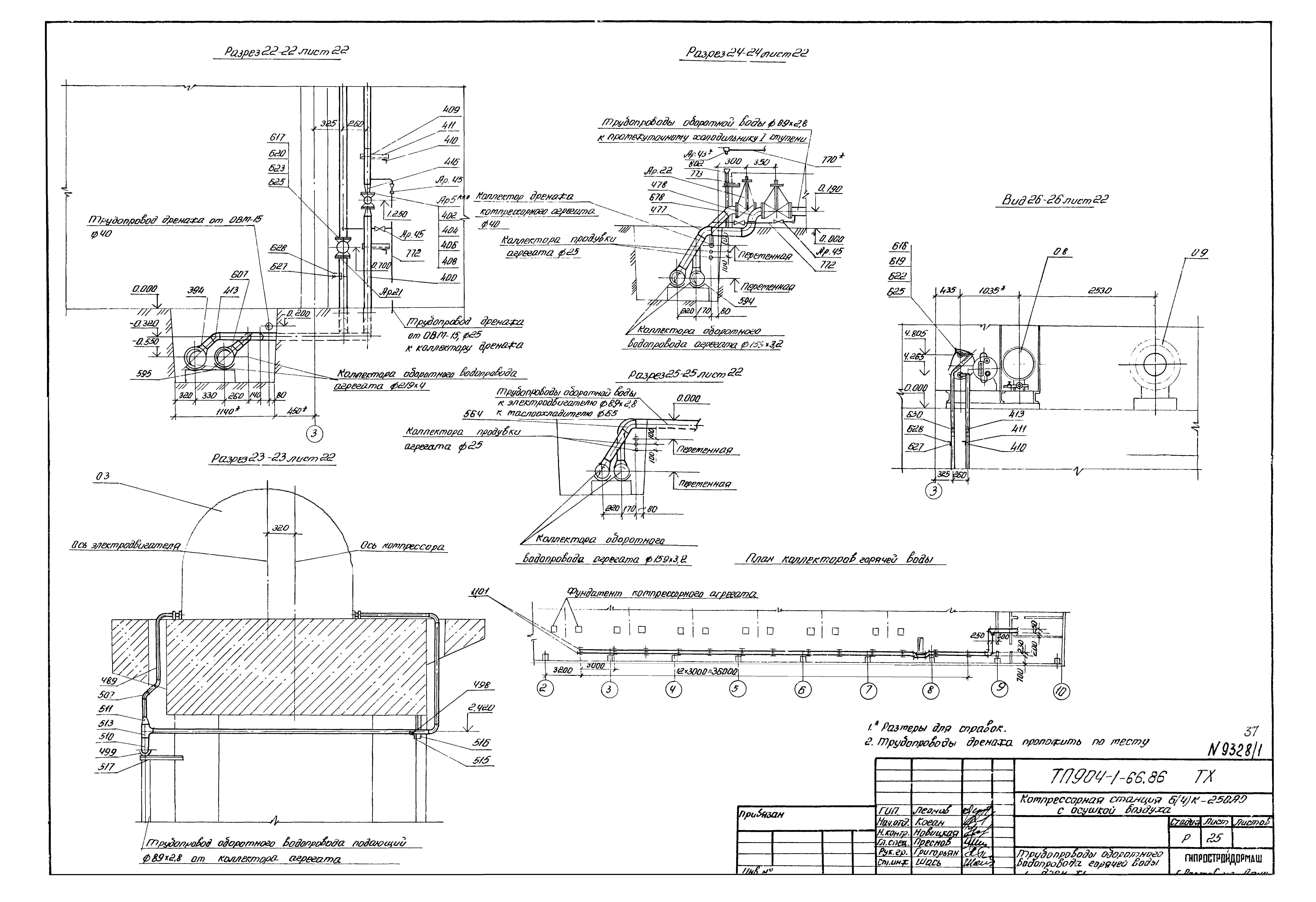
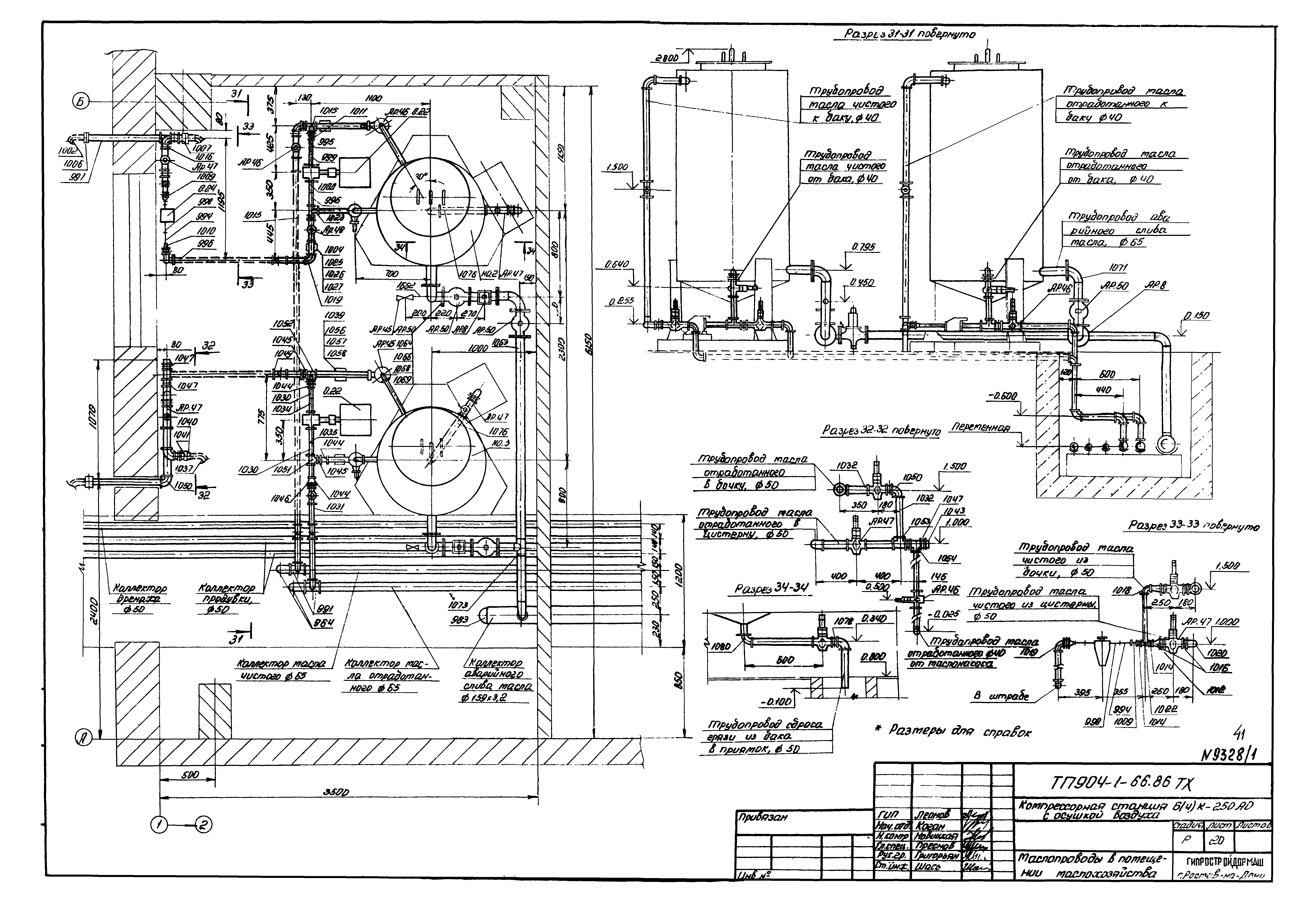
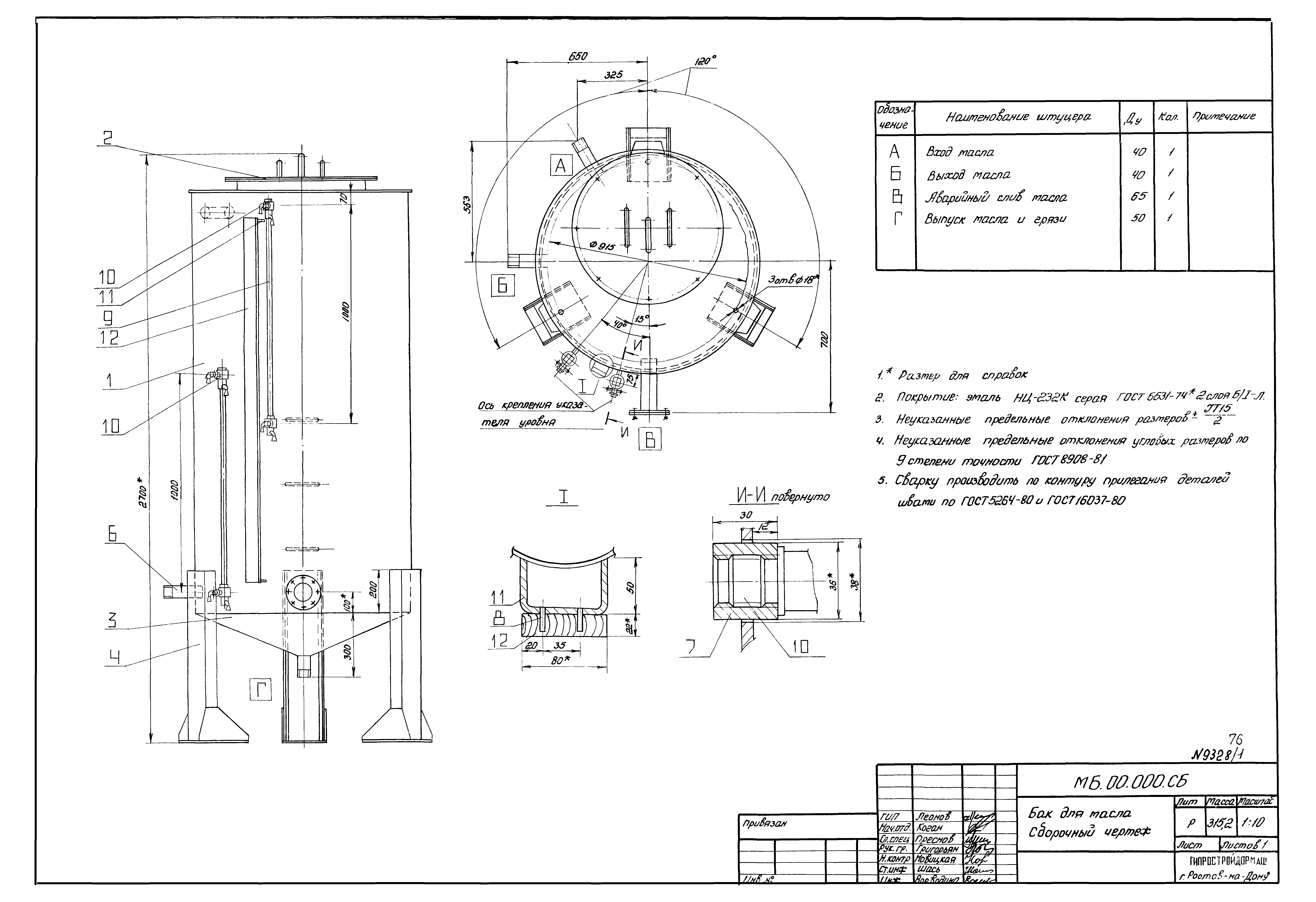
| Оглавление: | ТП 904-1-66.86 Обложка ТП 904-1-66.86 Титульный лист ТП 904-1-66.86-ТХ Содержание ТП 904-1-66.86-ПЗ-1 Пояснительная записка (начало) ТП 904-1-66.86-ПЗ-2 Пояснительная записка (продолжение) ТП 904-1-66.86-ПЗ-3 Пояснительная записка (продолжение) ТП 904-1-66.86-ПЗ-4 Пояснительная записка (продолжение) ТП 904-1-66.86-ПЗ-5 Пояснительная записка (продолжение) ТП 904-1-66.86-ПЗ-6 Пояснительная записка (продолжение) ТП 904-1-66.86-ПЗ-7 Пояснительная записка (продолжение) ТП 904-1-66.86-ПЗ-8 Пояснительная записка (продолжение) ТП 904-1-66.86-ПЗ-9 Пояснительная записка (продолжение) ТП 904-1-66.86-ПЗ-10 Пояснительная записка (окончание) ТП 904-1-66.86-ТХ-1 Общие данные ТП 904-1-66.86-ТХ-2 Схема комбинированная принципиальная компрессорной станции ТП 904-1-66.86-ТХ-3 Схема комбинированная принципиальная компрессорной станции ТП 904-1-66.86-ТХ-4 Схема комбинированная принципиальная воздуха и водопроводов компрессорного агрегата ТП 904-1-66.86-ТХ-5 Схема гидравлическая принципиальная маслопроводов компрессорного агрегата ТП 904-1-66.86-ТХ-6 Условные обозначения ТП 904-1-66.86-ТХ-7 Условные обозначения ТП 904-1-66.86-ТХ-8 Компоновка оборудования ТП 904-1-66.86-ТХ-9 Компоновка оборудования ТП 904-1-66.86-ТХ-10 Компоновка оборудования ТП 904-1-66.86-ТХ-11 Компоновка оборудования ТП 904-1-66.86-ТХ-12 Компоновка оборудования ТП 904-1-66.86-ТХ-13 Спецификация оборудования и арматуры ТП 904-1-66.86-ТХ-14 Спецификация оборудования и арматуры ТП 904-1-66.86-ТХ-15 План трубопроводов компрессорного агрегата ТП 904-1-66.86-ТХ-16 План трубопроводов компрессорного агрегата ТП 904-1-66.86-ТХ-17 Трубопроводы сжатого воздуха и продувки ТП 904-1-66.86-ТХ-18 Трубопроводы сжатого воздуха и продувки ТП 904-1-66.86-ТХ-19 Трубопроводы сжатого воздуха и продувки ТП 904-1-66.86-ТХ-20 Трубопроводы сжатого воздуха и продувки ТП 904-1-66.86-ТХ-21 Воздуховод всасывающий ТП 904-1-66.86-ТХ-22 Трубопроводы оборотного водопровода, горячей воды и дренажа. ТП 904-1-66.86-ТХ-23 Трубопроводы оборотного водопровода, горячей воды и дренажа. ТП 904-1-66.86-ТХ-24 Трубопроводы оборотного водопровода, горячей воды и дренажа. ТП 904-1-66.86-ТХ-25 Трубопроводы оборотного водопровода, горячей воды и дренажа. ТП 904-1-66.86-ТХ-26 Маслопроводы компрессорного агрегата ТП 904-1-66.86-ТХ-27 Маслопроводы компрессорного агрегата ТП 904-1-66.86-ТХ-28 Маслопроводы компрессорного агрегата ТП 904-1-66.86-ТХ-29 Маслопроводы в помещении маслохозяйства ТП 904-1-66.86-ТХ-30 Спецификация монтажных материалов трубопроводов ТП 904-1-66.86-ТХ-31 Спецификация монтажных материалов трубопроводов ТП 904-1-66.86-ТХ-32 Спецификация монтажных материалов трубопроводов ТП 904-1-66.86-ТХ-33 Спецификация монтажных материалов трубопроводов ТП 904-1-66.86-ТХ-34 Спецификация монтажных материалов трубопроводов ТП 904-1-66.86-ТХ-35 Спецификация монтажных материалов трубопроводов ТП 904-1-66.86-ТХ-36 Спецификация монтажных материалов трубопроводов ТП 904-1-66.86-ТХ-37 Спецификация монтажных материалов трубопроводов ТП 904-1-66.86-ТХ-38 Спецификация монтажных материалов трубопроводов ТП 904-1-66.86-ТХ-39 Спецификация монтажных материалов трубопроводов ТП 904-1-66.86-ТХ-40 Спецификация монтажных материалов трубопроводов ТП 904-1-66.86-ТХ-41 Спецификация монтажных материалов трубопроводов ТП 904-1-66.86-ТХ-42 Спецификация монтажных материалов трубопроводов ТП 904-1-66.86-ТХ-43 Спецификация монтажных материалов трубопроводов ТП 904-1-66.86-ТХ-44 Спецификация монтажных материалов трубопроводов ТП 904-1-66.86-ТХ-45 Ведомость теплоизоляционных конструкций ТП 904-1-66.86-ТХ-46 Ведомость теплоизоляционных конструкций ТП 904-1-66.86-ТХ-47 Ведомость теплоизоляционных конструкций ТП 904-1-66.86-ТХ-48 Размещение закладных элементов, приборов и средств автоматизации и КИП ТП 904-1-66.86 Опросный лист на кран. Опросный лист на установку осушки ТП 904-1-66.86 ТД-1 Обечайка. ТП 904-1-66.86 ТД-2 Патрубок ТП 904-1-66.86 ТД-3 Переход ТП 904-1-66.86 ТД-4-ТД9 Лопатка. ТП 904-1-66.86 ТД-10 Прижимное кольцо. ТП 904-1-66.86 ТД-11 Фланец ТП 904-1-66.86 ТД-12 Патрубок ТП 904-1-66.86 ТУ-1. Опора ТП 904-1-66.86 ТД-21;ТД-22 Заглушка. ТП 904-1-66.86 ТД-23 Заглушка. ТП 904-1-66.86 ТД-24 Переход. ТП 904-1-66.86 ТД-16 Площадка ТП 904-1-66.86 ТУ-3 Воронка. ТП 904-1-66.86 ТД-27 Боковина. ТП 904-1-66.86 ТД-28 Дно ТП 904-1-66.86 ТУ-4-ТУ-7 Опора ТП 904-1-66.86 ТУ-8-ТУ-11 Опора. ТП 904-1-66.86 ТД-37 Держатель ТП 904-1-66.86 ПФ.00.000 Патрубок для присоединения воздушного фильтра. ТП 904-1-66.86 ПФ.00.000 СБ Патрубок для присоединения воздушного фильтра. Сборочный чертеж ТП 904-1-66.86 ОМ.00.000 Опора маслобак ТП 904-1-66.86 ОМ.01.000 Поддон ТП 904-1-66.86 ОМ.00.000 СБ Опора под маслобак. Сборочный чертеж ТП 904-1-66.86 ОМ.00.001 Пластина ТП 904-1-66.86 ОМ.00.002 Опора ТП 904-1-66.86 ОМ.01.001 Дно ТП 904-1-66.86 ОМ.01.003 Боковина ТП 904-1-66.86 ОМ.01.000 СБ Поддон. Сборочный чертеж ТП 904-1-66.86 ГШС.250.00.000 Глушитель шума стравливания ТП 904-1-66.86 ГШС.50.00.000 СБ Глушитель шума стравливания. Сборочный чертеж ТП 904-1-66.86 МБ.00.000 ТО Бак для масла. Техническое описание ТП 904-1-66.86 МБ.00.000 Бак для масла ТП 904-1-66.86 МБ.00.001 Штуцер. ТП 904-1-66.86 МБ.00.002 Втулка ТП 904-1-66.86 МБ.00.000 СБ Бак для масла. Сборочный чертеж ТП 904-1-66.86 МБ.01.000 Корпус ТП 904-1-66.86 МБ.01.000 СБ Корпус. Сборочный чертеж ТП 904-1-66.86 МБ.01.001 Обечайка. ТП 904-1-66.86 МБ.01.002 Крышка нижняя. ТП 904-1-66.86 МБ.01.003 Скоба ТП 904-1-66.86 МБ.02.000 Крышка. ТП 904-1-66.86 МБ.02.000 СБ Крышка. Сборочный чертеж ТП 904-1-66.86 МБ.02.001 Крышка верхняя ТП 904-1-66.86 МБ.02.002 Труба дыхательная ТП 904-1-66.86 МБ.03.000 Днище. ТП 904-1-66.86 МБ.03.000 СБ Днище. Сборочный чертеж ТП 904-1-66.86 МБ.03.001 Обечайка ТП 904-1-66.86 МБ.04.000 Опора ТП 904-1-66.86 МБ.04.000 СБ Опора. Сборочный чертеж. Лист 1 ТП 904-1-66.86 МБ.04.001 Косынка ТП 904-1-66.86 ГШВ.250 00.00.000.ТУ Глушитель шума всасывания. Технические условия. Листы 1-8 ТП 904-1-66.86 ГШВ.250 00.00.000 ТУ Глушитель шума всасывания. Технические условия. Лист 9 ТП 904-1-66.86 ГШВ.250 00.00.000 Глушитель шума всасывания. ТП 904-1-66.86 ГШВ.250.00.00.000 СБ Глушитель шума всасывания. Сборочный чертеж ТП 904-1-66.86 ГШВ.250.01.00.000 Кассета звукопоглощающая ТП 904-1-66.86 ГШВ.250.01.00.000 СБ Кассета звукопоглощающая. Сборочный чертеж ТП 904-1-66.86 ГШВ.250.01.00.001 Лист перфорированный ТП 904-1-66.86 ГШВ.250.01.01.002 Перекладина ТП 904-1-66.86 ГШВ.250.01.01.000 Каркас ТП 904-1-66.86 ГШВ.250.01.01.000 СБ Каркас. Сборочный чертеж ТП 904-1-66.86 ГШВ.250.01.01.003 Перекладина ТП 904-1-66.86 ГШВ.250.01.01.001 Накладка ТП 904-1-66.86 ГШВ.250.01.02.000 Мат звукоизолирующий. Листы 1,2 ТП 904-1-66.86 ГШВ.250.01.02.000 Мат звукоизолирующий. Листы 3,4 ТП 904-1-66.86 ГШВ.250.01.02.000 СБ Мат звукоизолирующий. Сборочный чертеж ТП 904-1-66.86 ГШВ.250.02.00.000 Кассета звукопоглощающая. ТП 904-1-66.86 ГШВ.250.02.00.000 СБ Кассета звукопоглощающая. Сборочный чертеж ТП 904-1-66.86 ГШВ.250.02.01.000 Каркас ТП 904-1-66.86 ГШВ.250.02.01.000 СБ Каркас Сборочный чертеж ТП 904-1-66.86 ГШВ.250.03.00.000 Кассета звукопоглощающая ТП 904-1-66.86 ГШВ.250.03.01.000 СБ Кассета звукопоглощающая. Сборочный чертеж ТП 904-1-66.86 ГШВ.250.03.01.000 Каркас ТП 904-1-66.86 ГШВ.250.03.01.000 СБ Каркас. Сборочный чертеж ТП 904-1-66.86 ГШВ.250.04.00.000 Кассета звукопоглощающая. ТП 904-1-66.86 ГШВ.250.04.00.000 СБ Кассета звукопоглощающая. Сборочный чертеж ТП 904-1-66.86 ГШВ.250.04.01.000 Каркас. ТП 904-1-66.86 ГШВ.250.04.01.000 СБ Каркас. Сборочный чертеж ТП 904-1-66.86 ПВ.00.000 СБ Приспособление для выкатки воздухоохладителя. Сборочный чертеж ТП 904-1-66.86 ПВ.00.000 Приспособление для выкатки воздухоохладителя ТП 904-1-66.86 ПВ.00.001 Направляющая ТП 904-1-66.86 ПВ.00.002 Накладка. ТП 904-1-66.86 ПВ.00.003 Стяжка ТП 904-1-66.86 ПВ.00.004 Уголок ТП 904-1-66.86 МВ.00.000 ИТ Бак для масла. Исходные требования ТП 904-1-66.86 ГШВ.250.00.00.000 ИТ Глушитель шума всасывания. Исходные требования |
| Разработан: | Гипростройдормаш |
| Утверждён: | 28.03.1986 Минстройдормаш (Minstroydormash 13/86) |
| Издан: | ЦИТП Госстроя СССР (CITP, Gosstroy (USSR) 1987 г. ) |

































































































