Скачать Типовой проект 904-1-77.87 Альбом 6. Строительные конструкции и изделияДата актуализации: 01.01.2021
|
| Обозначение: | Типовой проект 904-1-77.87 |
| Обозначение англ: | 904-1-77.87 |
| Статус: | не действует |
| Название рус.: | Альбом 6. Строительные конструкции и изделия |
| Дата добавления в базу: | 01.09.2013 |
| Дата актуализации: | 01.01.2021 |
| Дата введения: | 11.09.1987 |
| Дата окончания срока действия: | 01.01.1990 |
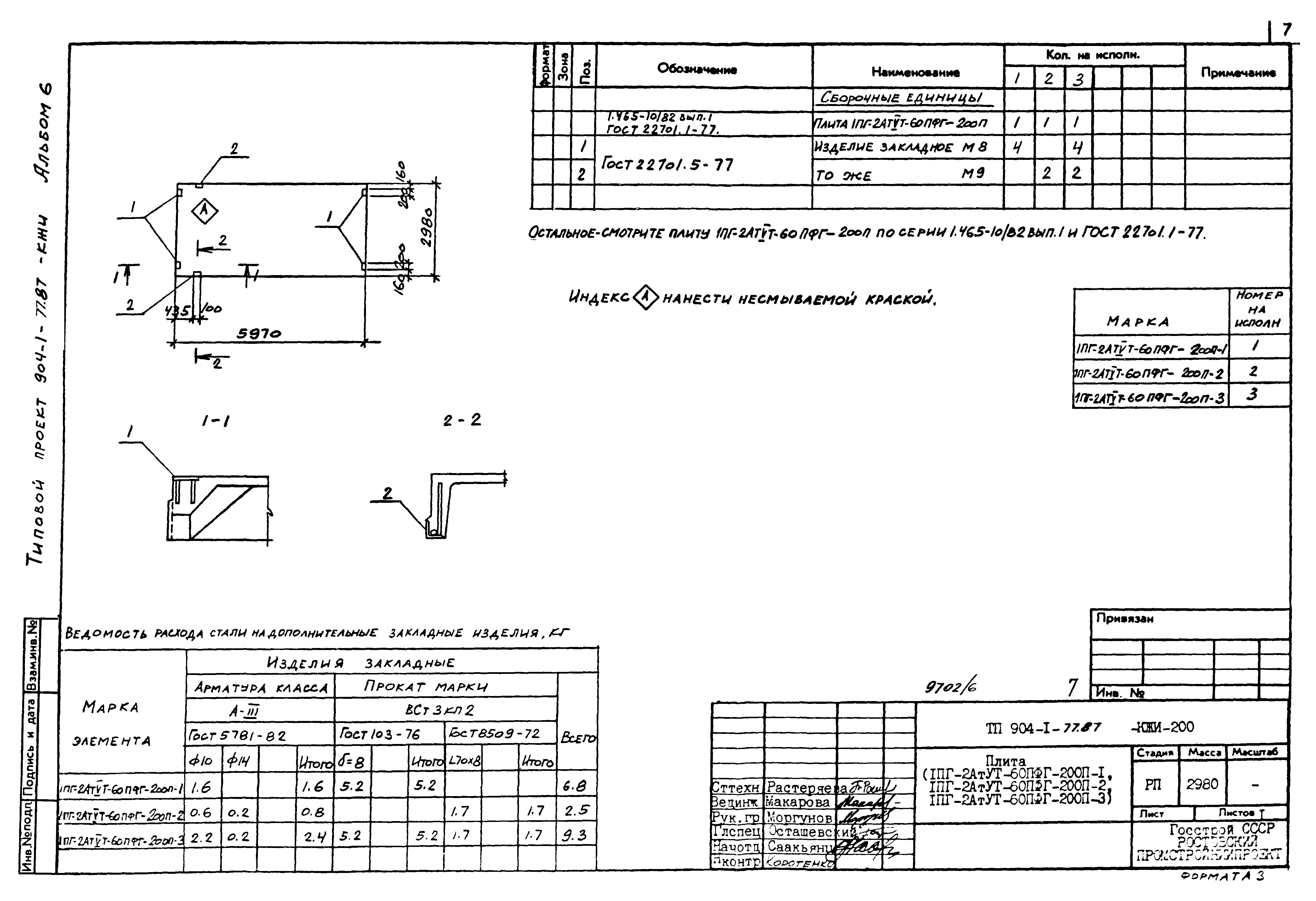
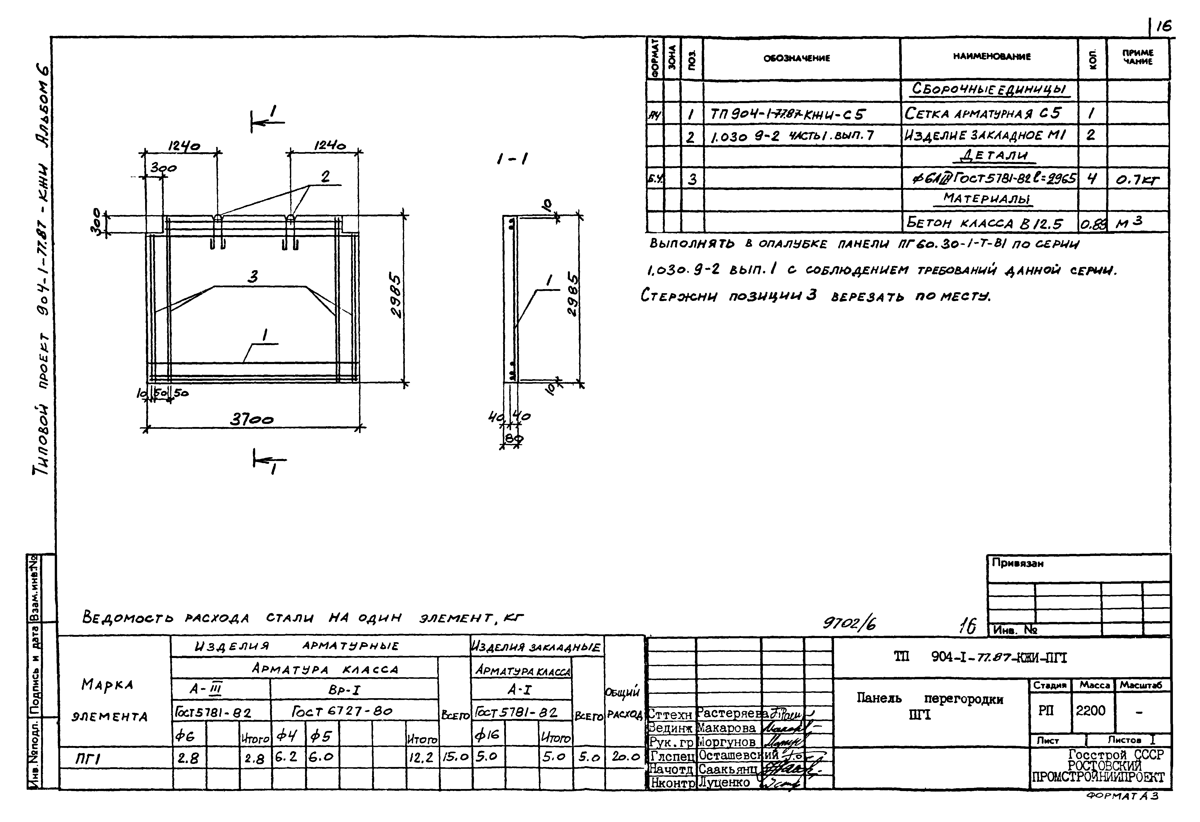
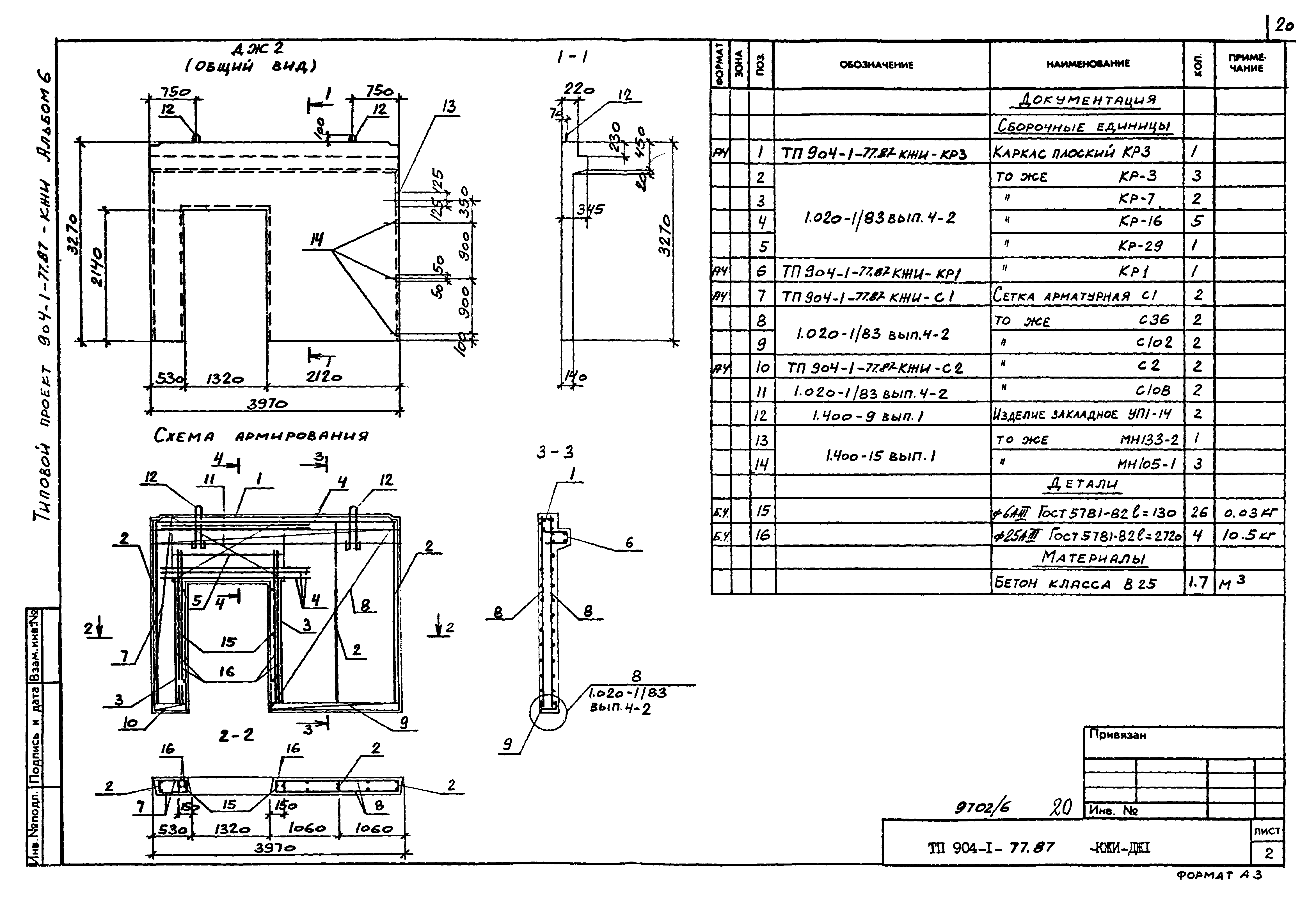
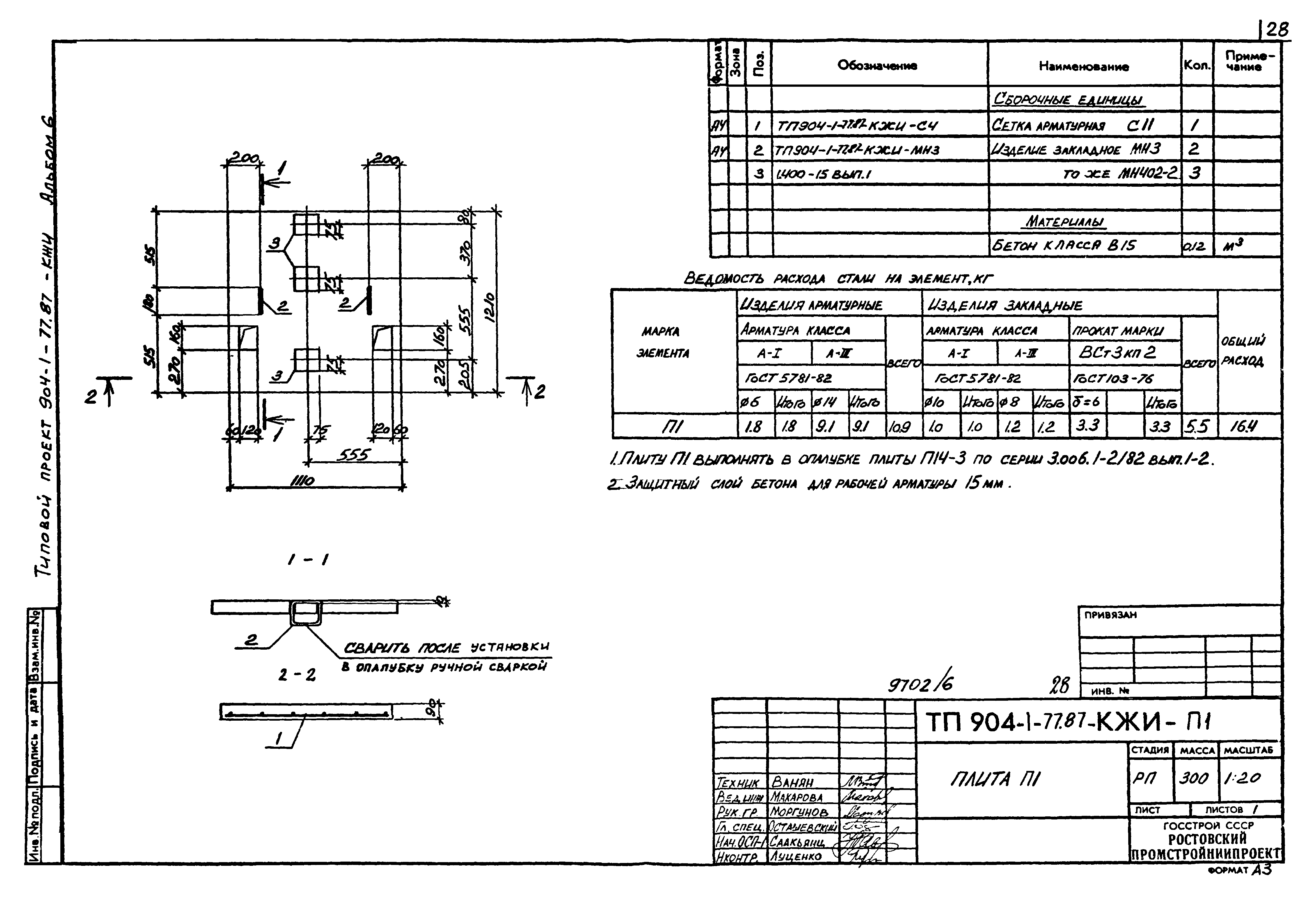
| Оглавление: | ТП 904-1-77.87-КЖИ-К60-7А-1 Колонна (К60-7А-1,К60-7А-2,К60-7А-3,К60-7А-4) ТП 904-1-77.87-КЖИ-1КФ67-1-1 Колонна 1КФ67-1-1 ТП 904-1-77.87-КЖИ-100 Балка (1БСП12-6АV-1,1БСП12-6АV-2) ТП 904-1-77.87-КЖИ-200 Плита (1ПГ-2АТVТ-60ПФГ-200П-1,1ПГ-2АТVТ-60ПФГ-200П-2,1ПГ-2АТVТ-60ПФГ-200П-3) ТП 904-1-77.87-КЖИ-201 Плита 1ПВ14-2АТVТ-60ПФГ-200П-1 ТП 904-1-77.87-КЖИ-300 Панель стеновая (ПС60.12.2.0-2л-31-а,ПС60.12.2.0-2л-31-б,ПС60.12.2.0-2л-31-г) ТП 904-1-77.87-КЖИ-301 Панель стеновая ПС60.12.2.0-2л-31-в ТП 904-1-77.87-КЖИ-302 Панель стеновая (ПС62.5.18.2.0-3л-а,ПС60.18.2.0-3л-а) ТП 904-1-77.87-КЖИ-303 Панель стеновая ПС60.18.2.0-3л-31-б ТП 904-1-77.87-КЖИ-304 Панель стеновая ПС60.18.2.0-3л-31-в ТП 904-1-77.87-КЖИ-305 Панель стеновая ПС60.18.2.0-3л-31-г ТП 904-1-77.87-КЖИ-306 Панель стеновая 2ПС17.18.2.0-л-73а ТП 904-1-77.87-КЖИ-Л13д-3-10 Лоток Л13д-3-10 ТП 904-1-77.87-КЖИ-307 Панель стеновая ПС30.18.2.0-6л-а ТП 904-1-77.87-КЖИ-308 Панель стеновая (ПС62.5.12.2.0-2л-2.31-а,ПС62.5.12.2.0-2л-2.31-б) ТП 904-1-77.87-КЖИ-ПС1 Панель стеновая ПС1 ТП 904-1-77.87-КЖИ-ПГ1 Панель перегородки ПГ1 ТП 904-1-77.87-КЖИ-ПГ60.18-2-т-а Панель перегородки ПГ60.18-2-т-а ТП 904-1-77.87-КЖИ-ПГ60.18-2-т-б Панель перегородки ПГ60.18-2-т-б ТП 904-1-77.87-КЖИ-ДЖ1 Диафрагма жесткости (ДЖ1-ДЖ3) ТП 904-1-77.87-КЖИ-ДЖ1 Диафрагма жесткости ДЖ1 ТП 904-1-77.87-КЖИ-Л27д-3-1 Лоток Л27д-3-1 ТП 904-1-77.87-КЖИ-Л27д-3-1 Лоток (Л13д-3-1,Л13д-3-2,Л13д-3-3,Л13д-3-8,Л10д-3-1) ТП 904-1-77.87-КЖИ-Л13д-3-4 Лоток (Л13д-3-4,Л13д-3-9) ТП 904-1-77.87-КЖИ-Л13д-3-5 Лоток (Л13д-3-5,Л13д-3-6) ТП 904-1-77.87-КЖИ-Л2д-8-1 Лоток (Л2д-8-1,Л5д-8-1,Л13д-3-7) ТП 904-1-77.87-КЖИ-П5д-5-1 Плита (П5д-5-1,П7д-3-1,П10д-3-1) ТП 904-1-77.87-КЖИ-П1 Плита П1 ТП 904-1-77.87-КЖИ-П2 Плита П2 ТП 904-1-77.87-КЖИ-П3 Плита П3 ТП 904-1-77.87-КЖИ-РС1 Рамка стальная РС1 ТП 904-1-77.87-КЖИ- 1ПГ48-8-1 Перемычка 1ПГ48-8-1 ТП 904-1-77.87-КЖИ-Н1 Нащельник Н1 ТП 904-1-77.87-КЖИ-ТТ Технические требования к изготовлению арматурных и закладных изделий ТП 904-1-77.87-КЖИ-Щ1 Щит Щ1 ТП 904-1-77.87-КЖИ-МН1 Изделие закладное МН1 ТП 904-1-77.87-КЖИ-МН2 Изделие закладное МН2 ТП 904-1-77.87-КЖИ-МН3 Изделие закладное МН3 ТП 904-1-77.87-КЖИ-МС1 Изделие соединительное МС1 ТП 904-1-77.87-КЖИ-МН5 Изделие закладное МН5 ТП 904-1-77.87-КЖИ-МН4 Изделие закладное МН4 ТП 904-1-77.87-КЖИ-С1 Сетка арматурная (С1,С3) ТП 904-1-77.87-КЖИ-С2 Сетка арматурная (С2,С4) ТП 904-1-77.87-КЖИ-С5 Сетка арматурная С5 ТП 904-1-77.87-КЖИ-С12 Сетка арматурная С12 ТП 904-1-77.87-КЖИ-С6 Сетка арматурная С6 ТП 904-1-77.87-КЖИ-С7 Сетка арматурная С7 ТП 904-1-77.87-КЖИ-С8 Сетка арматурная С8 ТП 904-1-77.87-КЖИ-С9 Сетка арматурная С9 ТП 904-1-77.87-КЖИ-МС2 Изделие соединительное МС2 ТП 904-1-77.87-КЖИ-С10 Сетка арматурная (С10,С11) ТП 904-1-77.87-КЖИ-КР1 Каркас плоский (КР1,КР2) ТП 904-1-77.87-КЖИ-КР3 Каркас плоский КР3 ТП 904-1-77.87-КЖИ-ЖР1 Жалюзийная решетка ЖР1 |
| Разработан: | Ростовский Промстройниипроект Госстроя СССР |
| Утверждён: | 11.09.1987 Минстройдормаш (Minstroydormash 518) |
| Издан: | ЦИТП Госстроя СССР (CITP, Gosstroy (USSR) 1988 г. ) |












































