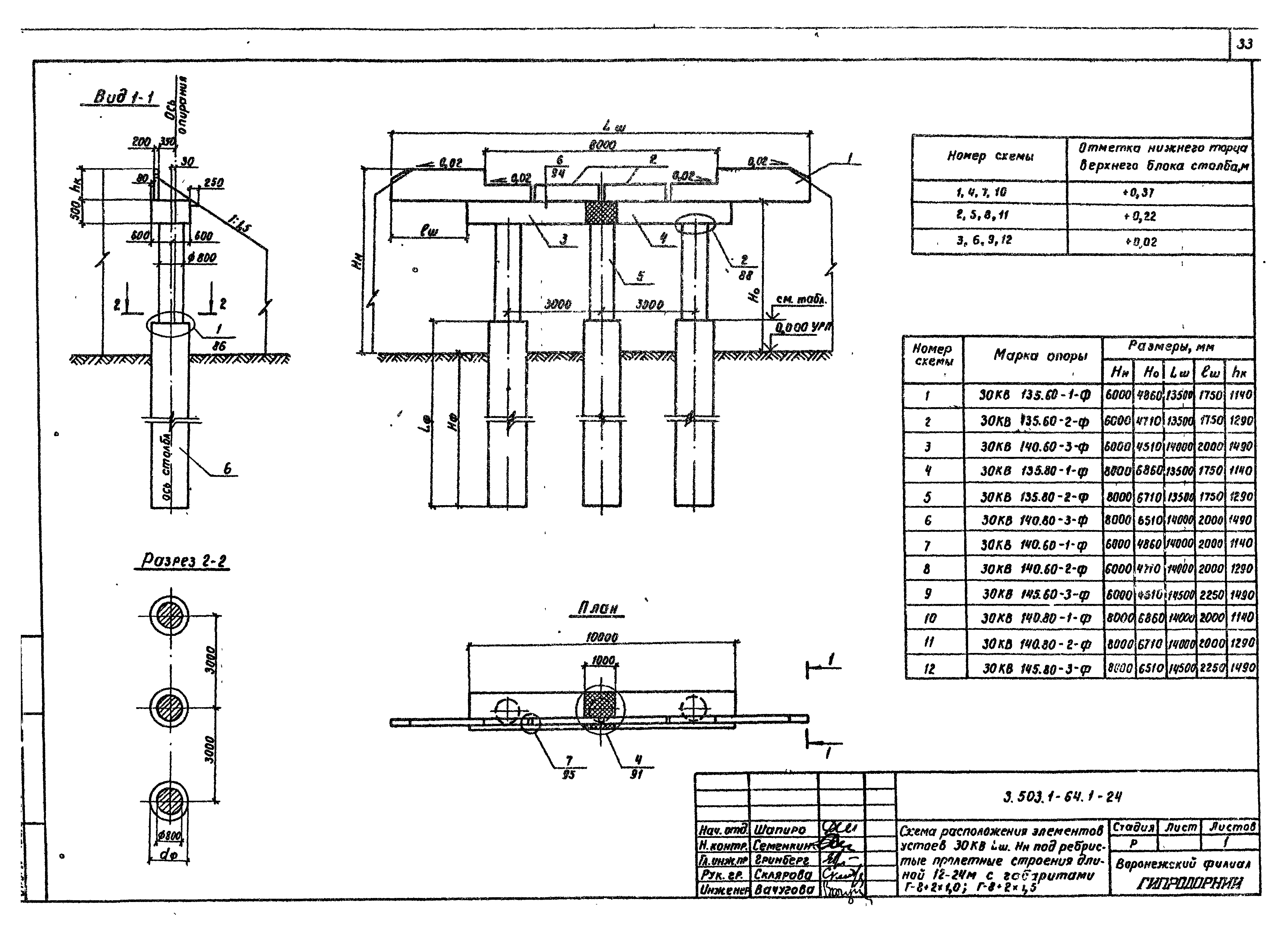
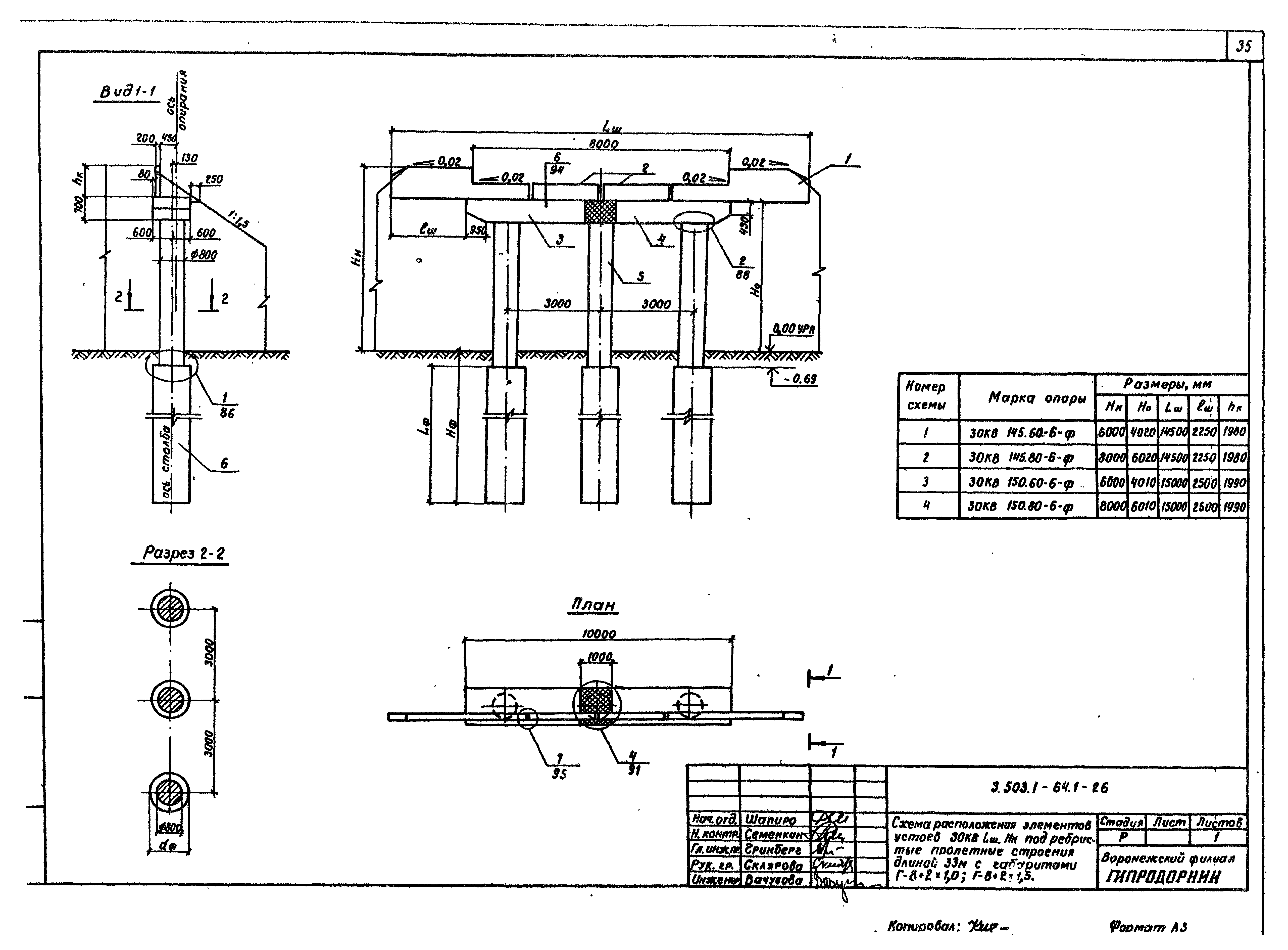
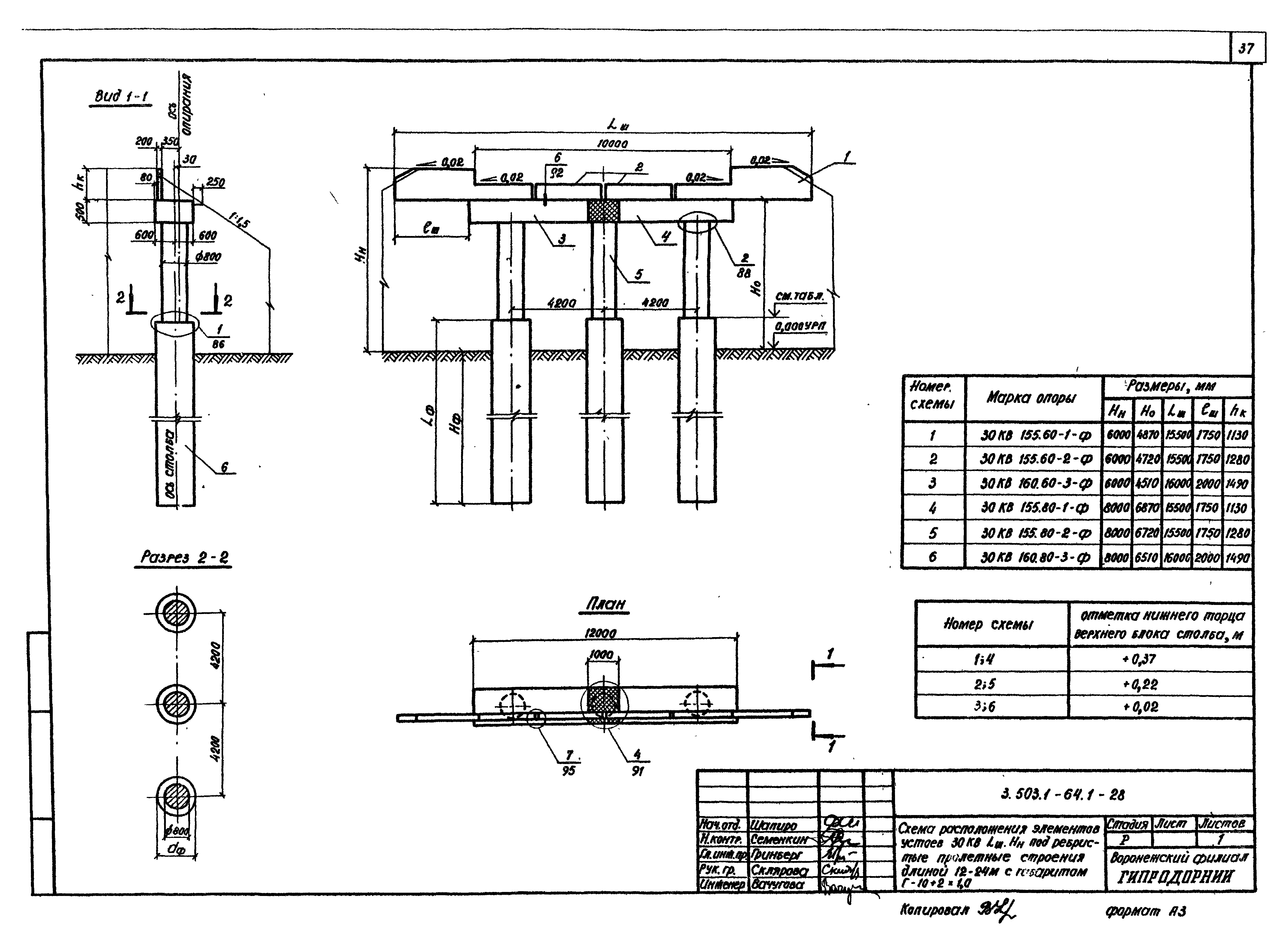
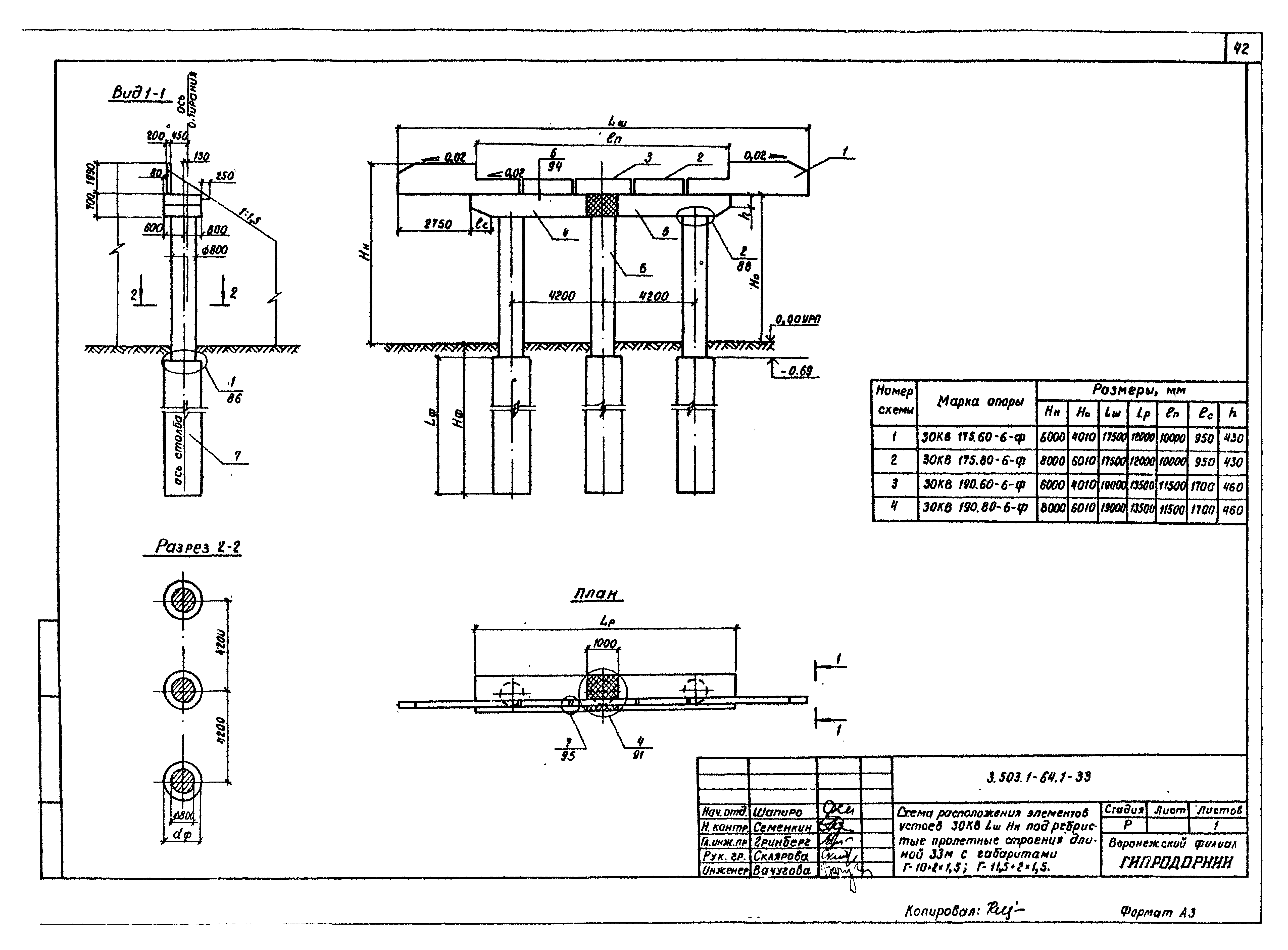
Скачать Серия 3.503.1-64 Выпуск 1. Конструкции крайних опор. Рабочие чертежиДата актуализации: 01.01.2021 Серия 3.503.1-64
Выпуск 1. Конструкции крайних опор. Рабочие чертежи| Обозначение: | Серия 3.503.1-64 | | Обозначение англ: | Series 3.503.1-64 | | Статус: | не действует | | Название рус.: | Выпуск 1. Конструкции крайних опор. Рабочие чертежи | | Дата добавления в базу: | 01.09.2013 | | Дата актуализации: | 01.01.2021 | | Дата введения: | 01.08.1985 | | Дата окончания срока действия: | 01.08.1992 | | Разработан: | Воронежский филиал ГипродорНИИ
| | Утверждён: | 25.07.1985 Министерство автомобильных дорог РСФСР (14)
| | Чем заменён: | |
                                                                                                                 
|