Скачать Типовые проектные решения 407-03-345.83 Альбом II. ЧертежиДата актуализации: 01.01.2021
|
| Обозначение: | Типовые проектные решения 407-03-345.83 |
| Обозначение англ: | 407-03-345.83 |
| Статус: | справочные материалы, мп, тпр |
| Название рус.: | Альбом II. Чертежи |
| Дата добавления в базу: | 01.09.2013 |
| Дата актуализации: | 01.01.2021 |
| Дата введения: | 02.02.1983 |
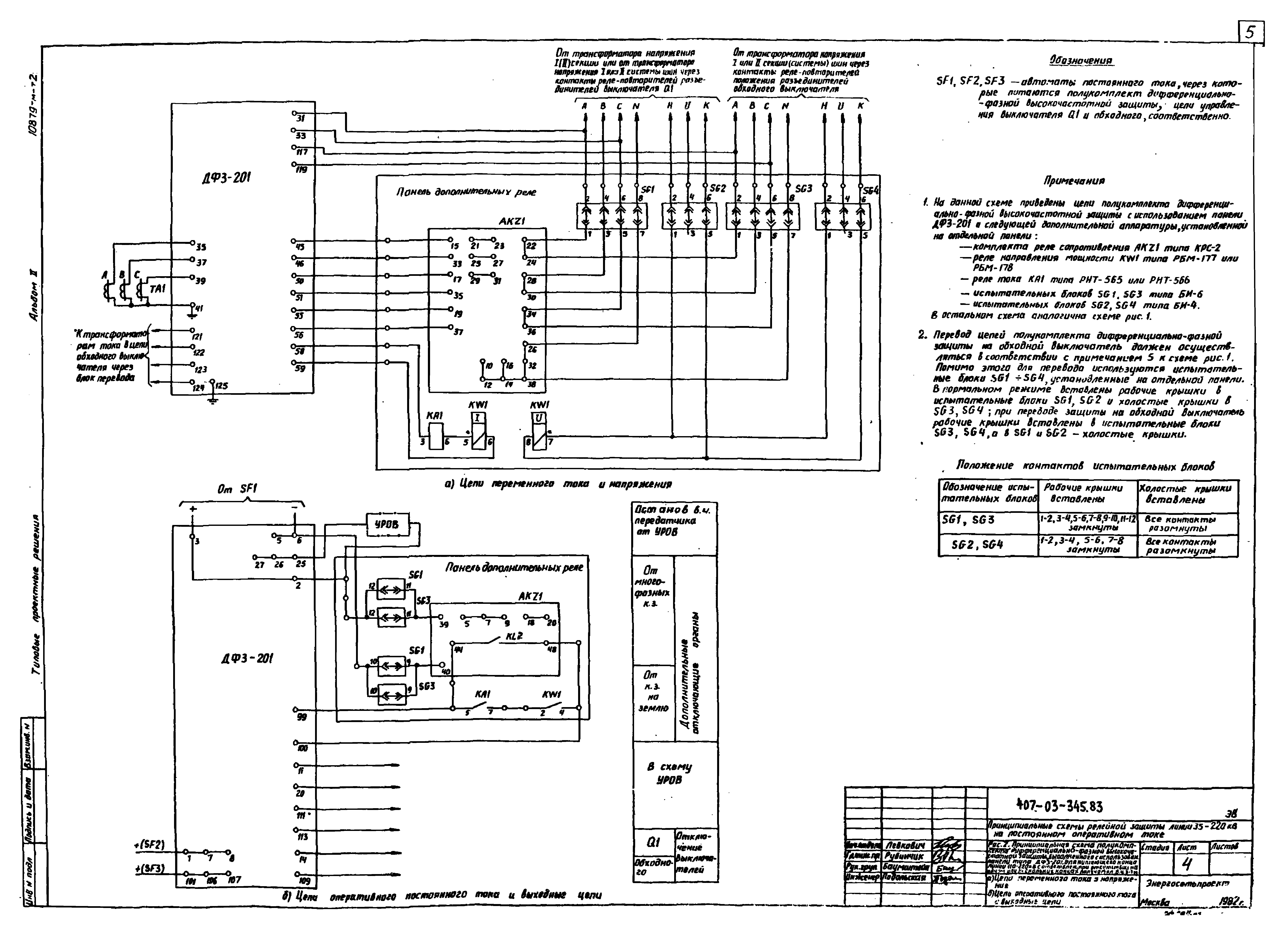
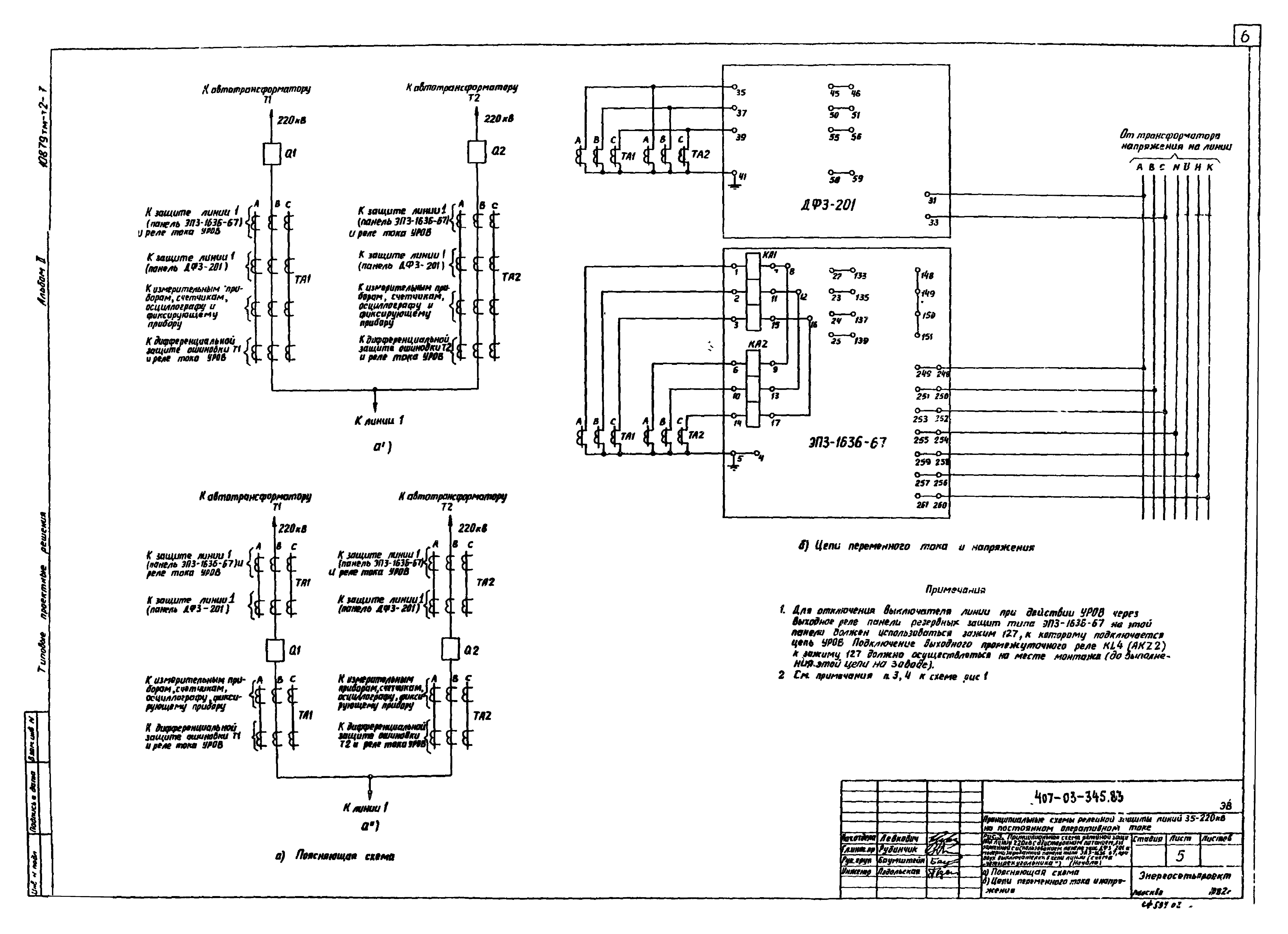
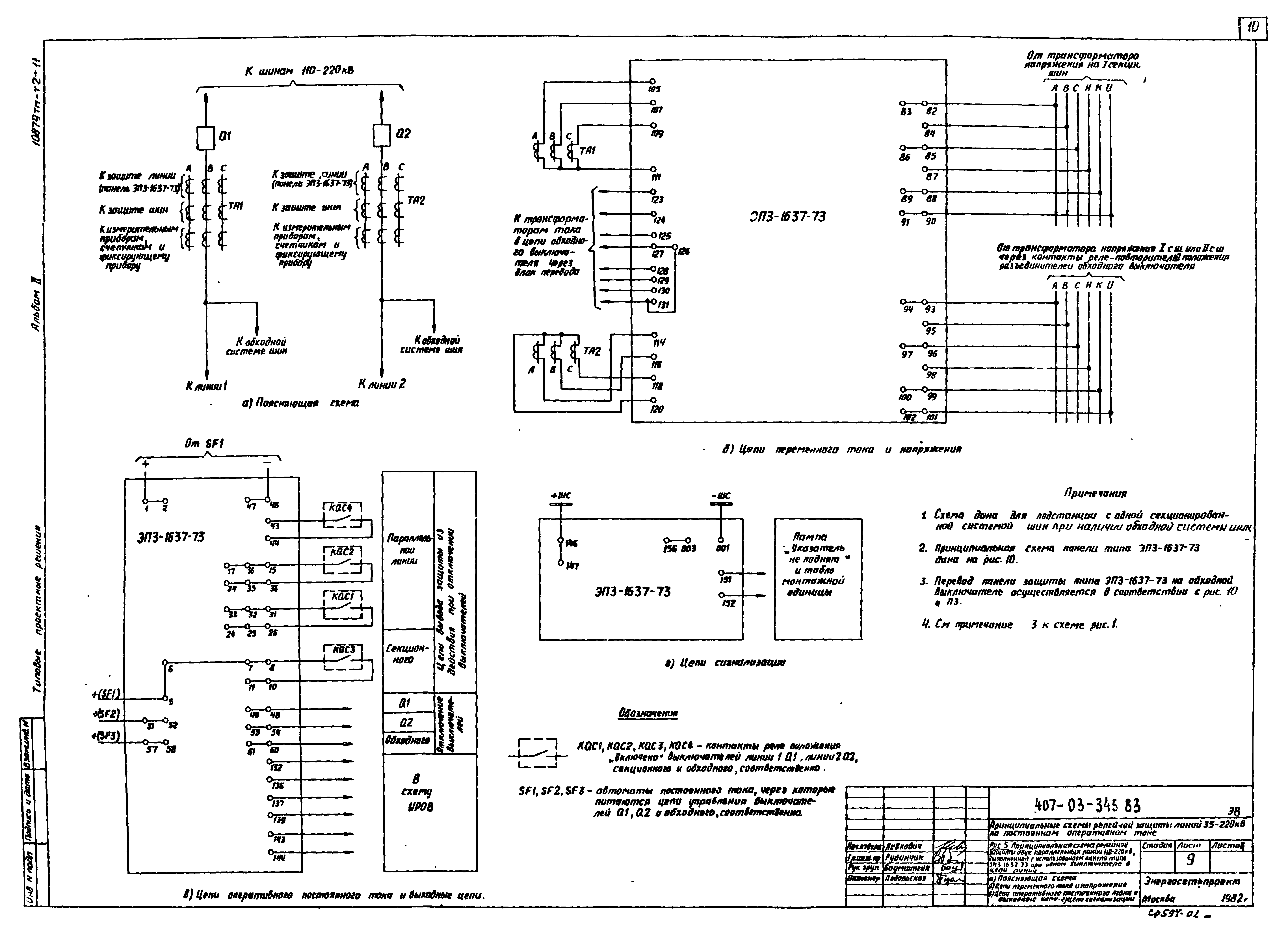
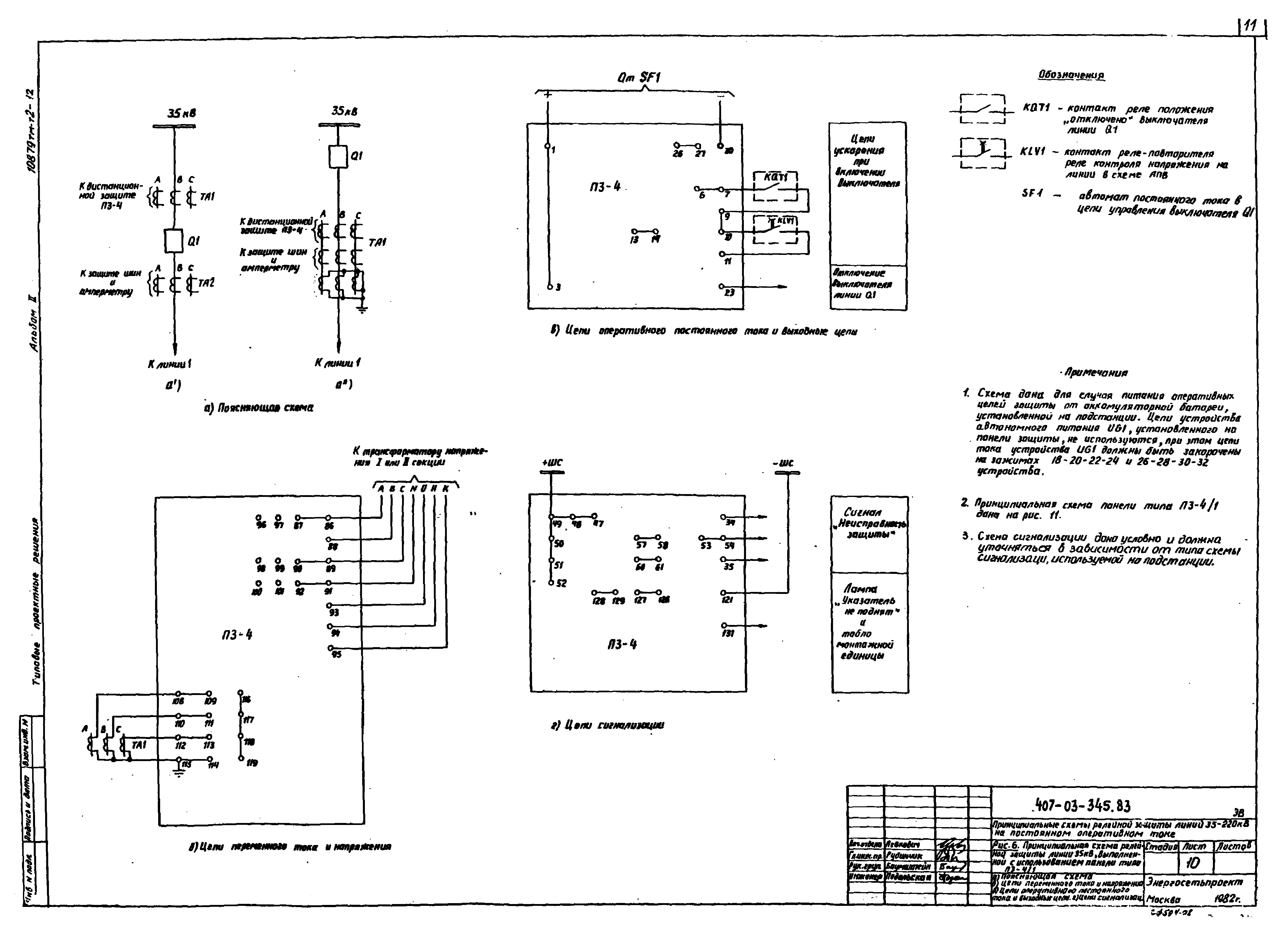
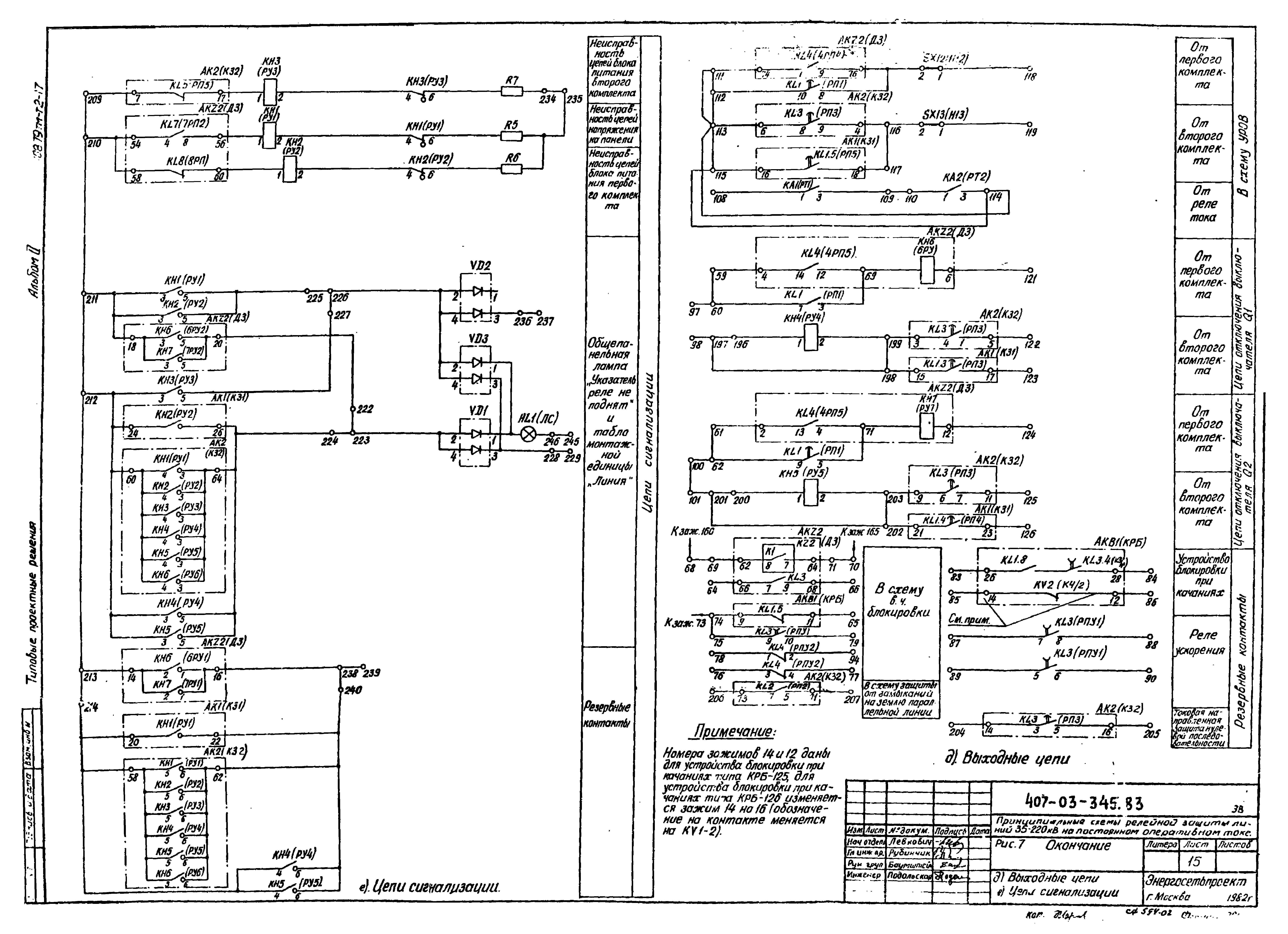
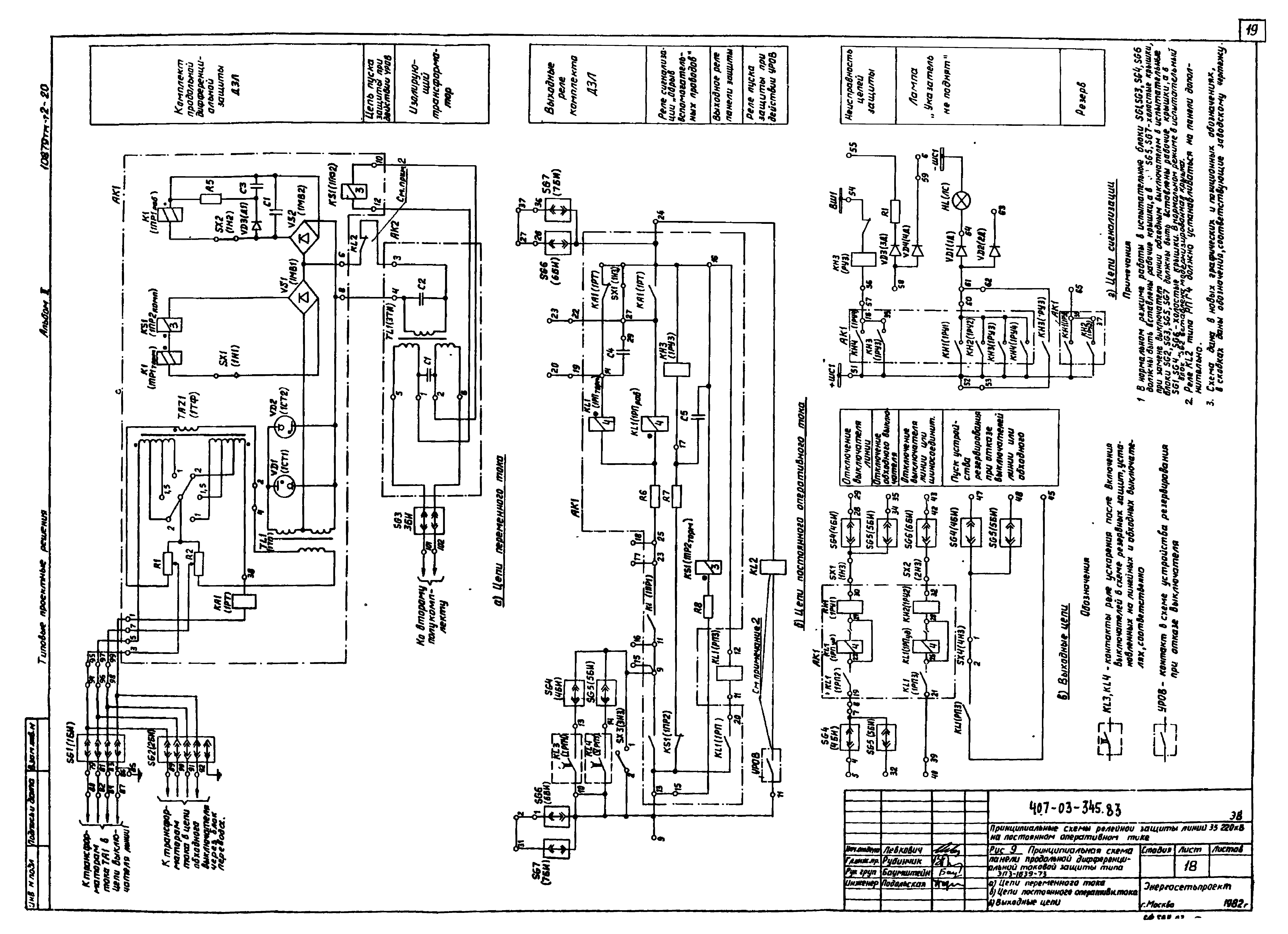
| Оглавление: | ТП 407-03-345.83 Титульный лист ТП 407-03-345.83-ЭВ-1 Содержание альбома ТП 407-03-345.83-ЭВ-2 Рис.1 Принципиальная схема релейной защиты линии 110-220 кВ с двусторонним питанием, выполненной с использованием панели типа ДФ3-201 и модернизированной панели типа ЭПЗ-1636-67, при одном выключателе в цепи линии (начало) ТП 407-03-345.83-ЭВ-2 а) Поясняющая схема ТП 407-03-345.83-ЭВ-2 б) Цепи переменного тока и напряжения ТП 407-03-345.83-ЭВ-3 Рис.1 Окончание ТП 407-03-345.83-ЭВ-3 в) Цепи оперативного постоянного тока и выходные цепи ТП 407-03-345.83-ЭВ-3 г) Цепи сигнализации ТП 407-03-345.83-ЭВ-4 Рис.2 Принципиальная схема полукомплекта дифференциально-фазной высокочастотной защиты, выполненного с использованием панели типа ДФЗ 201, для питающего конца линии 110-220 кВ с ответвлениями при отсутствии на одном или нескольких концах полукомплектов высокочастотной защиты ТП 407-03-345.83-ЭВ-4 а) Цепи переменного тока и напряжения ТП 407-03-345.83-ЭВ-4 б) Цепи оперативного постоянного тока и выходные цепи ТП 407-03-345.83-ЭВ-5 Рис.3 Принципиальная схема релейной защиты линии 220 кВ с двусторонним питанием, выполненной с использованием панели типа ДФЗ-201 и модернизированной панели типа ЭЛЗ163667, при двух выключателях в цепи линии (схема "четырехугольника") (начало) ТП 407-03-345.83-ЭВ-5 а) Поясняющая схема ТП 407-03-345.83-ЭВ-5 б) Цепи переменного тока и напряжения ТП 407-03-345.83-ЭВ-6 Рис.3 Окончание ТП 407-03-345.83-ЭВ-6 в) Цепи оперативного постоянного тока и выходные цепи ТП 407-03-345.83-ЭВ-6 г) Цепи сигнализации ТП 407-03-345.83-ЭВ-7 Рис.4 Принципиальная схема релейной защиты линий 110-220 кВ с двусторонним питанием, выполненной с использованием панели типа ЭПЗ-163873 и модернизированной панели типа ЭПЗ-1636-67, при одном выключателе в цепи линии (начало) ТП 407-03-345.83-ЭВ-7 а) Поясняющая схема ТП 407-03-345.83-ЭВ-7 б) Цепи переменного тока и напряжения ТП 407-03-345.83-ЭВ-8 Рис.4 Окончание ТП 407-03-345.83-ЭВ-8 в) Цепи оперативного постоянного тока и выходные цепи ТП 407-03-345.83-ЭВ-8 г) Цепи сигнализации ТП 407-03-345.83-ЭВ-9 Рис.5 Принципиальная схема релейной защиты двух параллельных линий 110-220 кВ, выполненной с использованием панели типа ЭПЗ-1637-73, при одном выключателе в цепи линии ТП 407-03-345.83-ЭВ-9 а) Поясняющая схема ТП 407-03-345.83-ЭВ-9 б) Цепи переменного тока и напряжения ТП 407-03-345.83-ЭВ-9 в) Цепи оперативного постоянного тока и выходные цепи ТП 407-03-345.83-ЭВ-9 г) Цепи сигнализации ТП 407-03-345.83-ЭВ-10 Рис.6 Принципиальная схема релейной защиты линии 35 кВ, выполненной с использованием панели типа ПЗ-4/1 ТП 407-03-345.83-ЭВ-10 а) Поясняющая схема ТП 407-03-345.83-ЭВ-10 б) Цепи переменного тока и напряжения ТП 407-03-345.83-ЭВ-10 в) Цепи оперативного постоянного тока и выходные цепи ТП 407-03-345.83-ЭВ-10 г) Цепи сигнализации ТП 407-03-345.83-ЭВ-11 Рис.7 Принципиальная схема модернизированной панели релейной защиты типа ЭПЗ-1636-67 (начало) ТП 407-03-345.83-ЭВ-11 а) Цепи переменного тока и цепи напряжения первого комплекта (вариант с КРБ-126) ТП 407-03-345.83-ЭВ-12 Рис.7 Продолжение ТП 407-03-345.83-ЭВ-12 б) Цепи переменного тока и цепи напряжения второго комплекта ТП 407-03-345.83-ЭВ-13 Рис.7 Продолжение ТП 407-03-345.83-ЭВ-13 в) Цепи оперативного постоянного тока первого комплекта ТП 407-03-345.83-ЭВ-14 Рис.7 Продолжение ТП 407-03-345.83-ЭВ-14 в) Цепи оперативного постоянного тока второго комплекта ТП 407-03-345.83-ЭВ-15 Рис.7 Окончание ТП 407-03-345.83-ЭВ-15 д) Выходные цепи ТП 407-03-345.83-ЭВ-15 е) Цепи сигнализации ТП 407-03-345.83-ЭВ-16 Рис.8 Принципиальная схема панели продольной дифференциальной токовой защиты типа ЭПЗ-1638-73 (начало) ТП 407-03-345.83-ЭВ-16 а) Цепи переменного тока и напряжения ТП 407-03-345.83-ЭВ-17 Рис.8 Окончание ТП 407-03-345.83-ЭВ-17 б) Цепи оперативного постоянного тока ТП 407-03-345.83-ЭВ-17 в) Выходные цепи ТП 407-03-345.83-ЭВ-17 г) Цепи сигнализации ТП 407-03-345.83-ЭВ-18 Рис.9 Принципиальная схема панели продольной дифференциальной токовой защиты типа ЭПЗ-1639-73 ТП 407-03-345.83-ЭВ-18 а) Цепи переменного тока и напряжения ТП 407-03-345.83-ЭВ-18 б) Цепи оперативного постоянного тока ТП 407-03-345.83-ЭВ-18 в) Выходные цепи ТП 407-03-345.83-ЭВ-19 Рис.10 Принципиальная схема панели поперечной дифференциальной токовой направленной защиты типа ЭПЗ-1637-73 (начало) ТП 407-03-345.83-ЭВ-19 а) Цепи переменного тока и напряжения ТП 407-03-345.83-ЭВ-20 Рис.10 Окончание ТП 407-03-345.83-ЭВ-20 б) Цепи оперативного постоянного тока ТП 407-03-345.83-ЭВ-20 в) Выходные цепи ТП 407-03-345.83-ЭВ-20 г) Цепи сигнализации ТП 407-03-345.83-ЭВ-21 Рис.11 Принципиальная схема панели дистанционной защиты типа ПЗ-4/1 (начало) ТП 407-03-345.83-ЭВ-21 а) Цепи переменного тока и напряжения ТП 407-03-345.83-ЭВ-22 Рис.11 Продолжение ТП 407-03-345.83-ЭВ-22 а) Цепи переменного тока и напряжения ТП 407-03-345.83-ЭВ-23 Рис.11 Окончание ТП 407-03-345.83-ЭВ-23 б) Цепи оперативного постоянного тока ТП 407-03-345.83-ЭВ-23 в) Выходные цепи и цепи сигнализации ТП 407-03-345.83-ЭВ-24 Рис.П1 Принципиальная схема панель дифференциально-фазной высокочастотной защиты типа ДФЗ201 (начало) ТП 407-03-345.83-ЭВ-24 а) Цепи переменного тока и напряжения ТП 407-03-345.83-ЭВ-25 Рис.П1 Окончание ТП 407-03-345.83-ЭВ-25 б) Цепи оперативного постоянного тока ТП 407-03-345.83-ЭВ-25 в) Схема органа сравнения фаз токов ТП 407-03-345.83-ЭВ-25 г) Цепи сигнализации ТП 407-03-345.83-ЭВ-25 д) Цепи отключения ТП 407-03-345.83-ЭВ-26 Рис.П2 Схема перевода цепей тока быстродействующих защит линий, выполненных с использованием панелей типа ЭПЗ-1638-73 (ЭПЗ-1639-73) и ДФЗ-201 на трансформаторы тока в цепи обходного выключателя ТП 407-03-345.83-ЭВ-26 а) Поясняющая схема ТП 407-03-345.83-ЭВ-26 б) Цепи переменного тока ТП 407-03-345.83-ЭВ-27 Рис.П3 Схема перевода цепей тока поперечной дифференциальной токовой направленной защиты параллельных линий, выполненной с использованием панели типа ЭПЗ-1637-73, на трансформаторы тока в цепи обходного выключателя ТП 407-03-345.83-ЭВ-27 а) Поясняющая схема ТП 407-03-345.83-ЭВ-27 б) Цепи переменного тока |
| Разработан: | Институт Энергосетьпроект |
| Утверждён: | 02.02.1983 Минэнерго СССР (USSR Minenergo 2) |




























