Скачать Типовой проект 407-3-411.86 Альбом III. Открытое распредустройство. Конструкции железобетонные. Наружная канализацияДата актуализации: 01.01.2021
|
| Обозначение: | Типовой проект 407-3-411.86 |
| Обозначение англ: | 407-3-411.86 |
| Статус: | не определен законодательством |
| Название рус.: | Альбом III. Открытое распредустройство. Конструкции железобетонные. Наружная канализация |
| Дата добавления в базу: | 01.09.2013 |
| Дата актуализации: | 01.01.2021 |
| Дата введения: | 16.07.1986 |
| Дата окончания срока действия: | 30.06.2003 |
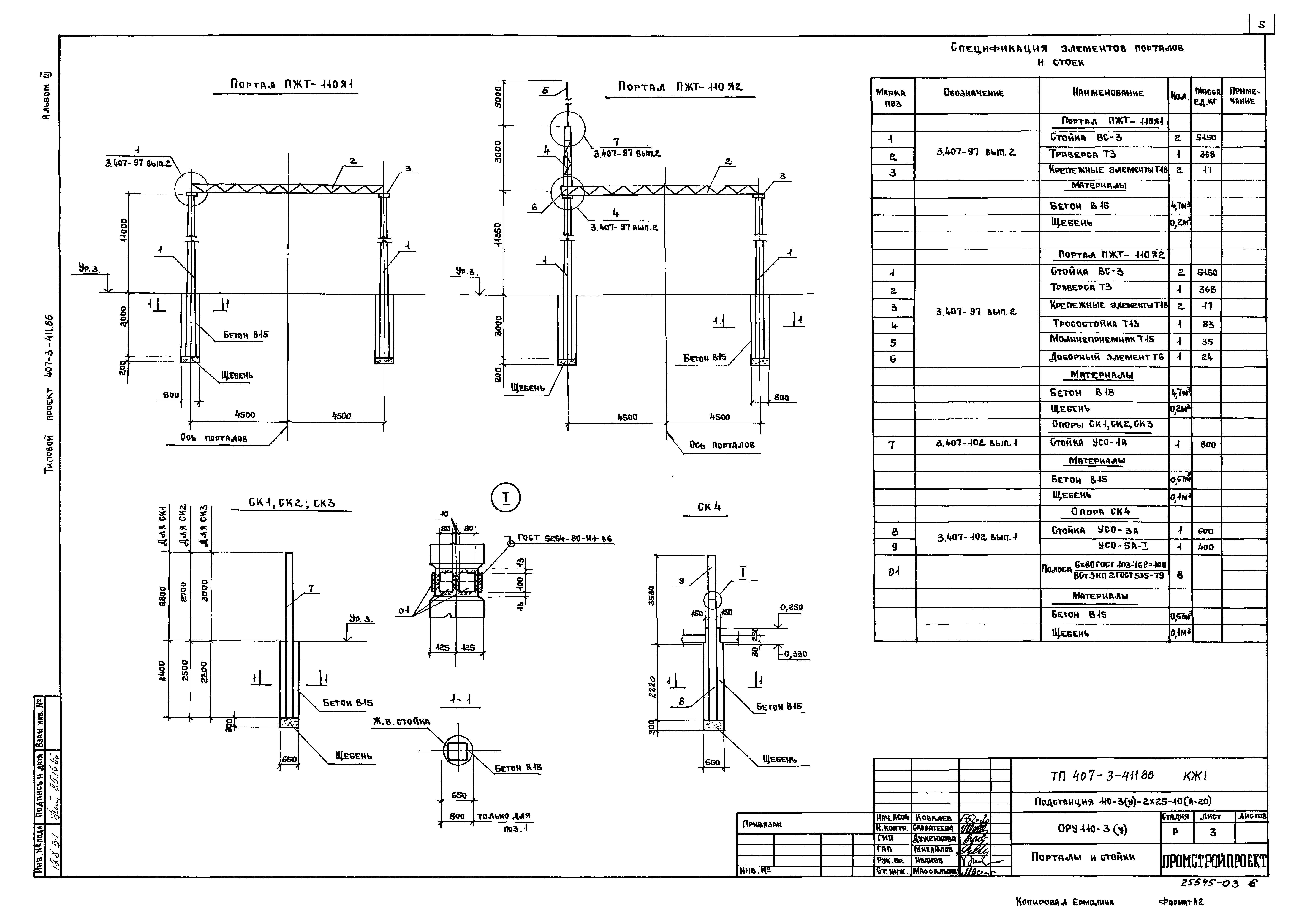
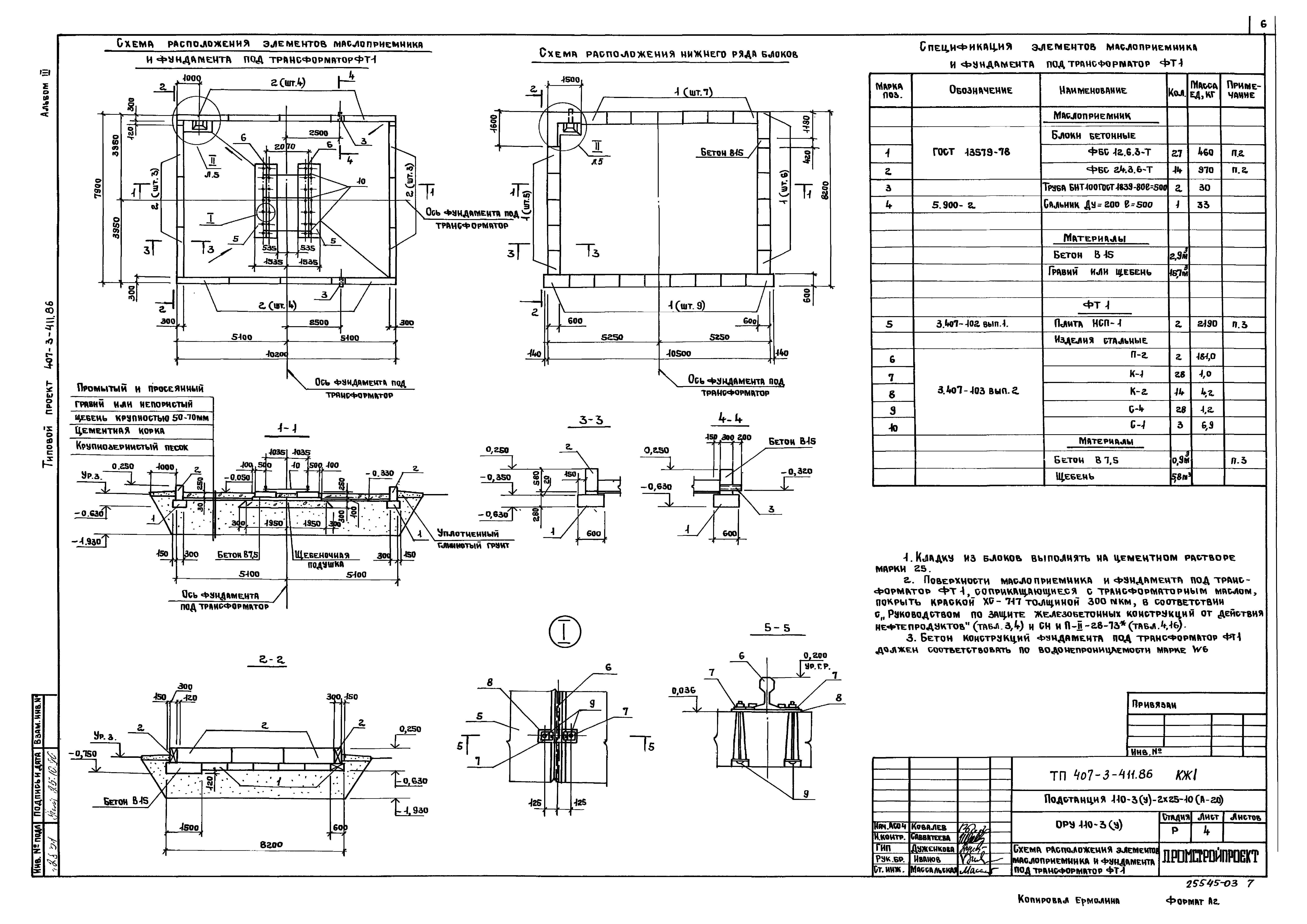
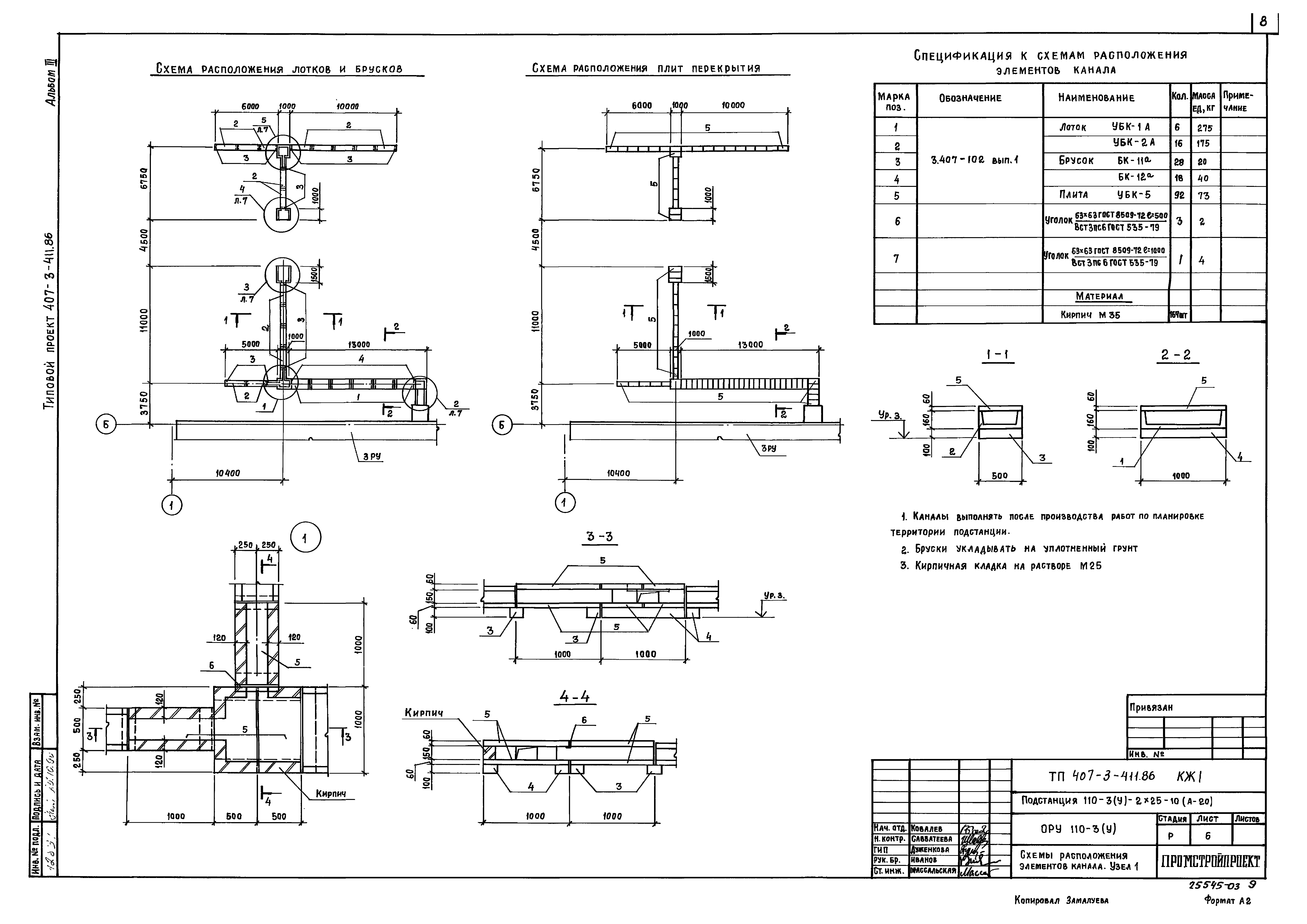
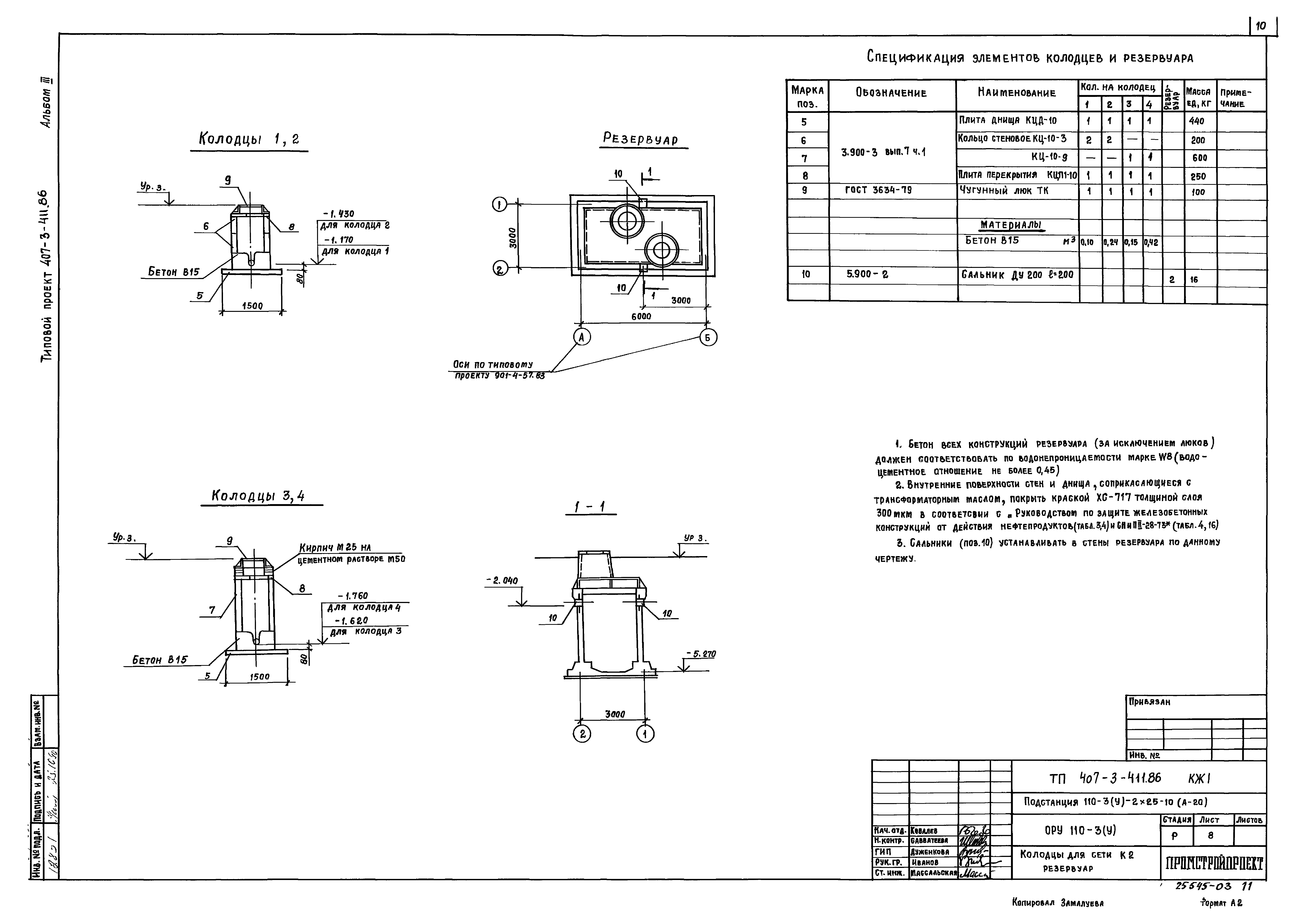
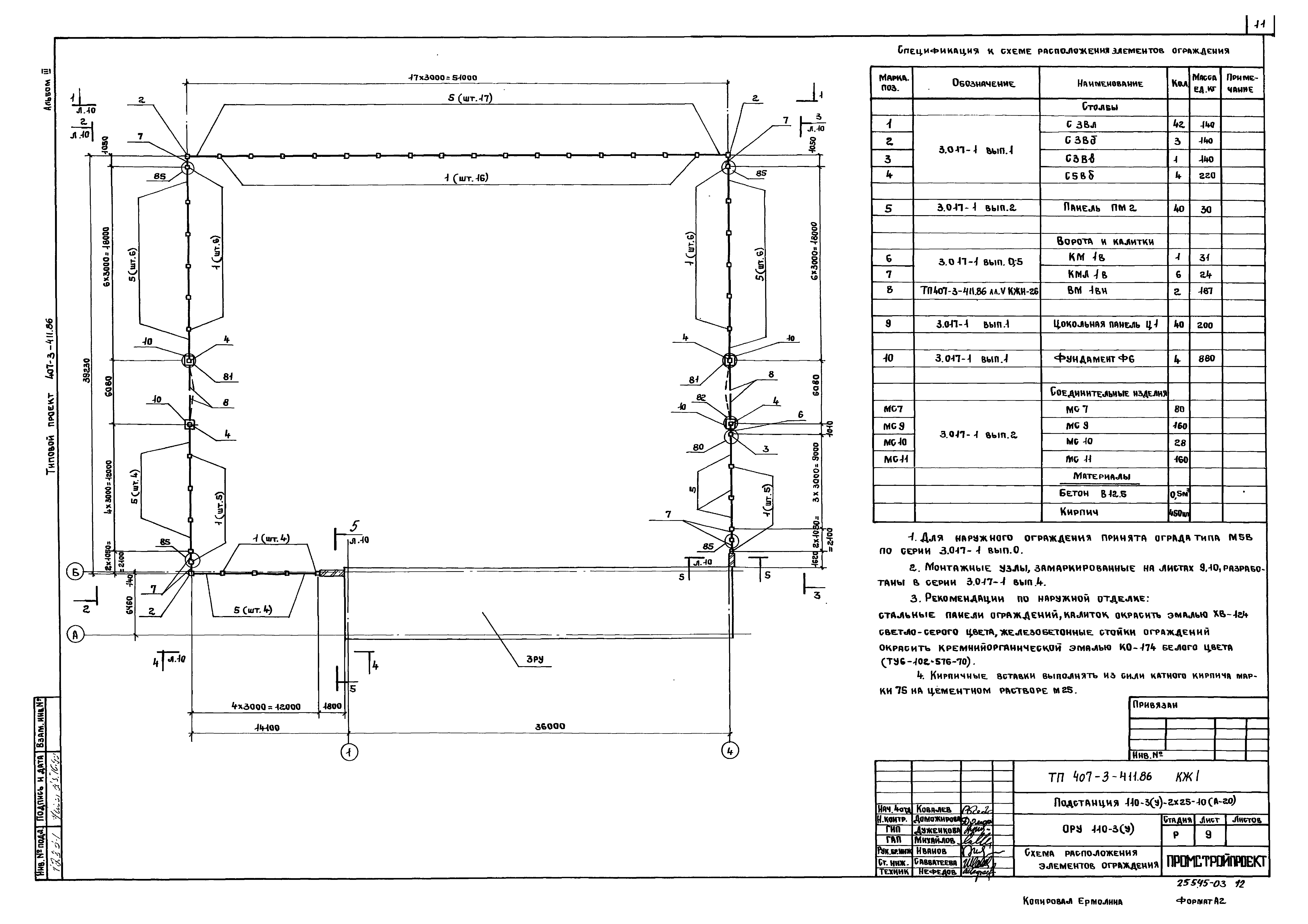
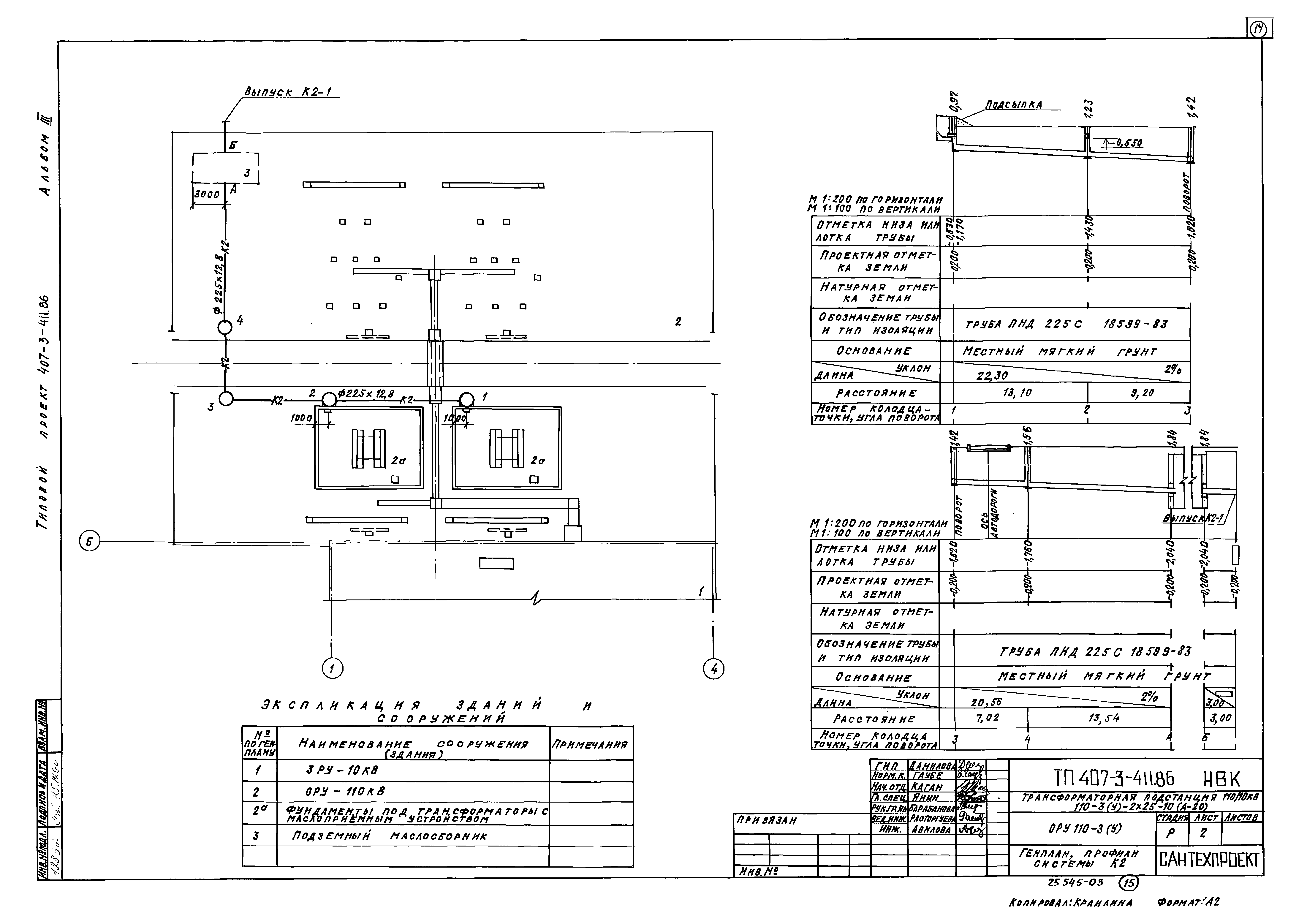
| Оглавление: | ТП 407-3-411.86 Титульный лист ТП 407-3-411.86 Опись альбома ТП 407-3-411.86-КЖ Лист 1 Общие данные ТП 407-3-411.86-КЖ Лист 2 Схема расположения элементов ОРУ ТП 407-3-411.86-КЖ Лист 3 Порталы и стойки ТП 407-3-411.86-КЖ Лист 4 Схема расположения элементов маслоприемника и фундамента под трансформатор ФТ1 ТП 407-3-411.86-КЖ Лист 5 Узел 2. Молниеотвод МЖ-24,3. УМ1 ТП 407-3-411.86-КЖ Лист 6 Схема расположения элементов канала. Узел 1 ТП 407-3-411.86-КЖ Лист 7 Узлы 2...5 ТП 407-3-411.86-КЖ Лист 8 Колодцы для сети К2. Резервуар ТП 407-3-411.86-КЖ Лист 9 Схема расположения элементов ограждения ТП 407-3-411.86-КЖ Лист 10 Виды 1-1...5-5 ТП 407-3-411.86-НВК Лист 1 Общие данные ТП 407-3-411.86-НВК Лист 2 Генплан, профили системы К2 |
| Разработан: | ГПИ Электропроект |
| Утверждён: | 16.07.1986 Минмонтажспецстрой СССР (USSR Minmontazhspetsstroy ) |














