Скачать Типовой проект 902-9-6 Альбом III. Строительные изделияДата актуализации: 01.01.2021
|
| Обозначение: | Типовой проект 902-9-6 |
| Обозначение англ: | 902-9-6 |
| Статус: | действует |
| Название рус.: | Альбом III. Строительные изделия |
| Дата добавления в базу: | 01.09.2013 |
| Дата актуализации: | 01.01.2021 |
| Дата введения: | 30.11.1979 |
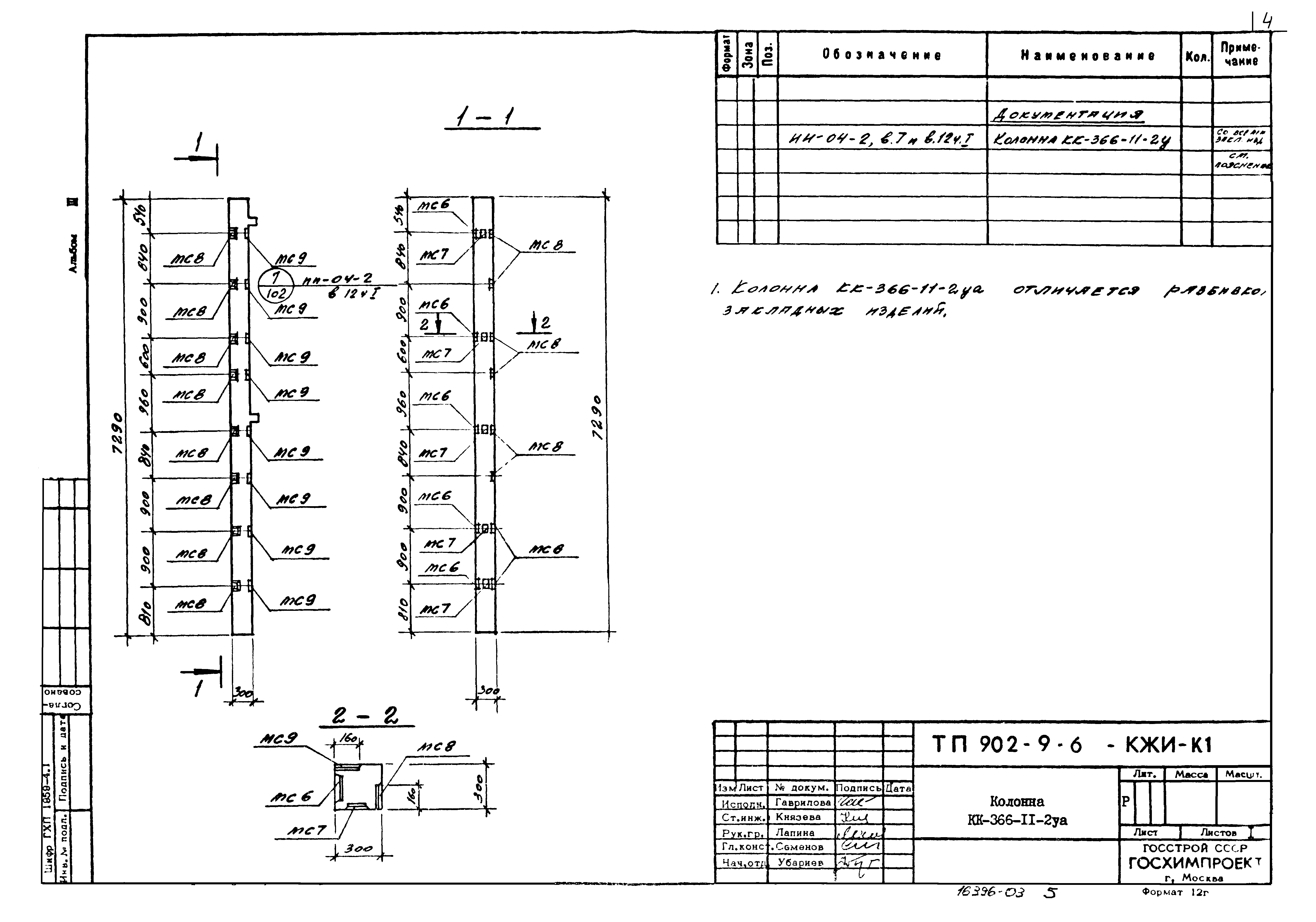
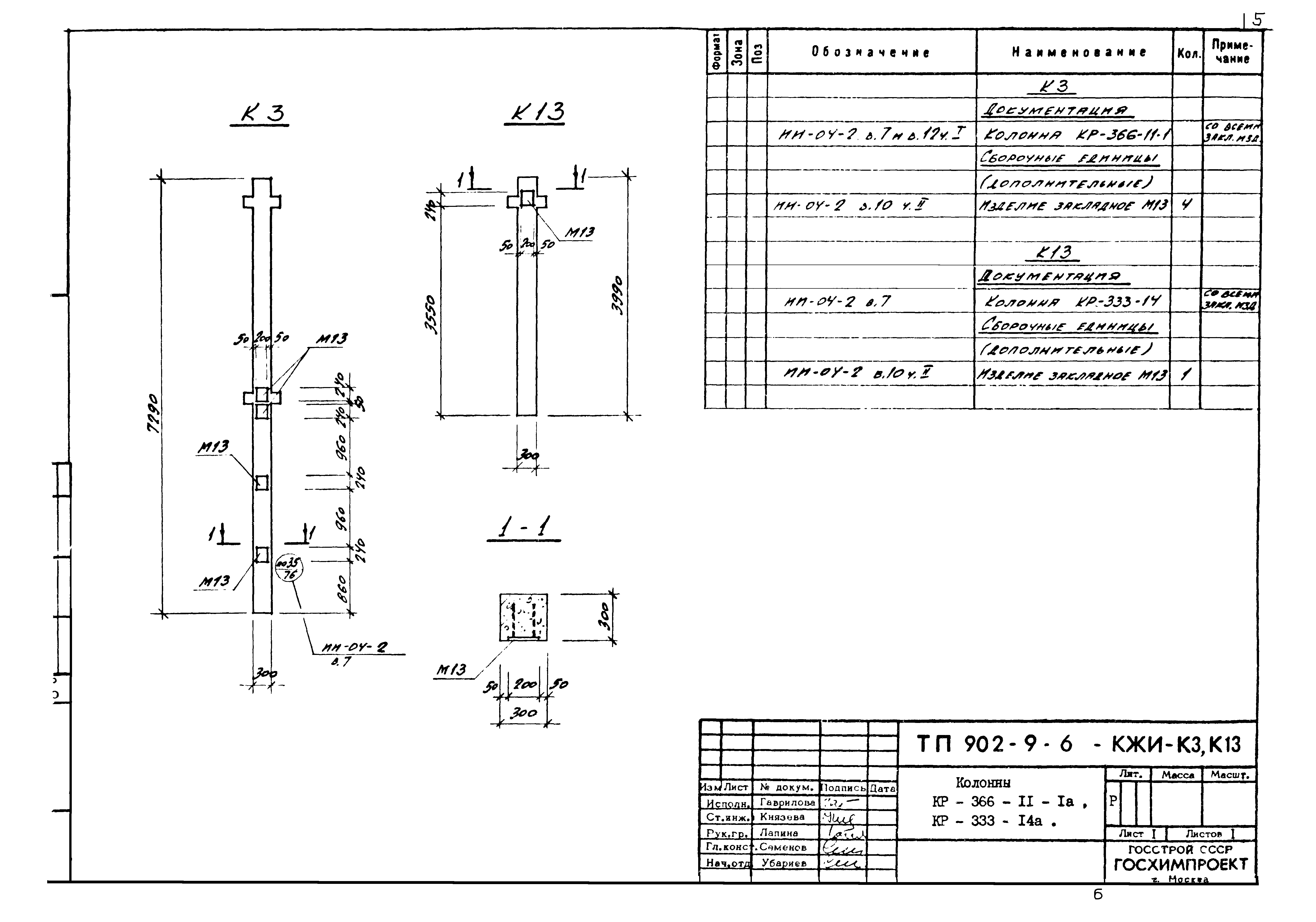
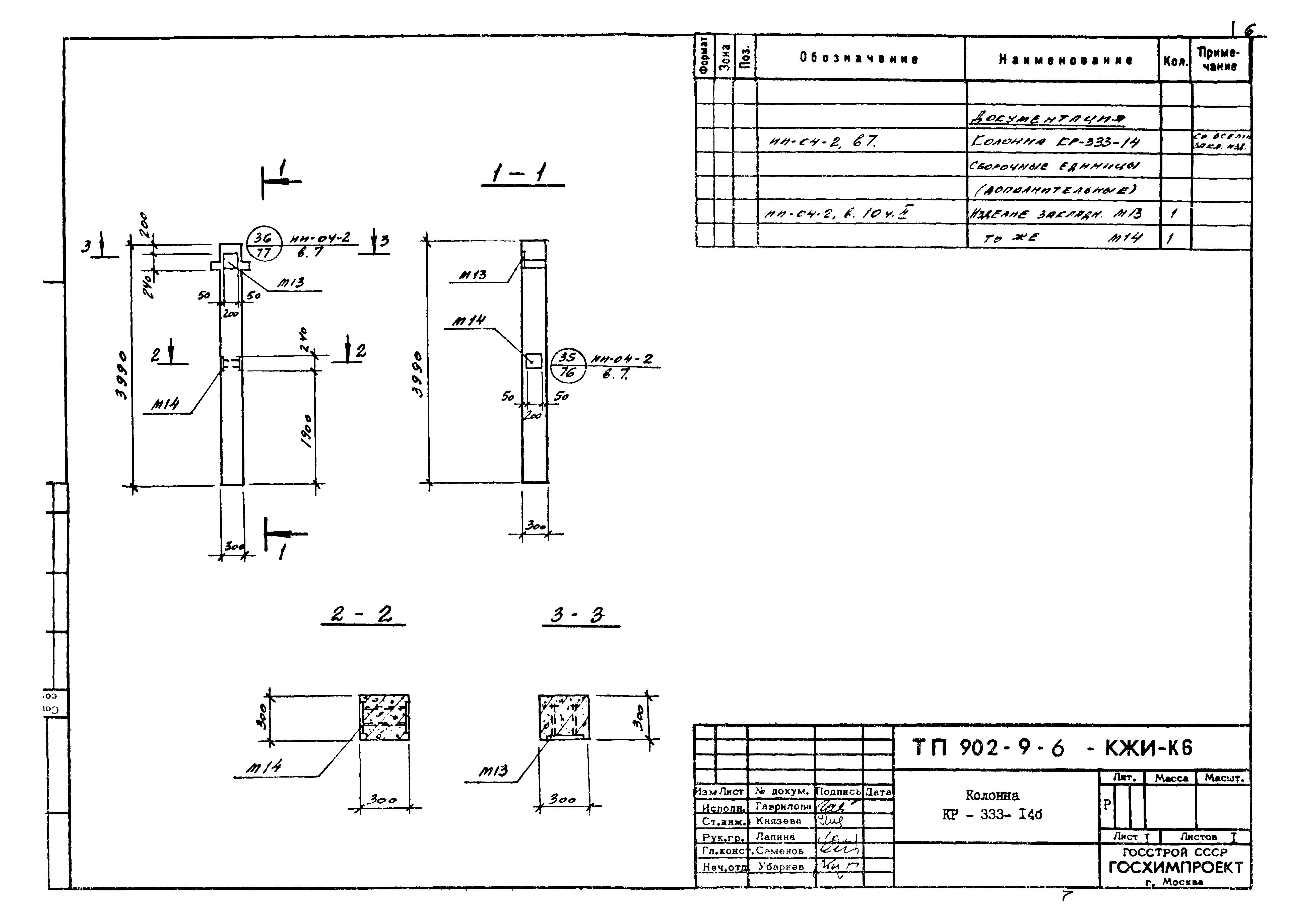
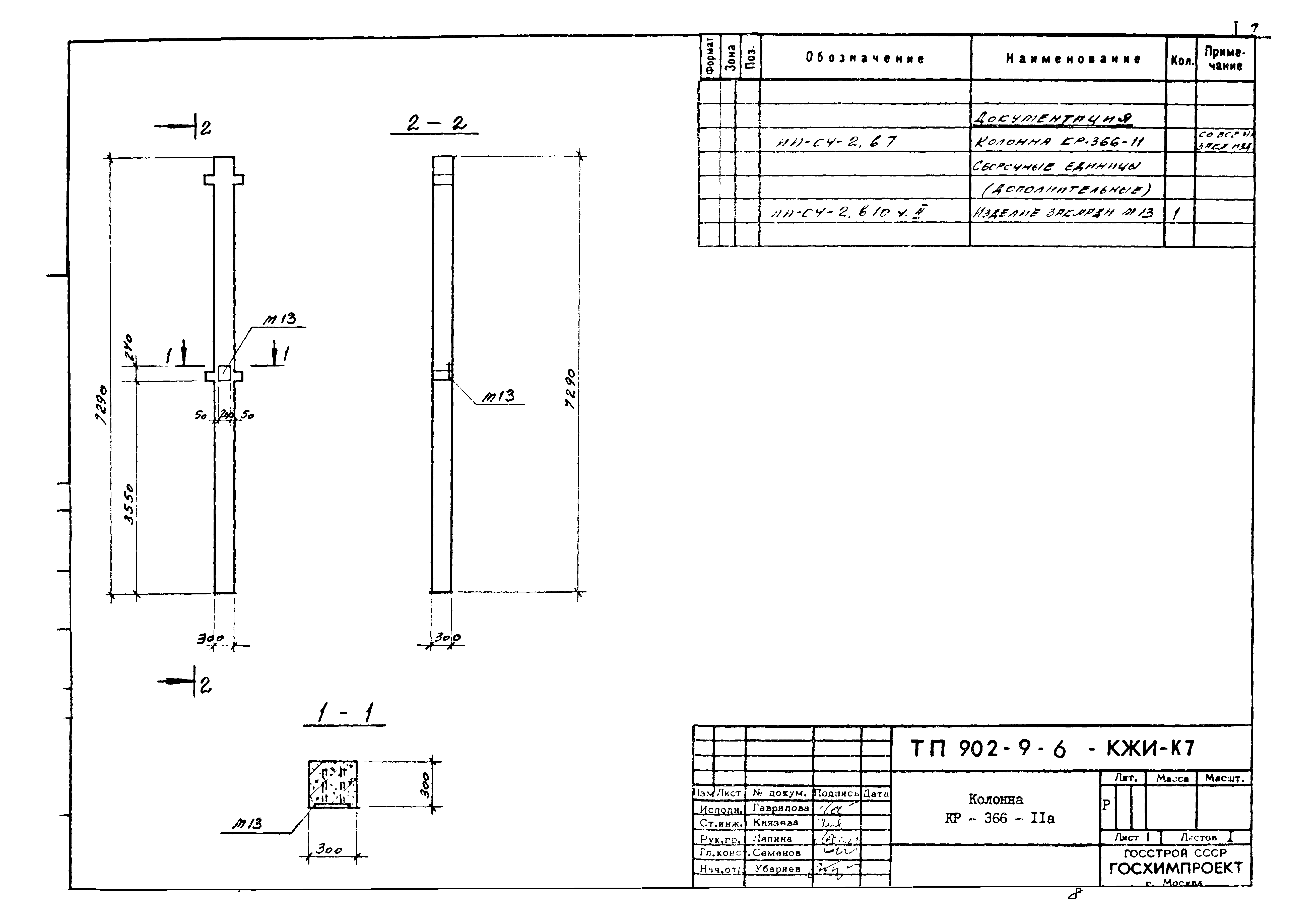
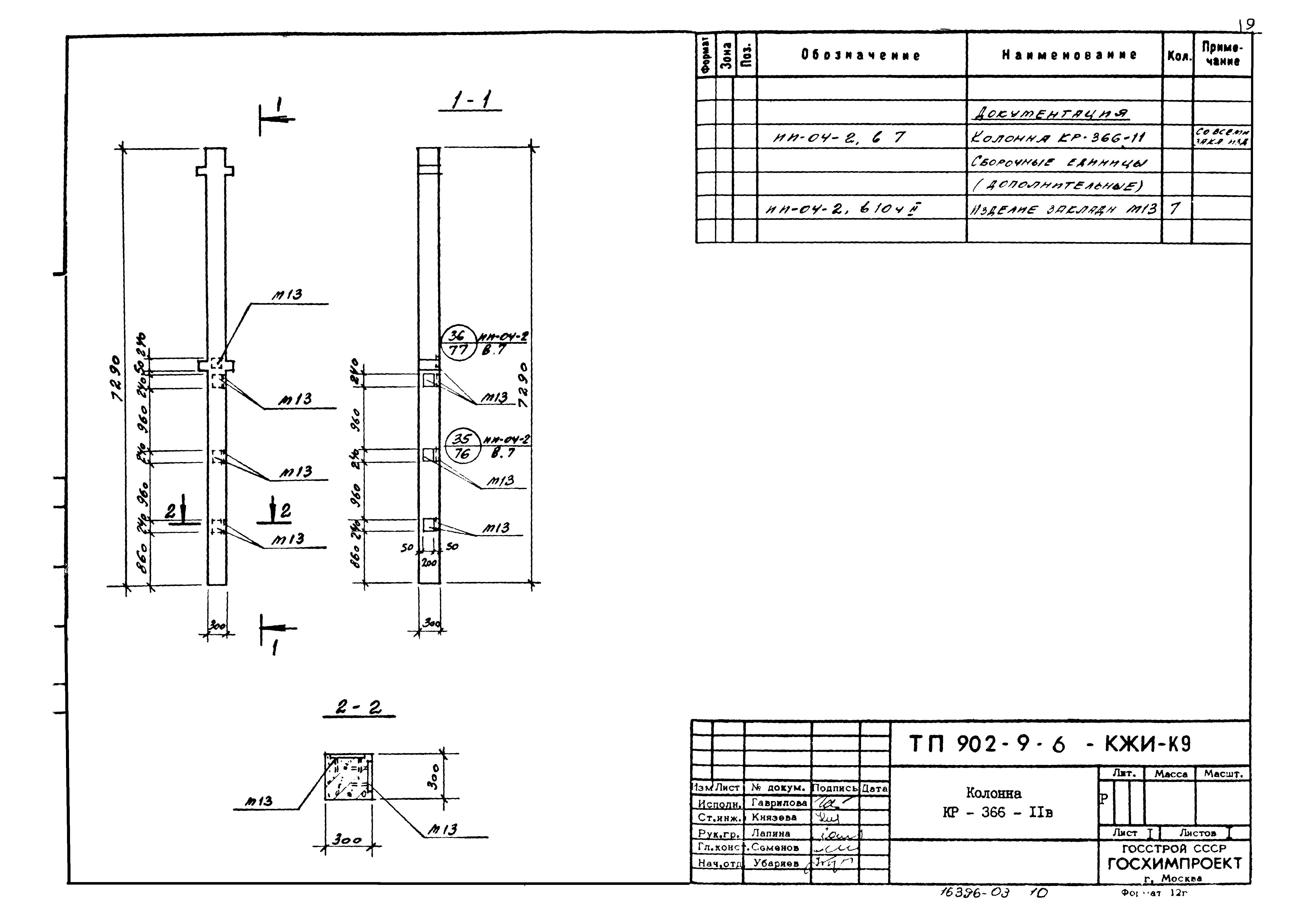
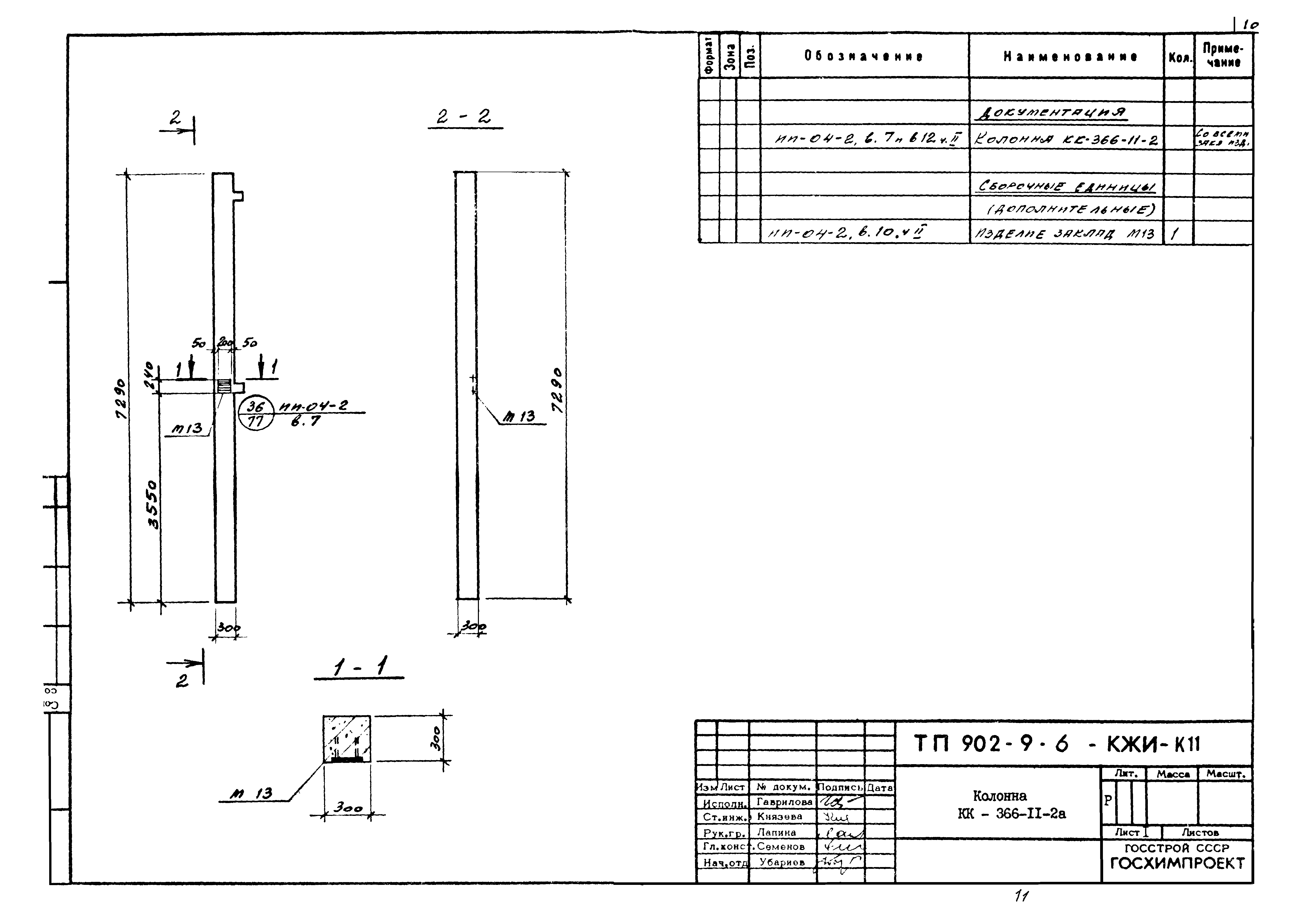
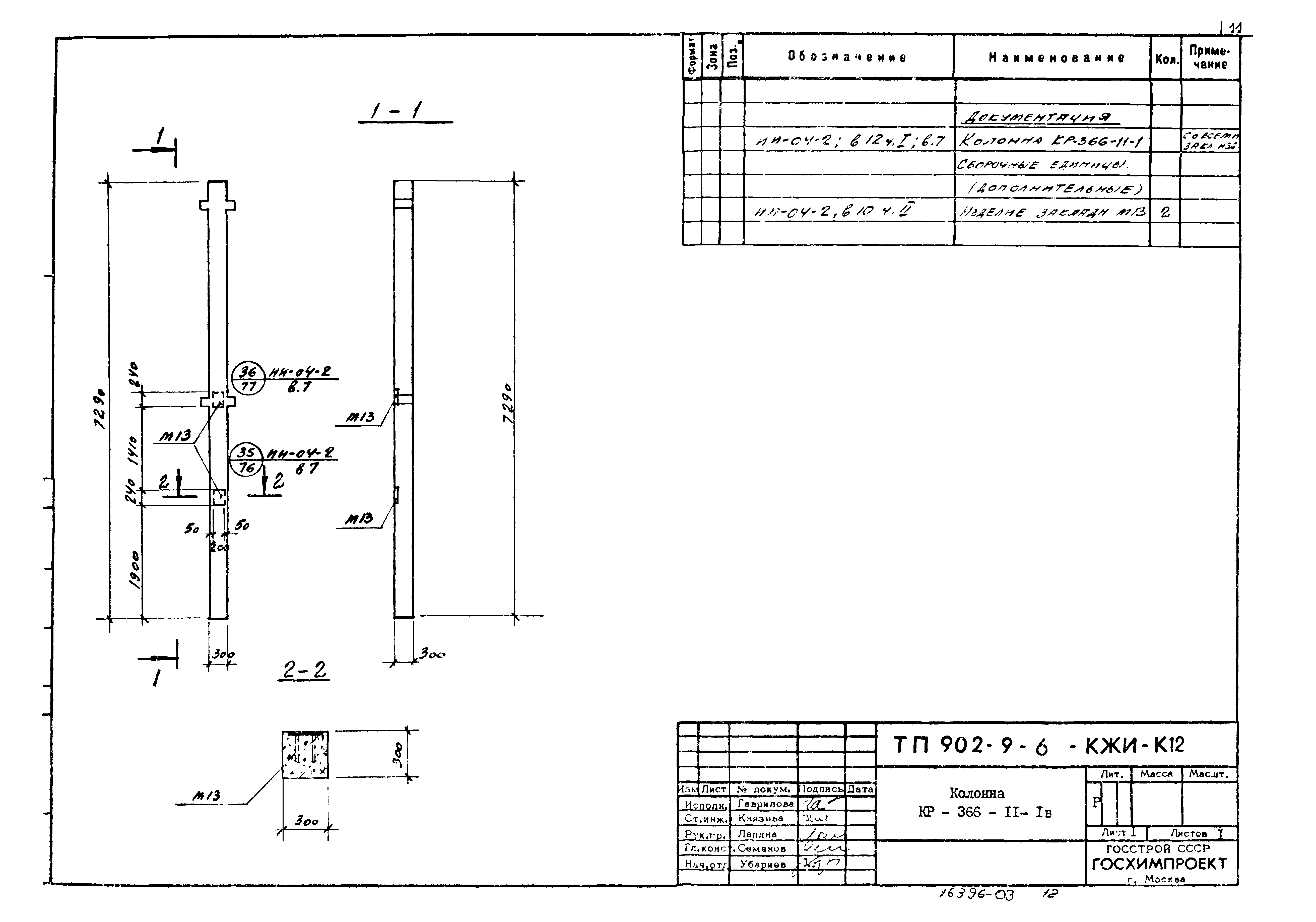
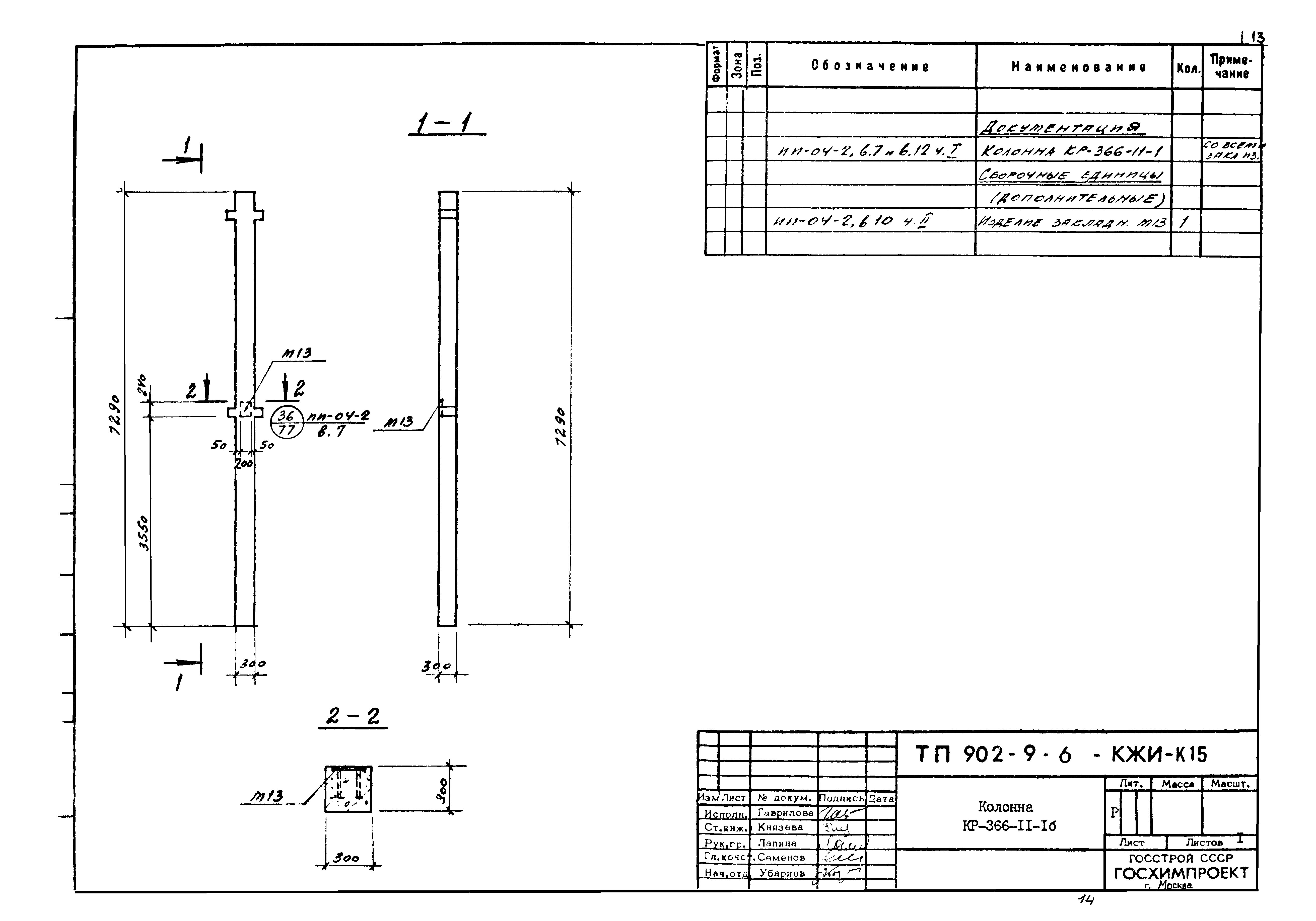
| Оглавление: | ТП 902-9-6-КЖИ-ВЧ Ведомость чертежей ТП 902-9-6-КЖИ-ТТ Технические требования ТП 902-9-6-КЖИ-К1 Колонна КК-366-11-2уа ТП 902-9-6-КЖИ-К3,К13 Колонны КР-366-11-1а,КР-333-14а ТП 902-9-6-КЖИ-К6 Колонна КР-333-14б ТП 902-9-6-КЖИ-К7 Колонна КP-366-11a ТП 902-9-6-КЖИ-К8 Колонна КP-366-11б ТП 902-9-6-КЖИ-К9 Колонна КР-366-11в ТП 902-9-6-КЖИ-К11 Колонна КК-366-11-2a ТП 902-9-6-КЖИ-К12 Колонна КР-366-11-1в ТП 902-9-6-КЖИ-К14 Колонна КК-366-11-2уб ТП 902-9-6-КЖИ-К15 Колонна КР-366-11-1б ТП 902-9-6-КЖИ-Р1 Ригель Р-40-57а ТП 902-9-6-КЖИ-Р5 Ригель Р-40-57б ТП 902-9-6-КЖИ-СЖ1 Диафрагма жесткости Д-28-33а ТП 902-9-6-КЖИ-СЖ2 Диафрагма жесткости Д2-28-33Па ТП 902-9-6-КЖИ-СЖ3 Диафрагма жесткости Д2-28-33а ТП 902-9-6-КЖИ-ПС13 Стеновая панель Н-60-9а ТП 902-9-6-КЖИ-МЛ1 Лестничный марш ЛМ 58-14-17а ТП 902-9-6-КЖИ Стальные изделия ТП 902-9-6-КЖИ-ВА ТП 902-9-6-КЖИ-ВЧ Воздуховоды асбестоцементные (начало) ТП 902-9-6-КЖИ-ВА Воздуховоды асбестоцементные (продолжение) ТП 902-9-6-КЖИ-ВА Воздуховоды асбестоцементные (окончание) ТП 902-9-6-КЖИ-РМ1 Рамка РМ 1 ТП 902-9-6-КЖИ-РМ2 Рамка РМ 2 ТП 902-9-6-КЖИ-РМ3 Рамка РМ 3 ТП 902-9-6-КЖИ-МК1 Монтажный крюк МК1 ТП 902-9-6-КЖИ-МК2 Монтажный крюк МК2 ТП 902-9-6-КЖИ-МК3 Монтажный крюк МК3 ТП 902-9-6-КЖИ-П1 Подвеска П1 ТП 902-9-6-КЖИ-П2 Подвеска П2 ТП 902-9-6-КЖИ-П3,4 Подвески П3,П4 ТП 902-9-6-КЖИ-П15 Подвеска П5 ТП 902-9-6-КЖИ-МЩ1 Щит МЩ1 ТП 902-9-6-КЖИ-М3 Закладная деталь М3 ТП 902-9-6-КЖИ-МС1 Соединительная деталь МС1 ТП 902-9-6-КЖИ-МС2 Соединительная деталь МС2 ТП 902-9-6-КЖИ-МС3 Соединительная деталь МС3 ТП 902-9-6-КЖИ-МС4 Соединительная деталь МС4 |
| Разработан: | Союзводоканалпроект Госхимпроект |
| Утверждён: | 25.06.1979 Союзводоканалпроект (Soyuzvodokanalproject 31) |
| Издан: | ЦИТП Госстроя СССР (CITP, Gosstroy (USSR) 1979 г. ) |































