Скачать Типовой проект 904-1-51 Альбом 12. Сметы для 3 компрессоровДата актуализации: 01.01.2021
|
| Обозначение: | Типовой проект 904-1-51 |
| Обозначение англ: | 904-1-51 |
| Статус: | действует |
| Название рус.: | Альбом 12. Сметы для 3 компрессоров |
| Дата добавления в базу: | 01.09.2013 |
| Дата актуализации: | 01.01.2021 |
| Дата введения: | 01.05.1982 |
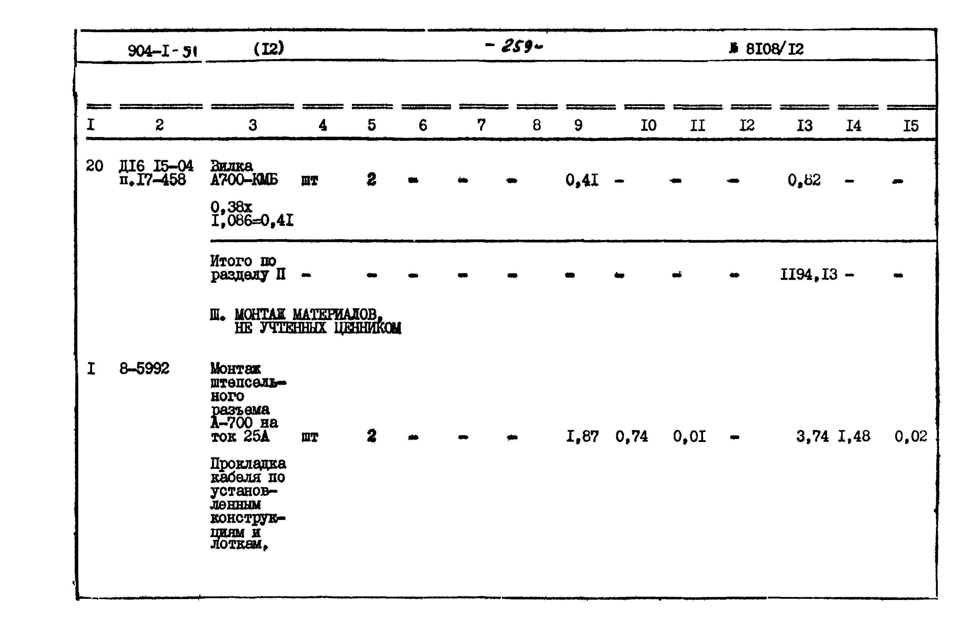
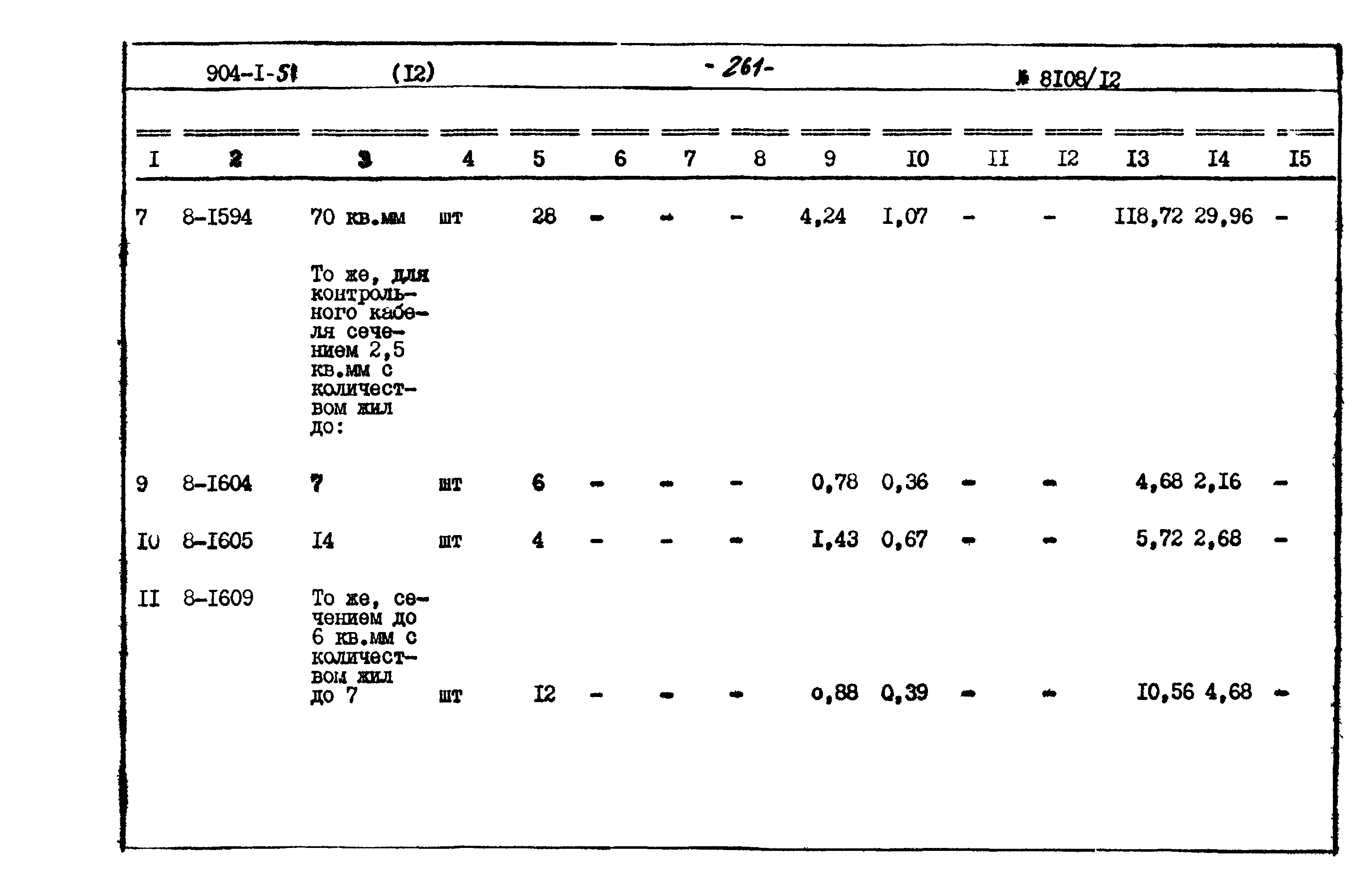
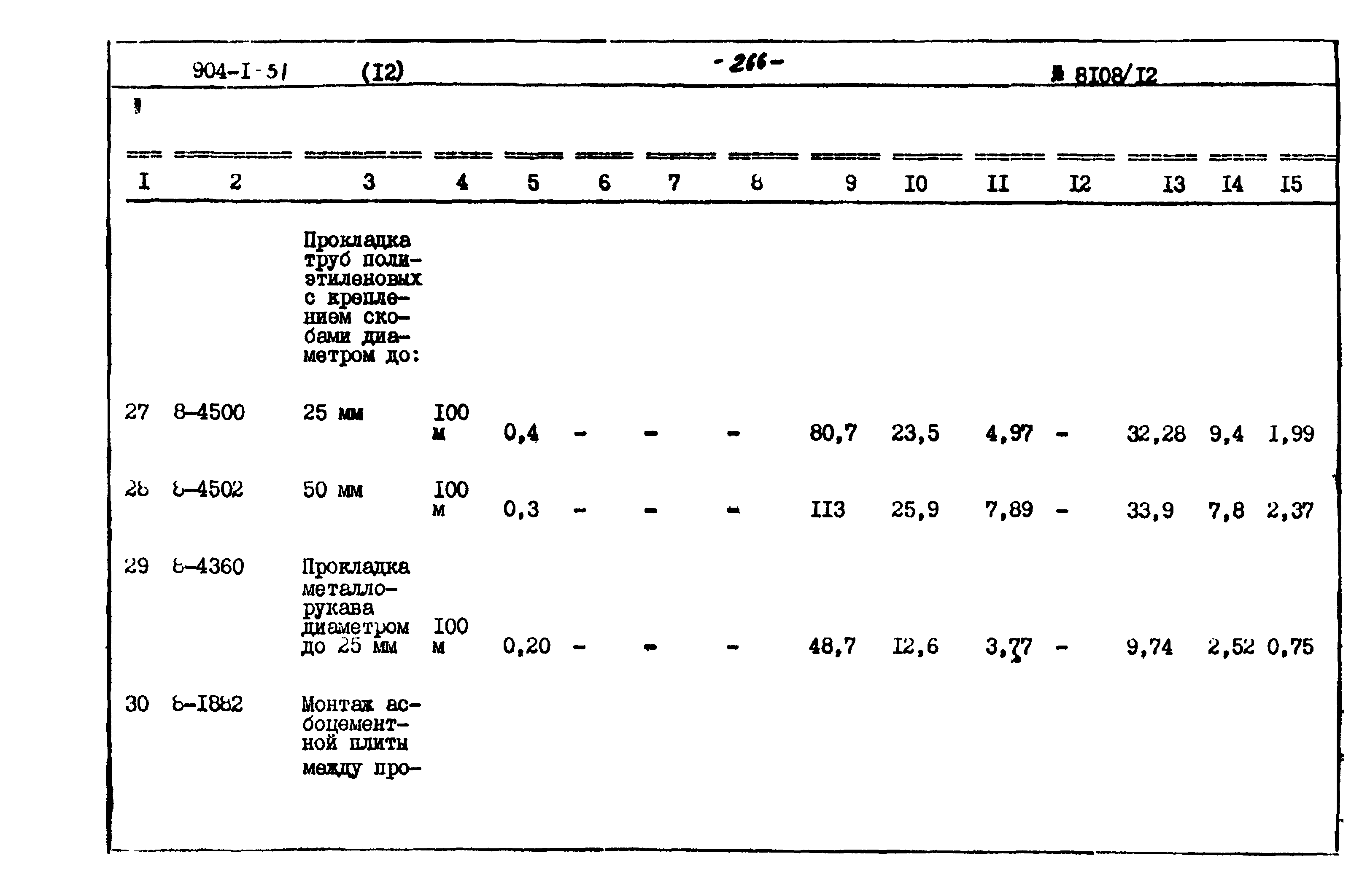
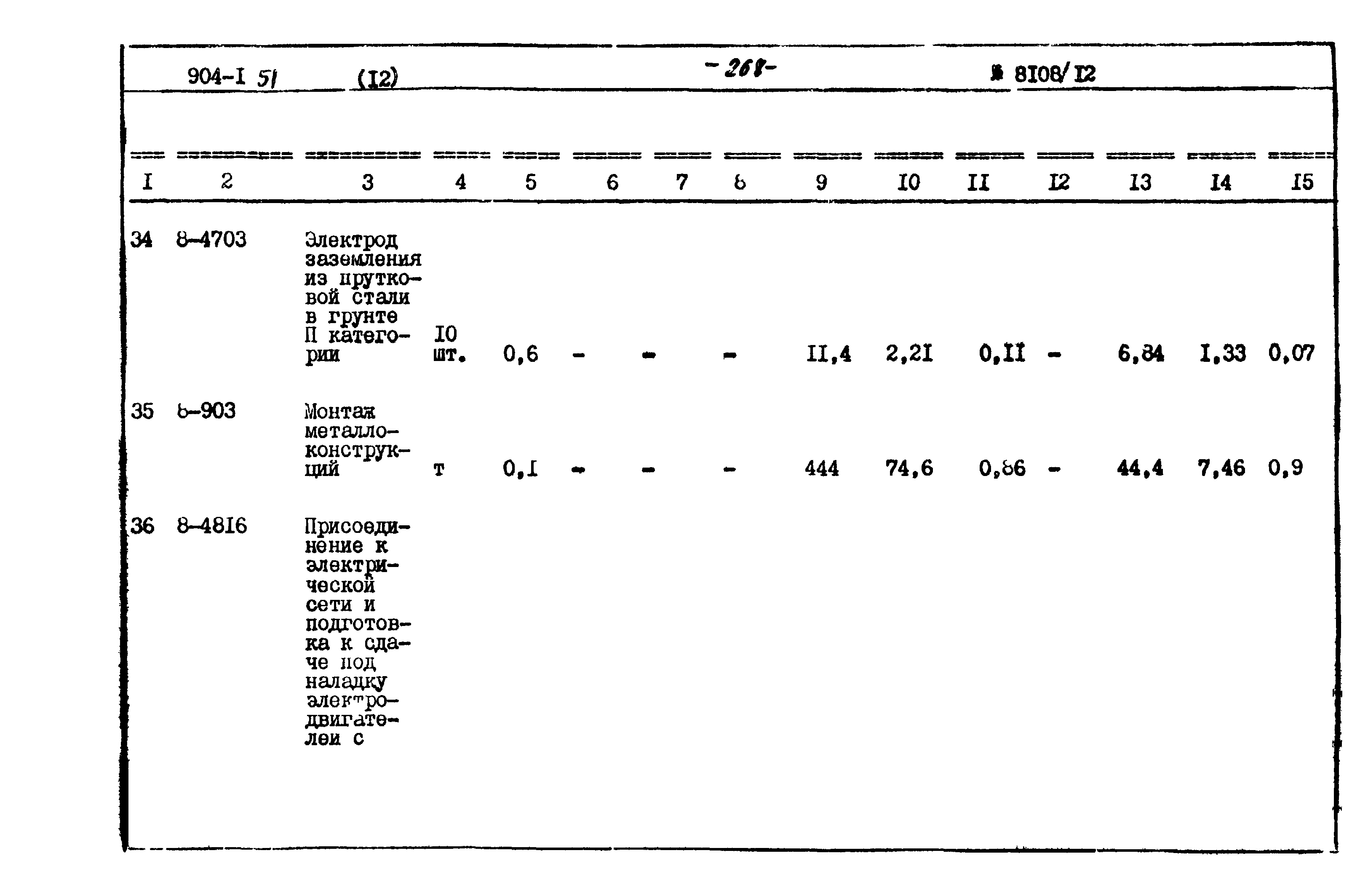
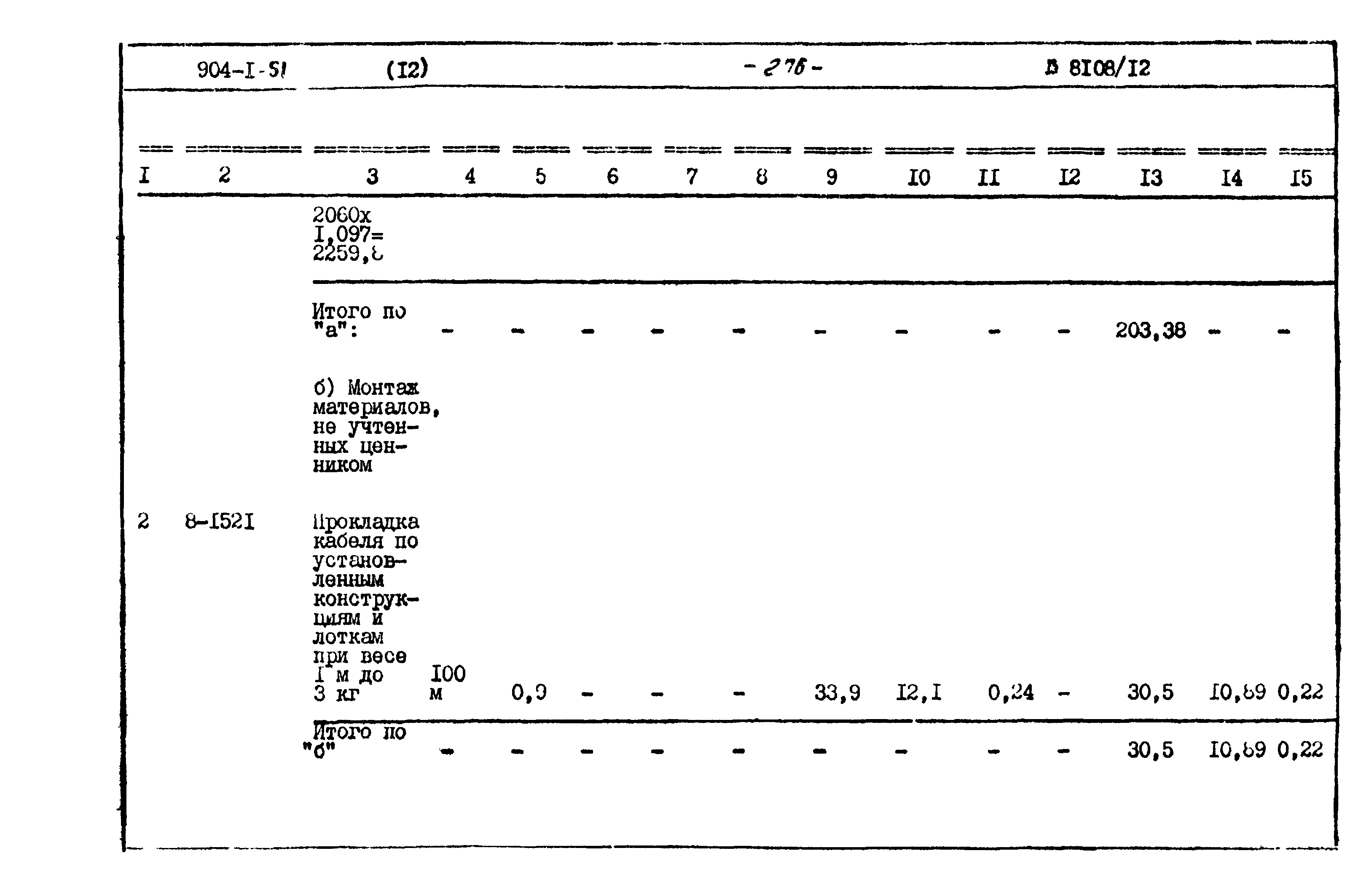
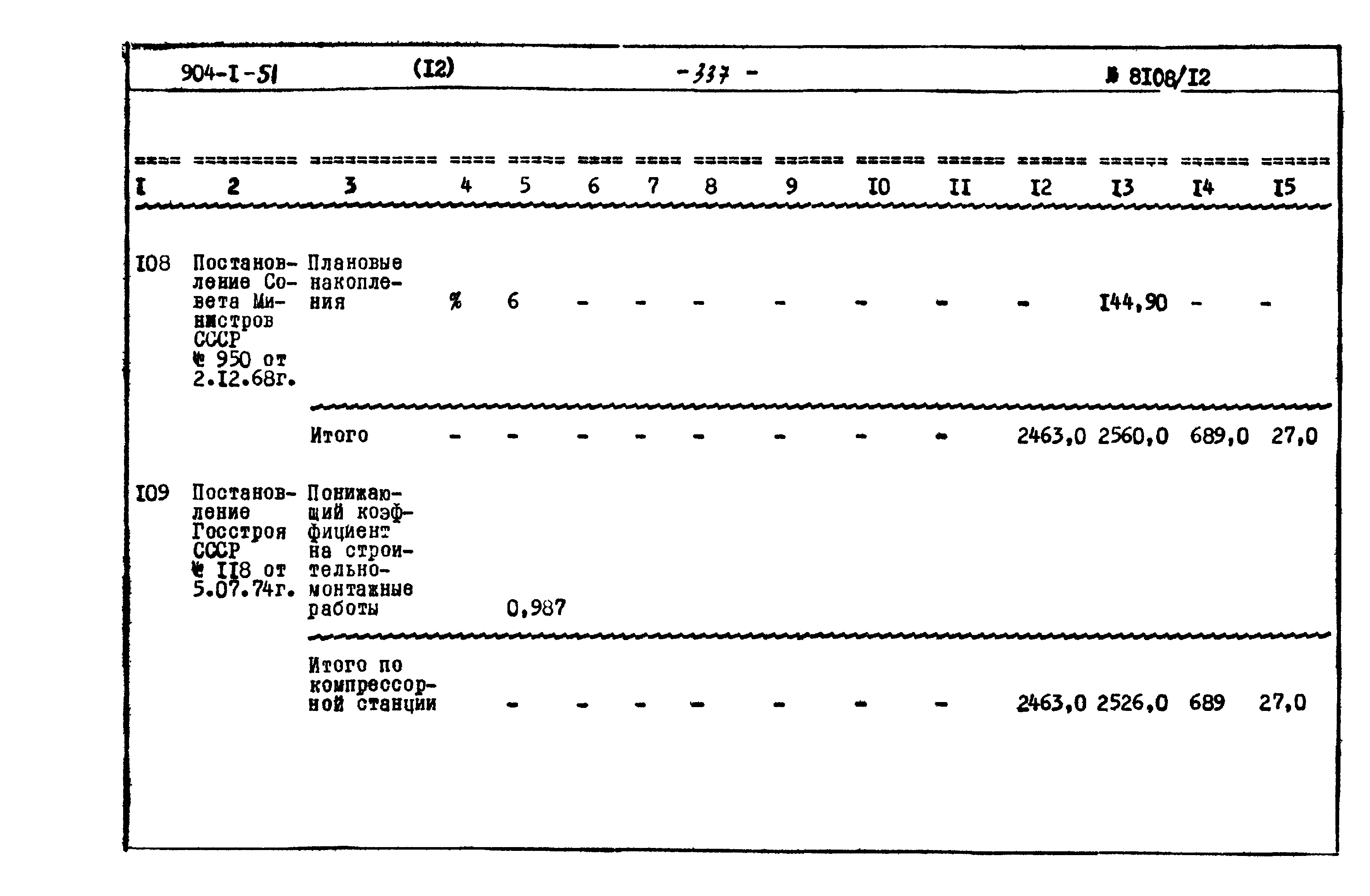
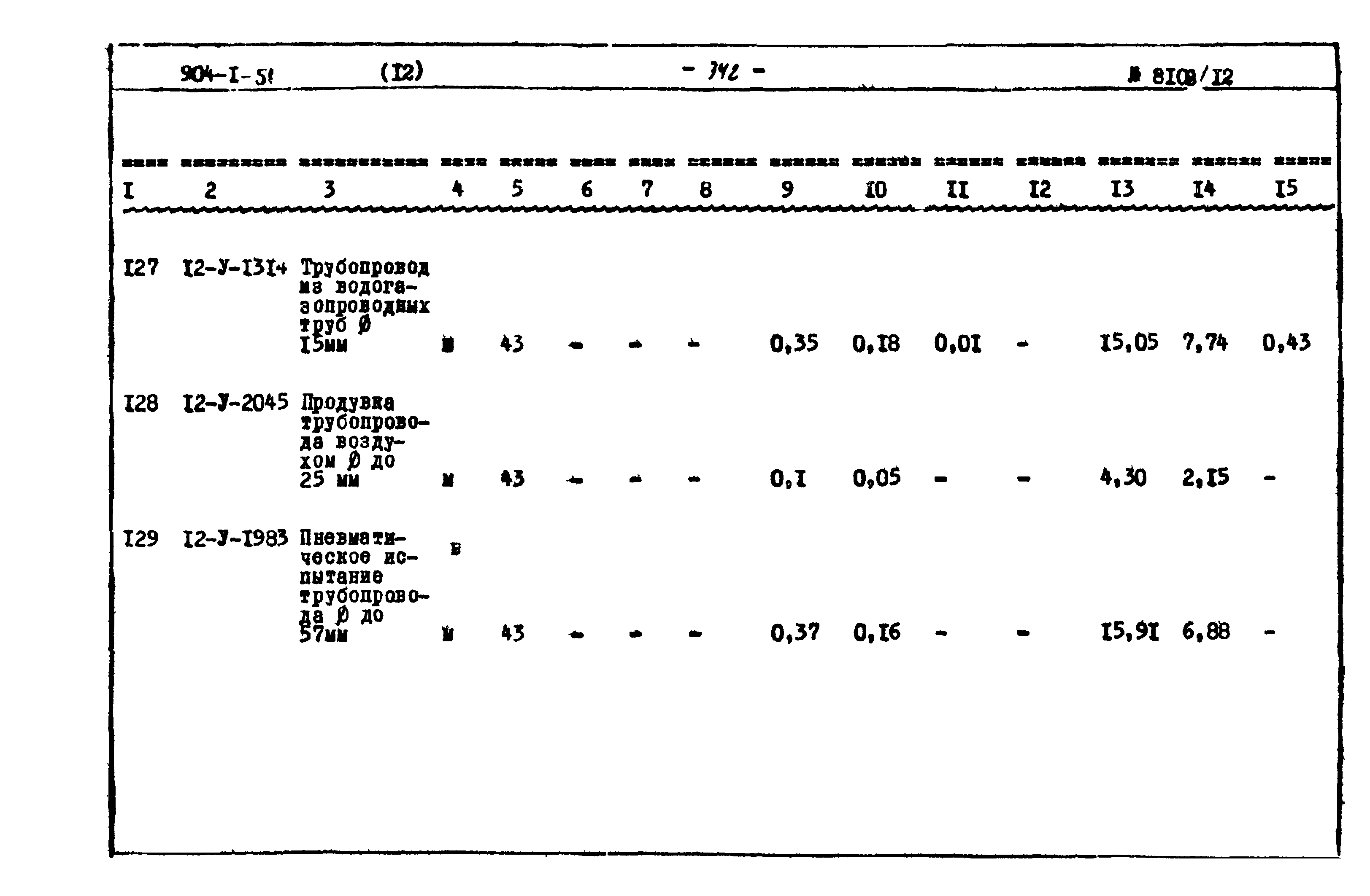
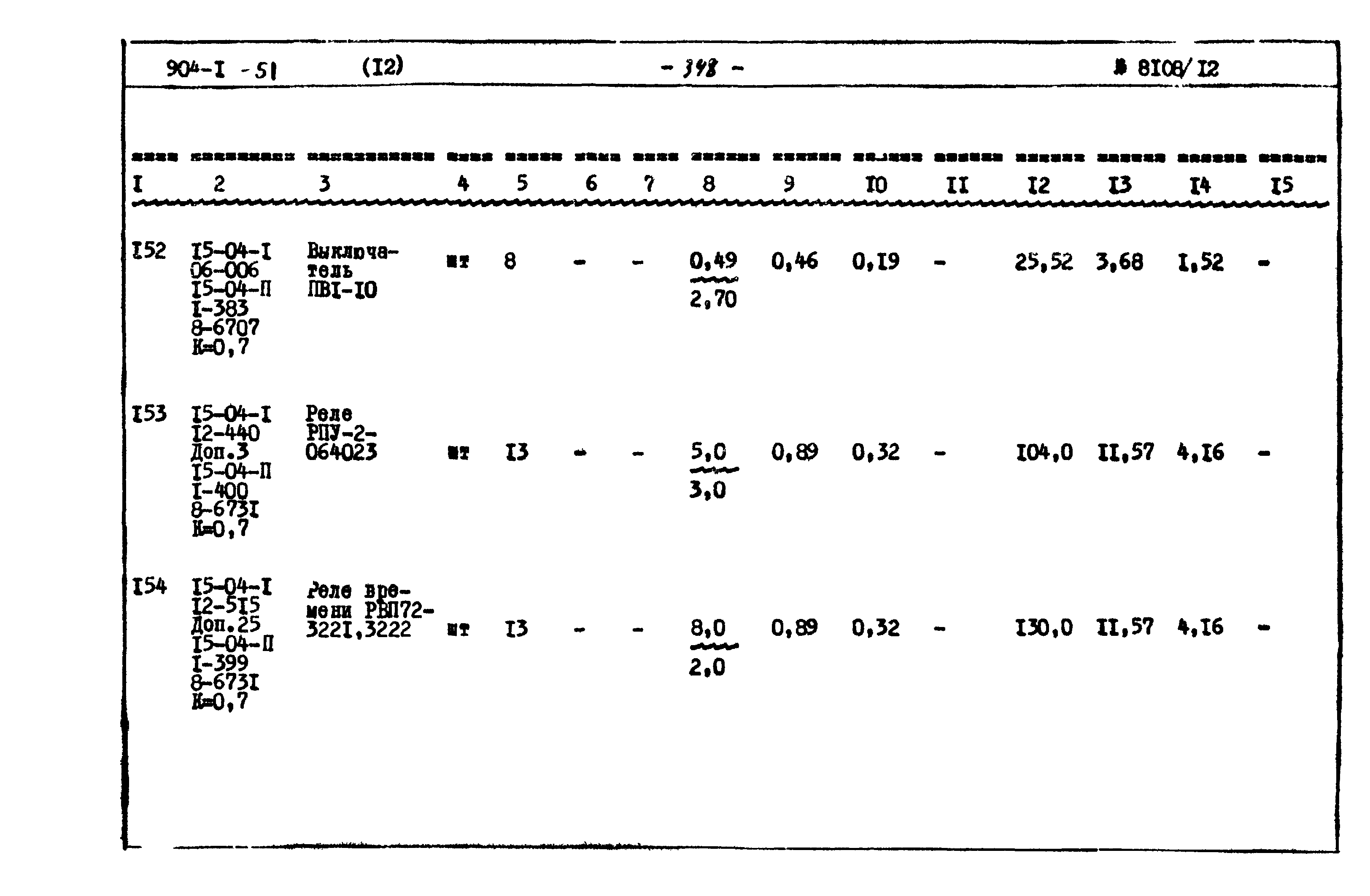
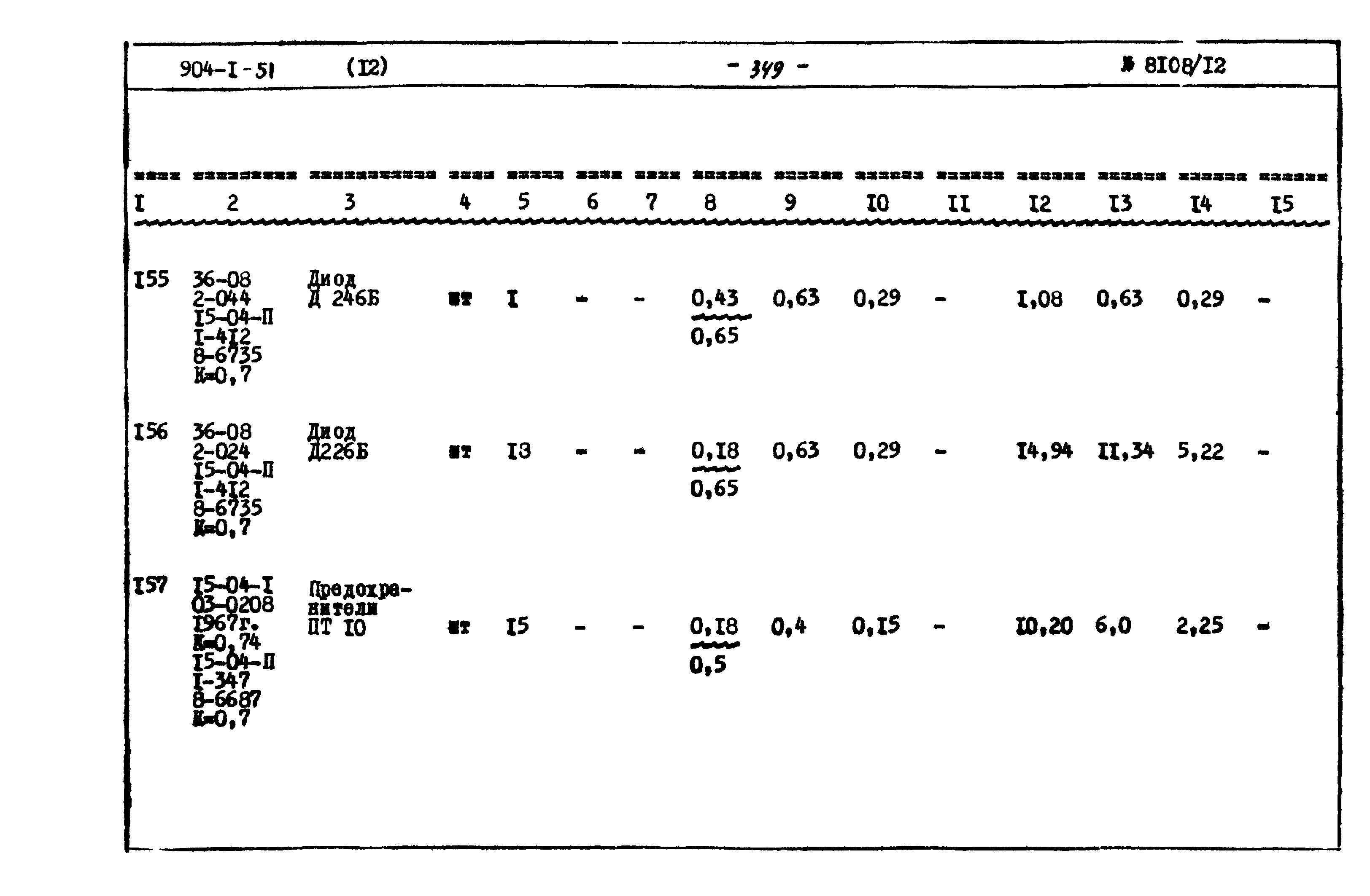
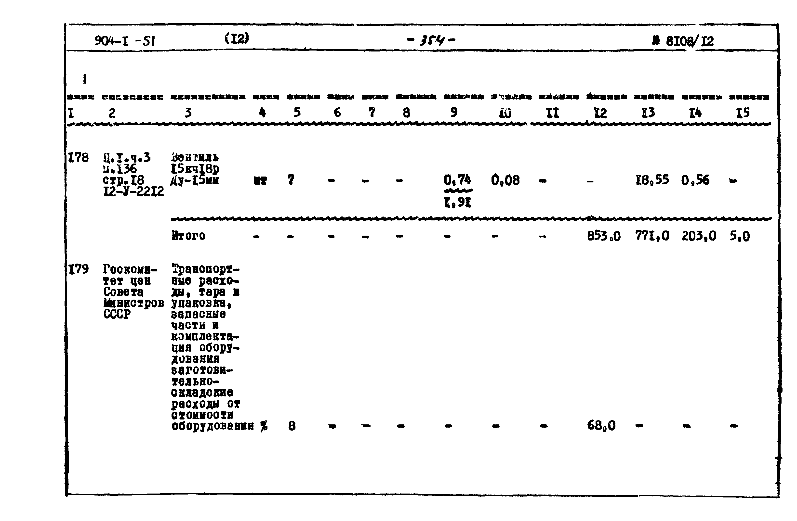
| Оглавление: | ТП 904-1-51 Пояснительная записка ТП 904-1-51 Объектная смета I. Общестроительные работы ТП 904-1-51 Смета № 1. Общестроительные работы по основному корпусу со встроенными бытовыми помещениями для района с расчетной наружной температурой - 30ºС ТП 904-1-51 Смета № 2. Общестроительные работы по основному корпусу со встроенными бытовыми помещениями для района с расчетной наружной температурой - 20ºС ТП 904-1-51 Смета № 3. Общестроительные работы по основному корпусу со встроенными бытовыми помещениями для района с расчетной наружной температурой - 40ºС ТП 904-1-51 Смета № 4. Общестроительные работы по подземному хозяйству и фундаментам под оборудование ТП 904-1-51 Смета № 5. Общестроительные работы по открытой площадке у оси "В" ТП 904-1-51 Смета № 6. Общестроительные работы по пристроенной трансформаторной подстанции ТП 904-1-51 Сводная ведомость потребности в производственных ресурсах на строительство компрессорной станции 4(3)К-120А для района с расчетной наружной температурой -30ºС ТП 904-1-51 Калькуляция стоимости изделий неучтенных ценником поясных сметных цен на местные строительные материалы II. Отопление ТП 904-1-51 Смета № 7. Санитарно-техническое оборудование для района с расчетной наружной температурой -30ºС;-20ºС;-40ºС ТП 904-1-51 Смета № 8. Санитарно-технические работы для района с расчетной наружной температурой - 30ºС ТП 904-1-51 Смета № 9. Санитарно-технические работы для района с расчетной наружной температурой - 20ºС ТП 904-1-51 Смета № 10. Санитарно-технические работы для района с расчетной наружной температурой - 40ºС ТП 904-1-51 Смета № 11. Общестроительные работы для района с расчетной наружной температурой - 30ºС ТП 904-1-51 Смета № 12. Оборудование и монтаж для района с расчетной наружной температурой -30ºС;-20ºС;-40ºС III. Вентиляция ТП 904-1-51 Смета № 13. Санитарно-техническое оборудование для района с расчетной наружной температурой -30ºС;-20ºС;-40ºС ТП 904-1-51 Смета № 14. Санитарно-технические работы для района с расчетной наружной температурой -30ºС;-20ºС;-40ºС ТП 904-1-51 Смета № 15. Общестроительные работы для района с расчетной наружной температурой -30ºС;-20ºС;-40ºС ТП 904-1-51 Смета № 16. Оборудование и монтаж для района с расчетной наружной температурой -30ºС;-20ºС;-40ºС IV. Производственное пароснабжение ТП 904-1-51 Смета № 17. Санитарно-технические работы для района с расчетной наружной температурой -30ºС;-20ºС;-40ºС ТП 904-1-51 Смета № 18. Общестроительные работы для района с расчетной наружной температурой -30ºС;-20ºС;-40ºС V. Санитарно-технические работы по водопроводу и канализации ТП 904-1-51 Смета № 19. Водопровод хозяйственно-питьевой ТП 904-1-51 Смета № 20. Водопровод производственно-противопожарный ТП 904-1-51 Смета № 21. Горячее водоснабжение ТП 904-1-51 Смета № 22. Канализация бытовая ТП 904-1-51 Смета № 23. Канализация производственная ТП 904-1-51 Смета № 24. Насосная станция ТП 904-1-51 Сводная ведомость потребности в производственных ресурсах на строительство компрессорной станции 4(3)К-120А для района с расчетной температурой -30ºС VI. Технологическая часть ТП 904-1-51 Смета № 1-ТХ. Приобретение и монтаж технологического оборудования ТП 904-1-51 Смета № 2-ТХ. Приобретение и монтаж технологических трубопроводов и арматуры ТП 904-1-51 Смета № 3-ТХ. Металлоконструкции ТП 904-1-51 Смета № 4-ТХ. Особостроительные работы ТП 904-1-51 Сметный расчет № 5-ТХ. Приобретение приспособлений производственного и хозяйственного инвентаря VII. Электротехническая часть ТП 904-1-51 Смета № 1-ЭС. Приобретение и монтаж оборудования распредустройства вариант 6кВ (10кВ) ТП 904-1-51 Смета № 1-ЭМ. Приобретение и монтаж электрооборудования ТП 904-1-51 Смета № 2-ЭМ. Приобретение и монтаж силового электрооборудования вариант 6 кВ (10 кВ) ТП 904-1-51 Смета № 1-ЭО. Приобретение и монтаж электроосвещения ТП 904-1-51 Смета № 1-СС. Приобретение и монтаж оборудования сетей связи сигнализации VIII. КИП и автоматика ТП 904-1-51 Смета № 1-А. Приобретение и монтаж КИП и средств автоматизации |
| Разработан: | Ростовский Промстройниипроект Госстроя СССР Гипростройдормаш |
| Утверждён: | 30.03.1982 Минстройдормаш (Minstroydormash 1/82) |












































































































































































































































































































































































