Скачать Типовой проект 704-1-111 Альбом III. Оборудование резервуаров емкостью 5-100 куб. м для светлых нефтепродуктов, при подземной установкеДата актуализации: 01.01.2021
|
| Обозначение: | Типовой проект 704-1-111 |
| Обозначение англ: | 704-1-111 |
| Статус: | не действует |
| Название рус.: | Альбом III. Оборудование резервуаров емкостью 5-100 куб. м для светлых нефтепродуктов, при подземной установке |
| Дата добавления в базу: | 01.09.2013 |
| Дата актуализации: | 01.01.2021 |
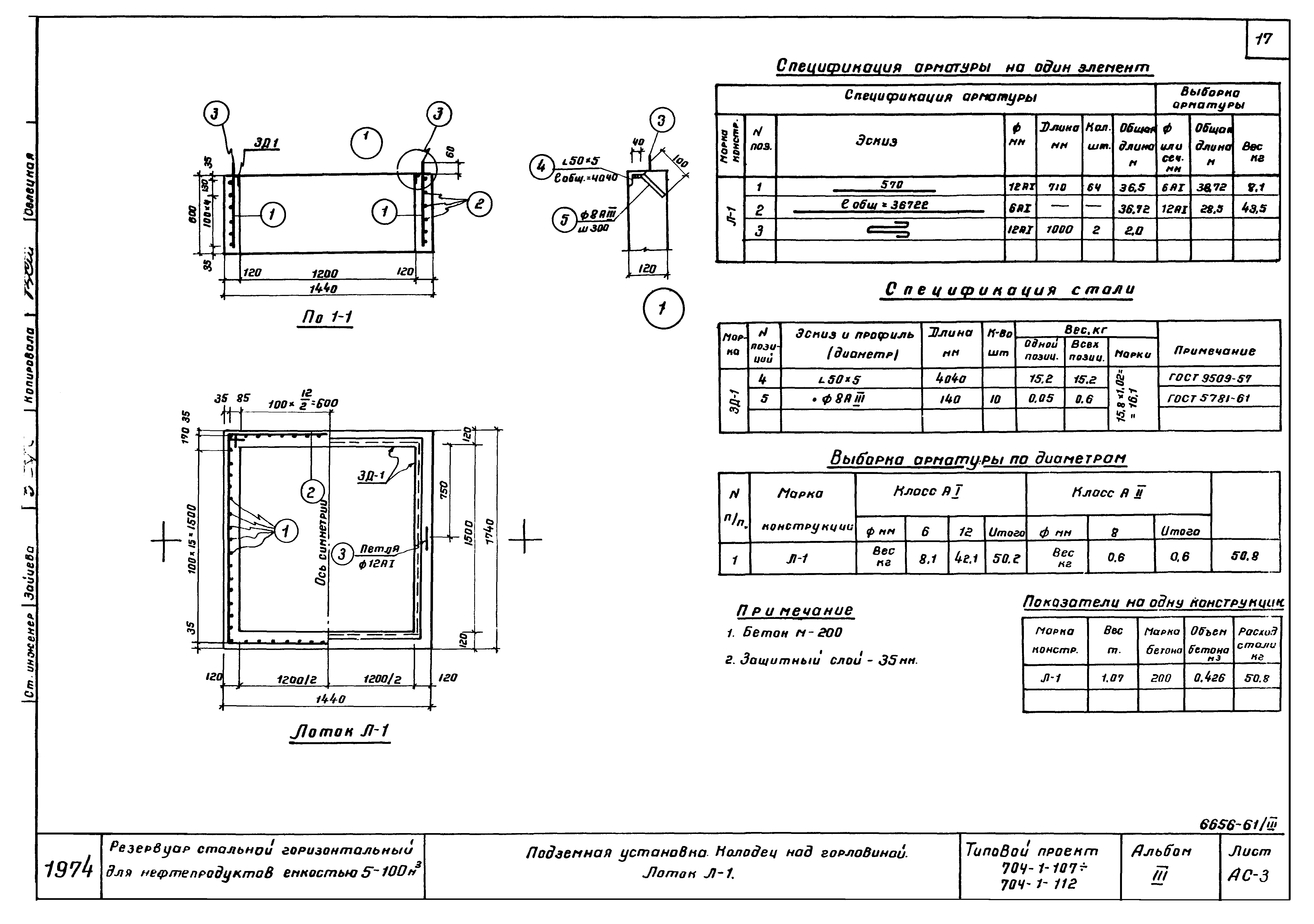
| Оглавление: | ТП 704-1-107÷704-1-112 Обложка ТП 704-1-107÷704-1-112 Содержание альбома ТП 704-1-107÷704-1-112 Пояснительная записка ТП 704-1-107÷704-1-112-ТХ Технологическая часть ТП 704-1-107÷704-1-112-ТХ-1 Оборудование подземного резервуара емкостью 5;10;25 м³ для светлых нефтепродуктов. Общий вид ТП 704-1-107÷704-1-112-ТХ-2 Оборудование подземного резервуара емкостью 5;10;25 м³ для светлых нефтепродуктов. Спецификация ТП 704-1-107÷704-1-112-ТХ-3 Оборудование подземного резервуара емкостью 50,75 и 100 м³ для светлых нефтепродуктов. Общий вид ТП 704-1-107÷704-1-112-ТХ-4 Оборудование подземного резервуара емкостью 50,75 и 100 м³ для светлых нефтепродуктов. Спецификация ТП 704-1-107÷704-1-112-ТХ-5 Установка оборудования на крышке горловины резервуара. Общий вид ТП 704-1-107÷704-1-112-ТХ-6 Патрубок замерного люка. Общий вид. Деталь ТП 704-1-107÷704-1-112-ТХ-7 Труба вентиляционная. Общий вид ТП 704-1-107÷704-1-112-ТХ-8 Патрубок приема и раздачи Ду80. Общий вид ТП 704-1-107÷704-1-112-ТХ-9 Патрубок приема и раздачи Ду100. Общий вид ТП 704-1-107÷704-1-112-ТХ-10 Зачистная труба Ду40. Общий вид ТП 704-1-107÷704-1-112-АС Строительная часть ТП 704-1-107÷704-1-112-АС-1 Наземная и подземная установка. Основание ТП 704-1-107÷704-1-112-АС-2 Подземная установка. Колодец над горловиной. Армирование монолитного участка ТП 704-1-107÷704-1-112-АС-3 Подземная установка. Колодец над горловиной. Лоток Л-1 ТП 704-1-107÷704-1-112-АС-4 Подземная установка. Колодец над горловиной. Крышка К-1 ТП 704-1-107÷704-1-112-КП КИП и автоматика ТП 704-1-107÷704-1-112-КП-1 Принципиальная схема контроля ТП 704-1-107÷704-1-112-КП-2 Установка указателя уровня УДУ-5А |
| Разработан: | ЦНИИпроектстальконструкция Госстроя |
| Утверждён: | 04.03.1975 Главнефтеснаб РСФСР (48) |




















