Скачать Типовой проект 902-2-385.85 Альбом V. Задание заводу изготовителю на электротехнические щитыДата актуализации: 01.01.2021
|
| Обозначение: | Типовой проект 902-2-385.85 |
| Обозначение англ: | 902-2-385.85 |
| Статус: | действует |
| Название рус.: | Альбом V. Задание заводу изготовителю на электротехнические щиты |
| Дата добавления в базу: | 01.09.2013 |
| Дата актуализации: | 01.01.2021 |
| Дата введения: | 01.06.1985 |
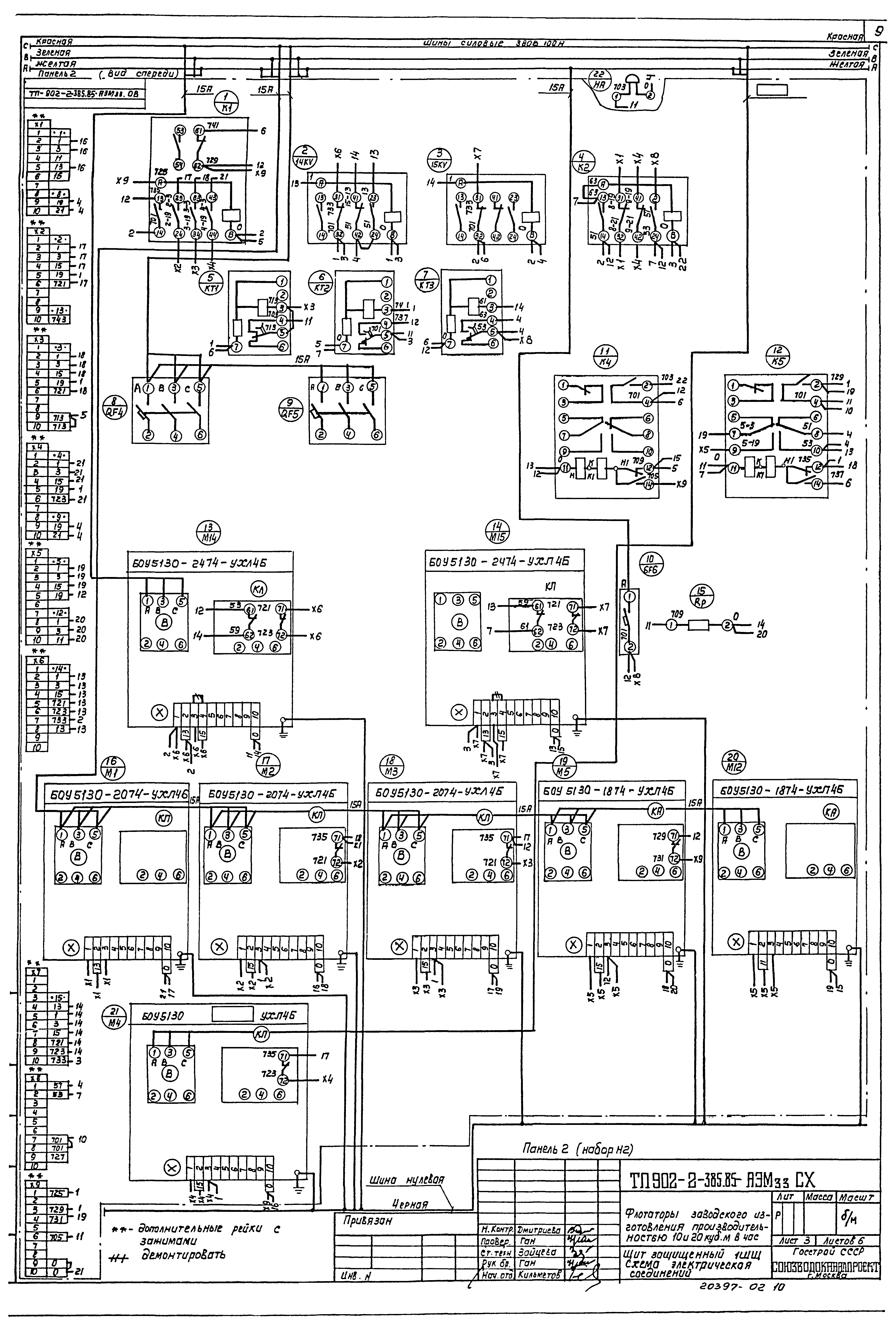
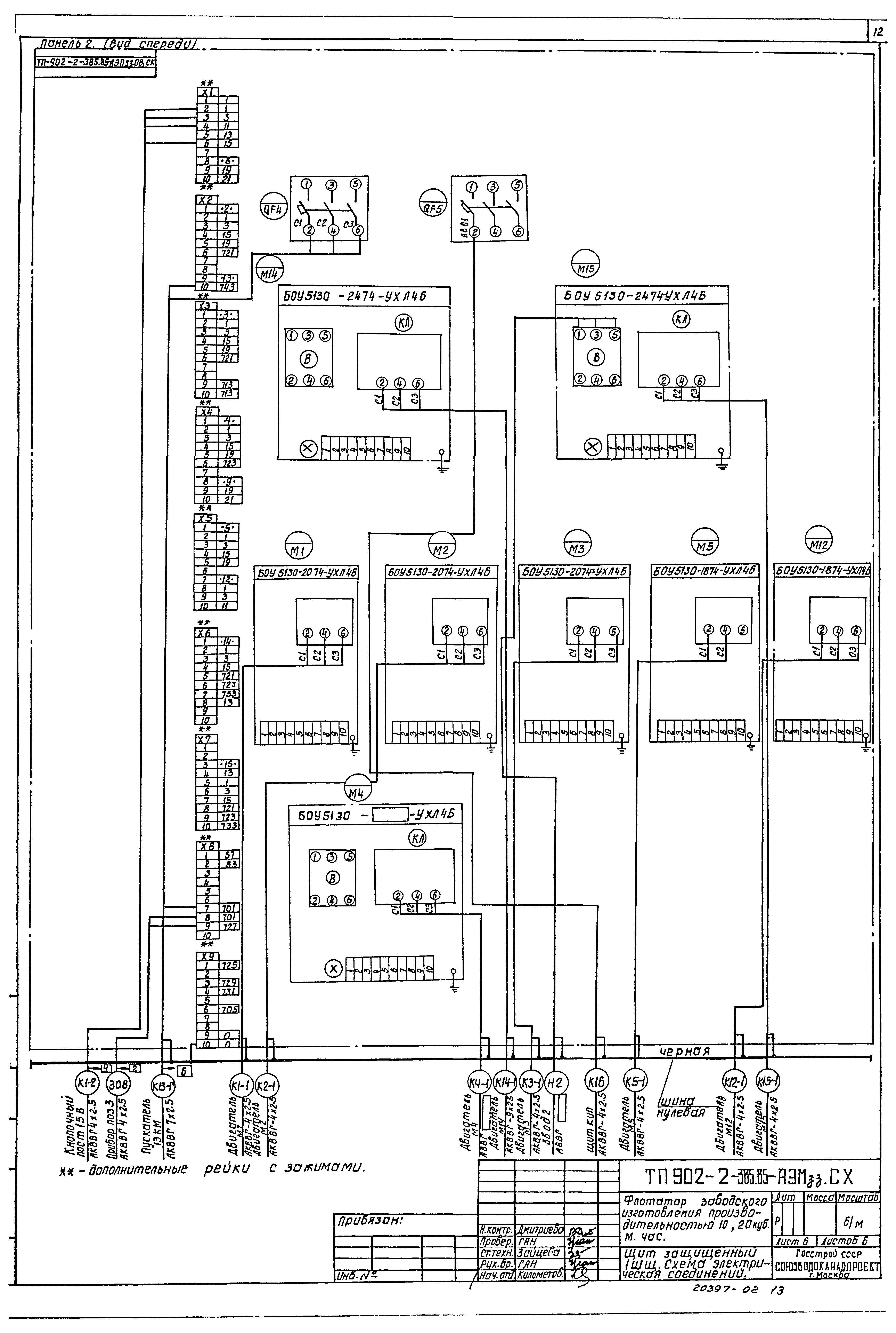
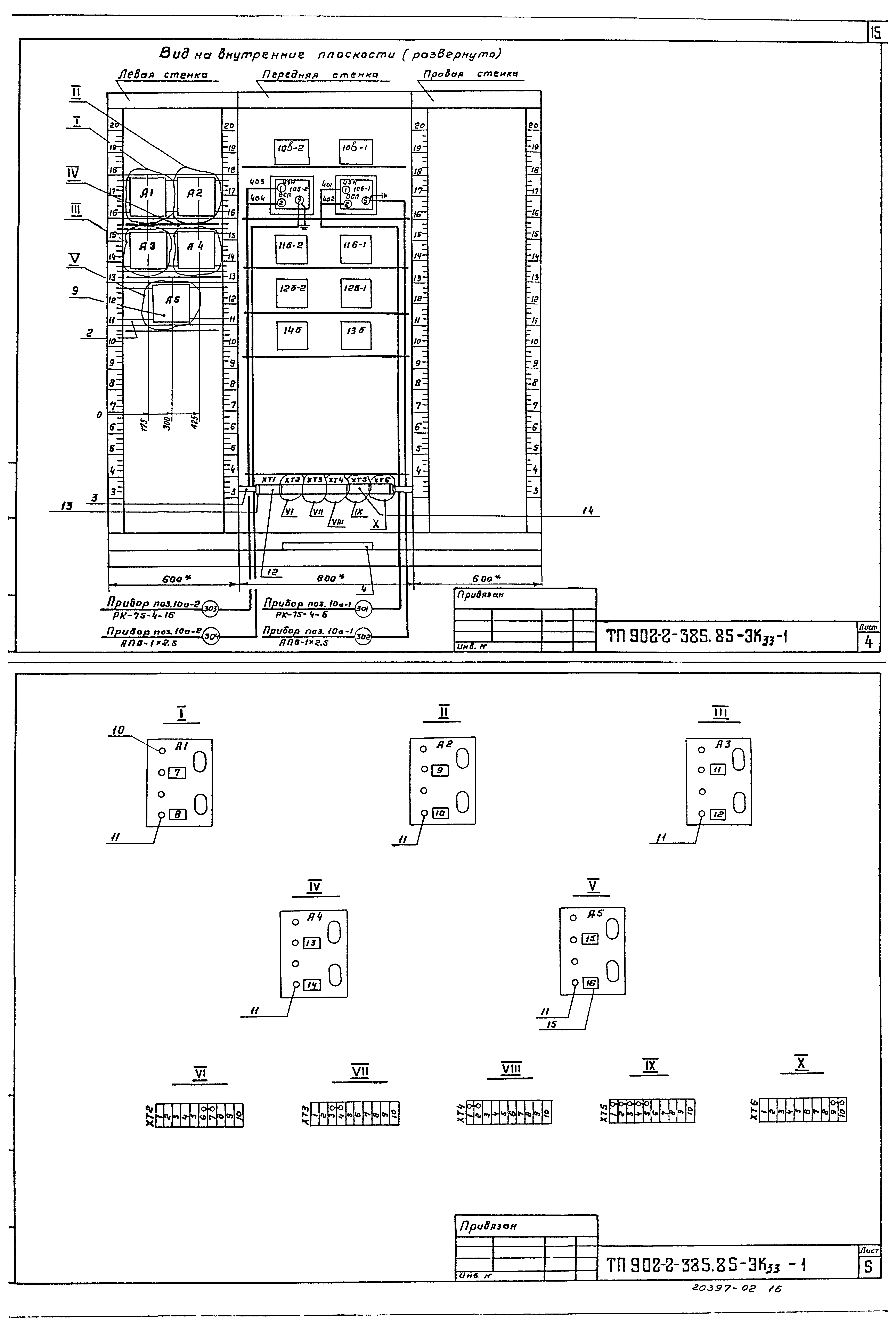
| Оглавление: | ТП 902-2-385.85 Титульный лист ТП 902-2-385.85 Состав проекта ТП 902-2-385.85-АЭМззС Содержание ТП 902-2-385.85 Задание заводу на щит защищенный 1 ШЩ ТП 902-2-385.85-АЭМззКУ Перечень комплектных устройств ТП 902-2-385.85-АЭМззТД Щит защищенный 1ШЩ. Технические данные аппаратов ТП 902-2-385.85-АЭМззОВ Щит защищенный 1ШЩ. Общий вид ТП 902-2-385.85-АЭМззПН Щит защищенный 1ШЩ. Таблица перечня надписей ТП 902-2-385.85-АЭМззСХ Щит защищенный 1ШЩ. Схема электрическая соединений ТП 902-2-385.85-АЭМззМС Щит защищенный 1ШЩ. Таблица межпанельных соединений ТП 902-2-385.85 Задание заводу на щит КИП ТП 902-2-385.85-ЭКззПМ Перечень материалов для заказа щитов автоматизации ТП 902-2-385.85-ЭКззСО2 Спецификация щитов и аппаратуры, поставляемой комплектно со щитом ТП 902-2-385.85-ЭКзз Щит КИП. Общий вид ТП 902-2-385.85-ЭКзз Соединения проводок ТП 902-2-385.85-ЭКзз Подключения проводок |
| Разработан: | Союзводоканалпроект |
| Утверждён: | 28.12.1984 Госстрой СССР (Государственный комитет Совета Министров СССР по делам строительства) (USSR Gosstroy 40) |
| Издан: | ЦИТП Госстроя СССР (CITP, Gosstroy (USSR) 1985 г. ) |



















