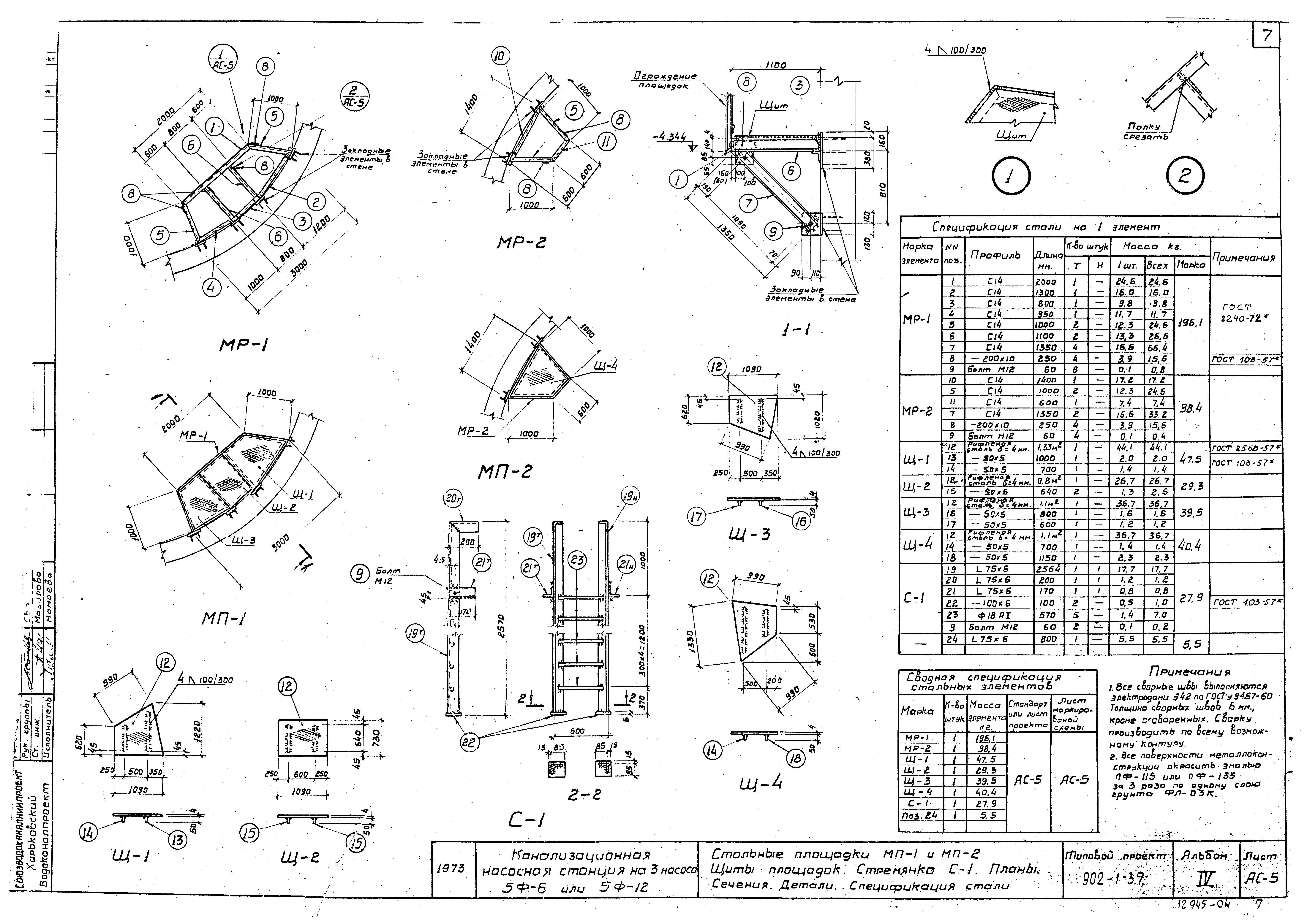
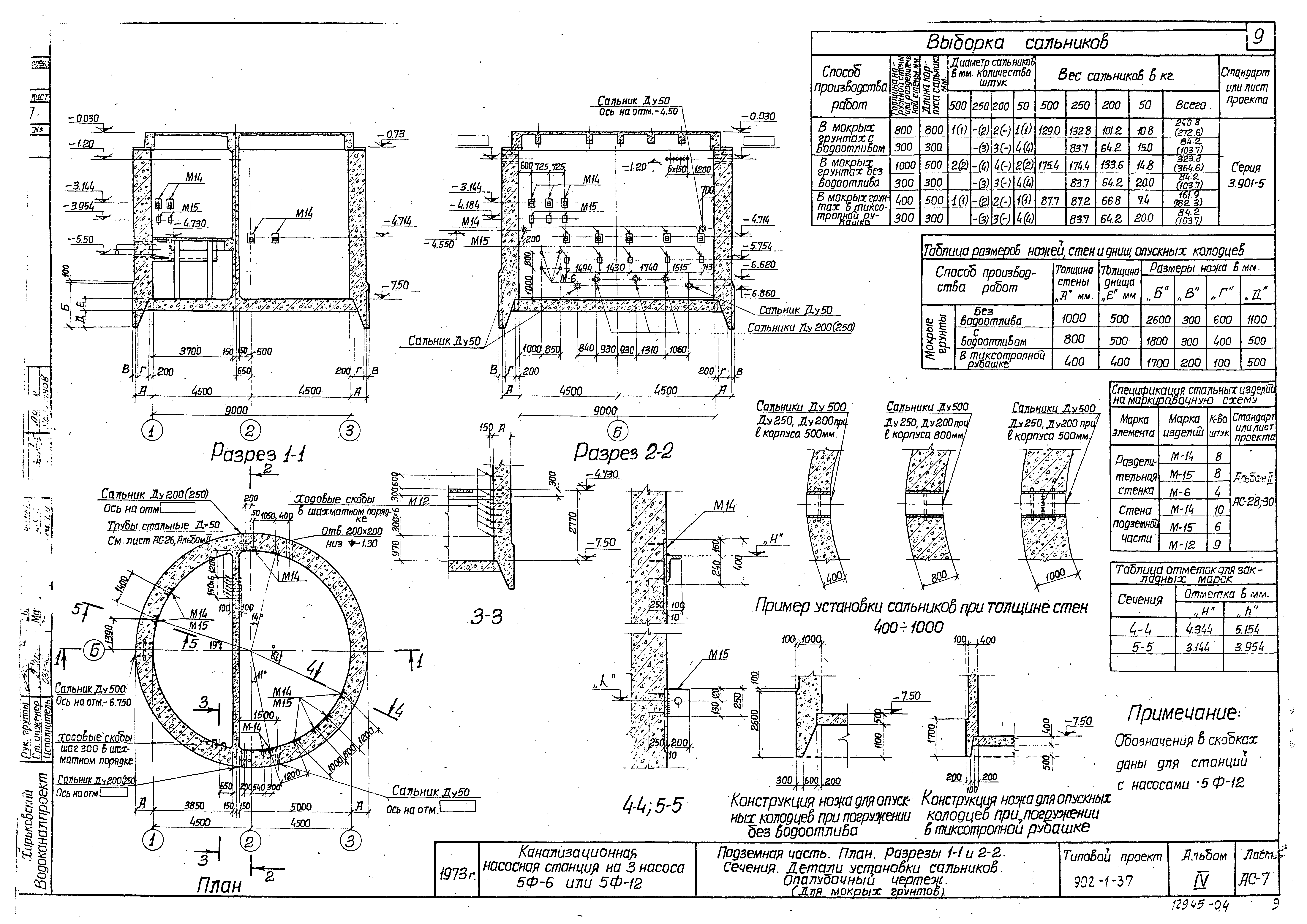
Скачать Типовой проект 902-1-37 Альбом IV. Архитектурно-строительная часть (глубина заложения подводящего коллектора 5,5 м). Подземная частьДата актуализации: 01.01.2021 Типовой проект 902-1-37
Альбом IV. Архитектурно-строительная часть (глубина заложения подводящего коллектора 5,5 м). Подземная часть| Обозначение: | Типовой проект 902-1-37 | | Обозначение англ: | 902-1-37 | | Статус: | действует | | Название рус.: | Альбом IV. Архитектурно-строительная часть (глубина заложения подводящего коллектора 5,5 м). Подземная часть | | Дата добавления в базу: | 01.09.2013 | | Дата актуализации: | 01.01.2021 | | Дата введения: | 10.04.1974 | | Разработан: | Харьковский Водоканалпроект
| | Утверждён: | 21.01.1974 СоюзводоканалНИИпроект (SoyuzvodokanalNIIproject 8)
| | Заменяет собой: | |
                      
|