Скачать Типовой проект 904-1-67.88 Альбом 11. Сметы для 3 компрессоровДата актуализации: 01.01.2021
|
| Обозначение: | Типовой проект 904-1-67.88 |
| Обозначение англ: | 904-1-67.88 |
| Статус: | действует |
| Название рус.: | Альбом 11. Сметы для 3 компрессоров |
| Дата добавления в базу: | 01.09.2013 |
| Дата актуализации: | 01.01.2021 |
| Дата введения: | 30.08.1986 |
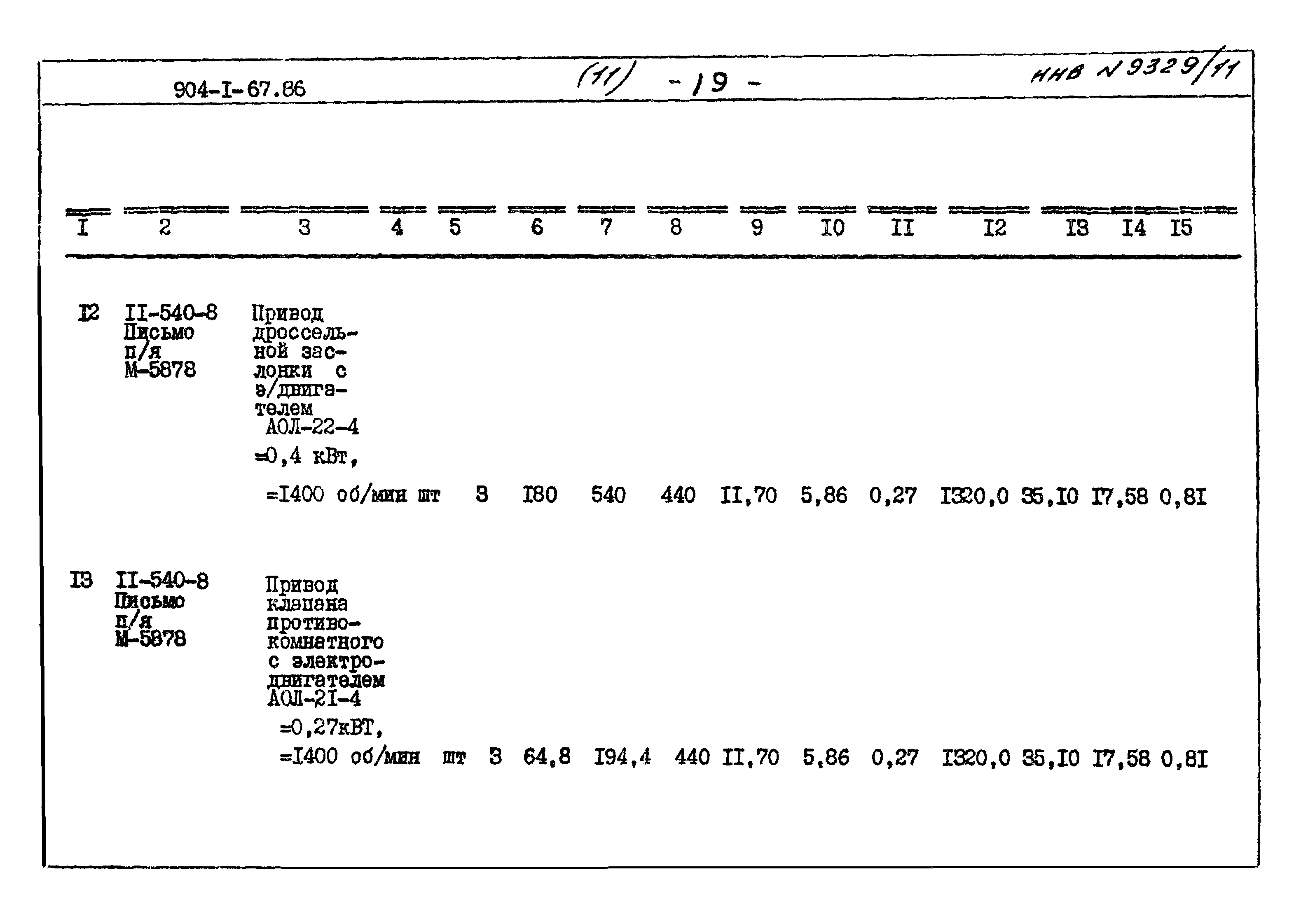
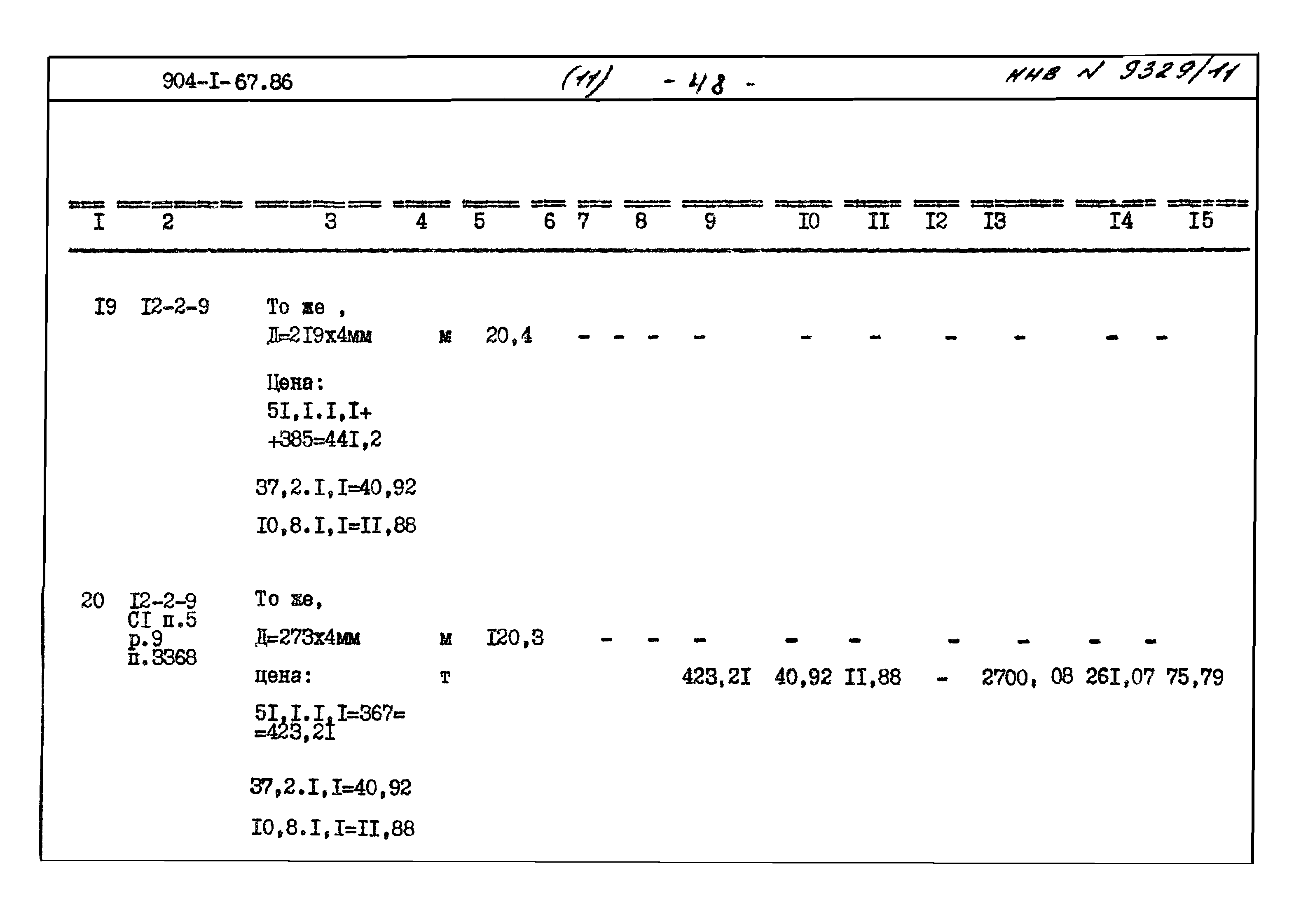
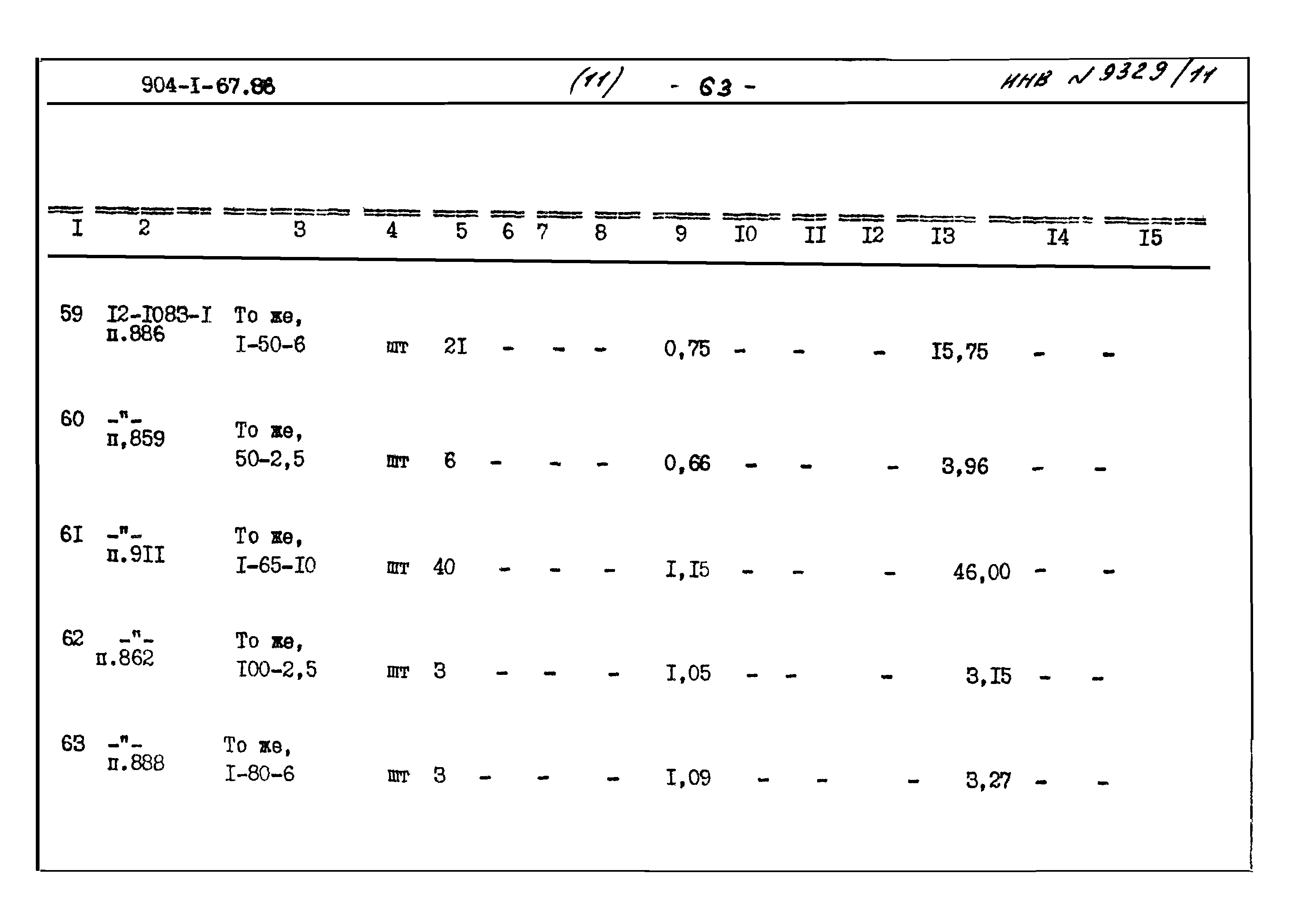
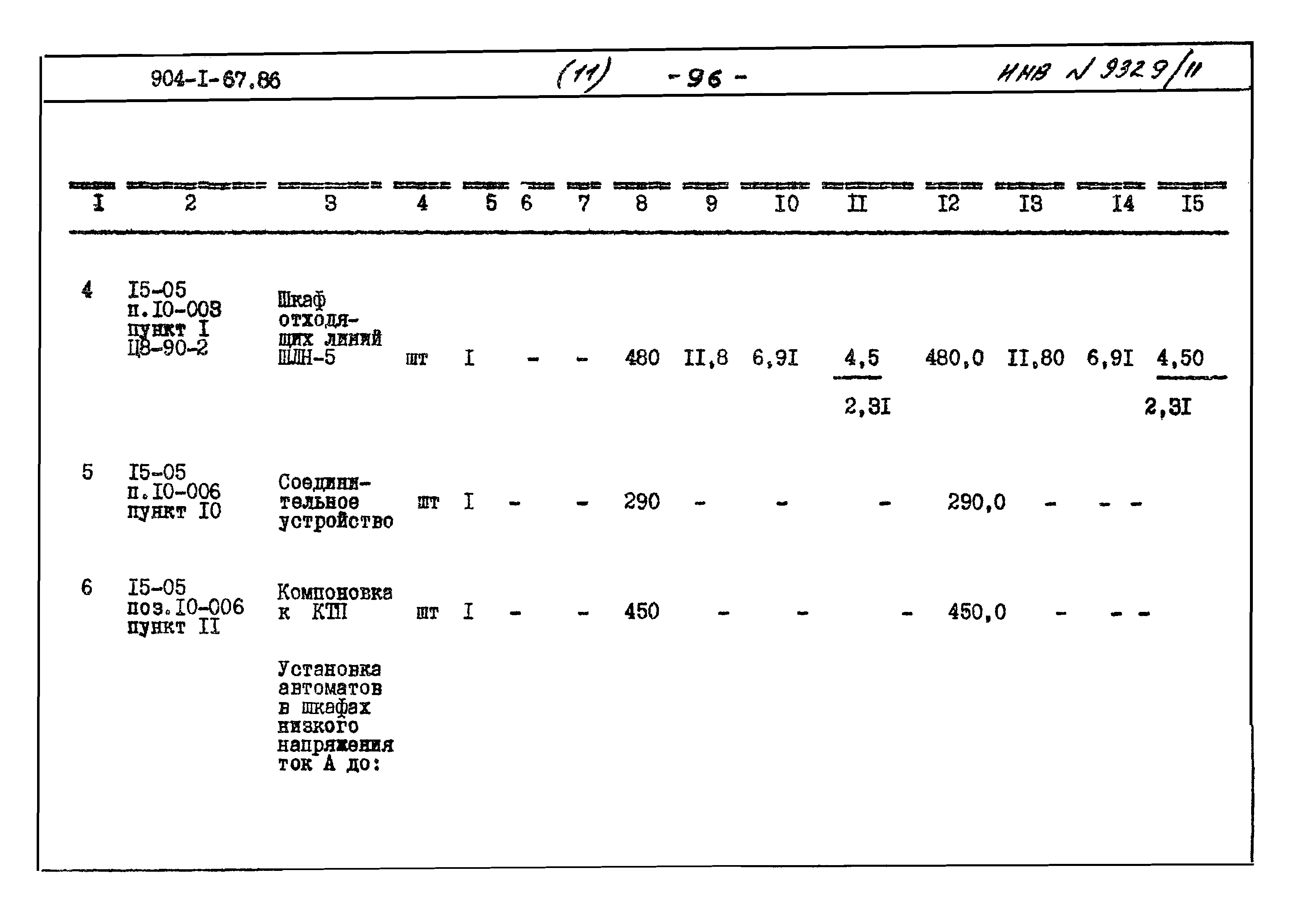
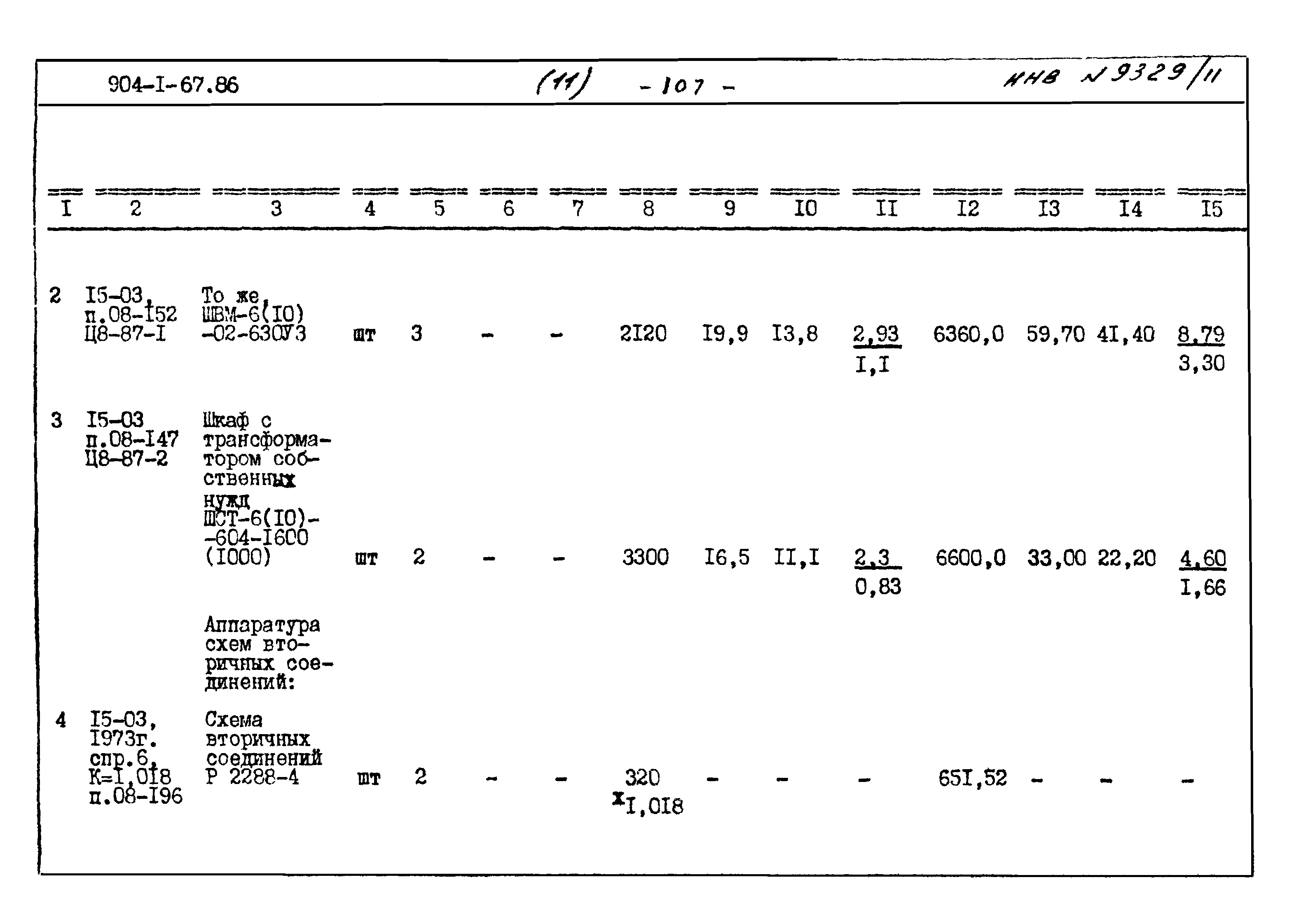
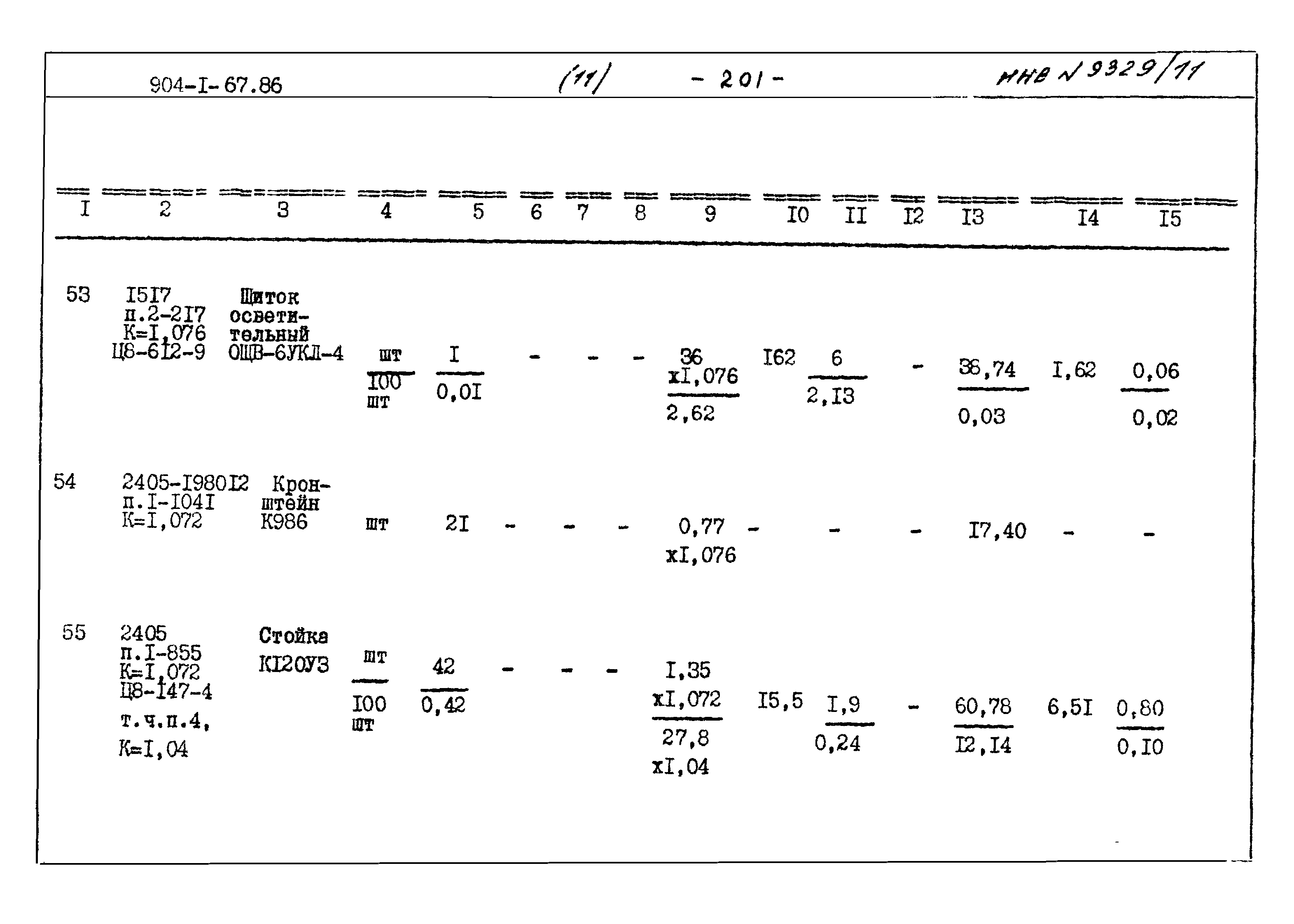
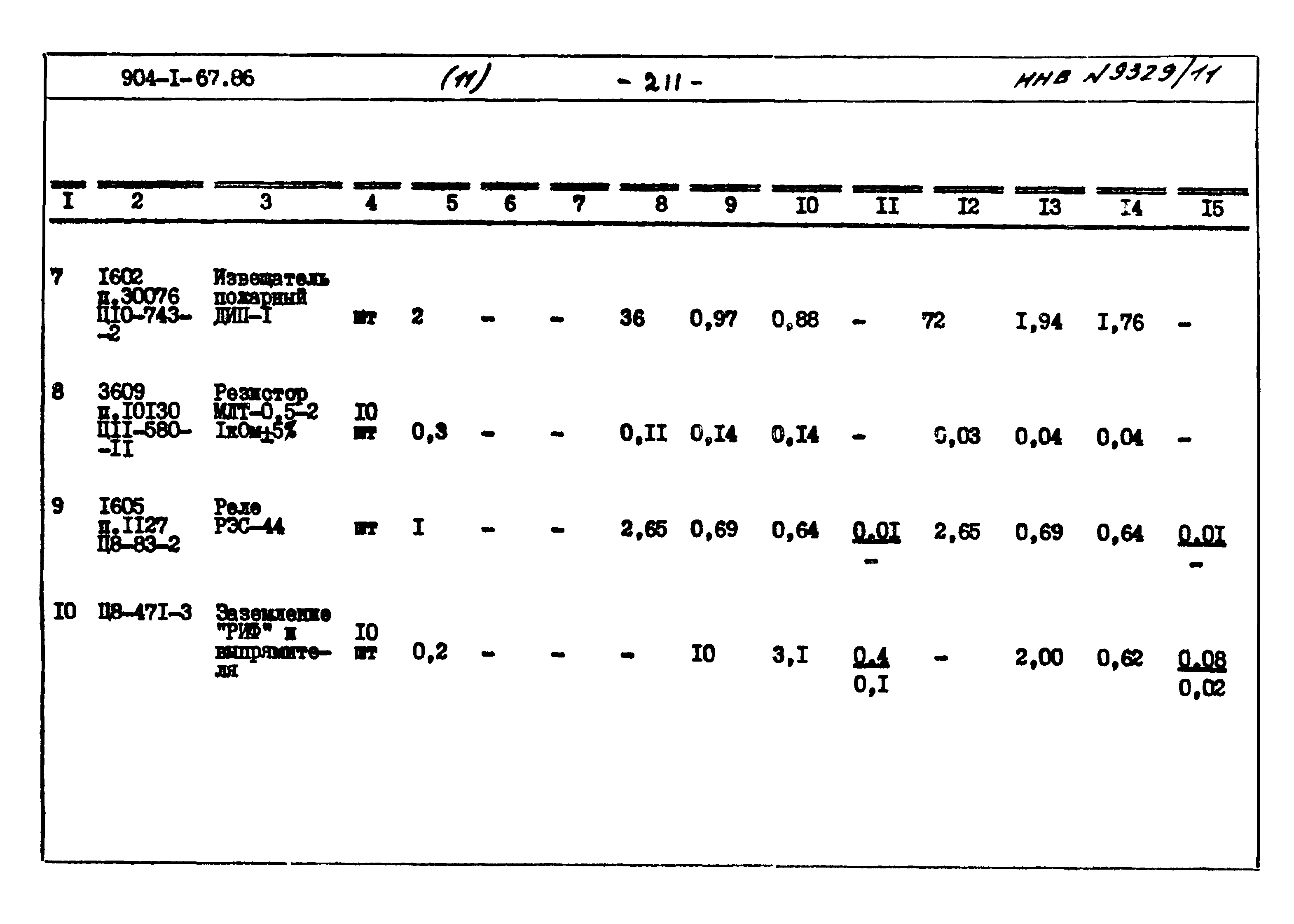
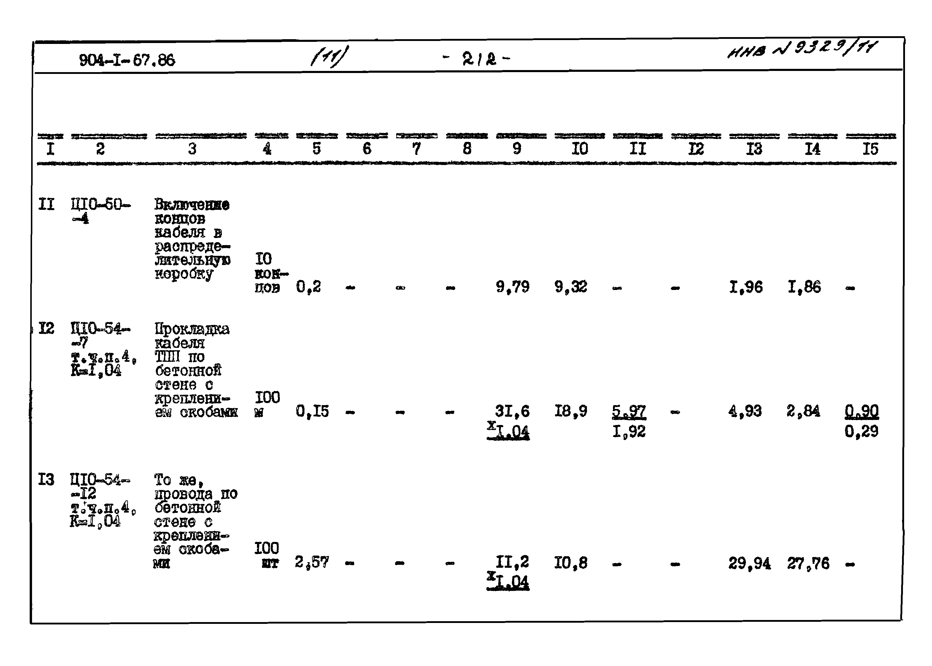
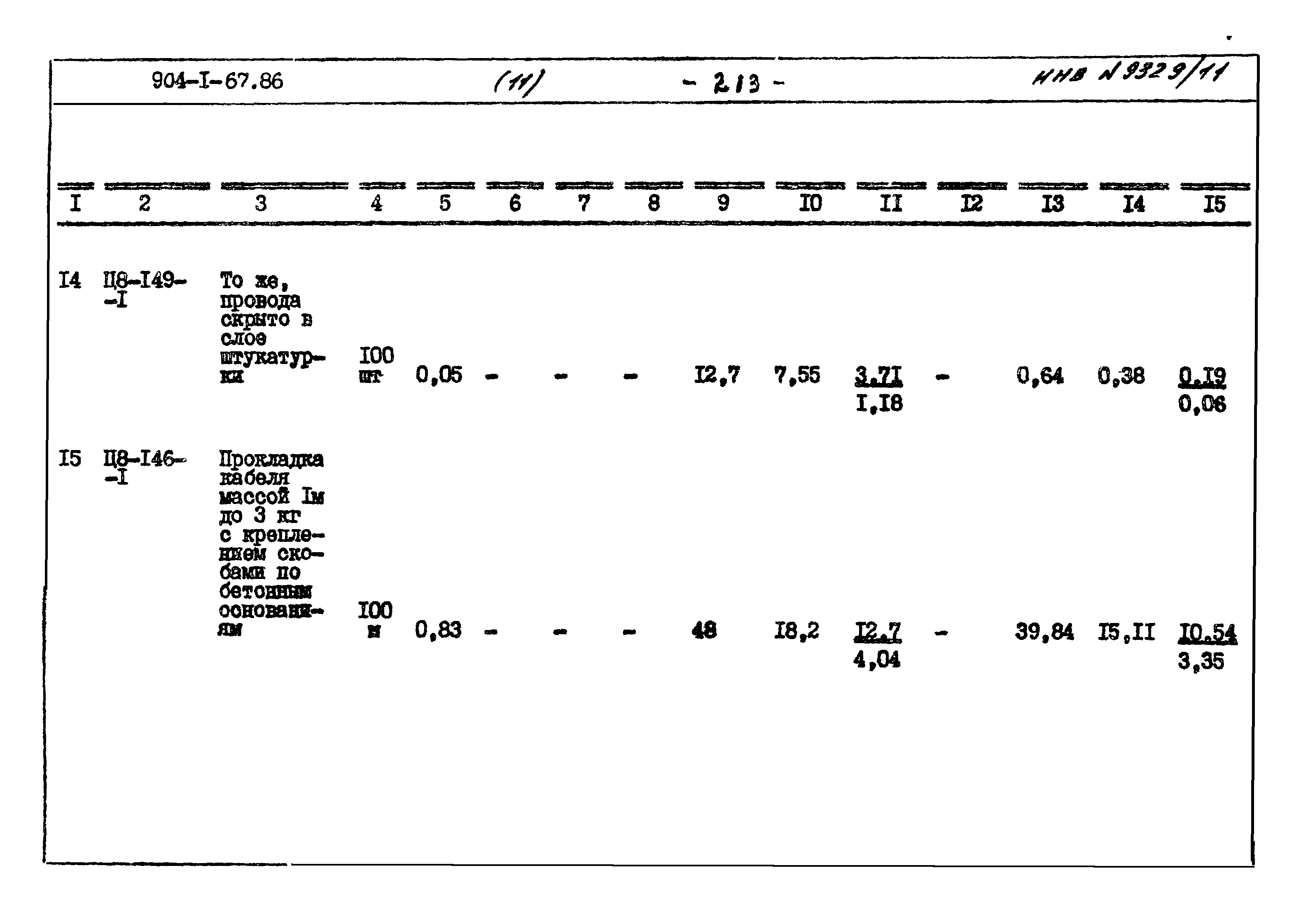
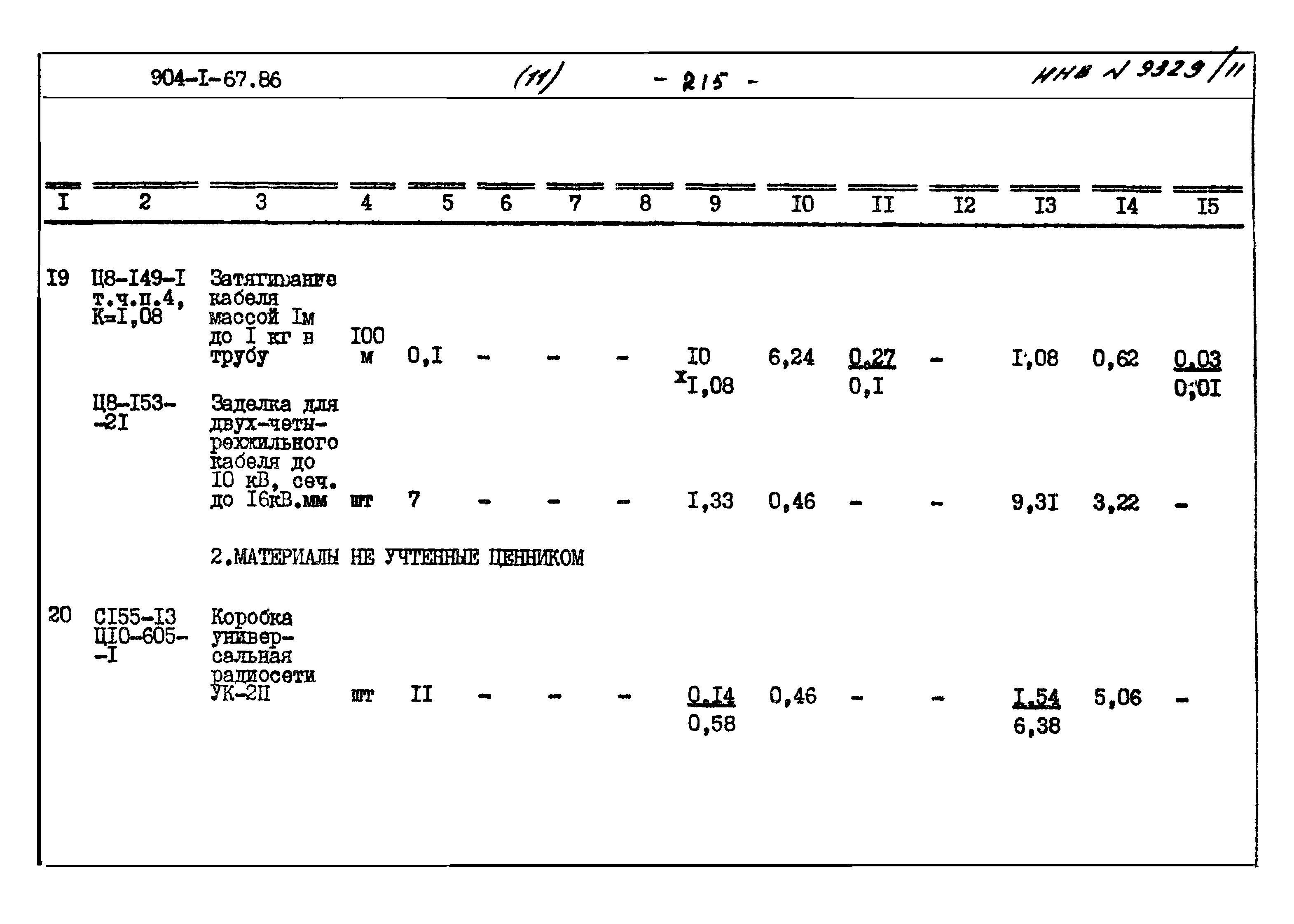
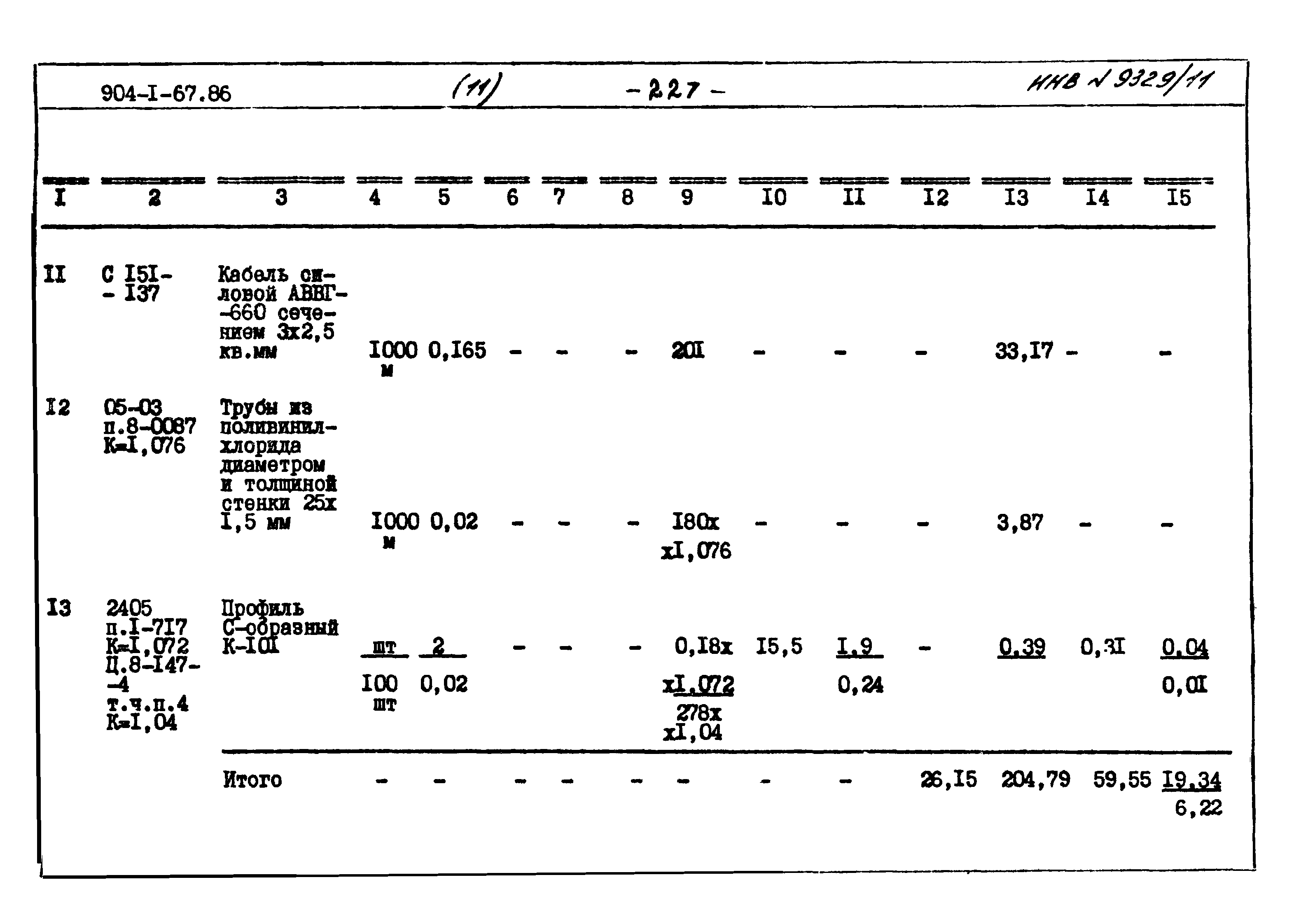
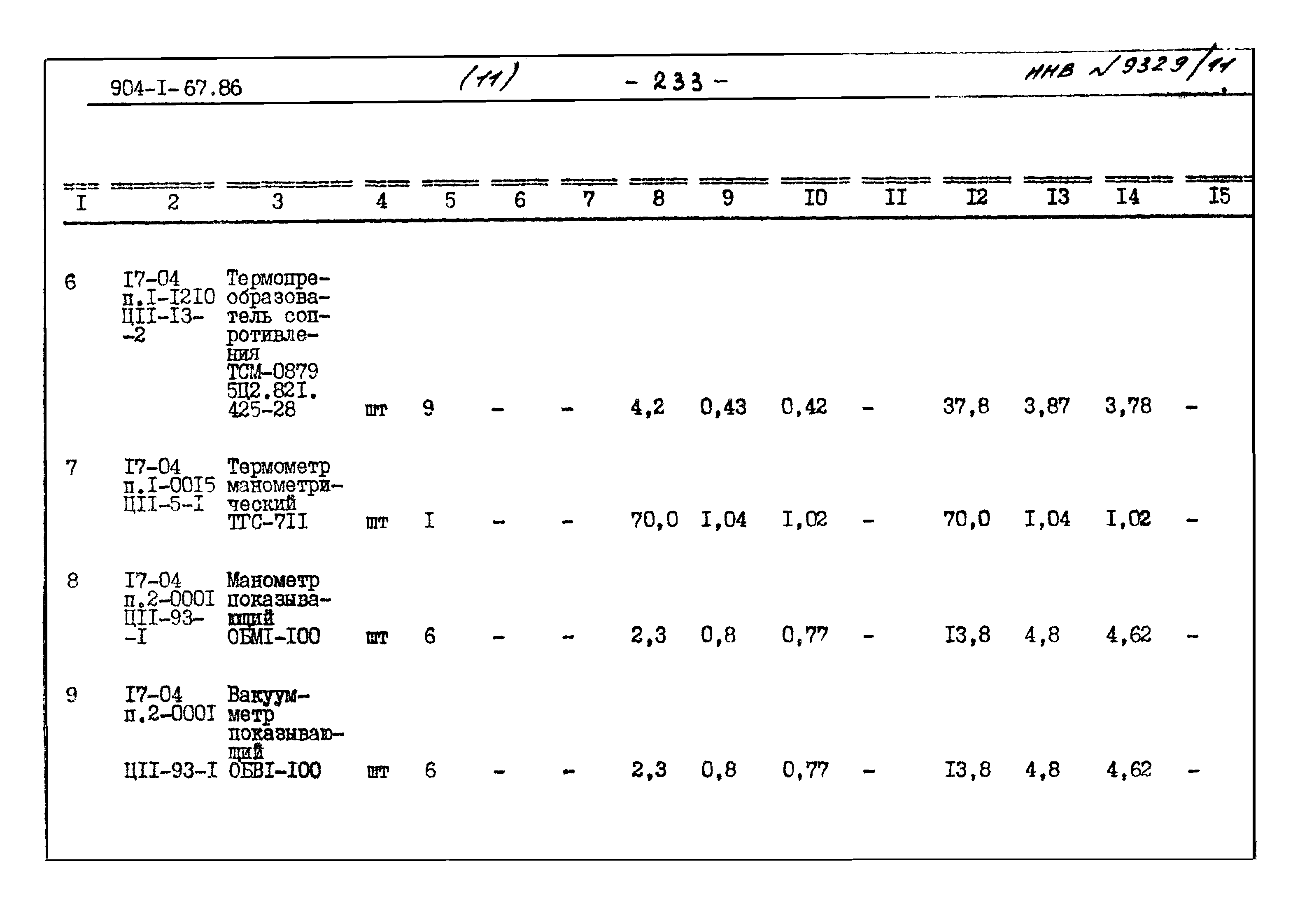
| Оглавление: | ТП 904-1-67.86 Пояснительная записка ТП 904-1-67.86 Объектная смета ТП 904-1-67.86 Смета № 1-ТХ. Приобретение и монтаж технологического оборудования ТП 904-1-67.86 Смета № 2-ТХ. Нестандартизированное оборудование ТП 904-1-67.86 Смета № 3-ТХ. Технологические трубопровода ТП 904-1-67.86 Смета № 4-ТХ. Теплоизоляция ТП 904-1-67.86 Сметный расчет № 5-ТХ. Приобретение приспособлений и производственного инвентаря ТП 904-1-67.86 Ведомость потребности в материалах ТП 904-1-67.86 Смета № 1-ЭС. Электрооборудование и монтаж 1КТП-1х630 квА, левого исполнения ТП 904-1-67.86 Смета № 2-ЭС. Электрооборудование и монтаж 2КТП-1х630 квА, правого исполнения ТП 904-1-67.86 Смета № 3-ЭС. Электрооборудование распредустройства, вариант 6 кВ ТП 904-1-67.86 Смета № 3-ЭС. Электрооборудование распредустройства, вариант 10 кВ ТП 904-1-67.86 Смета № 1-ЭМ. Приобретение и монтаж силового электрооборудования, вариант 6 кВ ТП 904-1-67.86 Смета № 1-ЭМ. Приобретение и монтаж силового электрооборудования, вариант 10 кВ ТП 904-1-67.86 Ведомость потребности в материалах ТП 904-1-67.86 Смета № 1-ЭО. Монтаж электроосвещения ТП 904-1-67.86 Ведомость потребности в материалах ТП 904-1-67.86 Смета № 1-СС. Приобретение и монтаж сетей связи и сигнализации ТП 904-1-67.86 Ведомость потребности в материалах ТП 904-1-67.86 Смета № 2-СС. Приобретение и монтаж вызывной сигнализации ТП 904-1-67.86 Ведомость потребности в материалах ТП 904-1-67.86 Смета № 1-А. Приобретение оборудования и монтаж контрольно-измерительных приборов ТП 904-1-67.86 Ведомость потребности в материалах ТП 904-1-67.86 Ведомость потребности в производственных ресурсах |
| Разработан: | Гипростройдормаш |
| Утверждён: | 28.03.1986 Минстройдормаш (Minstroydormash 13/86) |
| Издан: | ЦИТП Госстроя СССР (CITP, Gosstroy (USSR) 1987 г. ) |


























































































































































































































































































