Скачать Типовой проект 902-2-292 Альбом VI. СметыДата актуализации: 01.01.2021
|
| Обозначение: | Типовой проект 902-2-292 |
| Обозначение англ: | 902-2-292 |
| Статус: | действует |
| Название рус.: | Альбом VI. Сметы |
| Дата добавления в базу: | 01.09.2013 |
| Дата актуализации: | 01.01.2021 |
| Дата введения: | 15.01.1977 |
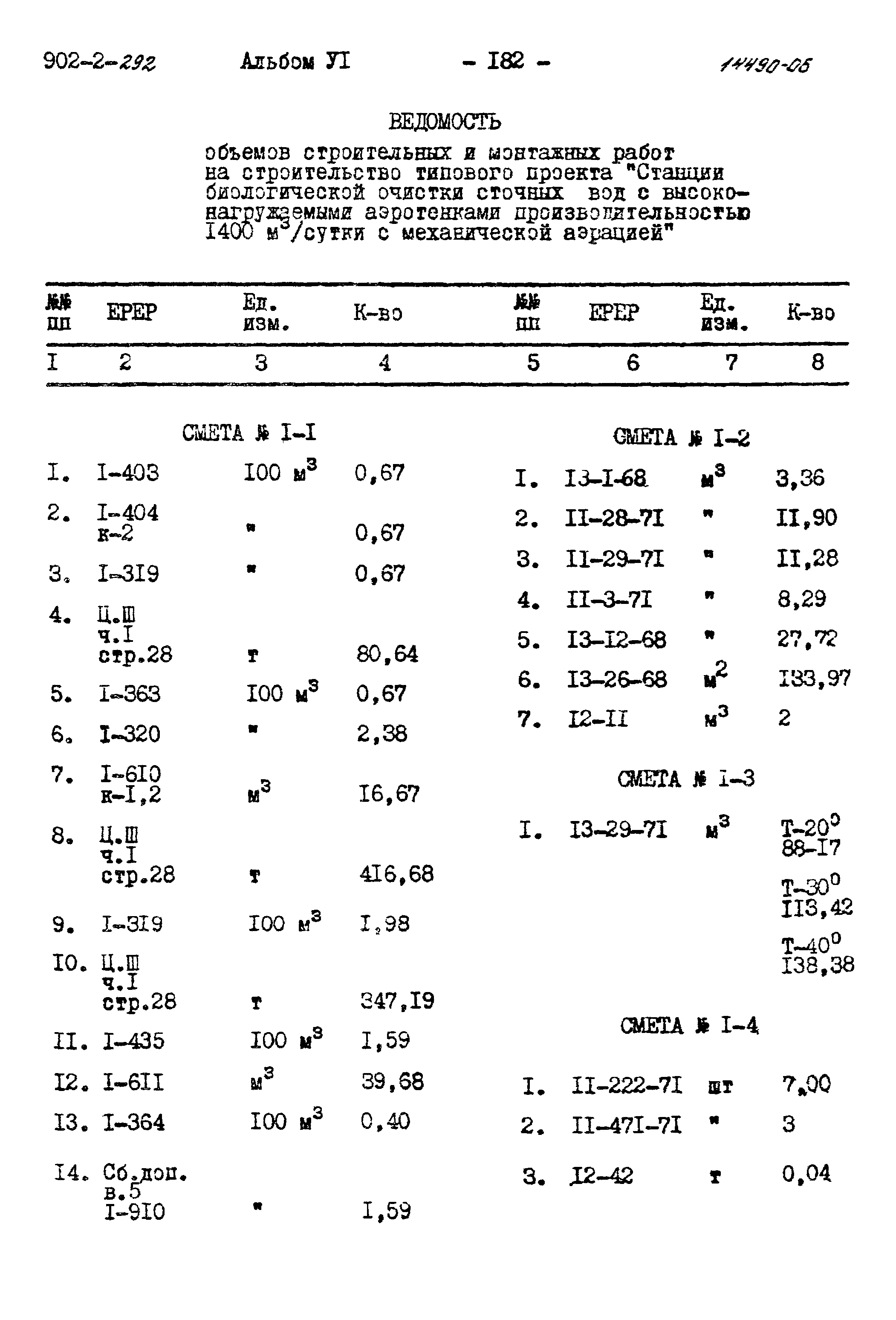
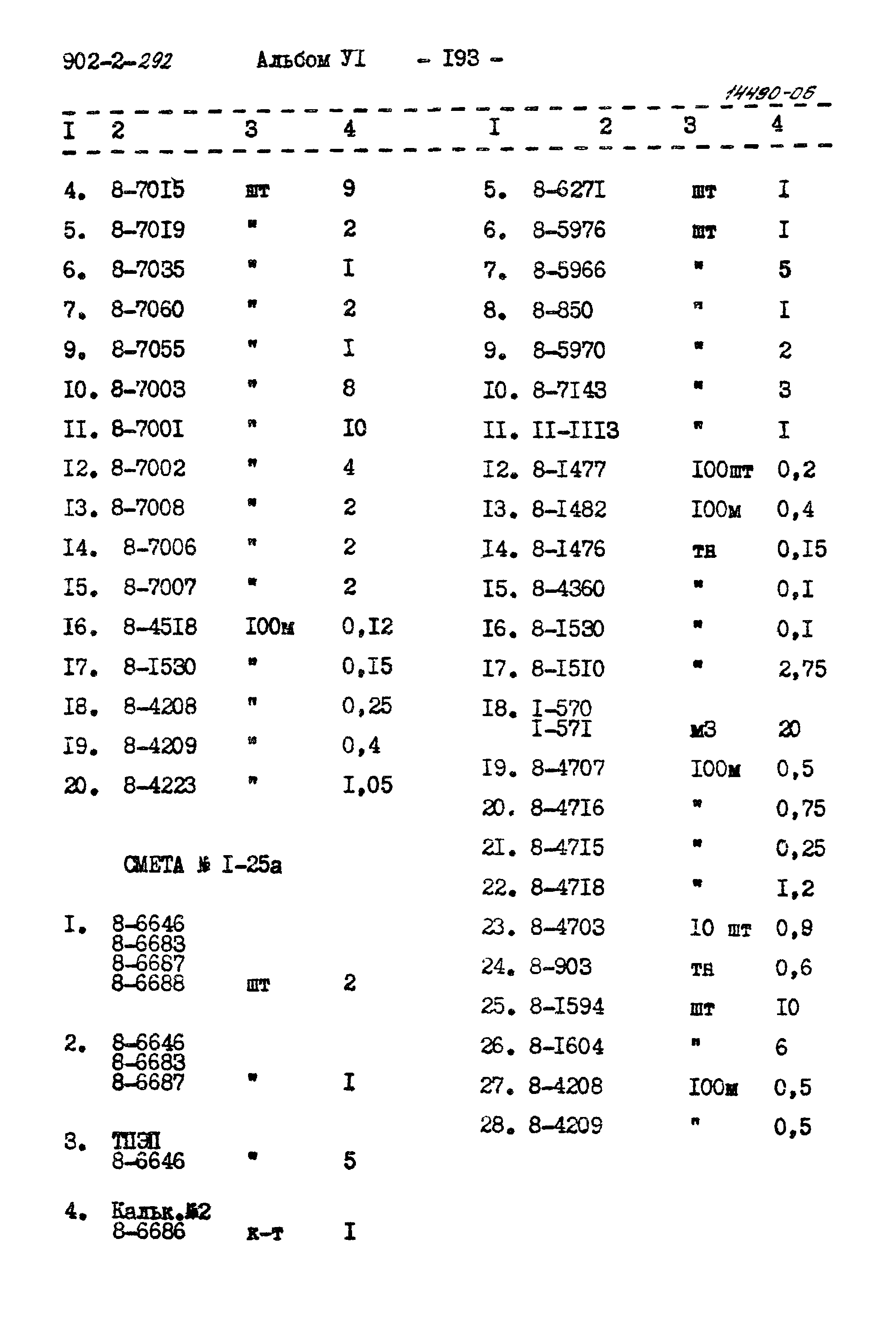
| Оглавление: | ТП 902-2-292 Пояснительная записка ТП 902-2-292 Сводка затрат № 1 на строительство станции с фильтрами для доочистки ТП 902-2-292 Сводка затрат № 2 на строительство станции с биологическими прудами для доочистки ТП 902-2-292 Объектная смета № 1 на строительство производственно-вспомогательного здания (вариант с хлордозаторной) ТП 902-2-292 Объектная смета № 1а на строительство производственно-вспомогательного здания (вариант с электролизной) ТП 902-2-292 Объектная смета № 2 на строительство блока емкостей (сборный вариант) ТП 902-2-292 Объектная смета № 2а на строительство блока емкостей (монолитный вариант) ТП 902-2-292 Объектная смета № 3 на строительство блока резервуаров ТП 902-2-292 Сводка объемов и стоимости работ на строительство производственно-вспомогательного здания (вариант с хлордозаторной) ТП 902-2-292 Сводка объемов и стоимости работ № 1a на строительство производственно-вспомогательного здания (вариант с электролизной) ТП 902-2-292 Сводка объемов и стоимости № 2 на строительство блока емкостей (сборный вариант) ТП 902-2-292 Сводка объемов и стоимости работ № 2а на строительство блока емкостей (монолитный вариант) ТП 902-2-292 Сводка объемов стоимости работ № 3 на строительство блока резервуаров ТП 902-2-292 Сводка объемов и стоимости работ № 4 на внутриплощадочные сети ТП 902-2-292 Сводка объемов и стоимости работ № 5к в сметам № 1-9 ТП 902-2-292 Производственно-вспомогательное здание (вариант с хлордозаторной) ТП 902-2-292 Смета № 1-1 - Земляные работы ТП 902-2-292 Смета № 1-2 - Фундаменты ТП 902-2-292 Смета № 1-3 - Стены кирпичные ТП 902-2-292 Смета № 1-4 - Покрытие ТП 902-2-292 Смета № 1-5 - Кровля ТП 902-2-292 Смета № 1-6 - Перегородки ТП 902-2-292 Смета № 1-7 - Окна ТП 902-2-292 Смета № 1-8 - Двери ТП 902-2-292 Смета № 1-9 - Полы ТП 902-2-292 Смета № 1-10 - Отделка наружная ТП 902-2-292 Смета № 1-11 - Отделка внутренняя ТП 902-2-292 Смета № 1-12 - Металлоконструкции ТП 902-2-292 Смета № 1-13 - Прочие работы ТП 902-2-292 Смета № 1-14 - Вентиляционная труба ТП 902-2-292 Смета № 1-15 - Специально-строительные работы ТП 902-2-292 Смета № 1-16 - Отопление ТП 902-2-292 Смета № 1-17 - Вентиляция ТП 902-2-292 Смета № 1-18 - Холодное водоснабжение ТП 902-2-292 Смета № 1-19 - Канализация ТП 902-2-292 Смета № 1-20 - Горячее водоснабжение ТП 902-2-292 Смета № 1-21 - Тепловой узел ТП 902-2-292 Смета № 1-22 - Котельная ТП 902-2-292 Смета № 1-23 - Технологическое оборудование ТП 902-2-292 Смета № 1-24 - Электроосвещение ТП 902-2-292 Смета № 1-25 - Силовое оборудование и автоматика ТП 902-2-292 Производственно-вспомогательное здание (вариант с электролизной) ТП 902-2-292 Смета № 1-1а - Земляные работы ТП 902-2-292 Смета № 1-2а - Фундаменты ТП 902-2-292 Смета № 1-3а - Стены кирпичные ТП 902-2-292 Смета № 1-4а - Покрытие ТП 902-2-292 Смета № 1-5а - Кроши ТП 902-2-292 Смета № 1-6а - Перегородки ТП 902-2-292 Смета № 1-7а - Окна ТП 902-2-292 Смета № 1-8а - Двери ТП 902-2-292 Смета № 1-9а - Полы ТП 902-2-292 Смета № 1-10а - Отделка наружная ТП 902-2-292 Смета № 1-11а - Отделка внутренняя ТП 902-2-292 Смета № 1-12a - Металлоконструкции ТП 902-2-292 Смета № 1-13a - Прочие работы ТП 902-2-292 Смета № 1-14a - Вентиляционная камера ТП 902-2-292 Смета № 1-15a - Специально-строительные работы ТП 902-2-292 Смета № 1-16a - Отопление ТП 902-2-292 Смета № 1-17a - Вентиляция ТП 902-2-292 Смета № 1-18a - Водопровод ТП 902-2-292 Смета № 1-19a - Горячее водоснабжение ТП 902-2-292 Смета № 1-20а - Канализация ТП 902-2-292 Смета № 1-21а - Тепловой узел ТП 902-2-292 Смета № 1-22а - Котельная ТП 902-2-292 Смета № 1-23а - Технологическое оборудование ТП 902-2-292 Смета № 1-24а - Электроосвещение ТП 902-2-292 Смета № 1-25а - Силовое оборудование и автоматика ТП 902-2-292 Блок емкостей длиной 21,0 м ТП 902-2-292 Смета № 2-1 - Земляные работы ТП 902-2-292 Смета № 2-2 - Основание ТП 902-2-292 Смета № 2-3 - Железобетонные и бетонные конструкции ТП 902-2-292 Смета № 2-4 - Металлоконструкции ТП 902-2-292 Смета № 2-5 - Отделочные работы ТП 902-2-292 Смета № 2-6 - Прочие работы ТП 902-2-292 Смета № 2-7 - Технологическое оборудование ТП 902-2-292 Смета № 2-8 - Силовое электрооборудование ТП 902-2-292 Блок емкостей длиной 22,5 м ТП 902-2-292 Смета № 2-1а - Земляные работы ТП 902-2-292 Смета № 2-2а - Основание ТП 902-2-292 Смета № 2-3а - Железобетонные и бетонные конструкции ТП 902-2-292 Смета № 2-4а - Металлоконструкции ТП 902-2-292 Смета № 2-5а - Отделочные работы ТП 902-2-292 Смета № 2-6а - Прочие работы ТП 902-2-292 Смета № 2-7а - Технологическое оборудование ТП 902-2-292 Смета № 2-8а - Силовое электрооборудование ТП 902-2-292 Блок резервуаров ТП 902-2-292 Смета № 3-1 - Земляные работы ТП 902-2-292 Смета № 3-2 - Основание ТП 902-2-292 Смета № 3-3 - Железобетонные и бетонные конструкции ТП 902-2-292 Смета № 3-4 - Металлоконструкции ТП 902-2-292 Смета № 3-5 - Отделочные работы ТП 902-2-292 Смета № 3-6 - Прочие работы ТП 902-2-292 Внутриплощадочные сети ТП 902-2-292 Смета № 4-1 - Кабельные сети ТП 902-2-292 Смета № 4-2 - Технологические трубопроводы при доочистке на фильтрах ТП 902-2-292 Смета № 4-3 - Технологические трубопроводы при доочистке на биологических прудах ТП 902-2-292 Смета № 1 - Песколовки ТП 902-2-292 Смета № 2 - Контактный резервуар ТП 902-2-292 Смета № 3 - Распределительная камера и лотки ТП 902-2-292 Смета № 4 - Колодец при песколовках ТП 902-2-292 Смета № 5 - Иловые площадки при БПКп сточной воды менее 300 мг/л, песковая площадка для станций с фильтрами для доочистки ТП 902-2-292 Смета № 6 - Иловые площадки при БПКп сточной воды более 300 мг/л, песковая площадка для станции с фильтрами для до очистки ТП 902-2-292 Смета № 7 - Иловые площадки при БПКП сточной воды менее 300 мг/л биологические пруды, песковая площадка, контактные емкости для станции с биологическими прудами для доочистки ТП 902-2-292 Смета № 8 - Иловые площадки при БПКП сточной воды более 300 мг/л биологические пруды, песковая площадка, контактные емкости для станции с биологическими прудами для доочистки ТП 902-2-292 Смета № 9 - Технологические трубопровода ТП 902-2-292 Ведомость объемов строительно-монтажных работ ТП 902-2-292 Сводные ведомости потребности в производственных ресурсах ТП 902-2-292 Расчет стоимости сборных железобетонных изделий |
| Разработан: | ЦНИИЭП инженерного оборудования Госгражданстроя |
| Утверждён: | 27.05.1976 Госгражданстрой (Gosgrazhdanstroy 119) |
| Издан: | ЦИТП Госстроя СССР (CITP, Gosstroy (USSR) 1977 г. ) |
























































































































































































































































