Скачать Типовой проект 902-3-34.84 Альбом III. Строительные изделияДата актуализации: 01.01.2021
|
| Обозначение: | Типовой проект 902-3-34.84 |
| Обозначение англ: | 902-3-34.84 |
| Статус: | заменен |
| Название рус.: | Альбом III. Строительные изделия |
| Дата добавления в базу: | 01.09.2013 |
| Дата актуализации: | 01.01.2021 |
| Дата введения: | 26.10.1983 |
| Дата окончания срока действия: | 01.03.1991 |
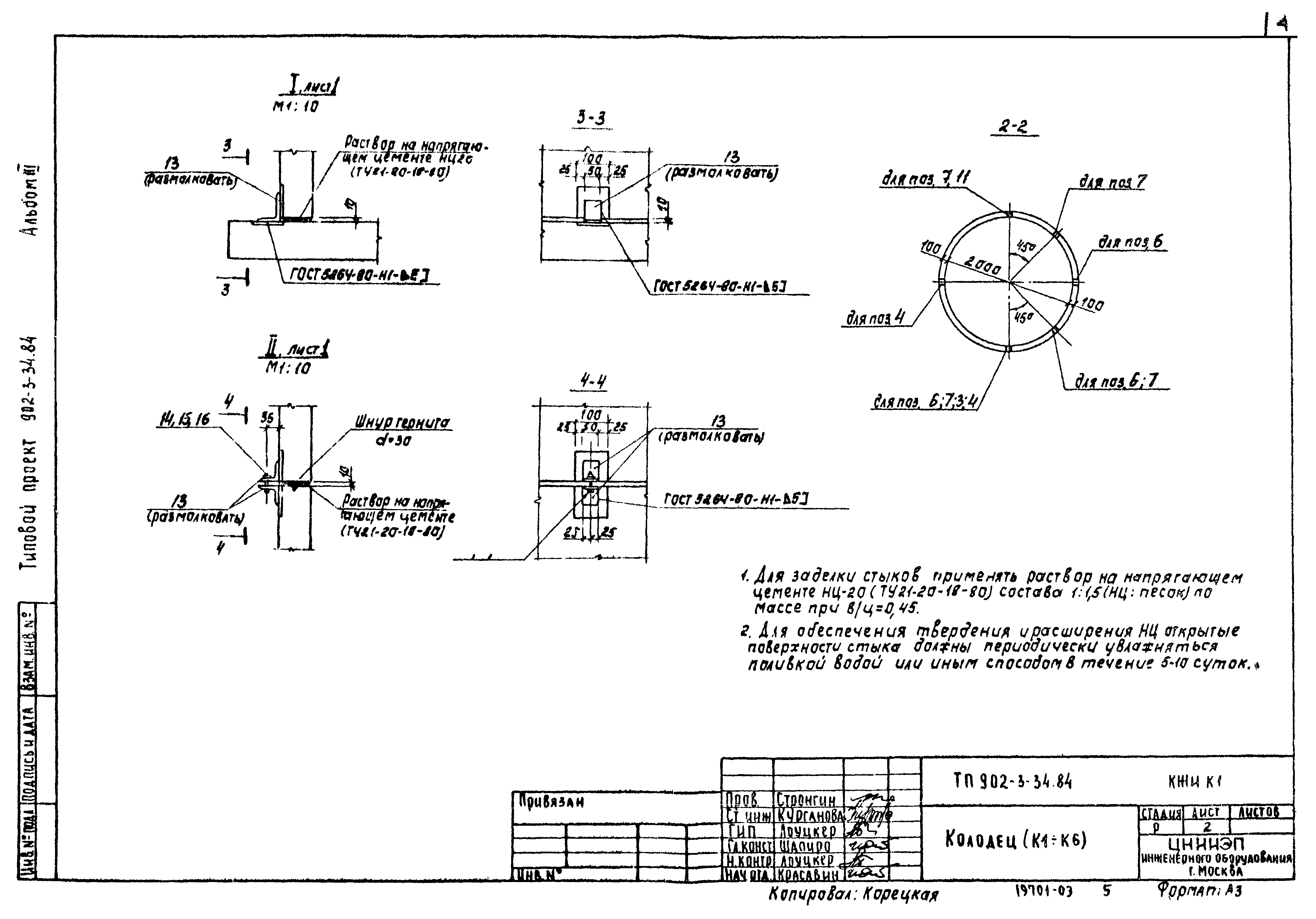
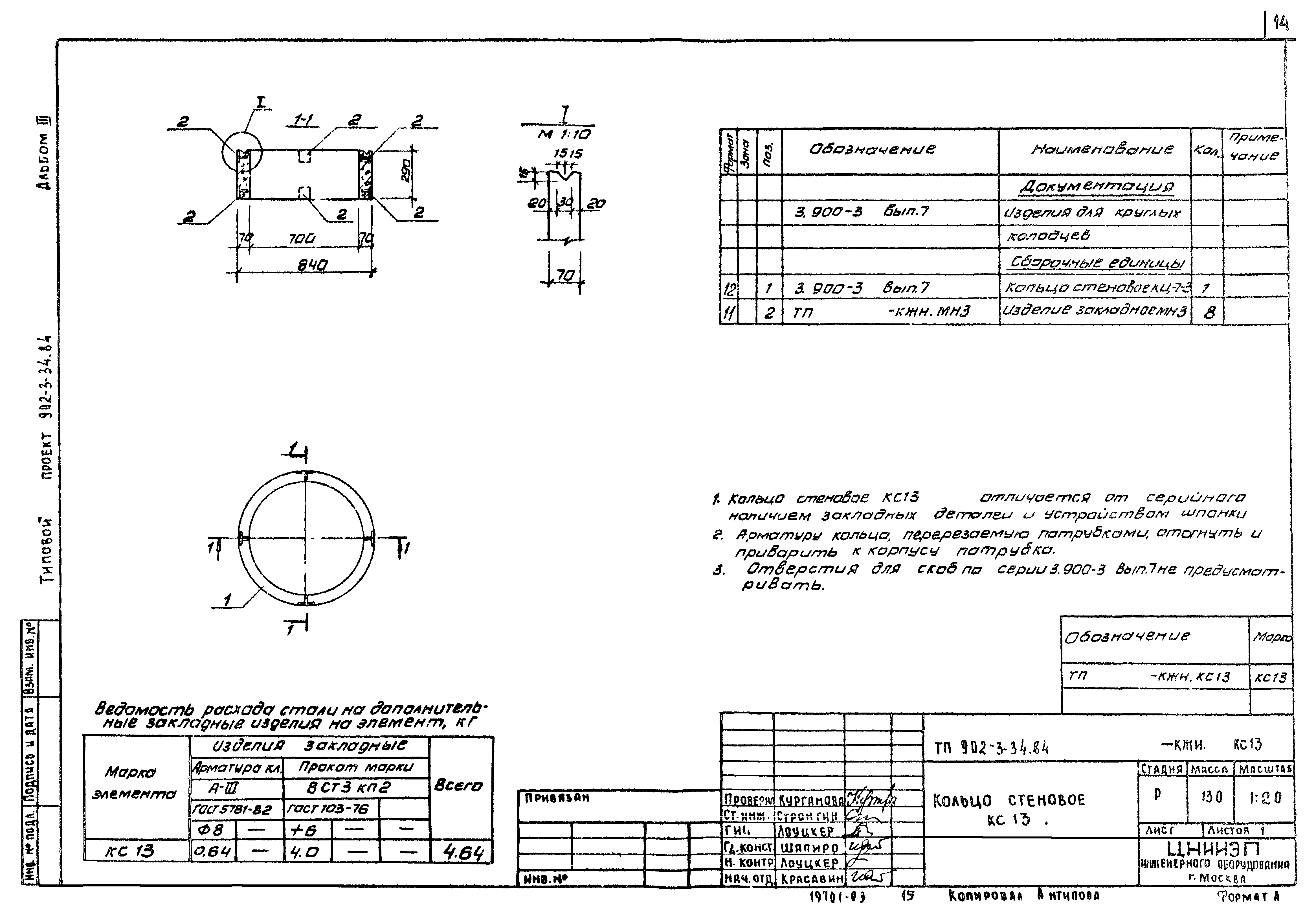
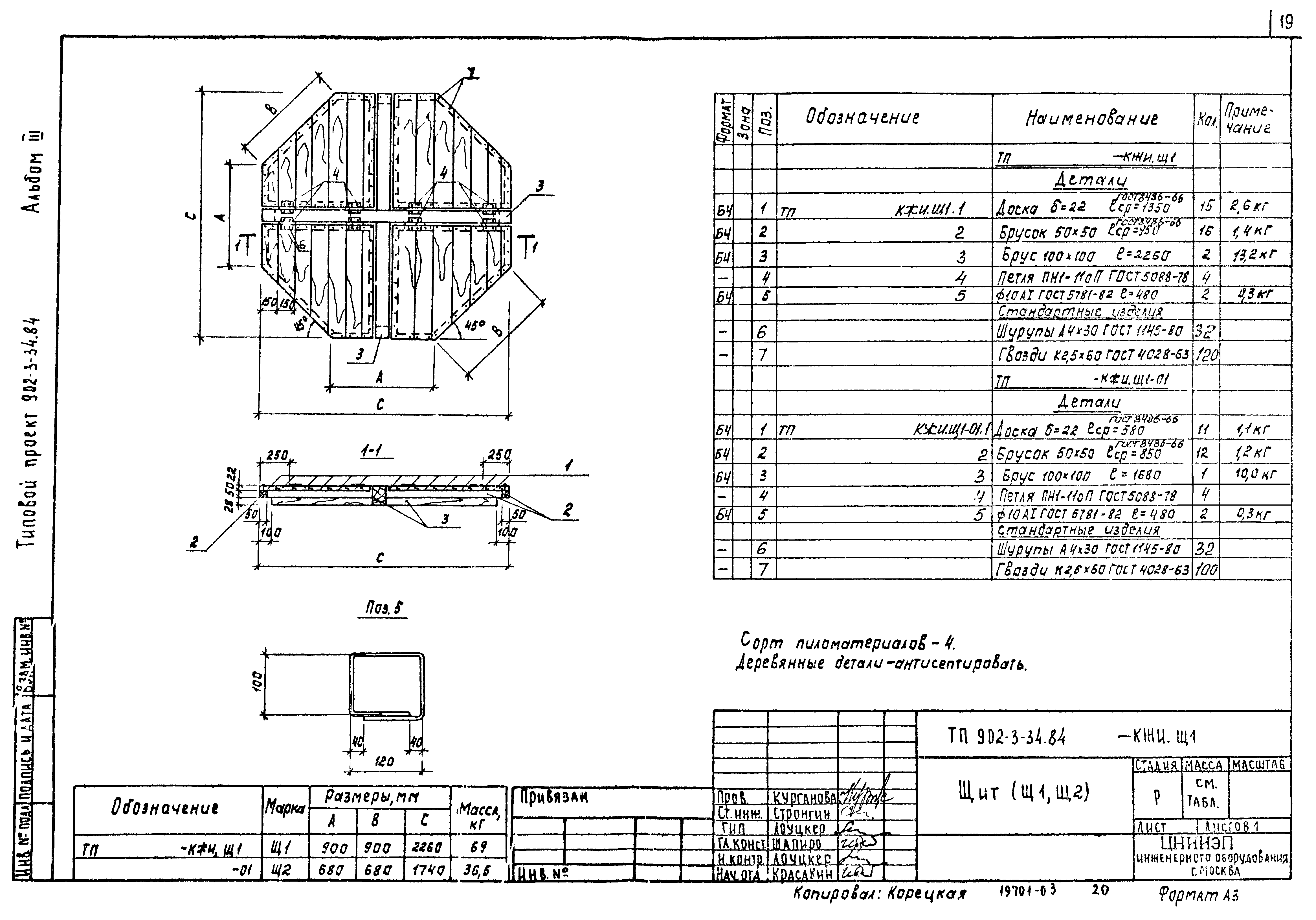
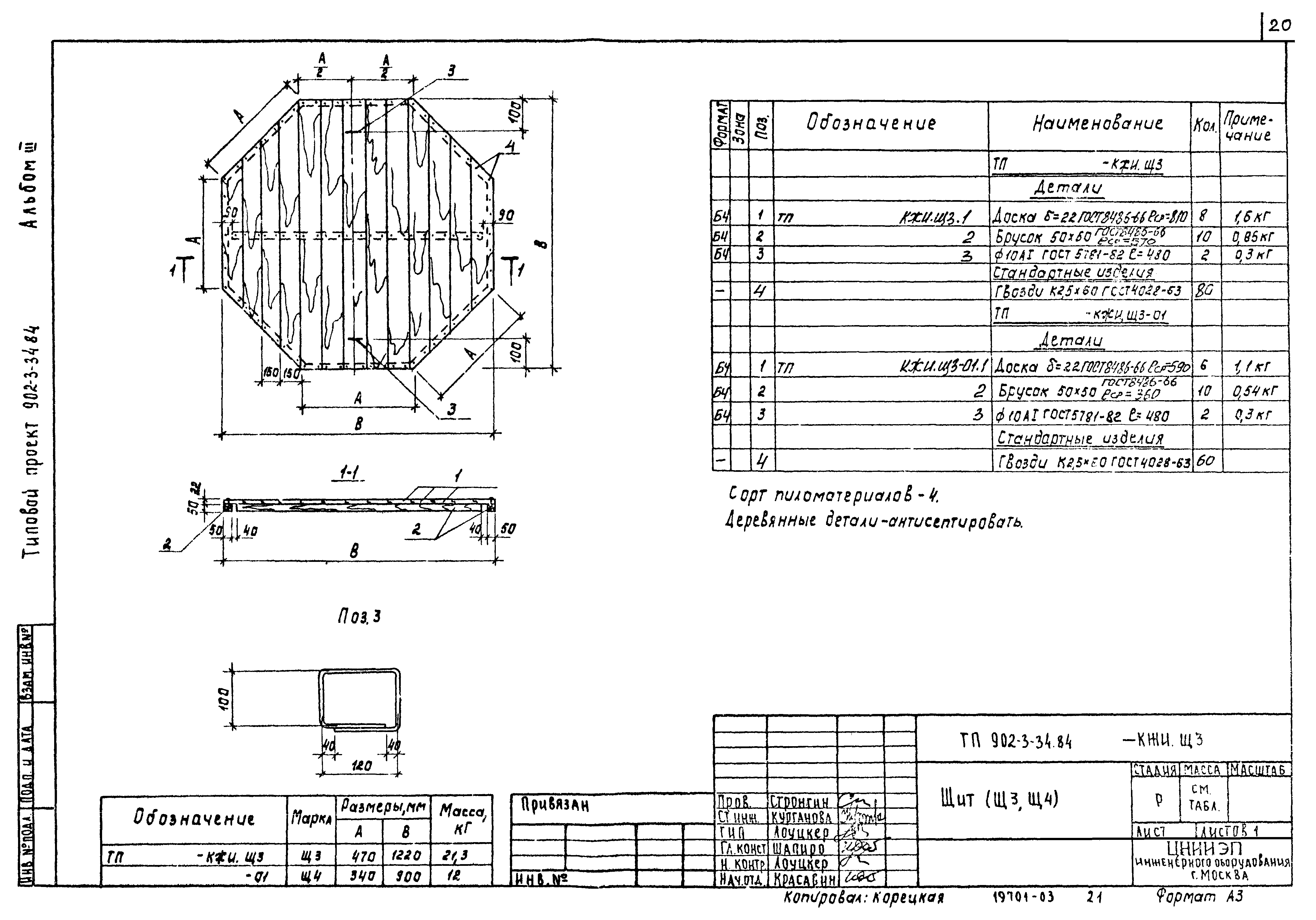
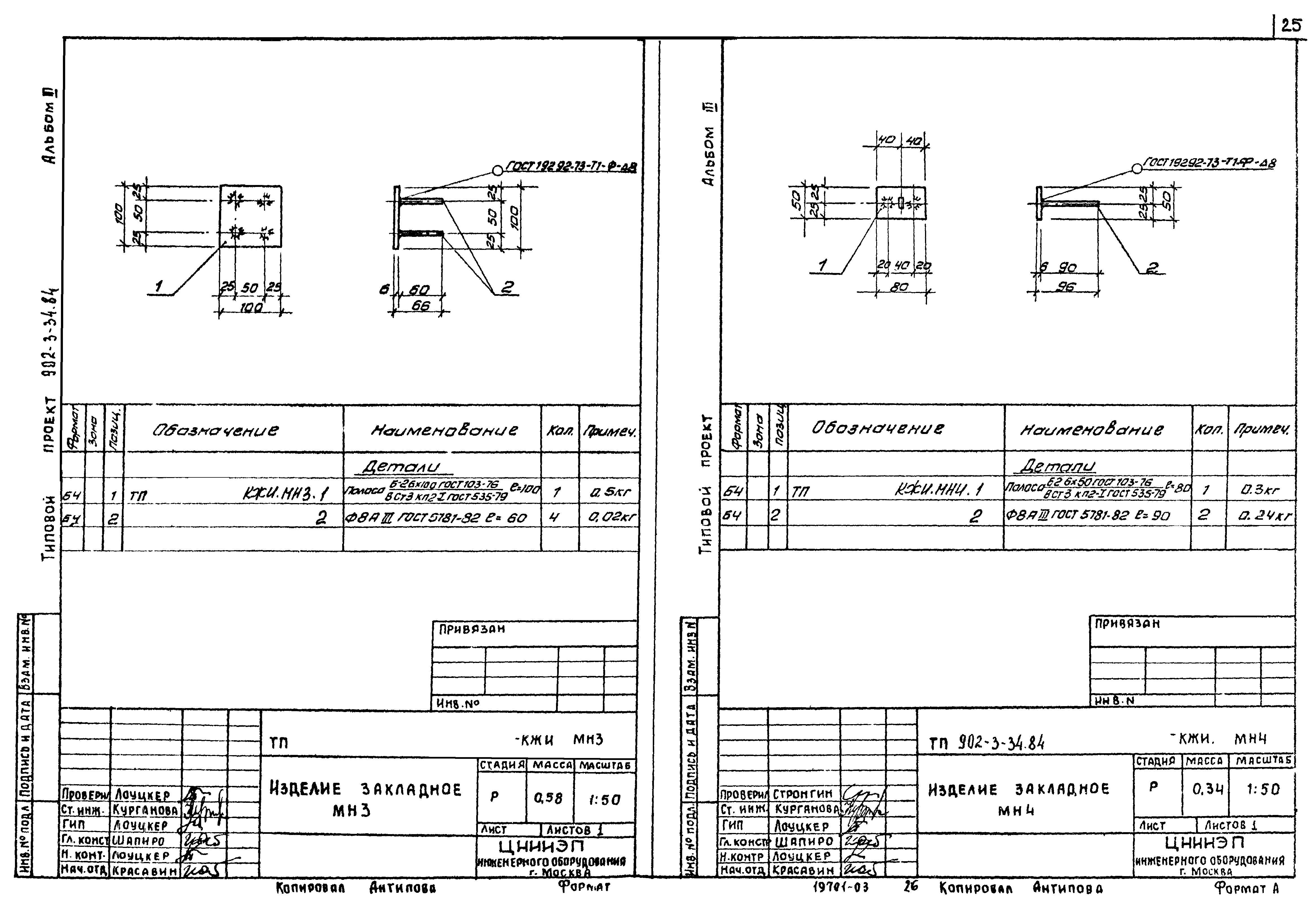
| Оглавление: | ТП 902-3-34.84-КЖИ-К1 Колодец (К1-К6) ТП 902-3-34.84-КЖИ-К14 Колодец (К14,К7,К8) ТП 902-3-34.84-КЖИ-К14 СБ Колодец (К14,К7,К8) ТП 902-3-34.84-КЖИ-К9 Колодец (К9-К13) ТП 902-3-34.84-КЖИ-К9 СБ Колодец (К9-К13) ТП 902-3-34.84-КЖИ-КС1 Кольцо стеновое (КС1;КС4;КС18) ТП 902-3-34.84-КЖИ-КС2 Кольцо стеновое (КС2;КС5;КС6;КС3;КС10;КС12) ТП 902-3-34.84-КЖИ-КС24 Кольцо стеновое (КС24;КС7;КС25) ТП 902-3-34.84-КЖИ-КС9 Кольцо стеновое (КС9;КС17) ТП 902-3-34.84-КЖИ-КС11 Кольцо стеновое КС20 ТП 902-3-34.84-КЖИ-КС13 Кольцо стеновое КС13 ТП 902-3-34.84-КЖИ-КС16 Кольцо стеновое (КС16;КС8) ТП 902-3-34.84-КЖИ-КС19 Кольцо стеновое (КС19;КС15) ТП 902-3-34.84-КЖИ-КС22 Кольцо стеновое (КС22;КС14;КС23) ТП 902-3-34.84-КЖИ-ТБ1 Тумба бетонная (ТБ1-ТБ4) ТП 902-3-34.84-КЖИ-Щ1 Щит (Щ1,Щ2) ТП 902-3-34.84-КЖИ-Щ3 Щит (Щ3,Щ4) ТП 902-3-34.84-КЖИ-Щ5 Щит струенаправляющий (Щ5;Щ6;Щ7) ТП 902-3-34.84-КЖИ-ПД1 Плита днища ПД1 ТП 902-3-34.84-КЖИ-ПД2 Плита днища ПД2 ТП 902-3-34.84-КЖИ-ПД3 Плита днища ПД3 ТП 902-3-34.84-КЖИ-МН5 Изделие закладное МН5 ТП 902-3-34.84-КЖИ-МН1 Патрубок (МН1;МН2;МН6-МН8) ТП 902-3-34.84-КЖИ-МН3 Изделие закладное МН3 ТП 902-3-34.84-КЖИ-МН4 Изделие закладное МН4 ТП 902-3-34.84-КЖИ-КС26 Кольцо стеновое КС26 |
| Разработан: | ЦНИИЭП инженерного оборудования |
| Утверждён: | 26.10.1983 Госгражданстрой (Gosgrazhdanstroy 321) |
| Издан: | ЦИТП Госстроя СССР (CITP, Gosstroy (USSR) 1984 г. ) |
| Чем заменён: |



























