Скачать Серия 1.436-6 Выпуск 1. Рабочие чертежиДата актуализации: 01.01.2021
|
| Обозначение: | Серия 1.436-6 |
| Обозначение англ: | Series 1.436-6 |
| Статус: | не действует |
| Название рус.: | Выпуск 1. Рабочие чертежи |
| Дата добавления в базу: | 01.09.2013 |
| Дата актуализации: | 01.01.2021 |
| Дата окончания срока действия: | 01.09.1981 |
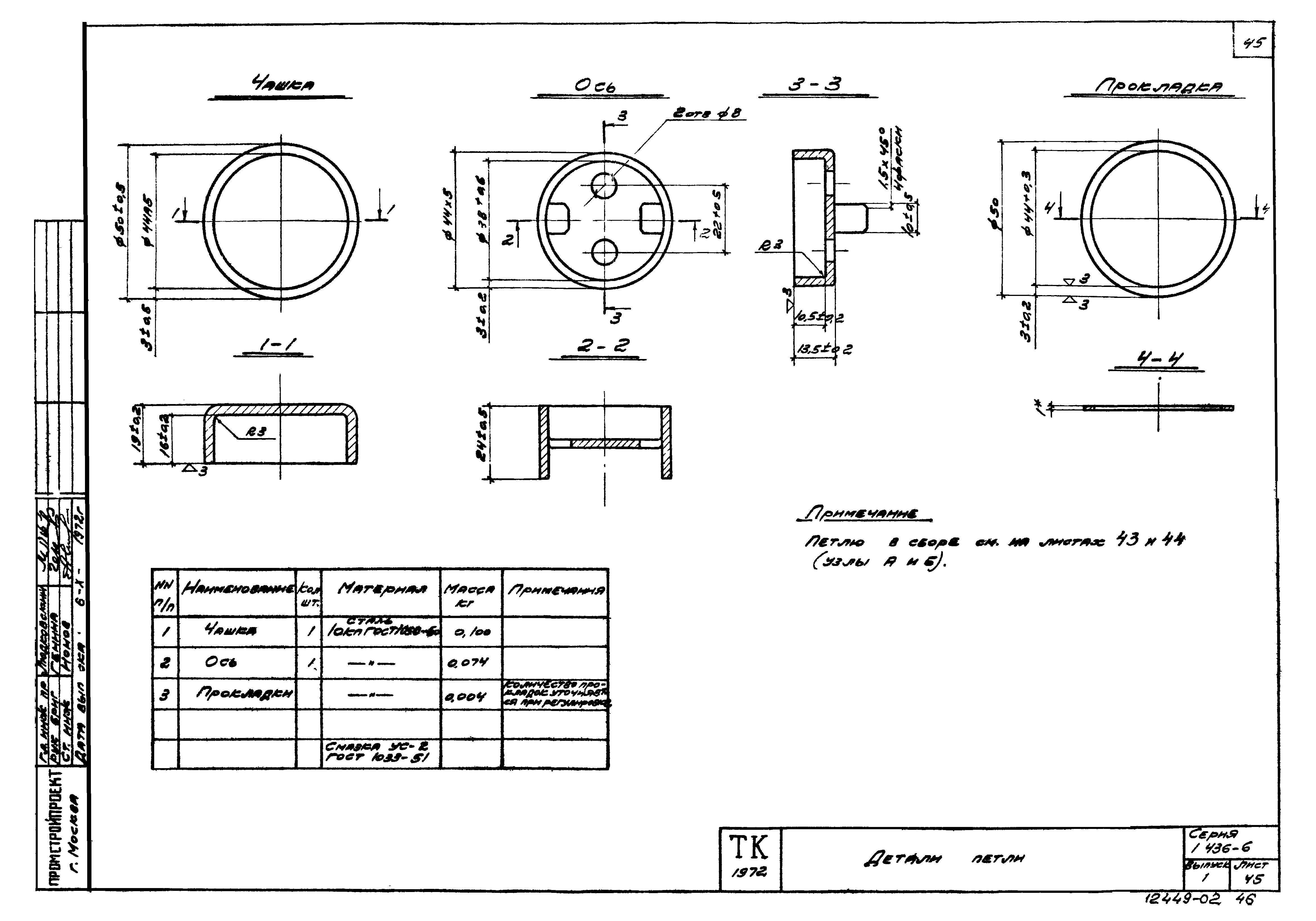
| Оглавление: | 1.436-6 Титульный лист 1.436-6 Содержание 1.436-6 Пояснительная записка 1.436-6 Пояснительная записка (продолжение) 1.436-6 Условные обозначения 1.436-6 Номенклатура 1.436-6 Схемы и обозначения переплетов L=6.0 с механизмами открывания 1.436-6 Схемы и обозначения переплетов L=4.5 с механизмами открывания 1.436-6 Примечания к листам 13-38 1.436-6 Оконные переплеты L=5985 мм Н=1130;1730;2330 мм 1.436-6 Оконные переплеты L=5985 мм Н=2930 мм 1.436-6 Оконные переплеты L=5985 мм Н=3530 мм 1.436-6 Оконные переплеты L=4495 мм Н=1130;1730;2330 мм 1.436-6 Оконные переплеты L=4495 мм Н=2930 мм 1.436-6 Оконные переплеты L=4495 мм Н=3530 мм 1.436-6 Оконные переплеты L=3005 и 2715 мм Н=1130 и 1730 мм 1.436-6 Оконные переплеты L=3005 и 2715 мм Н=2330 мм 1.436-6 Оконные переплеты L=3005 и 2715 мм Н=2930 1.436-6 Оконные переплеты L=3005 Н=3630 мм 1.436-6 Оконные переплеты L=2715 мм Н=3530 мм 1.436-6 Оконные переплеты L=1518 мм Н=1130;1780;2330 мм 1.436-6 Оконные переплеты L=1515 мм Н=2930 мм 1.436-6 Оконные переплеты L=1515 мм Н=3530 мм 1.436-6 Рамы L=5985 мм, Н=1130 и 1730 мм 1.436-6 Рамы L=5985 мм, Н=2330 и 2930 мм 1.436-6 Рамы L=5985 мм, Н=3530 мм 1.436-6 Рамы L=4495 мм Н=1130 и 1730 мм 1.436-6 Рамы L=4495 мм Н=2330 и 2930 мм 1.436-6 Рамы L=4495 мм Н=3530 мм 1.436-6 Рамы L=3005,2715 и 1515 мм. Н=1130 и 1730 мм 1.436-6 Рамы L=3005,2715 и 1515 мм. Н=2330 и 2930 мм 1.436-6 Рамы L=3005,2715 и 1515 мм. Н=3530 мм 1.436-6 Рамы фрамуг 1.436-6 Жалюзийные решетки 1.436-6 Крепление жалюзийных решеток к раме 1.436-6 Сечения элементов рам и фрамуг 1.436-6 Узлы 1,2,3 1.436-6 Сечения 1-1÷4-4 1.436-6 Сечения 5-5÷8-8 1.436-6 Узел "А" 1.436-6 Узел "Б" 1.436-6 Детали петли 1.436-6 Крепление сборных стеклопакетов 1.436-6 Размеры стекла и стеклопакетов 1.436-6 Резиновые профили 1.436-6 Крепежные детали КН-1,КН-2 1.436-6 Слив СЛ-1, притвор ПРС-1, крепежная деталь КВ-1 1.436-6 Ветровые ригели L=6.0;4.5 и 3.0 м 1.436-6 Ветровые ригели L=6.75 м 1.436-6 Оконные переплеты L=5985 мм Н=1130;1730 и 2930 мм. Спецификация материалов 1.436-6 Оконные переплеты L=5985 мм Н=2930 и 3530 мм. Спецификации материалов 1.436-6 Оконные переплеты L=4495 мм Н=1130;1730;2330 и 2930 мм. Спецификация материалов 1.436-6 Оконные переплеты L=4495 мм Н=2930 и 3530 мм. Спецификация материалов 1.436-6 Оконные переплеты L=3005 мм Н=1130,1730,2330,2930 мм. Спецификация материалов 1.436-6 Оконные переплеты L=3005 мм Н=2930 и 3930 мм. Спецификация материалов 1.436-6 Оконные переплеты L=2715 мм, Н=1130,1730,2330 и 2930 мм. Спецификация материалов 1.436-6 Оконные переплеты L=2715 мм, Н=2930 и 3530 мм. Спецификации материалов 1.436-6 Оконные переплеты L=1515 мм, Н=1130,1730,2330 и 2930 мм. Спецификации материалов 1.436-6 Оконные переплеты L=1515 мм, Н=2930 и 3530 мм. Спецификации материалов |
| Разработан: | ГПИ Промстройпроект |
| Утверждён: | 02.07.1973 Госстрой СССР (Государственный комитет Совета Министров СССР по делам строительства) (USSR Gosstroy 111) |
| Чем заменён: |
|































































