Скачать Типовой проект 902-2-435.87 Альбом V. Строительные изделияДата актуализации: 01.01.2021
|
| Обозначение: | Типовой проект 902-2-435.87 |
| Обозначение англ: | 902-2-435.87 |
| Статус: | заменен |
| Название рус.: | Альбом V. Строительные изделия |
| Дата добавления в базу: | 01.09.2013 |
| Дата актуализации: | 01.01.2021 |
| Дата введения: | 01.10.1987 |
| Дата окончания срока действия: | 01.03.1993 |
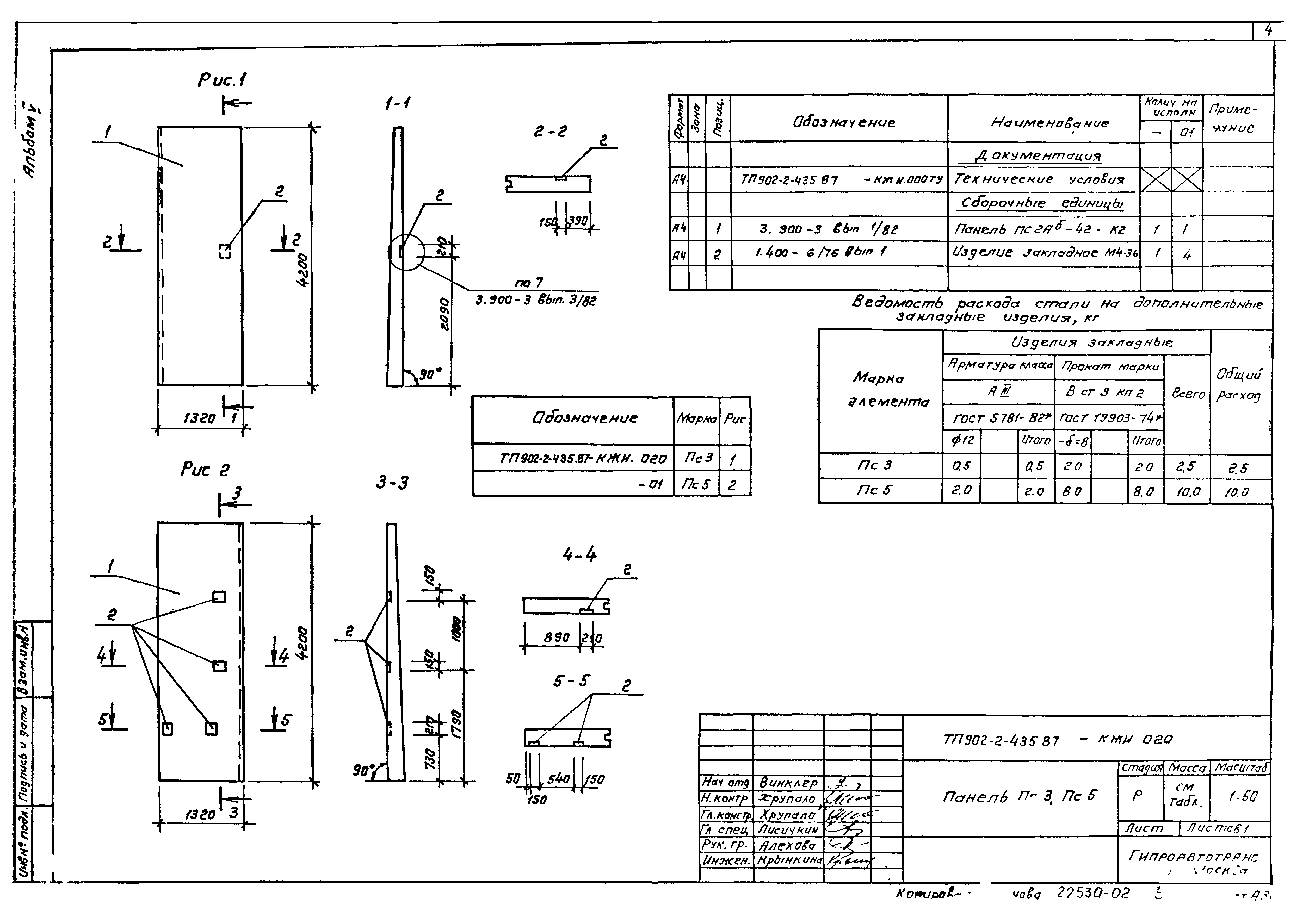
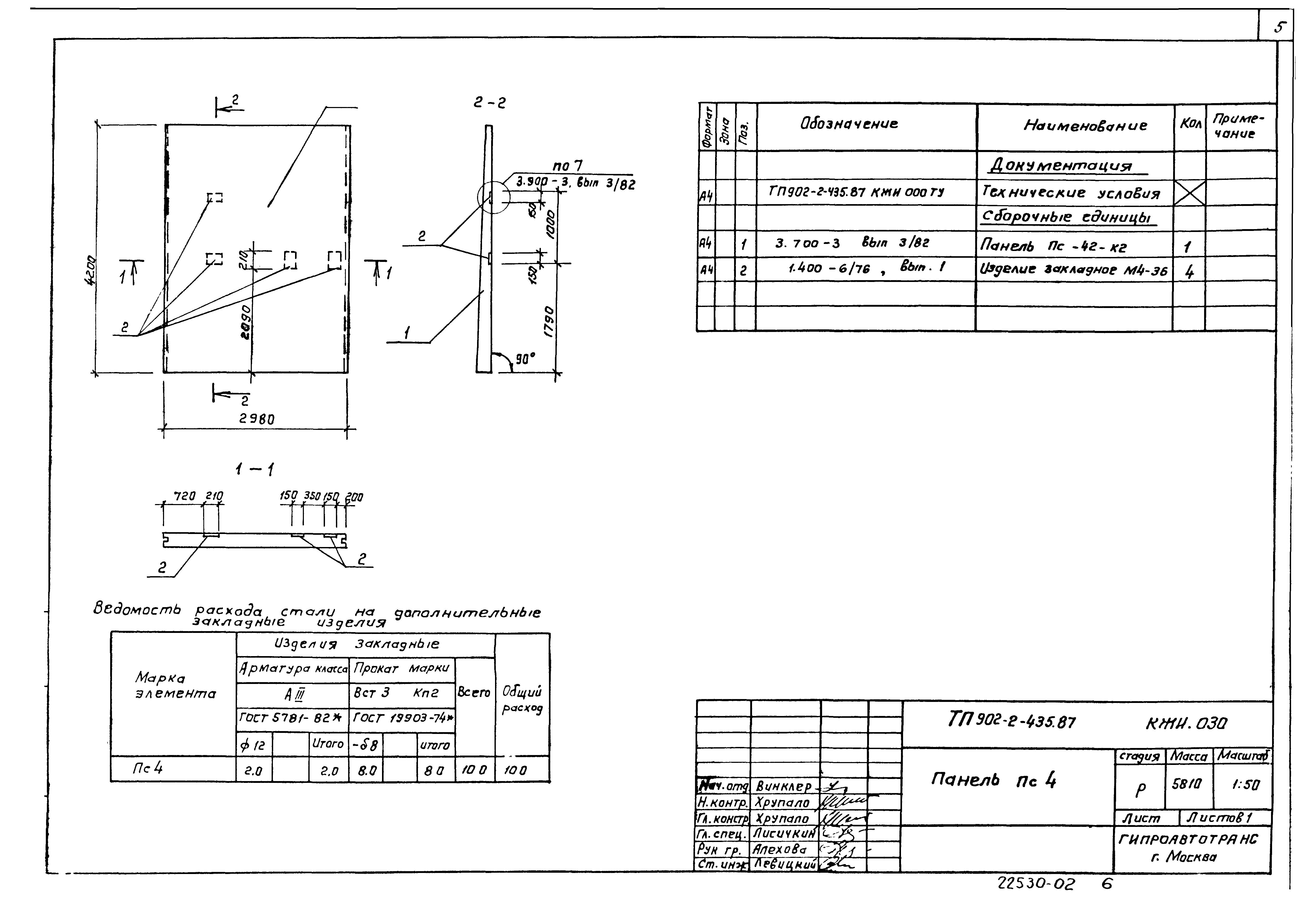
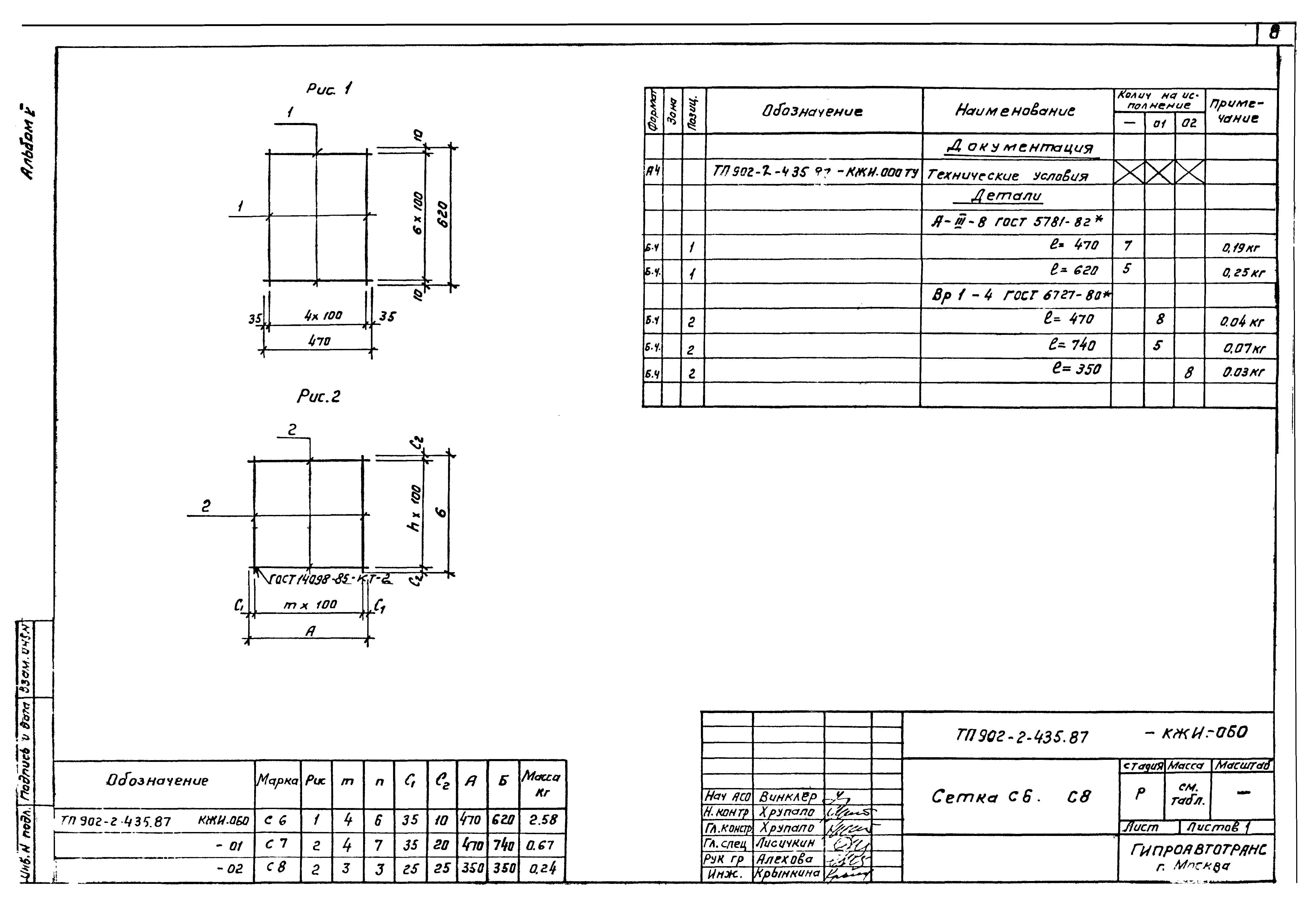
| Оглавление: | ТП 902-2-435.87 Титульный лист ТП 902-2-435.87 Содержание альбома ТП 902-2-435.87-КЖИ.000.ТУ Технические условия ТП 902-2-435.87-КЖИ.010 Балка Б1,Б2 ТП 902-2-435.87-КЖИ.020 Панель ПС3,ПС5 ТП 902-2-435.87-КЖИ.030 Панель ПС4 ТП 902-2-435.87-КЖИ.040 Каркас КР1...КР6 ТП 902-2-435.87-КЖИ.050 Сетка С1...С5 ТП 902-2-435.87-КЖИ.060 Сетка С6...С8 ТП 902-2-435.87-КЖИ.070 Изделие закладное МН1 ТП 902-2-435.87-КЖИ.080 Изделие закладное МН2 ТП 902-2-435.87-КЖИ.090 Изделие закладное МН3 ТП 902-2-435.87-КЖИ.100 Изделие закладное МН4 ТП 902-2-435.87-КЖИ.110 Изделие закладное МН5 ТП 902-2-435.87-КЖИ.120 Изделие закладное МН6 ТП 902-2-435.87-КЖИ.130 Изделие закладное МН7 ТП 902-2-435.87-КЖИ.140 Изделие закладное МН8 ТП 902-2-435.87-КЖИ.150 Щит ЩС1 ТП 902-2-435.87-КЖИ.160 Ограждение ОГ1 ТП 902-2-435.87-КЖИ.170 Рама РМ1 ТП 902-2-435.87-КЖИ.180 Рамка РМ2,РМ3 ТП 902-2-435.87-КЖИ.190 Опорная подушка ОП1 |
| Разработан: | Гипроавтотранс |
| Утверждён: | 01.10.1987 Минавтотранс РСФСР (Russian Federation Minavtotrans 11) |
| Заменяет собой: | |
| Чем заменён: |

















