Скачать Типовой проект 902-2-435.87 Альбом VI. Задание заводу-изготовителю (из ТП 902-2-434.87)Дата актуализации: 01.01.2021
|
| Обозначение: | Типовой проект 902-2-435.87 |
| Обозначение англ: | 902-2-435.87 |
| Статус: | заменен |
| Название рус.: | Альбом VI. Задание заводу-изготовителю (из ТП 902-2-434.87) |
| Дата добавления в базу: | 01.09.2013 |
| Дата актуализации: | 01.01.2021 |
| Дата введения: | 01.10.1987 |
| Дата окончания срока действия: | 01.03.1993 |
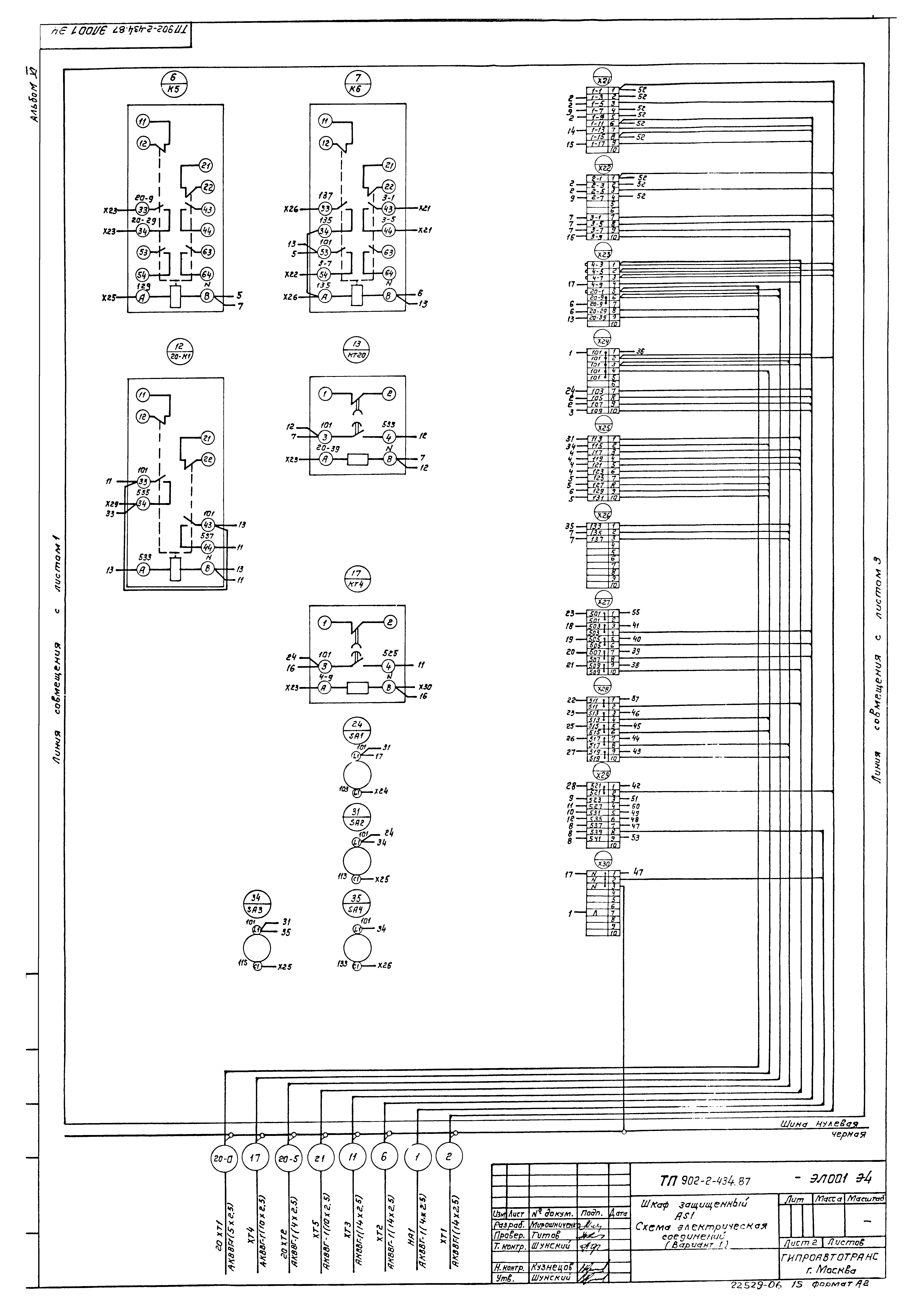
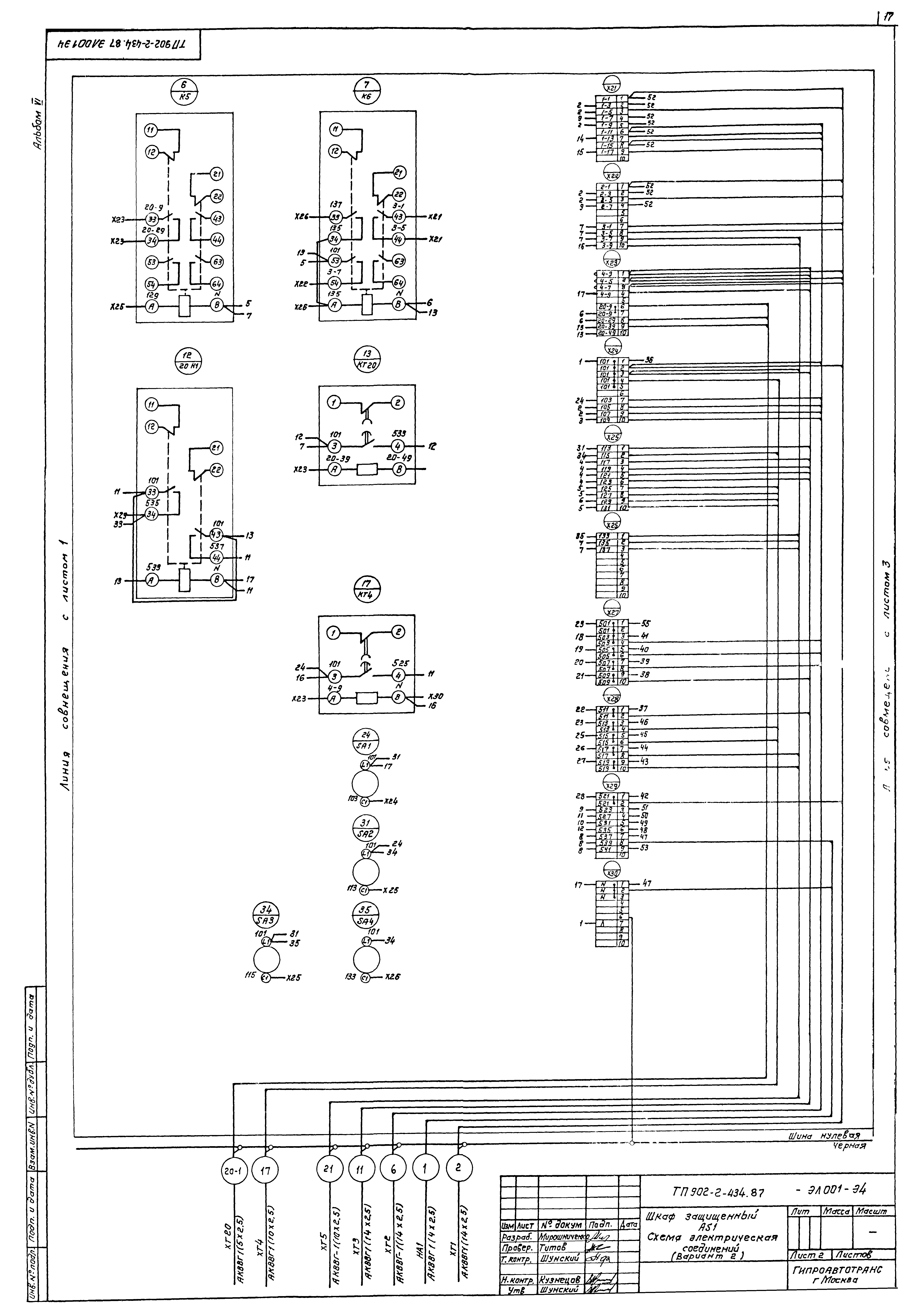
| Оглавление: | ТП 902-2-434.87-АС02 Спецификация щитов и пультов ТП 902-2-434.87-АН001 Приточная система П1. Щит автоматизации АД11. Общий вид ТП 902-2-434.87-АН002 Приточная система П1. Щит автоматизации АД11. Таблица соединений ТП 902-2-434.87-АН003 Приточная система П1. Щит автоматизации АД11. Таблица подключения |
| Разработан: | Гипроавтотранс |
| Утверждён: | 01.10.1987 Минавтотранс РСФСР (Russian Federation Minavtotrans 11) |
| Заменяет собой: | |
| Чем заменён: |



















