Скачать Правила защиты устройств проводной связи, железнодорожной сигнализации и телемеханики от опасного и мешающего влияний линии электропередачи. Часть I. Общие положения. Опасные влиянияДата актуализации: 01.01.2021
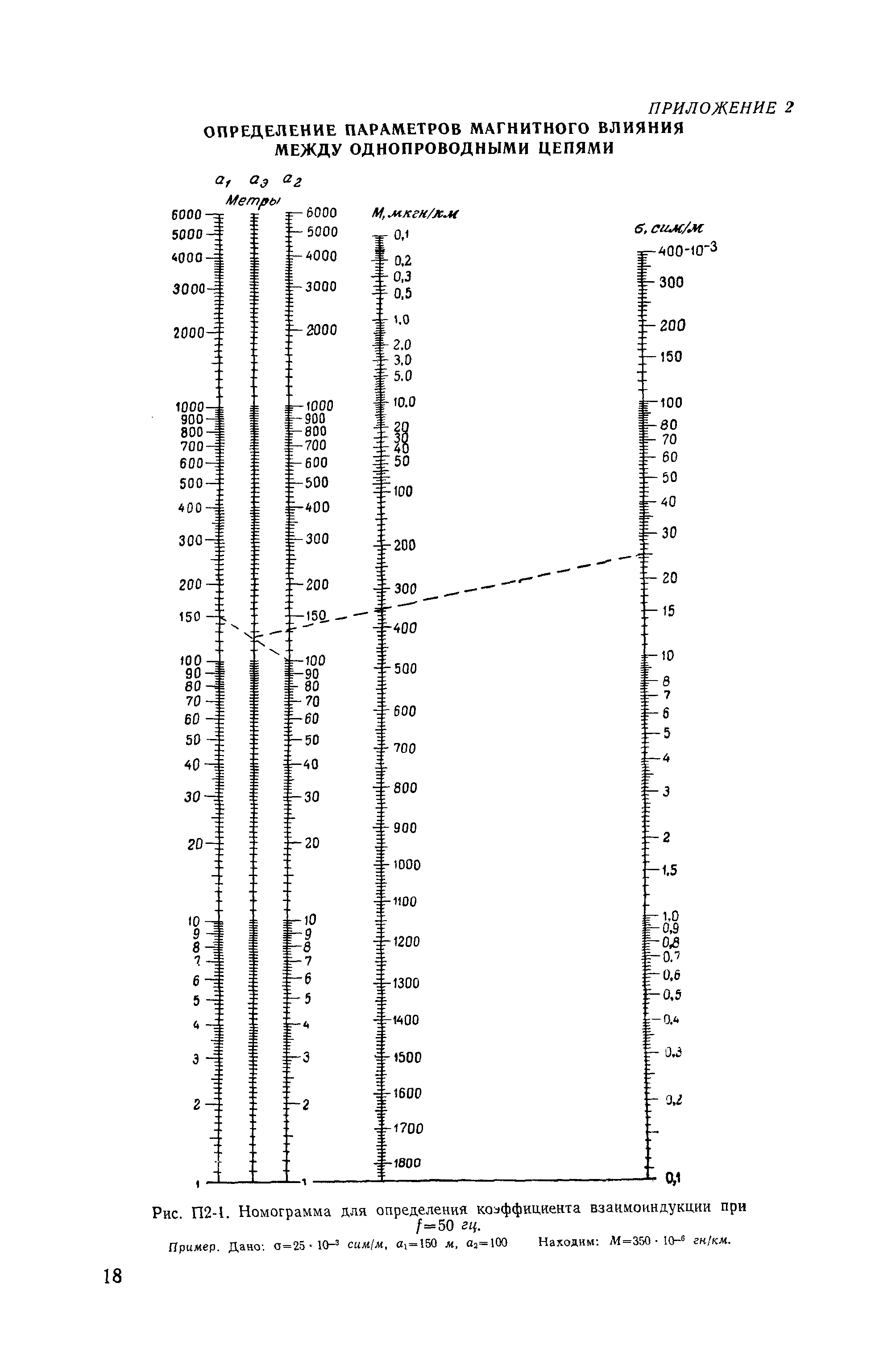
Правила защиты устройств проводной связи, железнодорожной сигнализации и телемеханики от опасного и мешающего влияний линии электропередачи. Часть I. Общие положения. Опасные влияния| Статус: | не действует | | Название рус.: | Правила защиты устройств проводной связи, железнодорожной сигнализации и телемеханики от опасного и мешающего влияний линии электропередачи. Часть I. Общие положения. Опасные влияния | | Дата добавления в базу: | 01.09.2013 | | Дата актуализации: | 01.01.2021 | | Оглавление: | 1Общие положения 2 Опасные влияния. Требования и нормы Мероприятия по защите от опасного влияния Расчет опасного влияния Приложения | | Утверждён: | 11.02.1965 Министерство путей сообщения СССР (USSR Ministry of Railroads ) 03.02.1965 Министерство энергетики и электрификации СССР (USSR Ministry of Energy and Electrical Power ) 12.02.1965 Министерство связи СССР
| | Издан: | Издательство Энергия (1966 г. )
|
                                         
|