Скачать Типовой проект 902-5-40.87 Альбом III. Тепловая изоляция. Проект производства работДата актуализации: 01.01.2021
|
| Обозначение: | Типовой проект 902-5-40.87 |
| Обозначение англ: | 902-5-40.87 |
| Статус: | не определен законодательством |
| Название рус.: | Альбом III. Тепловая изоляция. Проект производства работ |
| Дата добавления в базу: | 01.09.2013 |
| Дата актуализации: | 01.01.2021 |
| Дата введения: | 13.05.1987 |
| Дата окончания срока действия: | 30.06.2003 |
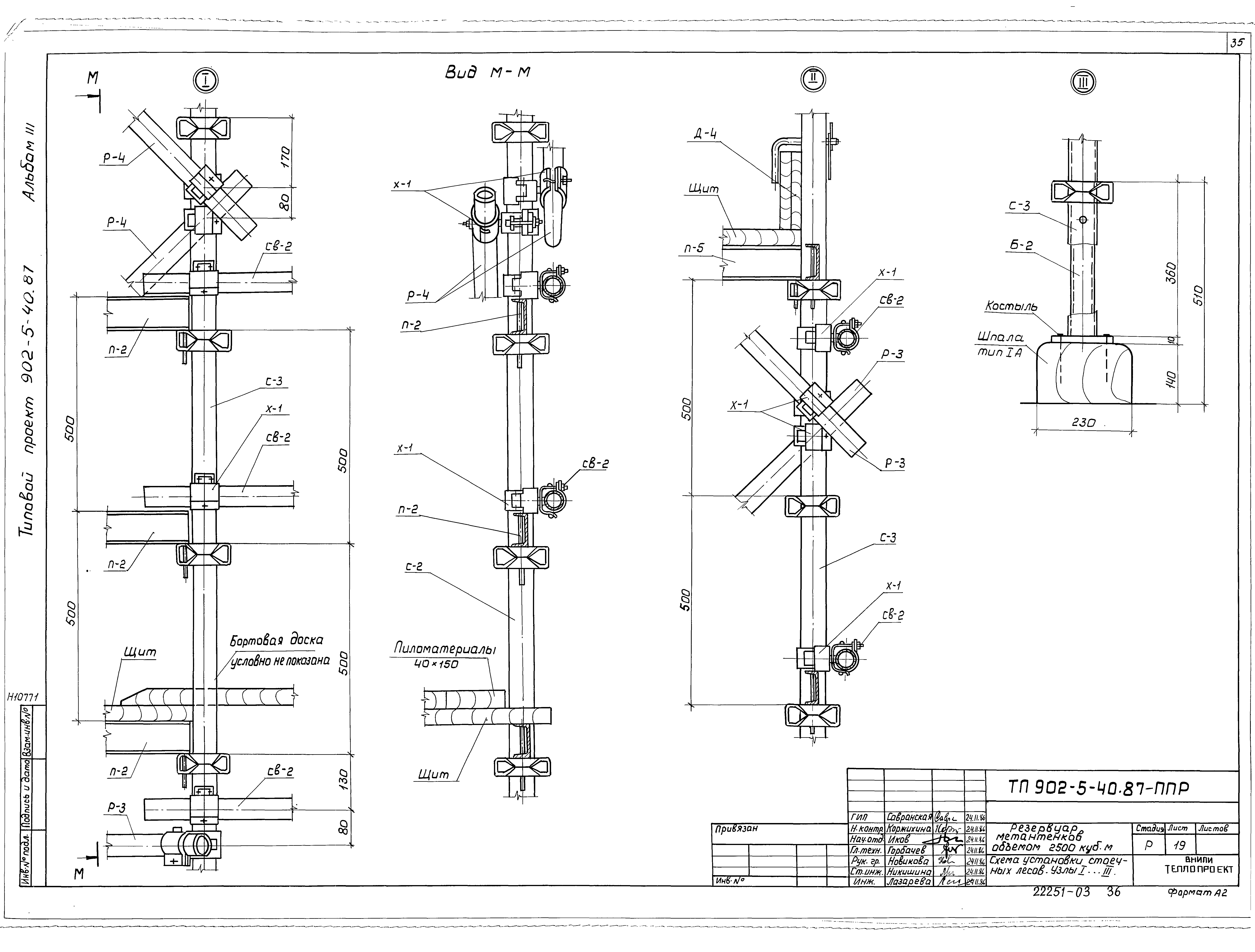
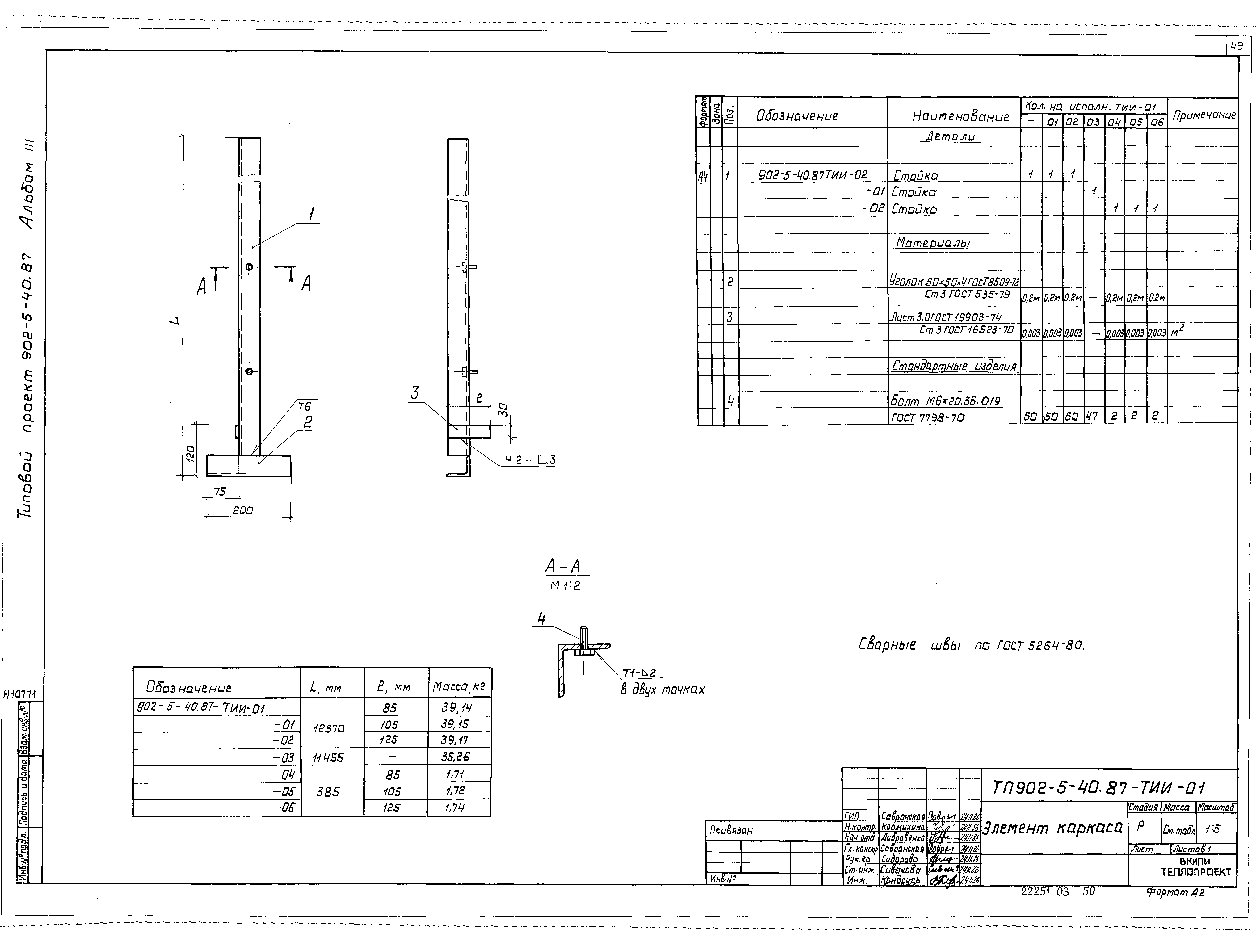
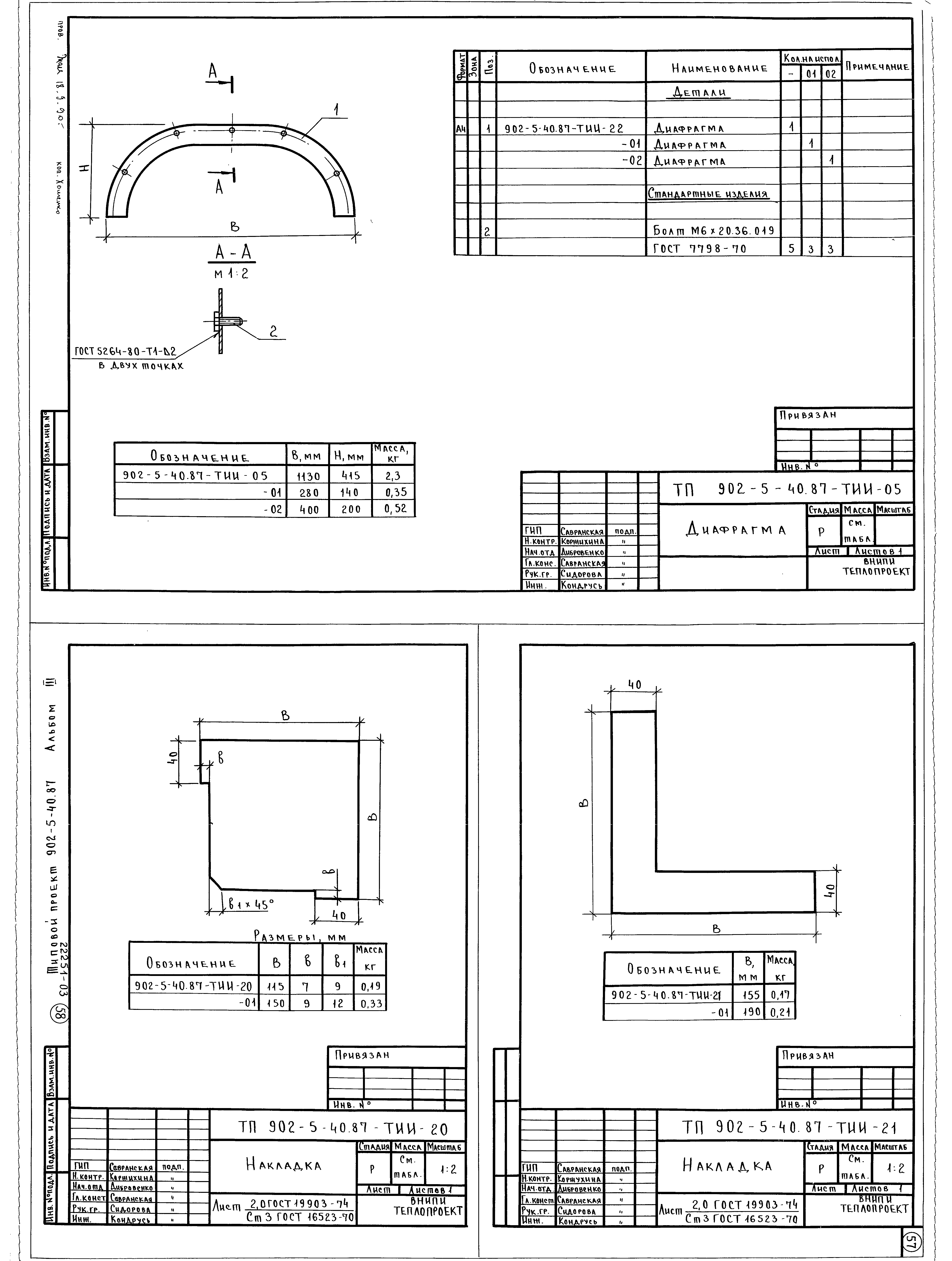
| Оглавление: | ТП 902-5-40.87 Титульный лист ТП 902-5-40.87 Содержание ТП 902-5-40.87-ПЗ Пояснительная записка ТП 902-5-40.87-ТИ Общие данные (начало) ТП 902-5-40.87-ТИ Общие данные (окончание) ТП 902-5-40.87-ТИ Тепловая изоляция резервуара. Общий вид. Узел 1. Разрезы Б-Б,В-В,Ж-Ж,К-К...П-П ТП 902-5-40.87-ТИ Тепловая изоляция резервуара. Вид 4-4. Разрезы Г-Г...Е-Е,З-З,И-И,Т-Т...Ц-Ц,Ш-Ш ТП 902-5-40.87-ТИ Тепловая изоляция резервуара. Раскладка панелей на стенке резервуара. Фрагмент. Разрезы Р-Р,С-С,Е1-Е1 ТП 902-5-40.87-ТИ Тепловая изоляция резервуара. Вид А-А. Разрезы Щ-Щ...Я-Я,А1-А1...Д1-Д1. Узел 2 ТП 902-5-40.87-ТИ Тепловая изоляция резервуара. Спецификация ТП 902-5-40.87-ТИ Размещение приварных деталей на стенке резервуара. Развертка стен резервуара. Разрезы А-А...В-В. Виды Г-Г,Д-Д ТП 902-5-40.87-ТИ Размещение приварных деталей на стенке резервуара. Фрагмент 1. Разрезы Е-Е...И-И. Узлы 1,2 ТП 902-5-40.87-ТИ Размещение приварных деталей на стенке резервуара. Фрагменты 2,3. Разрезы К-К...М-М. Узлы 3,4. Вид Н-Н ТП 902-5-40.87-ТИ Размещение приварных деталей на стенке резервуара. Спецификация ТП 902-5-40.87-ТИ Размещение приварных деталей на крыше резервуара. Общий вид ТП 902-5-40.87-ТИ Размещение приварных деталей на крыше резервуара. Узлы. Разрезы ТП 902-5-40.87-ППР Общие данные (начало) ТП 902-5-40.87-ППР Общие данные (продолжение) ТП 902-5-40.87-ППР Общие данные (окончание) ТП 902-5-40.87-ППР Схема организации работ по монтажу изоляции. План ТП 902-5-40.87-ППР Схема организации работ по монтажу изоляции. Разрез А-А ТП 902-5-40.87-ППР Монтаж изоляции по крыше. Фрагмент 1. План ТП 902-5-40.87-ППР Монтаж изоляции по крыше. Фрагмент 1. Узел. Разрезы ТП 902-5-40.87-ППР Схема установки стоечных лесов. Фрагмент 1. План ТП 902-5-40.87-ППР Схема установки стоечных лесов. Развертки лесов фрагмента 1. Сечения Б-Б,В-В ТП 902-5-40.87-ППР Схема установки стоечных лесов. Виды В-В,Г-Г. Установки щитов. Разрезы Д-Д...Л-Л ТП 902-5-40.87-ППР Схема установки стоечных лесов. Узлы 1...3 ТП 902-5-40.87-ППР Строповка. Разрезы А-А,Б-Б ТП 902-5-40.87-ППР Схема погрузки полносборных конструкций на автомашину ТП 902-5-40.87-ППР График производства (начало) ТП 902-5-40.87-ППР График производства (окончание) ТП 902-5-40.87-ППР Калькуляция трудовых затрат (начало) ТП 902-5-40.87-ППР Калькуляция трудовых затрат (продолжение) ТП 902-5-40.87-ППР Калькуляция трудовых затрат (окончание) ТП 902-5-40.87-ППРИ-01 Поддон для перевозки конструкций полносборных ТП 902-5-40.87-ППРИ-02 Стяжка ТП 902-5-40.87-ППРИ-03 Подкладка ТП 902-5-40.87-ППРИ-04 Прогон П-5 ТП 902-5-40.87-ППРИ-05 Штырь ТП 902-5-40.87-ППРИ-06 Балка ТП 902-5-40.87-ППРИ-07 Доска бортовая ДН-1 ТП 902-5-40.87-ППРИ-08 Балка опорная ТП 902-5-40.87-ППРИ-09 Балка консольная ТП 902-5-40.87-ППРИ-10 Скоба ТП 902-5-40.87-ППРИ-11 Вставка ТП 902-5-40.87-ТИИ-01 Элемент каркаса ТП 902-5-40.87-ТИИ-02 Стойка ТП 902-5-40.87-ТИИ-03 Поперечина ТП 902-5-40.87-ТИИ-04 Штырь ТП 902-5-40.87-ТИИ-05 Диафрагма ТП 902-5-40.87-ТИИ-06 Элемент опоры ТП 902-5-40.87-ТИИ-07 Упор ТП 902-5-40.87-ТИИ-08 Элемент бандажа ТП 902-5-40.87-ТИИ-09 Кляммера ТП 902-5-40.87-ТИИ-10 Элемент бандажа каркаса ТП 902-5-40.87-ТИИ-11 Подвеска ТП 902-5-40.87-ТИИ-12 Накладка ТП 902-5-40.87-ТИИ-13 Основание ТП 902-5-40.87-ТИИ-14 Элемент кольца ТП 902-5-40.87-ТИИ-15 Планка со штырями ТП 902-5-40.87-ТИИ-16 Полуобод ТП 902-5-40.87-ТИИ-17 Элемент обода ТП 902-5-40.87-ТИИ-18 Накладка ТП 902-5-40.87-ТИИ-19 Накладка ТП 902-5-40.87-ТИИ-20 Накладка ТП 902-5-40.87-ТИИ-21 Накладка ТП 902-5-40.87-ТИИ-22 Диафрагма |
| Разработан: | ВНИПИТеплопроект |
| Утверждён: | 13.05.1987 МЖКХ РСФСР (5-тд) |

























































