Скачать Типовой проект 902-2-340 Альбом I. Технологическая, строительная, теплотехническая, электротехническая части, примерный генплан и организация строительстваДата актуализации: 01.01.2021
|
| Обозначение: | Типовой проект 902-2-340 |
| Обозначение англ: | 902-2-340 |
| Статус: | действует |
| Название рус.: | Альбом I. Технологическая, строительная, теплотехническая, электротехническая части, примерный генплан и организация строительства |
| Дата добавления в базу: | 01.09.2013 |
| Дата актуализации: | 01.01.2021 |
| Дата введения: | 10.08.1979 |
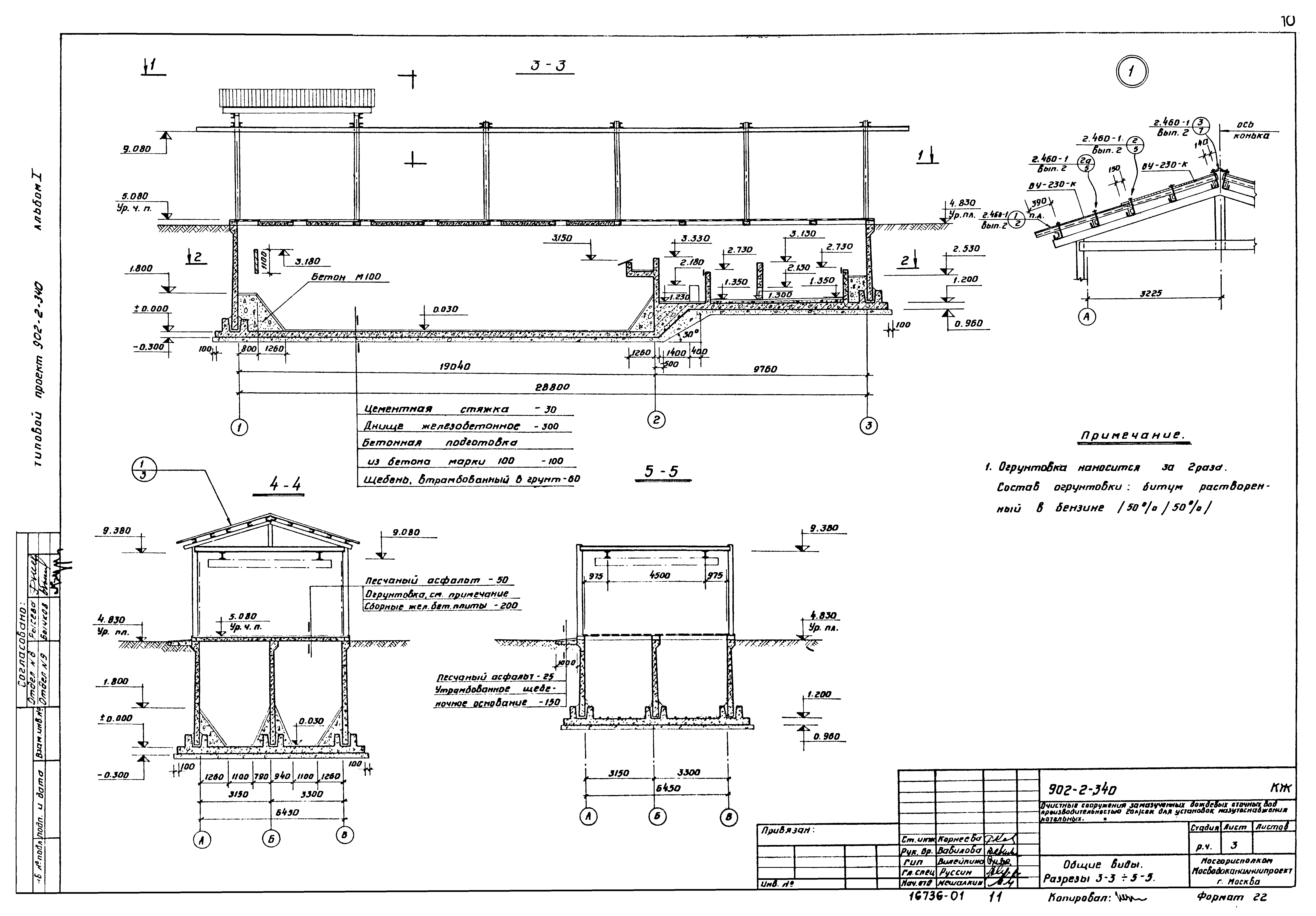
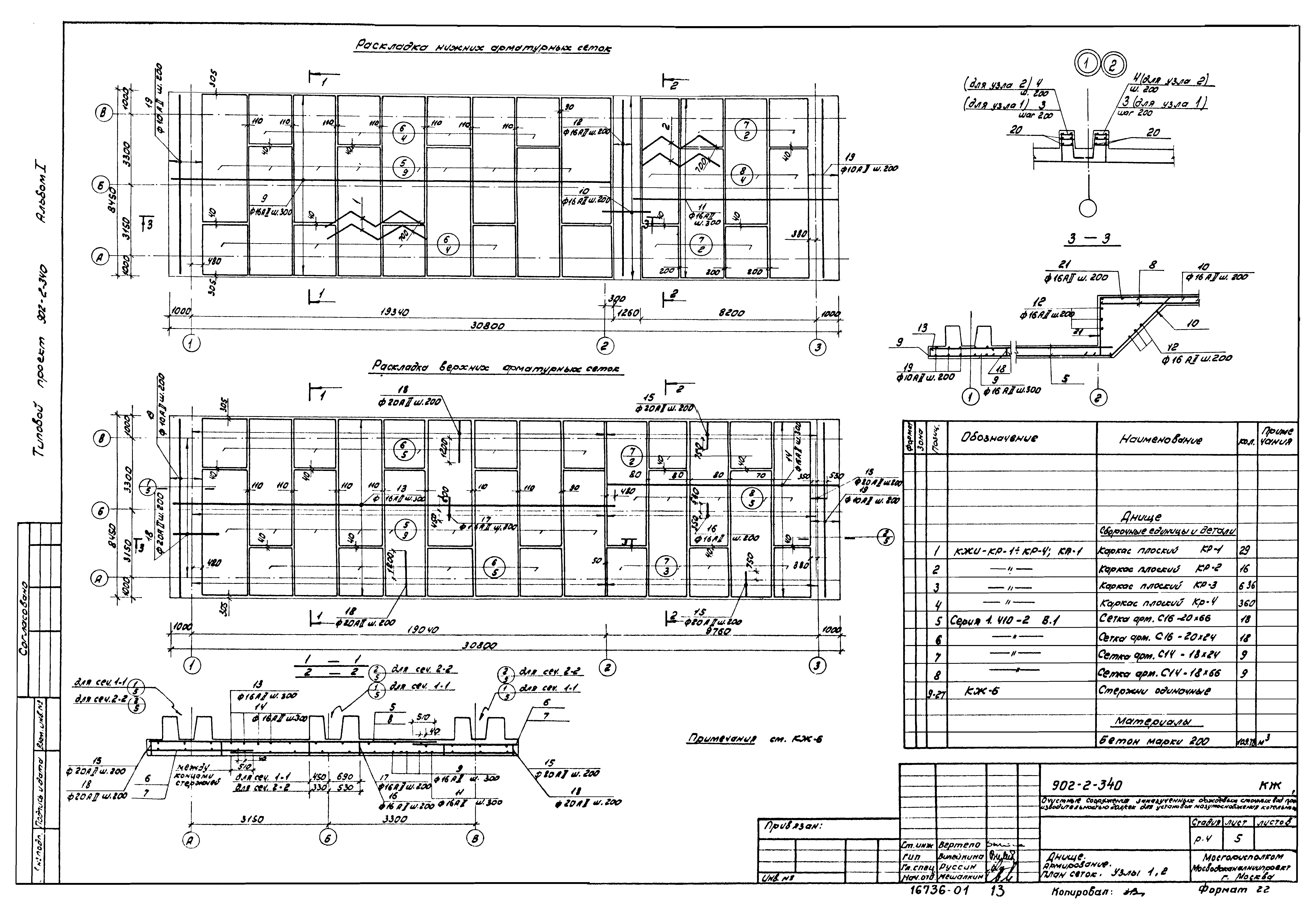
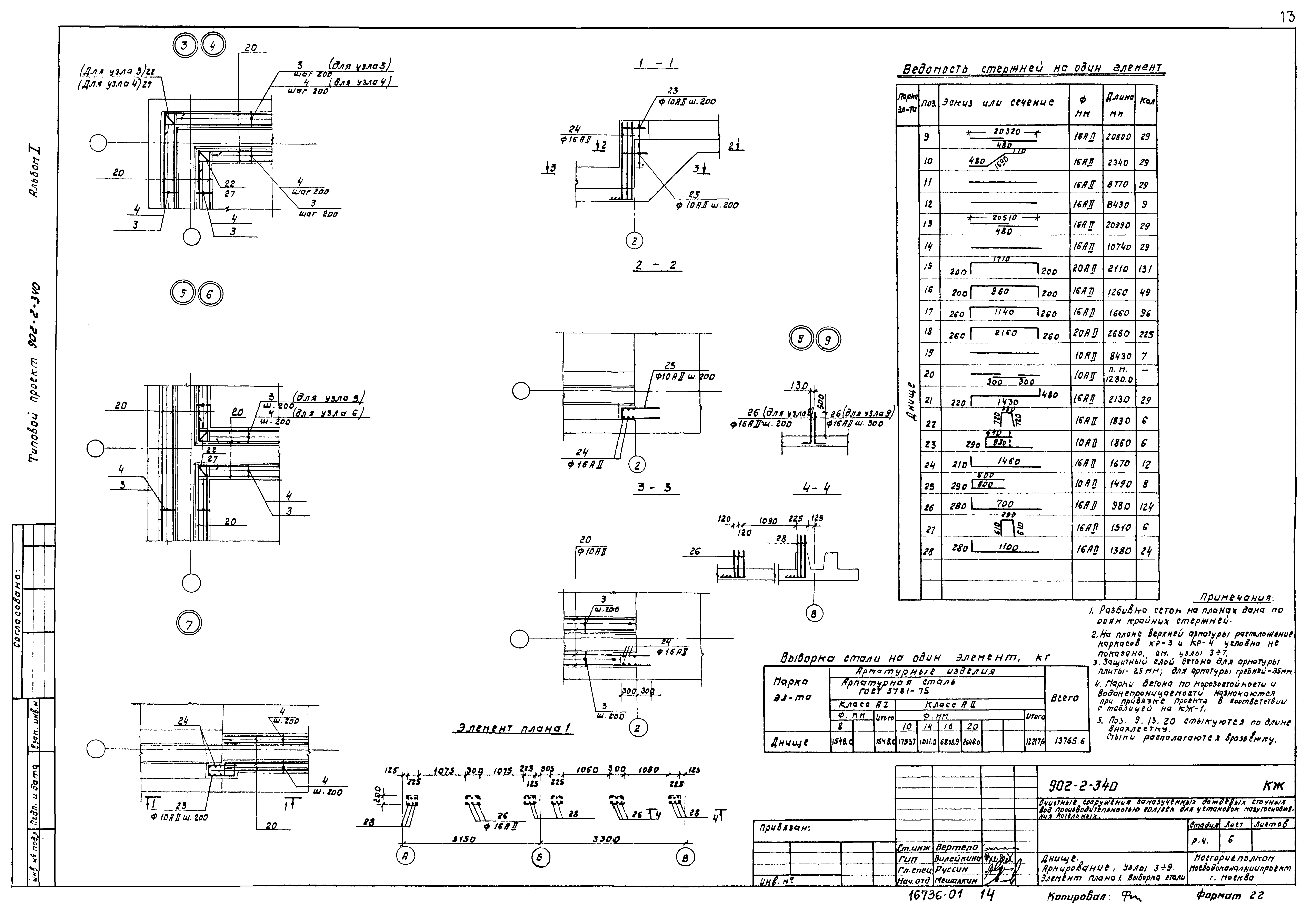
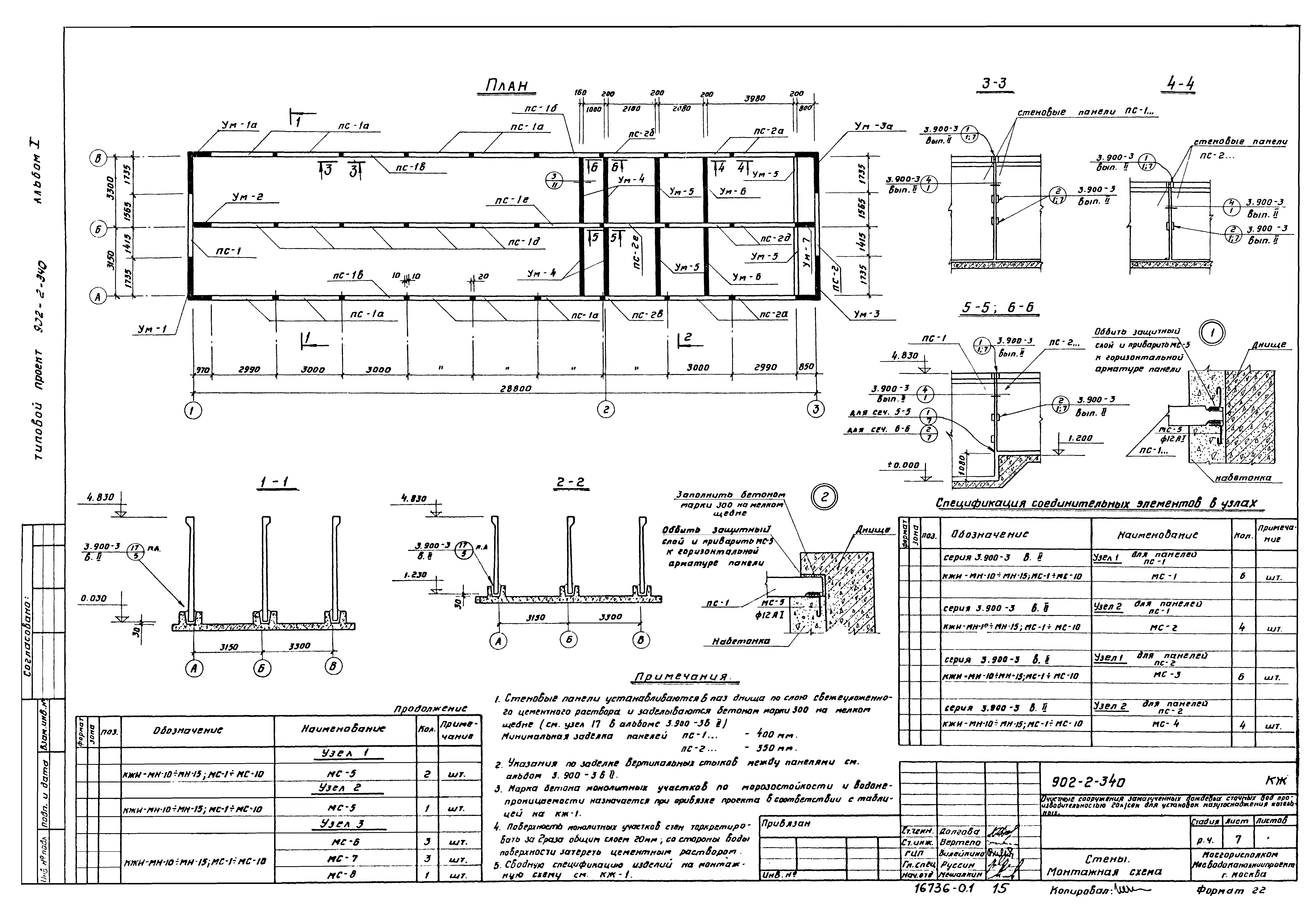
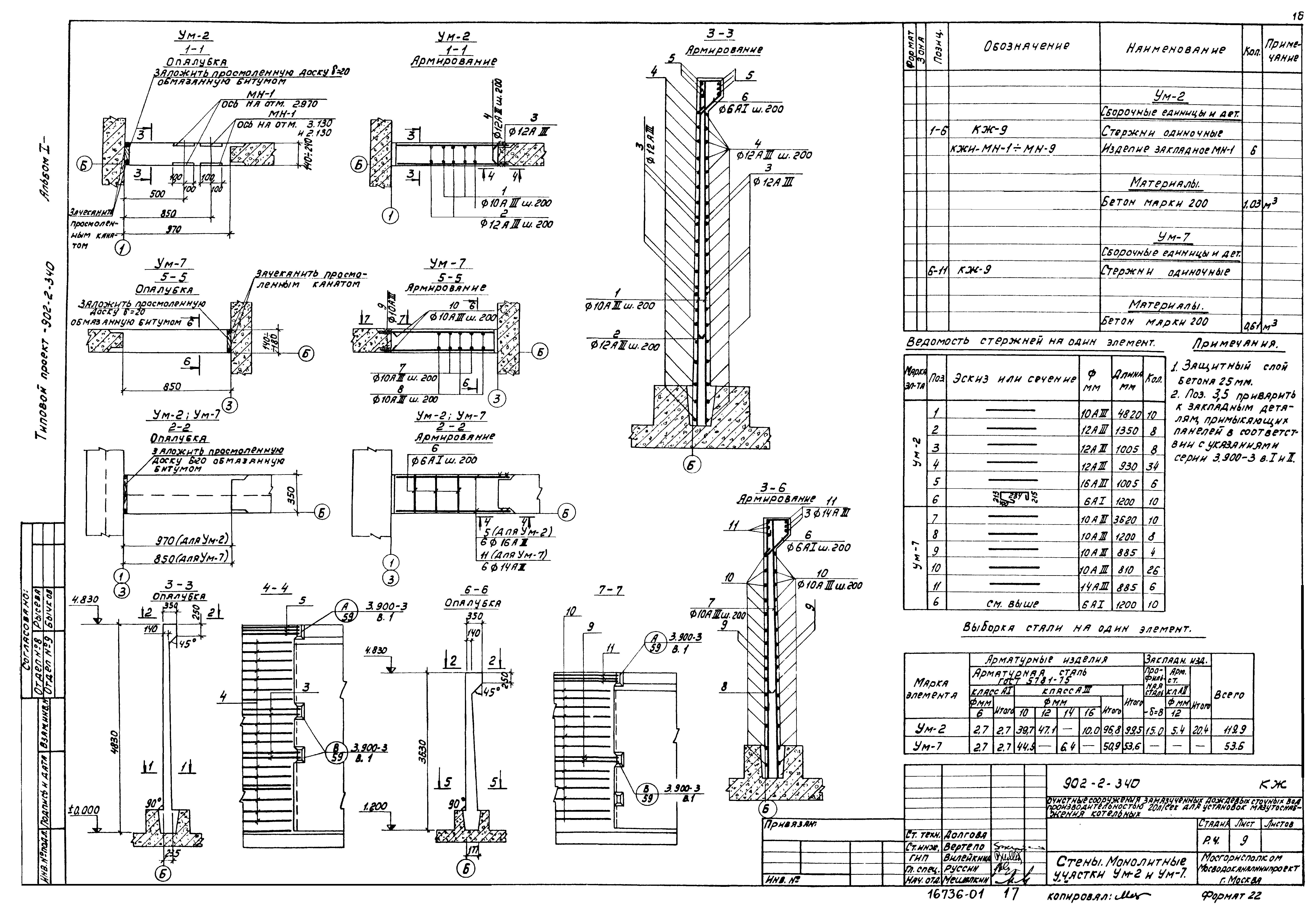
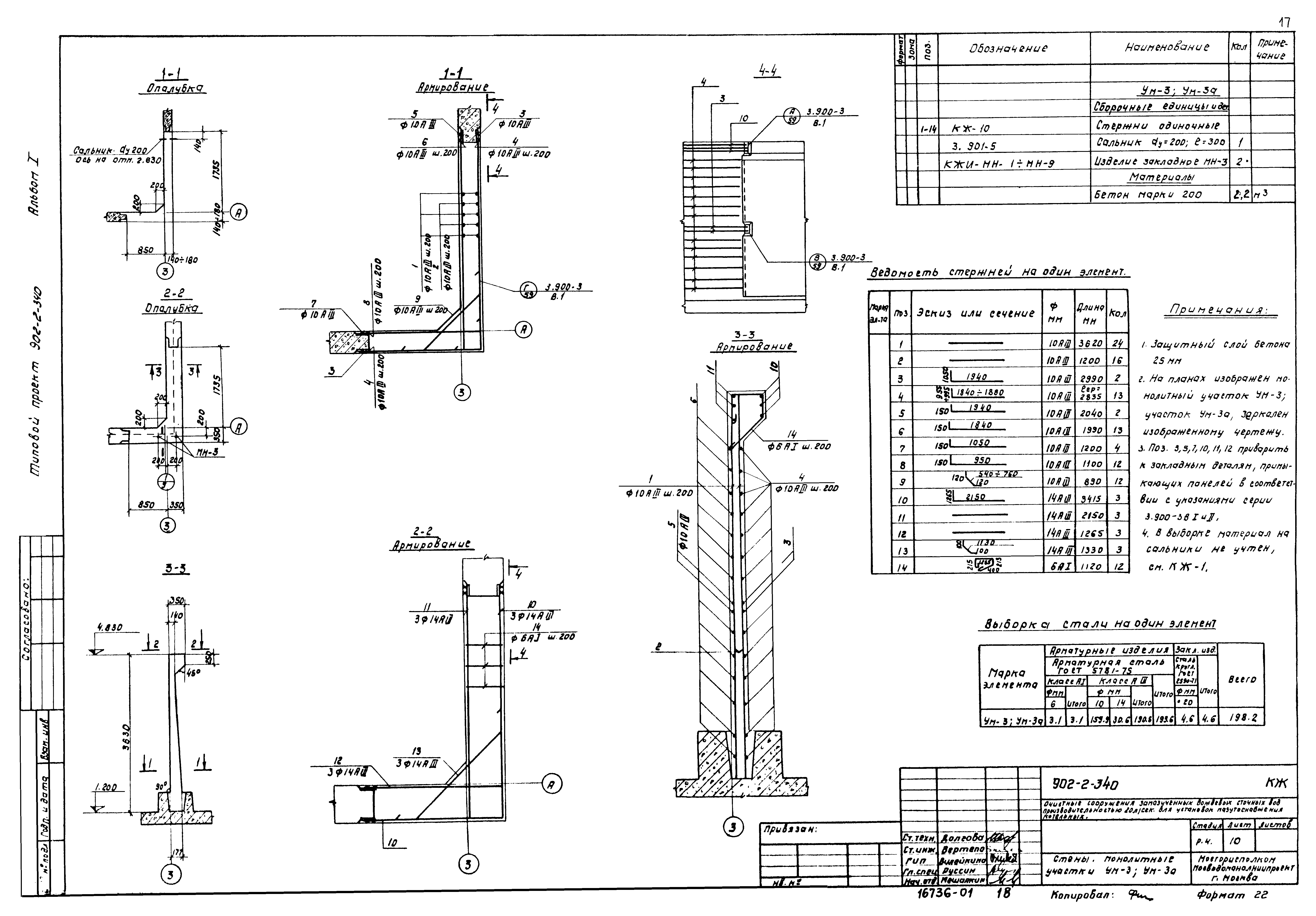
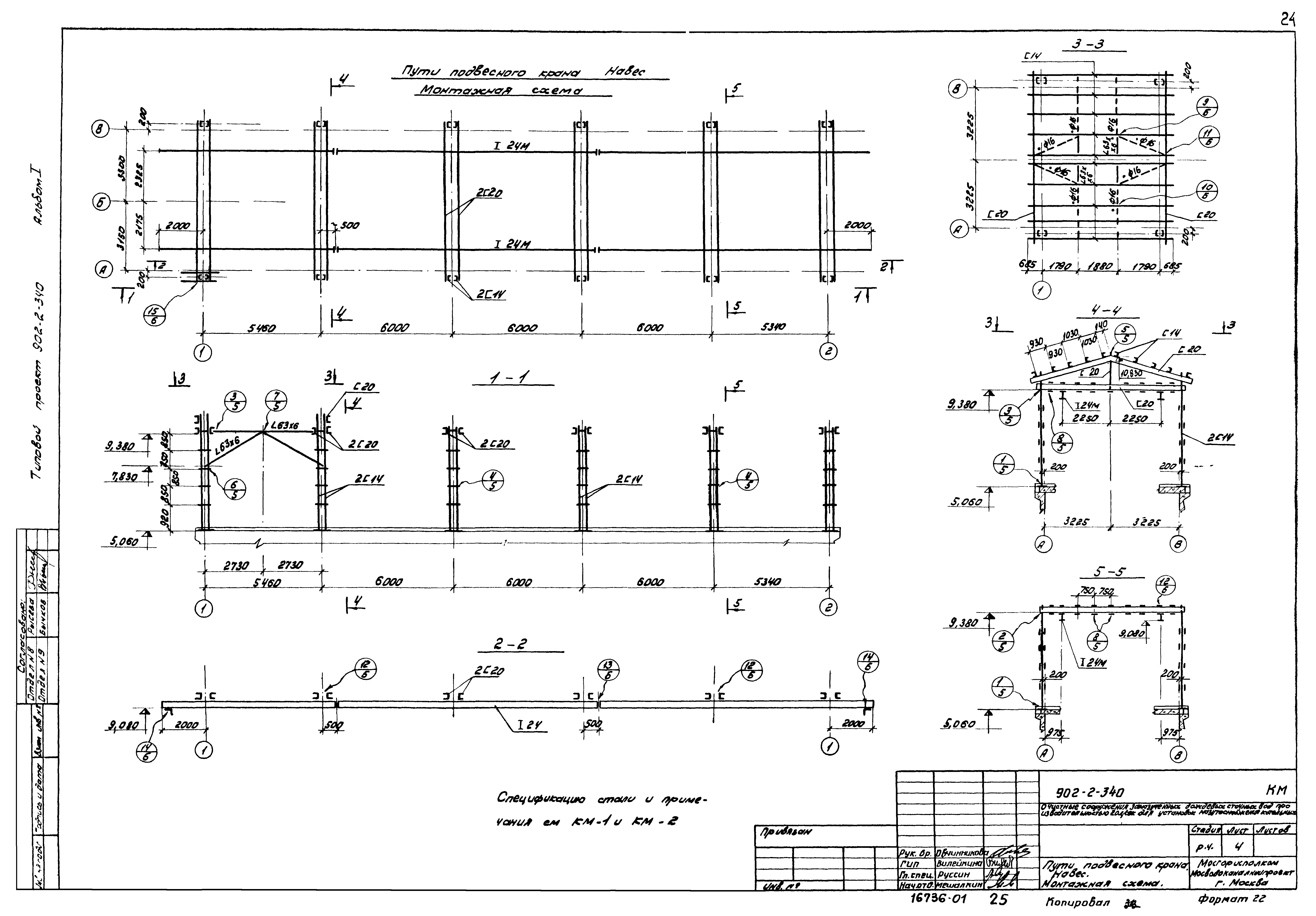
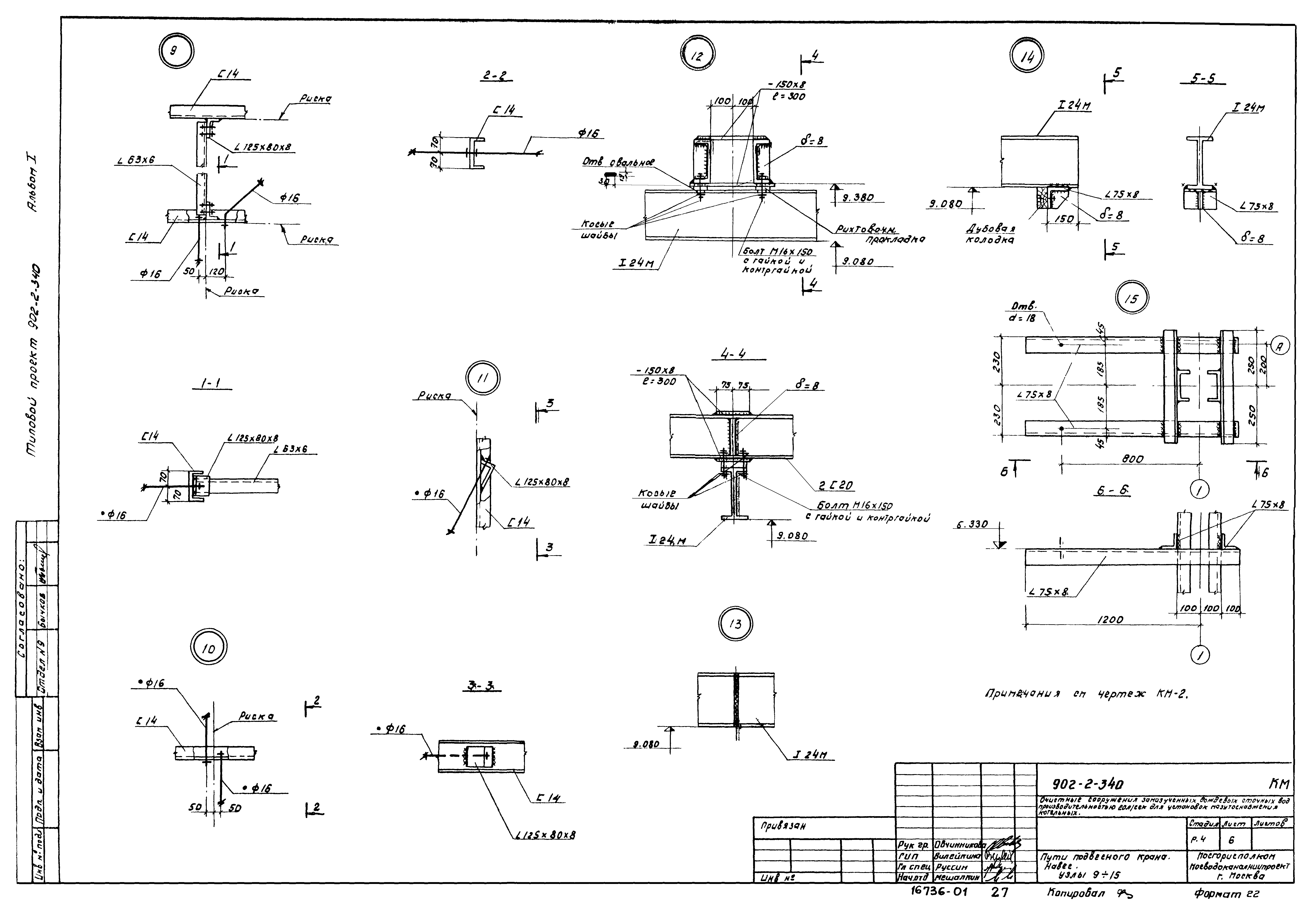
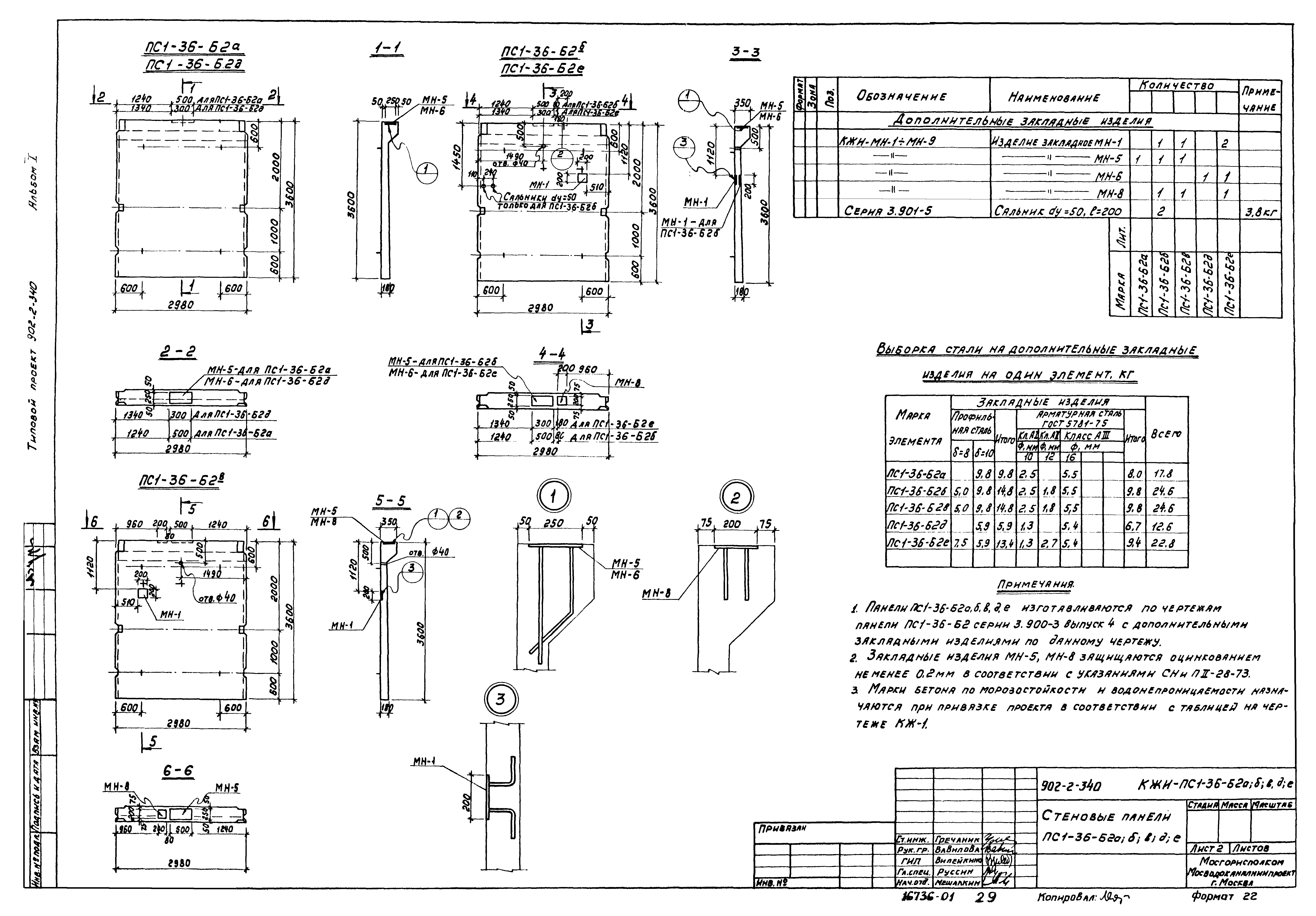
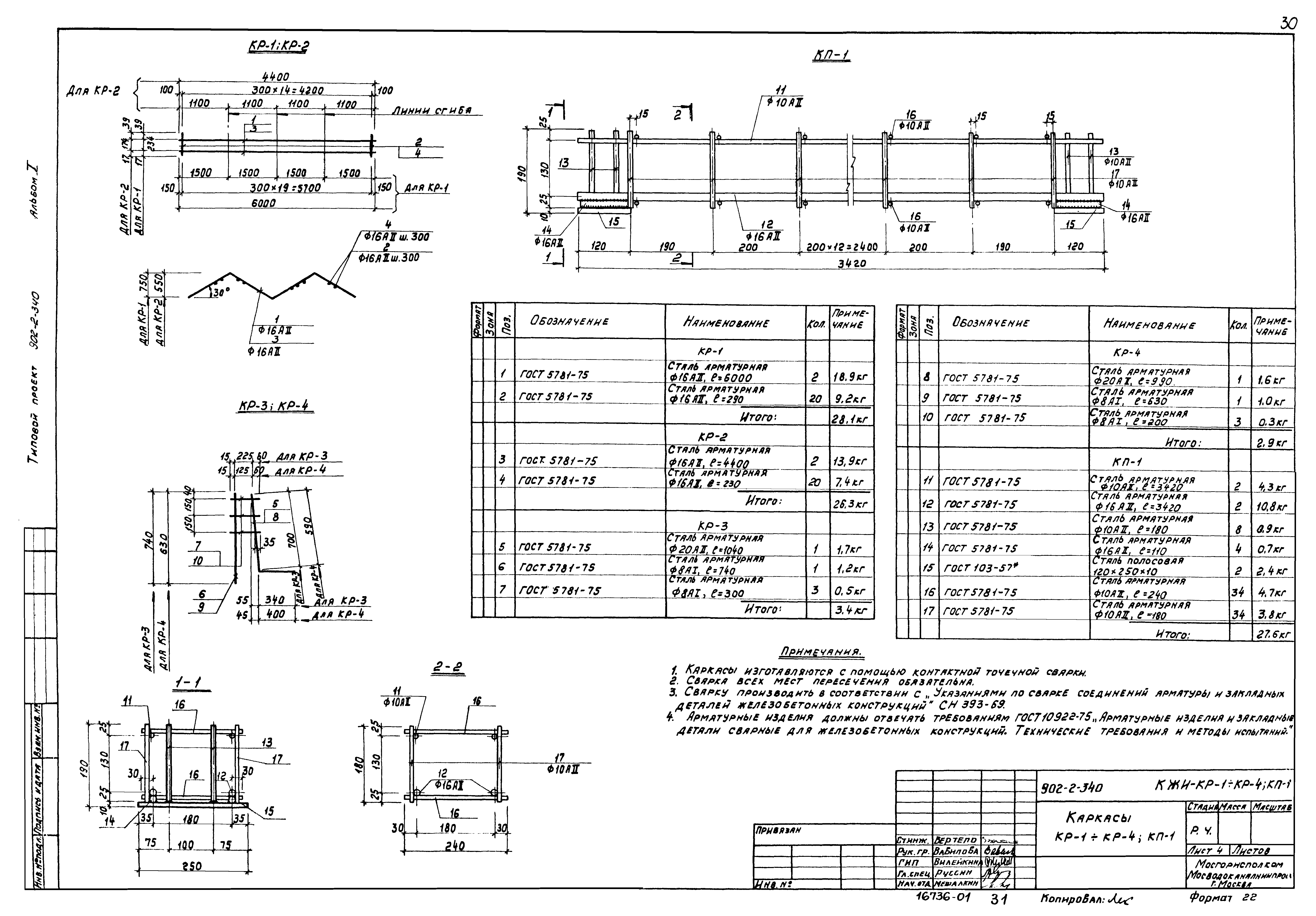
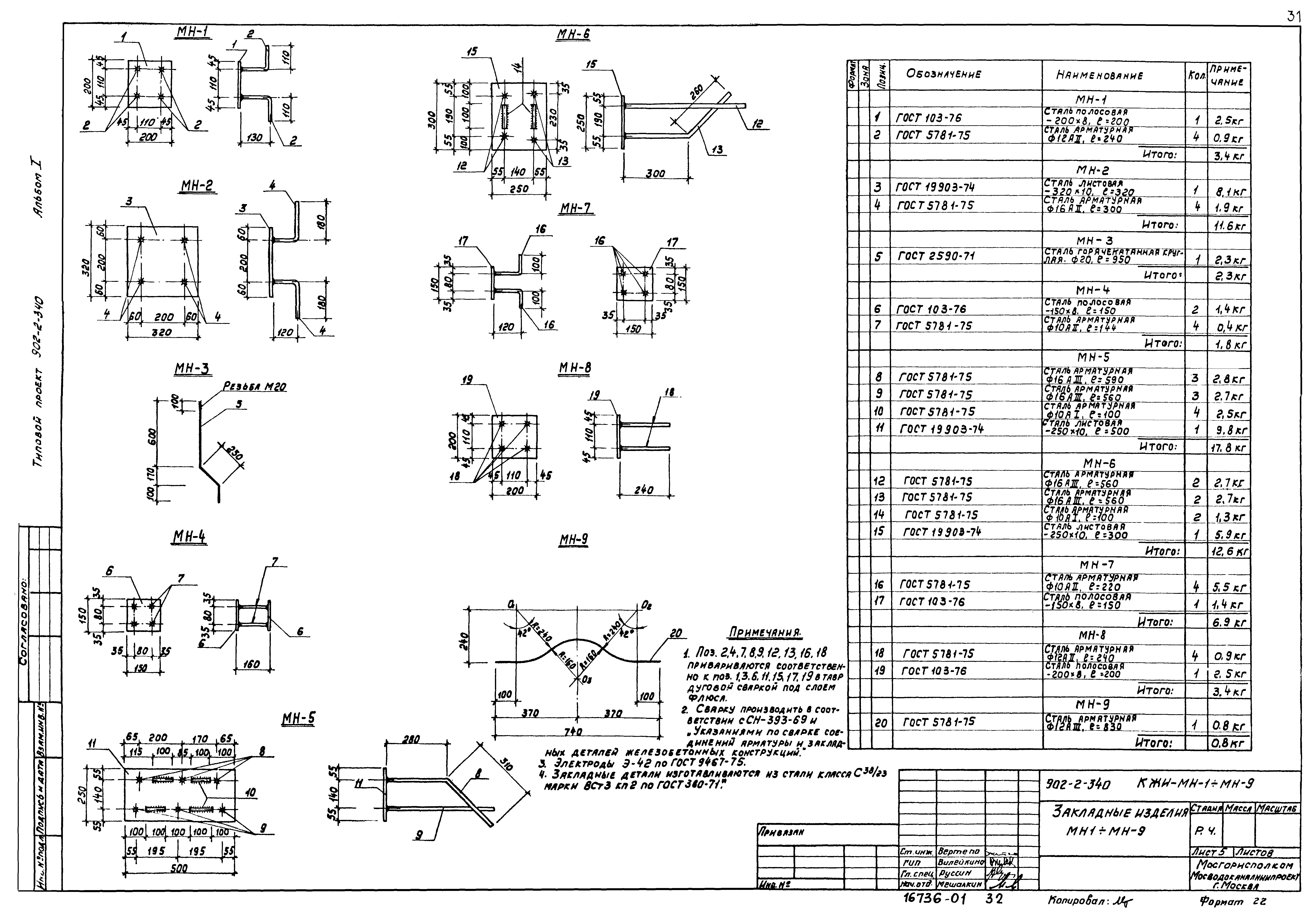
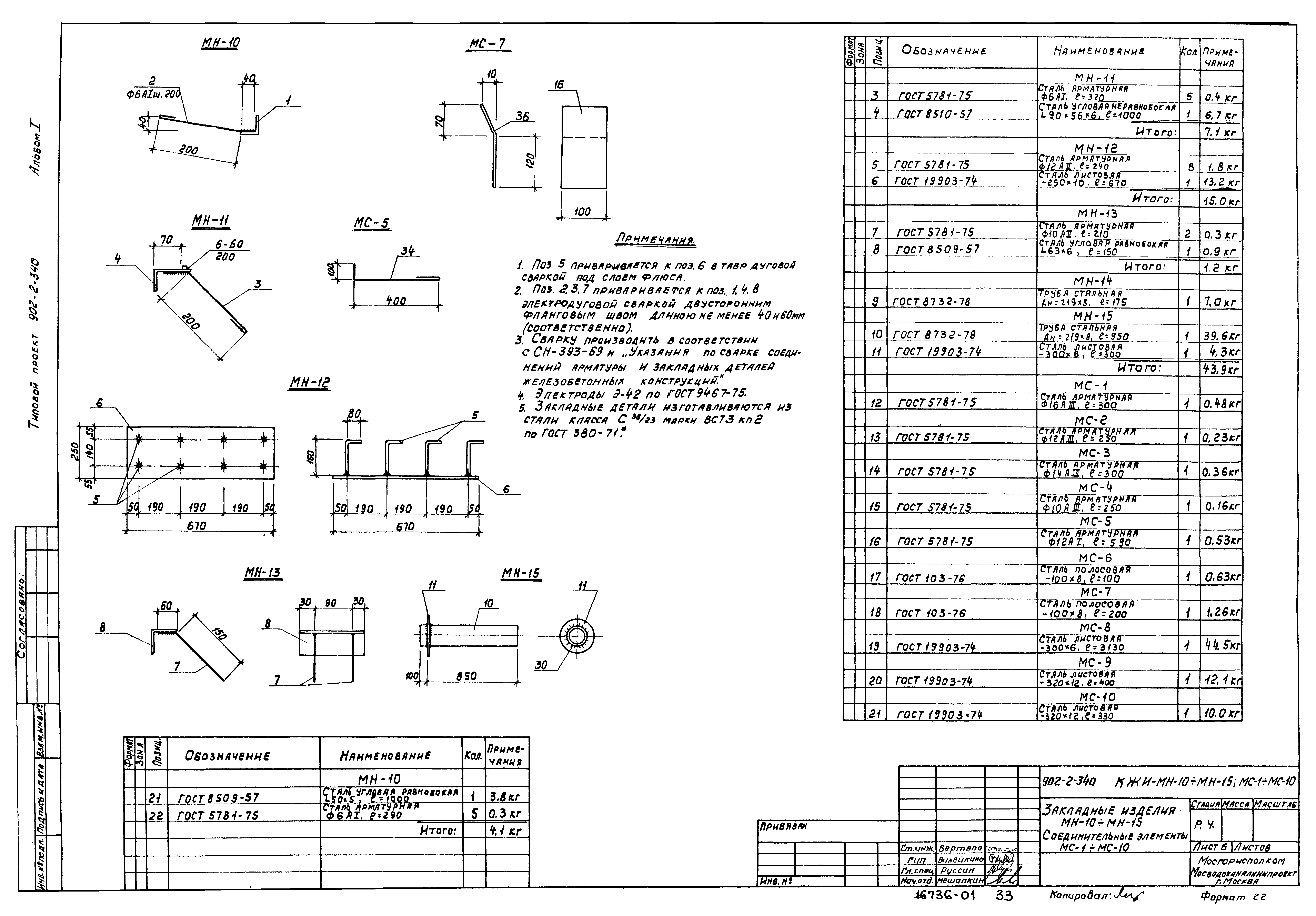
| Оглавление: | ТП 902-2-340 Содержание альбома ТП 902-2-340-НК Технологическая часть ТП 902-2-340-НК-1 Пояснительная часть ТП 902-2-340-НК-2 Пояснительная записка ТП 902-2-340-НК-3 Общие данные ТП 902-2-340-НК-4 План. Разрезы 1-1;2-2. Схема ТП 902-2-340-КЖ Строительная часть ТП 902-2-340 Пояснительная записка ТП 902-2-340-КЖ-1 Общие данные ТП 902-2-340-КЖ-2 Общие виды. Планы 1-1÷2-2 ТП 902-2-340-КЖ-3 Общие виды. Разрезы 3-3÷5-5 ТП 902-2-340-КЖ-4 Днище. Опалубочный чертеж ТП 902-2-340-КЖ-5 Днище. Армирование. План сеток. Узлы 1-2 ТП 902-2-340-КЖ-6 Днище. Армирование. Узлы 3-9. Элемент плана 1. Выборка стали ТП 902-2-340-КЖ-7 Стены. Монтажная схема ТП 902-2-340-КЖ-8 Стены. Монолитный участок УМ-1,УМ-1а ТП 902-2-340-КЖ-9 Стены. Монолитный участок УМ-2 и УМ-7 ТП 902-2-340-КЖ-10 Стены. Монолитный участок УМ-3;УМ-3а ТП 902-2-340-КЖ-11 Стены. Монолитные участки УМ-4÷УМ6 ТП 902-2-340-КЖ-12 Перекрытие на отм. 5.080. Монтажная схема. Сечения. Узлы ТП 902-2-340-КЖ-13 Мазутосборные колодцы №1 и №2 ТП 902-2-340-КМ-1 Общие данные (начало) ТП 902-2-340-КМ-2 Общие данные (окончание) ТП 902-2-340-КМ-3 Перекрытие на отм. 5.080. Монтажная схема щитов ТП 902-2-340-КМ-4 Пути подвесного крана. Навес. Монтажная схема ТП 902-2-340-КМ-5 Пути подвесного крана. Навес. Узлы 1-8 ТП 902-2-340-КМ-6 Пути подвесного крана. Навес. Узлы 9-15 ТП 902-2-340-КЖИ-ПС-1-48-Б2а,б,в,д,е Стеновые панели ПС-1-48-Б2а,б,в,д,е ТП 902-2-340-КЖИ-ПС-1-36-Б2а,б,в,д,е Стеновые панели ПС-1-36-Б2а,б,в,д,е ТП 902-2-340-КЖИ-Б-1 Балка Б-1 ТП 902-2-340-КЖИ-КР-1÷КР-4;КП-1 Каркасы КР-1÷КР-4;КП-1 ТП 902-2-340-КЖИ-МН-1÷МН-9 Закладные изделия МН-1÷МН-9 ТП 902-2-340-КЖИ-МН-10÷МН-15;МС-1÷МС-10 Закладные изделия МН-10÷МН-15. Соединительные элементы МС-1÷МС-10 ТП 902-2-340-ТС Теплотехническая часть ТП 902-2-340-ТС-1 Пояснительная записка. Общие данные ТП 902-2-340-ТС-2 Обогрев мазутосборного лотка. План. Разрезы. Схема. Опора. Детали крепления трубопроводов ТП 902-2-340-ЭО Электротехническая часть ТП 902-2-340-ЭО-1 Общие данные ТП 902-2-340-ЭО-2 Пояснительная записка ТП 902-2-340-ЭО-3 Функциональная схема. Питание приборов КИП. Кабельный журнал ТП 902-2-340-ЭО-4 Расположение электрооборудования, приборов КИП, прокладка кабелей и сети заземления ТП 902-2-340-ЭО-5 Электроосвещение ТП 902-2-340-ЭО-6 Схема внешних соединений приборов КИП ТП 902-2-340-ЭО-7 Принципиальная схема сигнализации ТП 902-2-340-ЭО-8 Шкаф сигнализации ШС. Общий вид. Задание заводу-изготовителю ТП 902-2-340-ЭО-9 Шкаф сигнализации ШС. Технические данные электрооборудования. Перечень надписей. Задание заводу-изготовителю ТП 902-2-340-ЭО-10 Шкаф сигнализации ШС. Схема соединений. Задание заводу-изготовителю ТП 902-2-340-Г.Т. Генплан ТП 902-2-340-Г.Т. Примерный план ТП 902-2-340-ОС Организация строительства ТП 902-2-340-ОС-1 Пояснительная записка ТП 902-2-340-ОС-2 Пояснительная записка ТП 902-2-340-ОС-3 Пояснительная записка |
| Разработан: | МосводоканалНИИпроект |
| Утверждён: | 10.08.1979 Главпромстройпроект Госстроя СССР (19/5-3151) |

















































