Скачать Методические рекомендации по прогнозу изменения инженерно-геокриологических условий и развития криогенных процессов при линейном строительстве в северотаежной зоне Западной Сибири

Дата актуализации: 01.01.2021

Методические рекомендации по прогнозу изменения инженерно-геокриологических условий и развития криогенных процессов при линейном строительстве в северотаежной зоне Западной Сибири

Статус:не действует
Название рус.:Методические рекомендации по прогнозу изменения инженерно-геокриологических условий и развития криогенных процессов при линейном строительстве в северотаежной зоне Западной Сибири
Дата добавления в базу:01.09.2013
Дата актуализации:01.01.2021
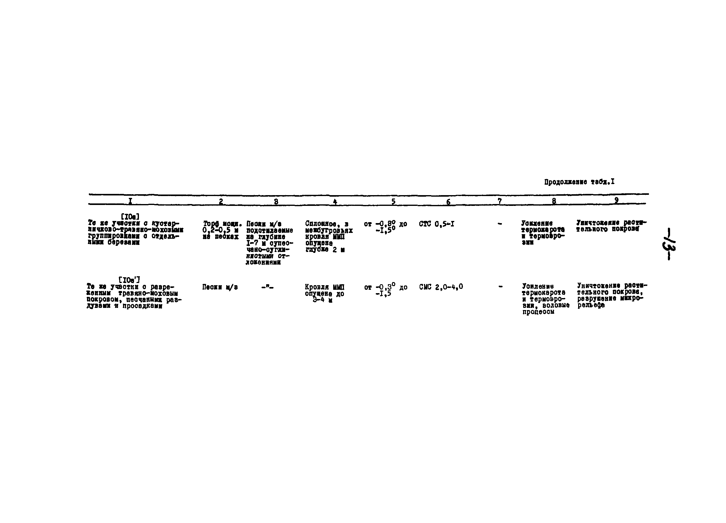
Область применения:В работе обобщаются приемы и методы прогноза изменения инженерно-геокриологических условий при прокладке трасс линейных сооружений в северотаежной зоне Западной Сибири. Особое внимание обращено на прогноз развития криогенных процессов, которые, как показал опыт строительства и эксплуатации, нередко определяют прочность и устойчивость линейного сооружения.
Оглавление:Введение
   1 Общие положения
   2 Прогноз термовлажностного режима грунтов при строительстве и эксплуатации линейных сооружений
   3 Прогноз процессов пучинообразования в грунтах
   4 Прогноз возникновения и развития термокарста
   5 Прогноз криогенного растрескивания грунтов и расчет вызываемых этим растрескиванием осевых усилий в стенках подземных трубопроводов
Заключение
Литература
Разработан: ВСЕГИНГЕО
Утверждён: Министерство геологии СССР
Издан: ВСЕГИНГЕО (1976 г. )