Скачать Типовой проект 903-1-212.84 Альбом V. Электротехническая частьДата актуализации: 01.01.2021
|
| Обозначение: | Типовой проект 903-1-212.84 |
| Обозначение англ: | 903-1-212.84 |
| Статус: | не определен законодательством |
| Название рус.: | Альбом V. Электротехническая часть |
| Дата добавления в базу: | 01.10.2014 |
| Дата актуализации: | 01.01.2021 |
| Дата введения: | 24.05.1984 |
| Дата окончания срока действия: | 30.06.2003 |
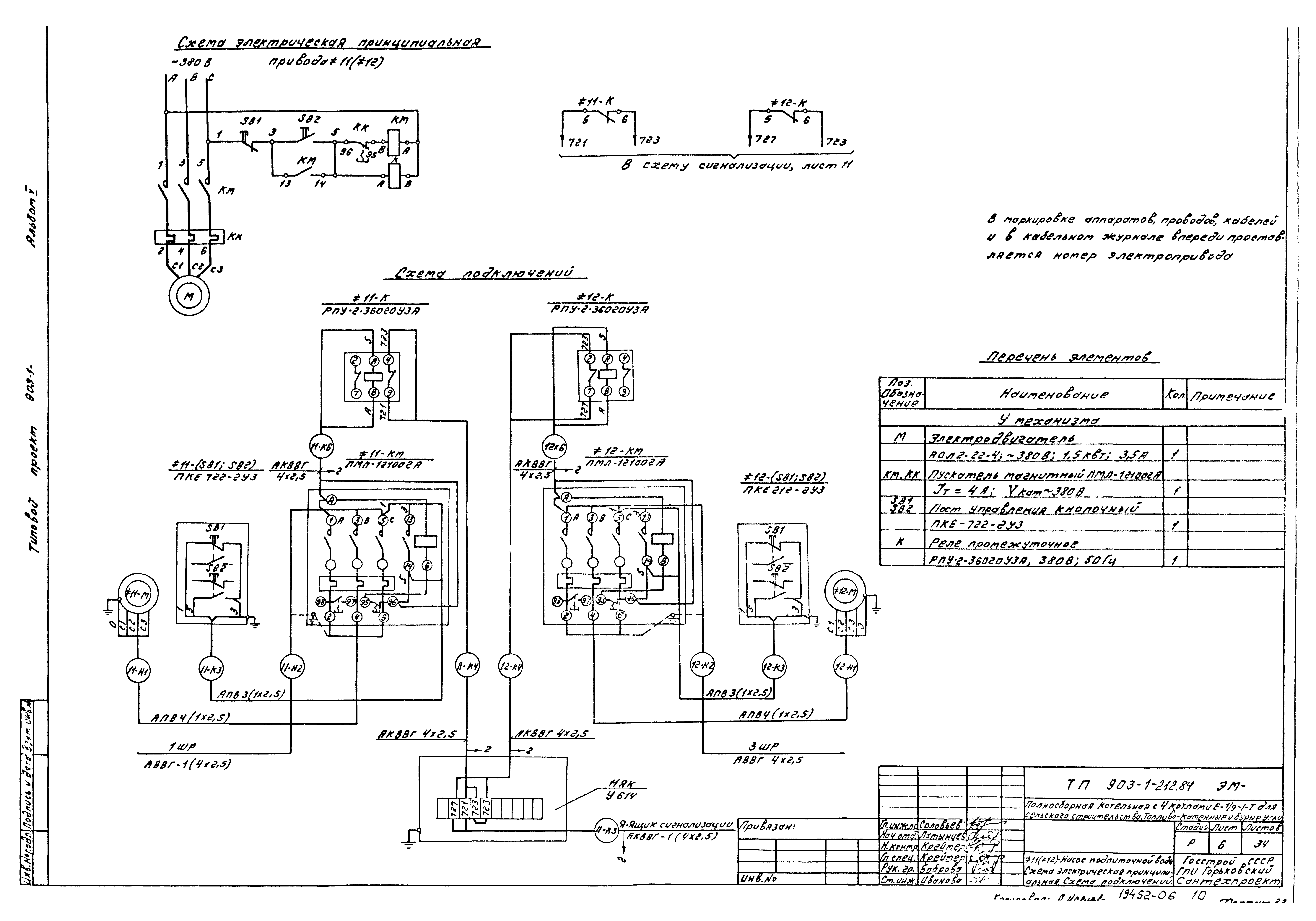
| Оглавление: | Содержание альбома Пояснительная записка Чертежи основного комплекта марки ЭМ Общие данные Распределительная сеть 380/220 В 1ШР - 5ШР. Схема однолинейная принципиальная Дымосос. Схема электрическая принципиальная. Схема подключений Вентилятор. Схема электрическая принципиальная. Схема подключений Насос сетевой. Схема электрическая принципиальная. Схема подключений Насос подпиточной воды. Схема электрическая принципиальная. Схема подключений Насос горячего водоснабжения. Схема электрическая принципиальная. Схема подключений Насосы. Схема электрическая принципиальная. Схема подключений Насос взрыхляющей промывки. Схема электрическая принципиальная. Схема подключений Электроталь. Схема электрическая принципиальная. Схема подключений (дополнение к паспорту) Сигнализация. Схема электрическая принципиальная Кабельный журнал Схема подключений аппарата для магнитной обработки воды План прокладки кабелей на отм. 0.000. Узлы и разрезы Электроталь. Гибкий токопровод Трубозаготовительная ведомость. Таблица заполнения труб кабелями План прокладки труб Заземление Ведомость электрооборудования, кабельных изделий и материалов, поставляемых заказчиком Ведомость потребности в материалах Ведомость потребности в электромонтажных изделиях Ведомость изделий МЭЗ Ведомость изделий и материалов для изготовления изделий МЭЗ Ведомость объемов электромонтажных и строительных работ Ящик сигнализации Я. Общий вид Ящик сигнализации Я. Технические данные аппаратов Ящик сигнализации Я. Схема электрических соединений Ящик сигнализации Я. Перечень надписей 1ШР - 4ШР. Опросный лист Чертежи основного комплекта марки ЭО Общие данные Электроосвещение. Питающая сеть. Схема принципиальная однолинейная Электроосвещение. План на отм. 0.000; 3.000 Ведомость электрооборудования, кабельных изделий и материалов, поставляемых заказчиком Ведомость потребности в материалах Ведомость потребности в электромонтажных изделиях Ведомость изделий МЭЗ Ведомость изделий и материалов для изготовления изделий МЭЗ Ведомость объемов электромонтажных и строительных работ Марка СС Общие данные Слаботочные сети на отм. 0.000 |
| Разработан: | Горьковский Сантехпроект |
| Утверждён: | 13.03.1984 МСХ СССР Главное управление лугов, кормов и пастбищ (11-ЭГ) |











































