Скачать Типовой проект 904-1-56.84 Альбом 1. Технологическая частьДата актуализации: 01.01.2021
|
| Обозначение: | Типовой проект 904-1-56.84 |
| Обозначение англ: | 904-1-56.84 |
| Статус: | действует |
| Название рус.: | Альбом 1. Технологическая часть |
| Дата добавления в базу: | 01.09.2013 |
| Дата актуализации: | 01.01.2021 |
| Дата введения: | 30.12.1983 |
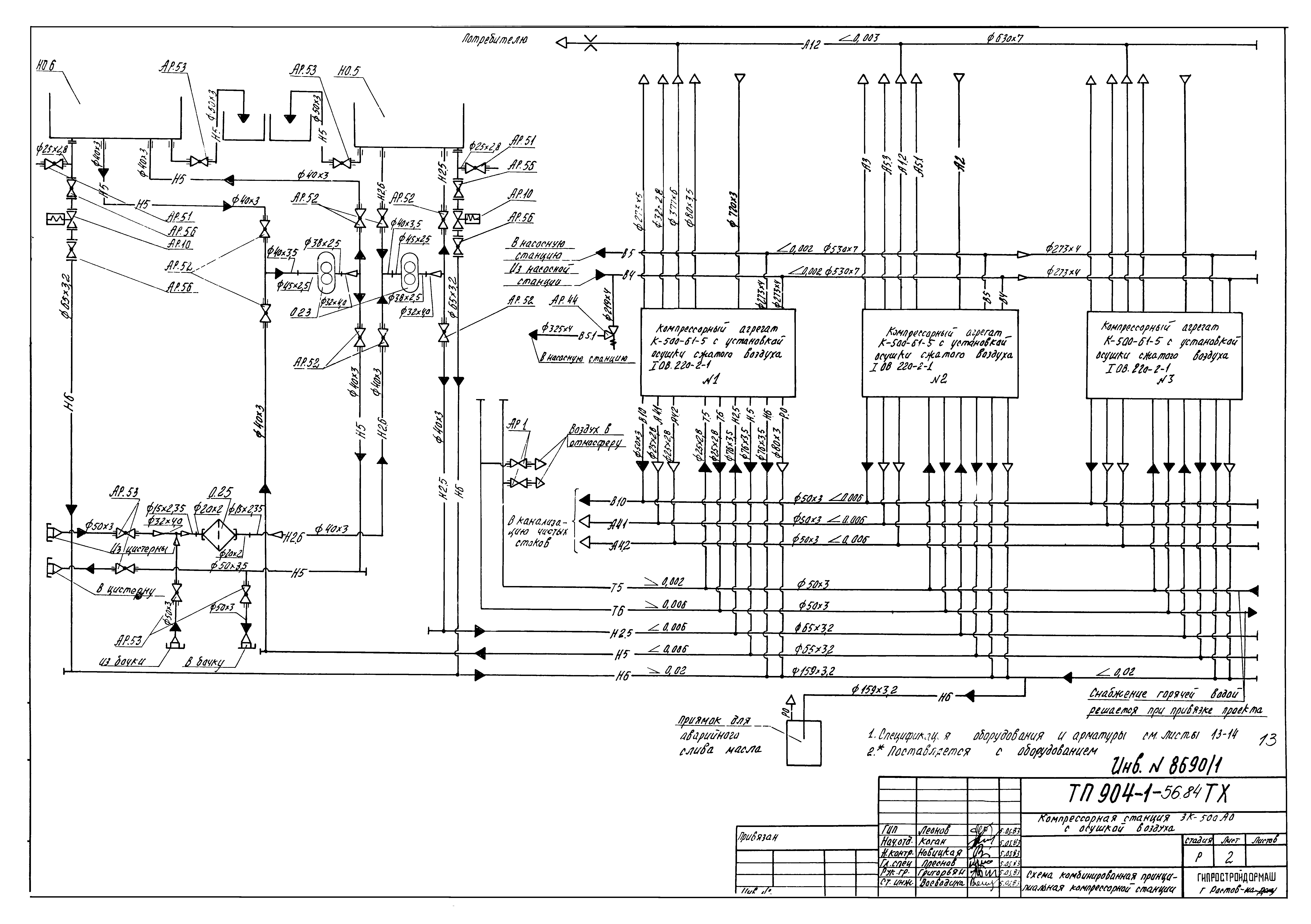
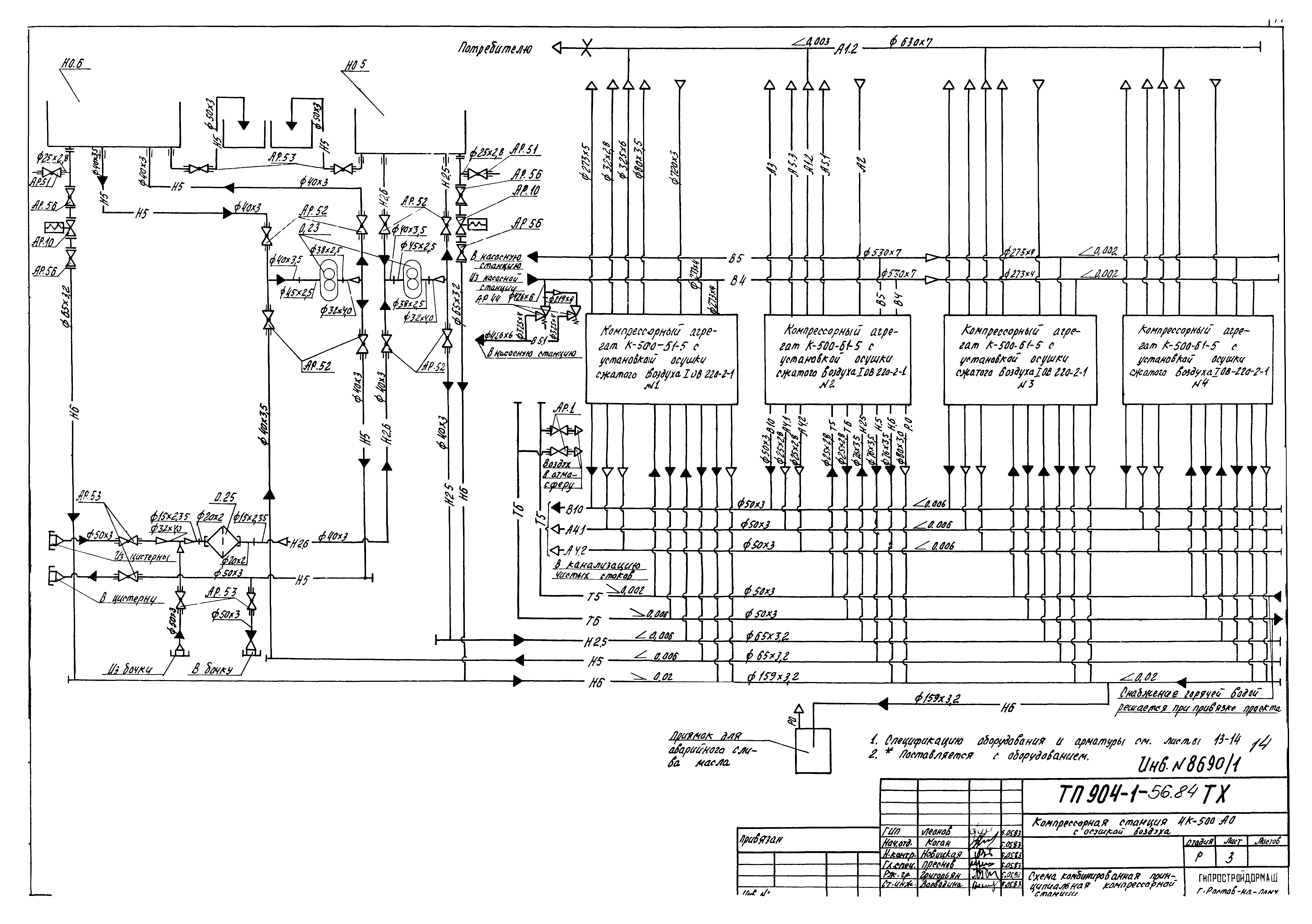
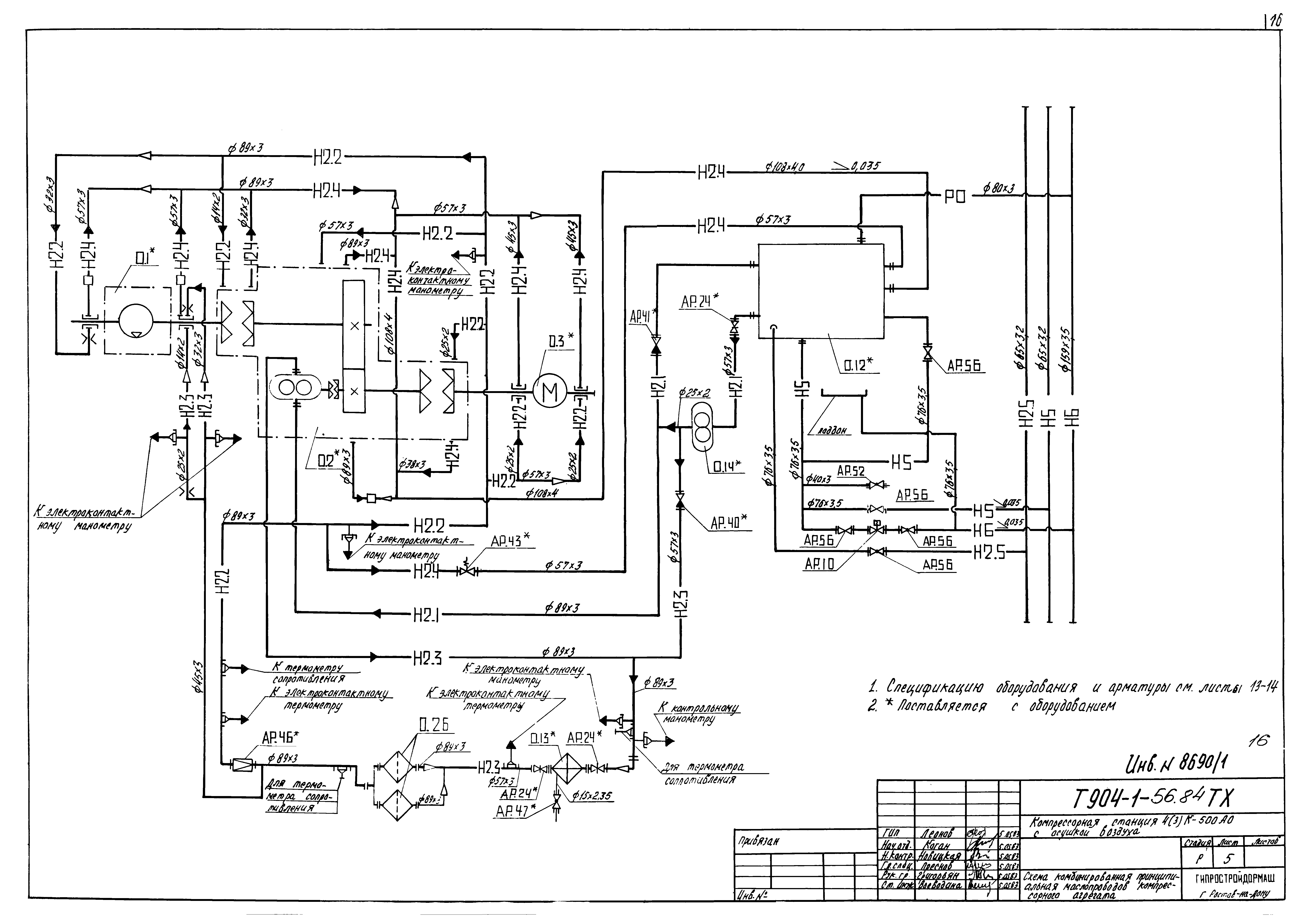
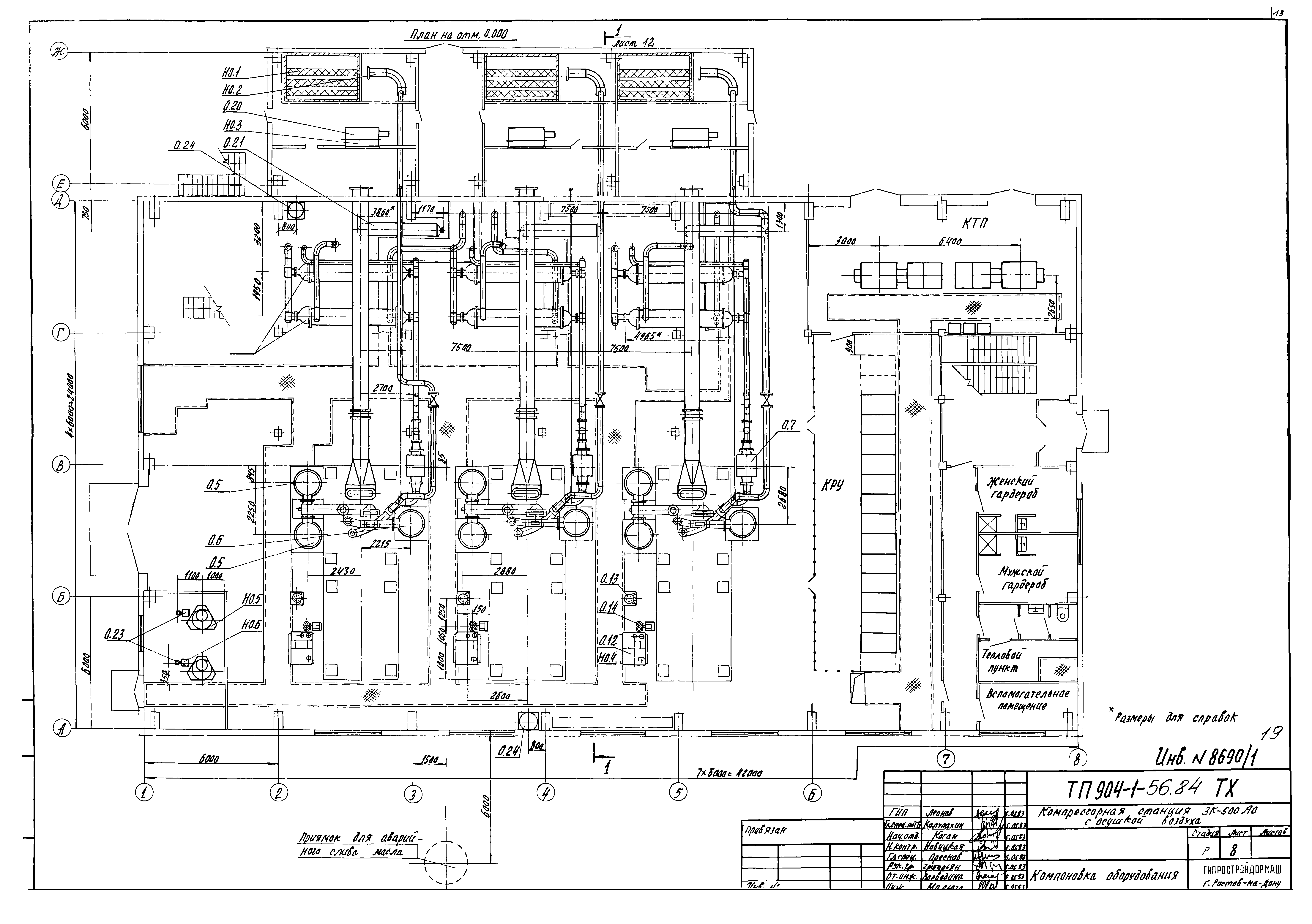
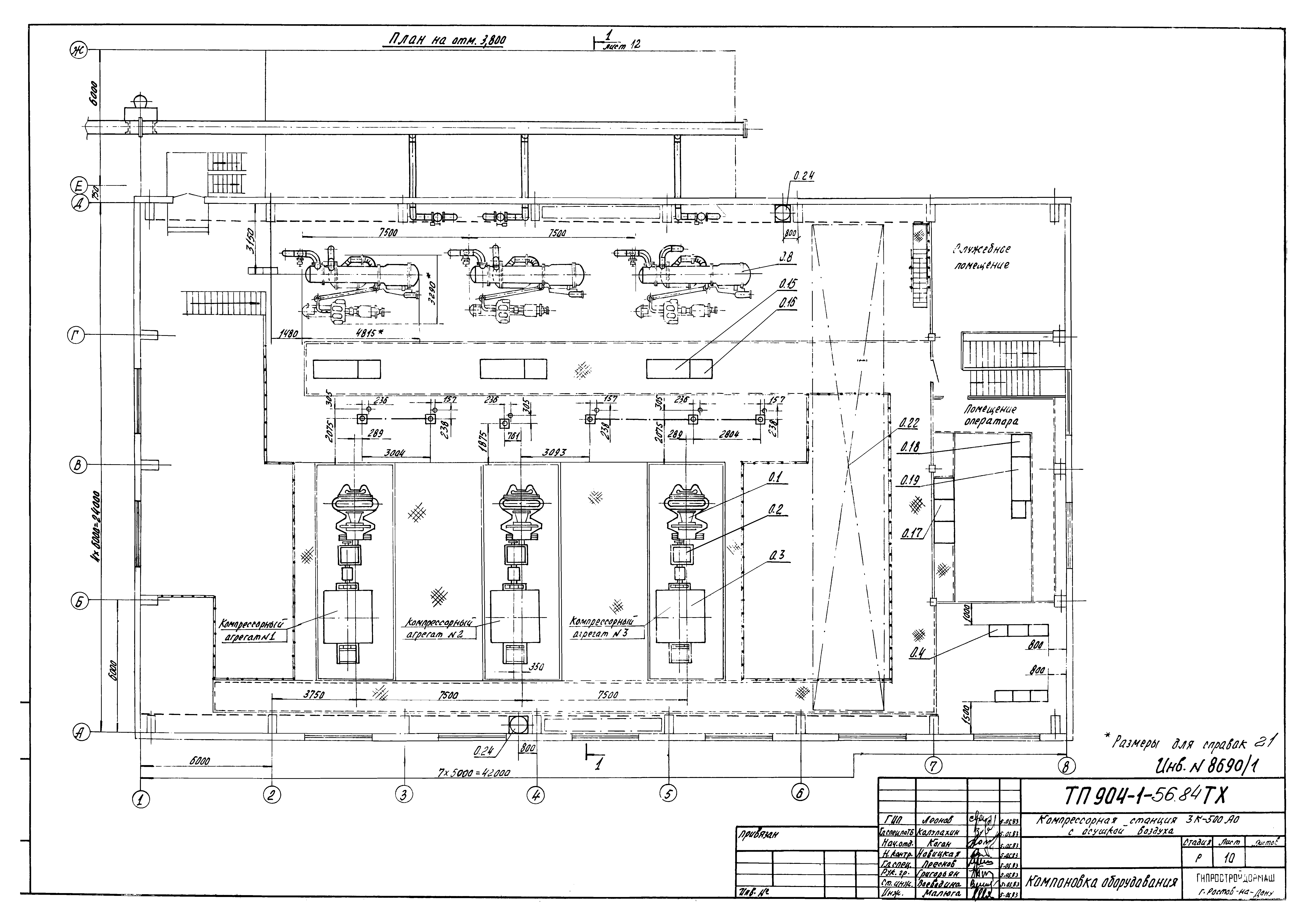
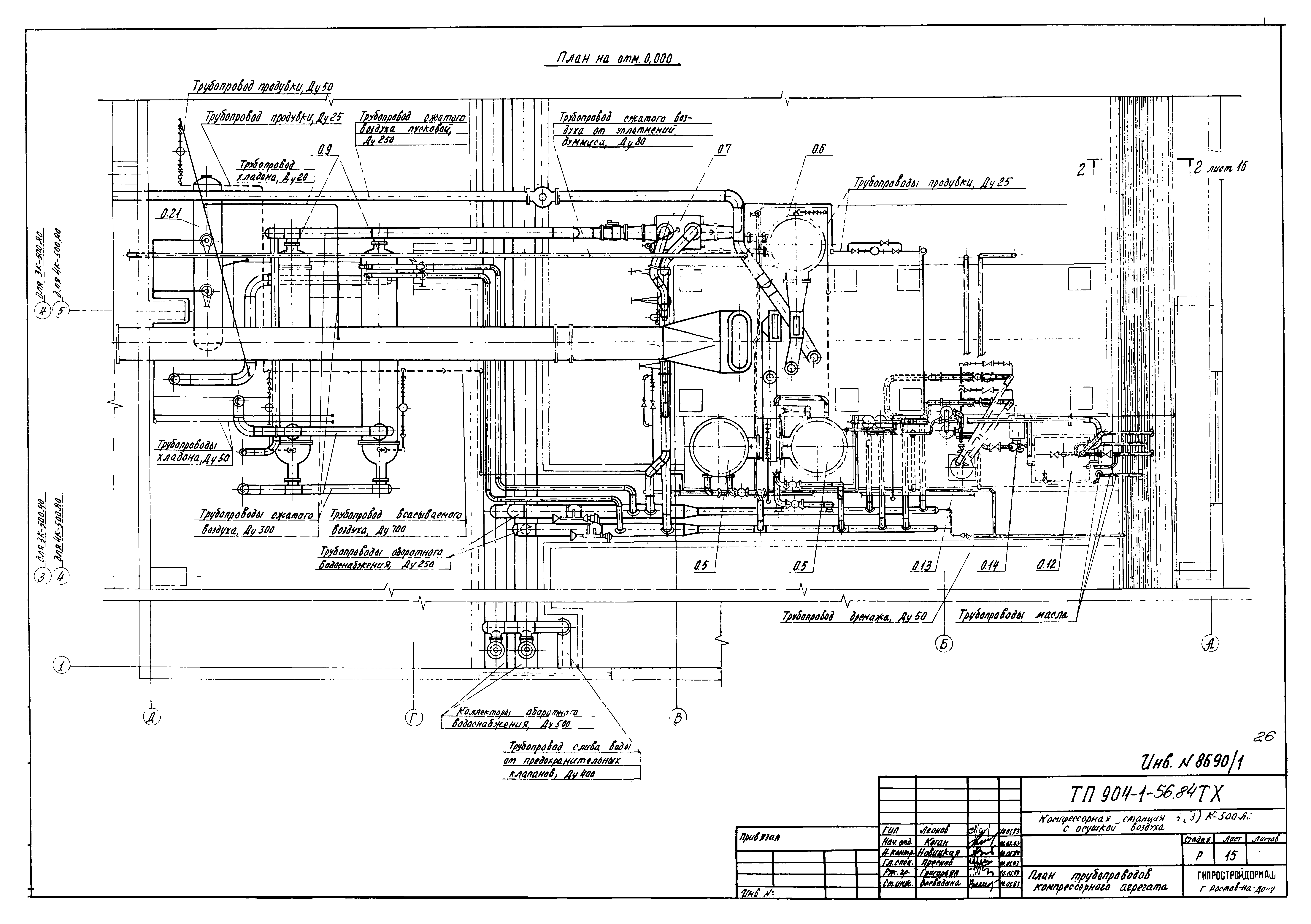
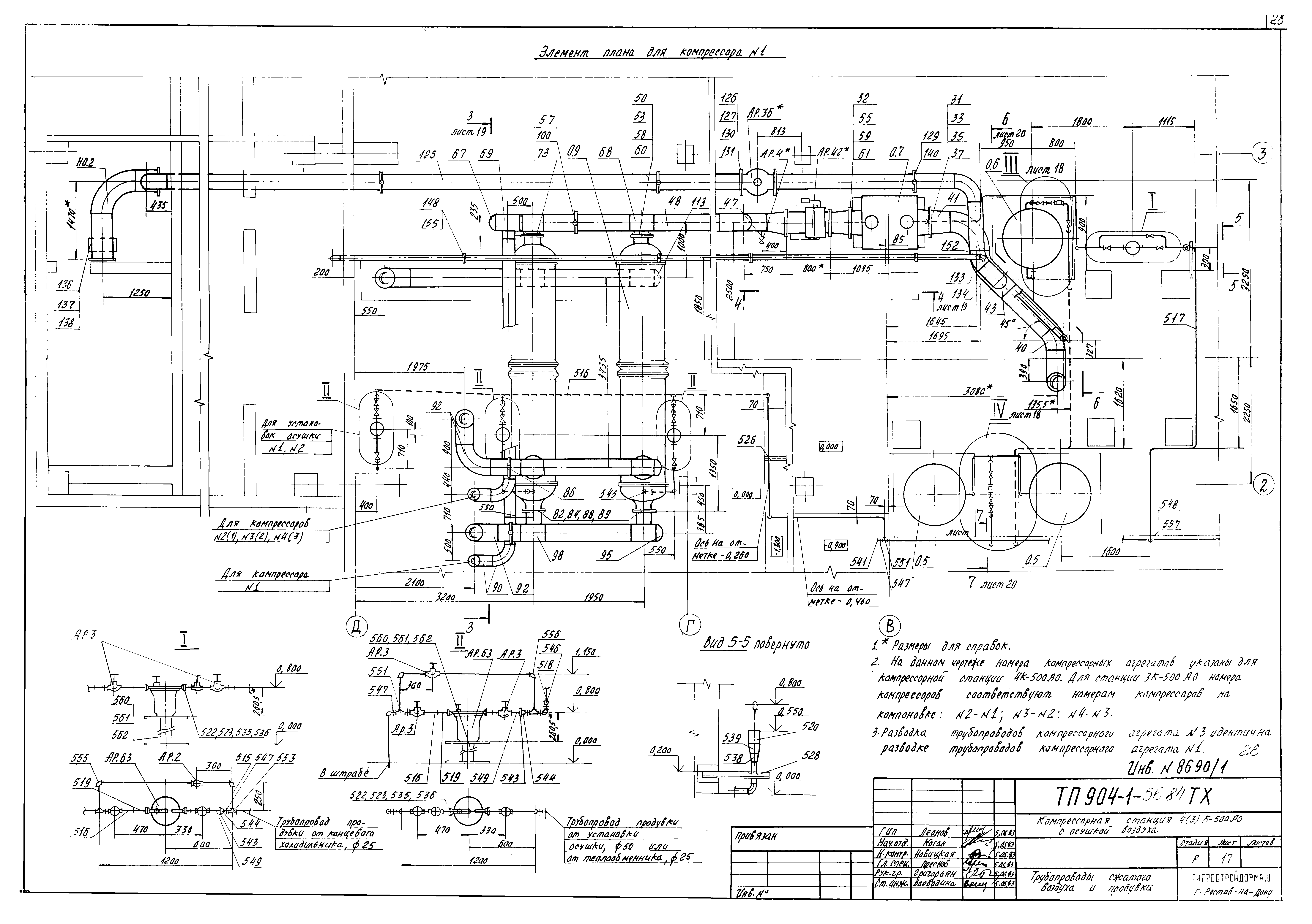
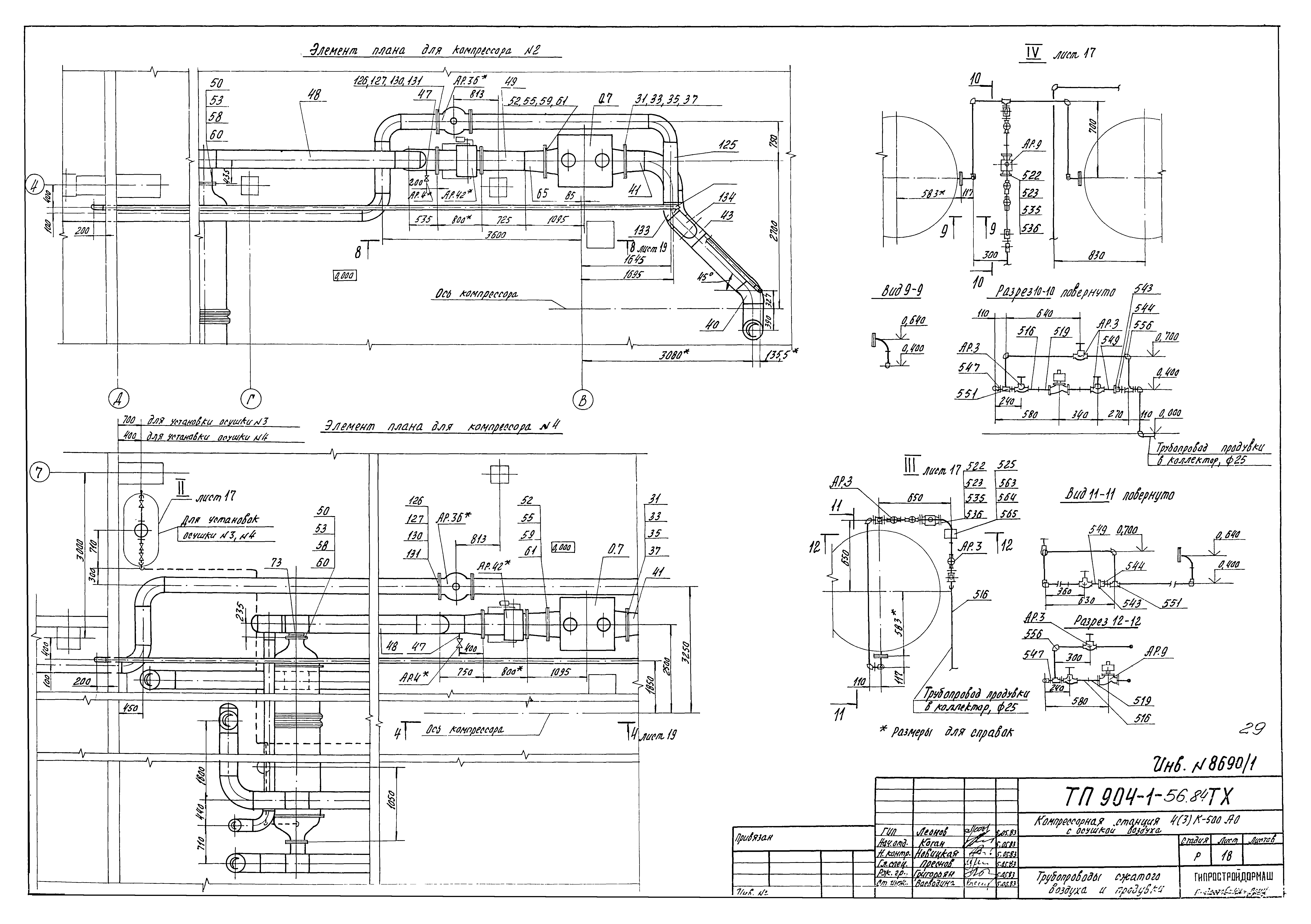
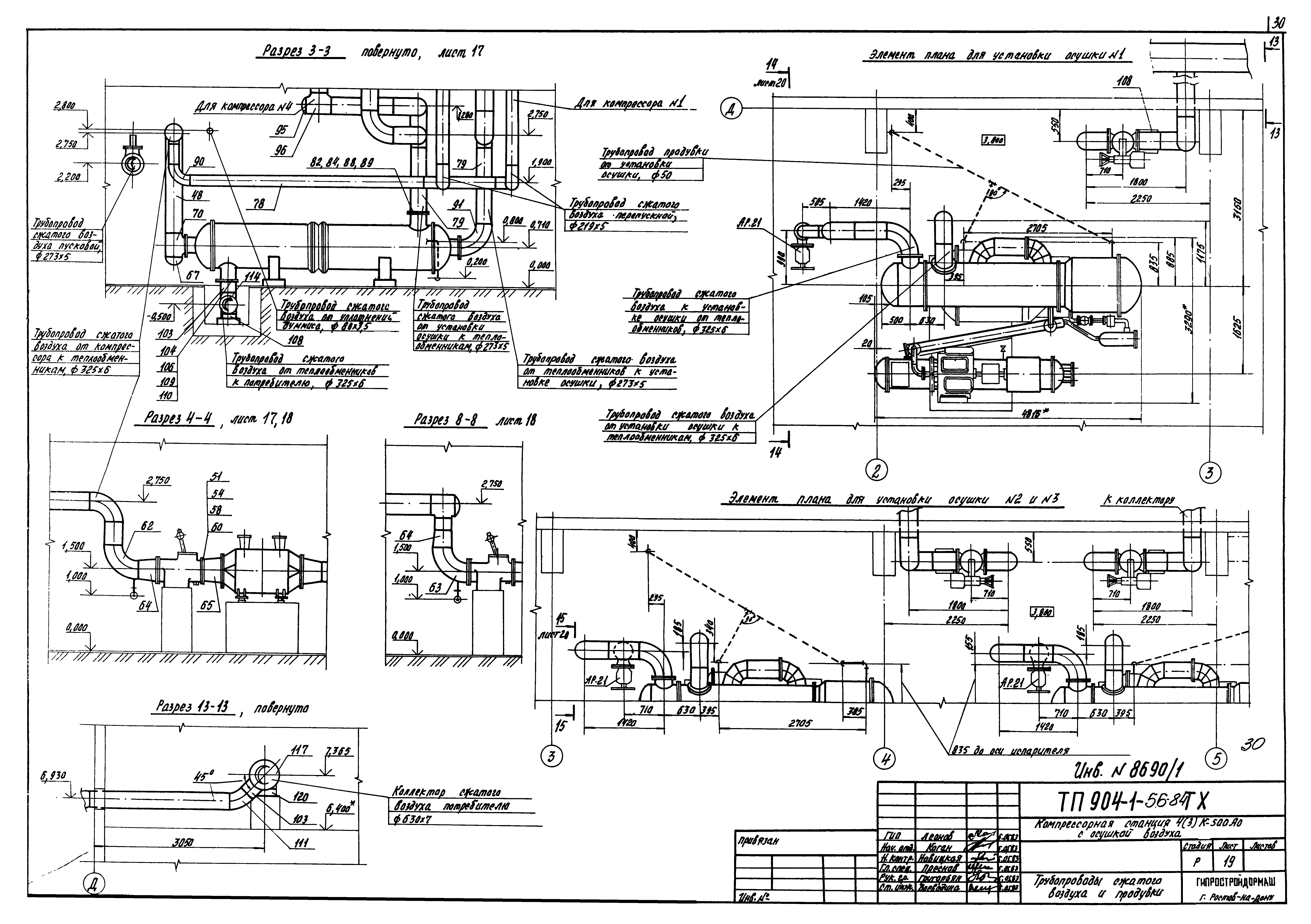
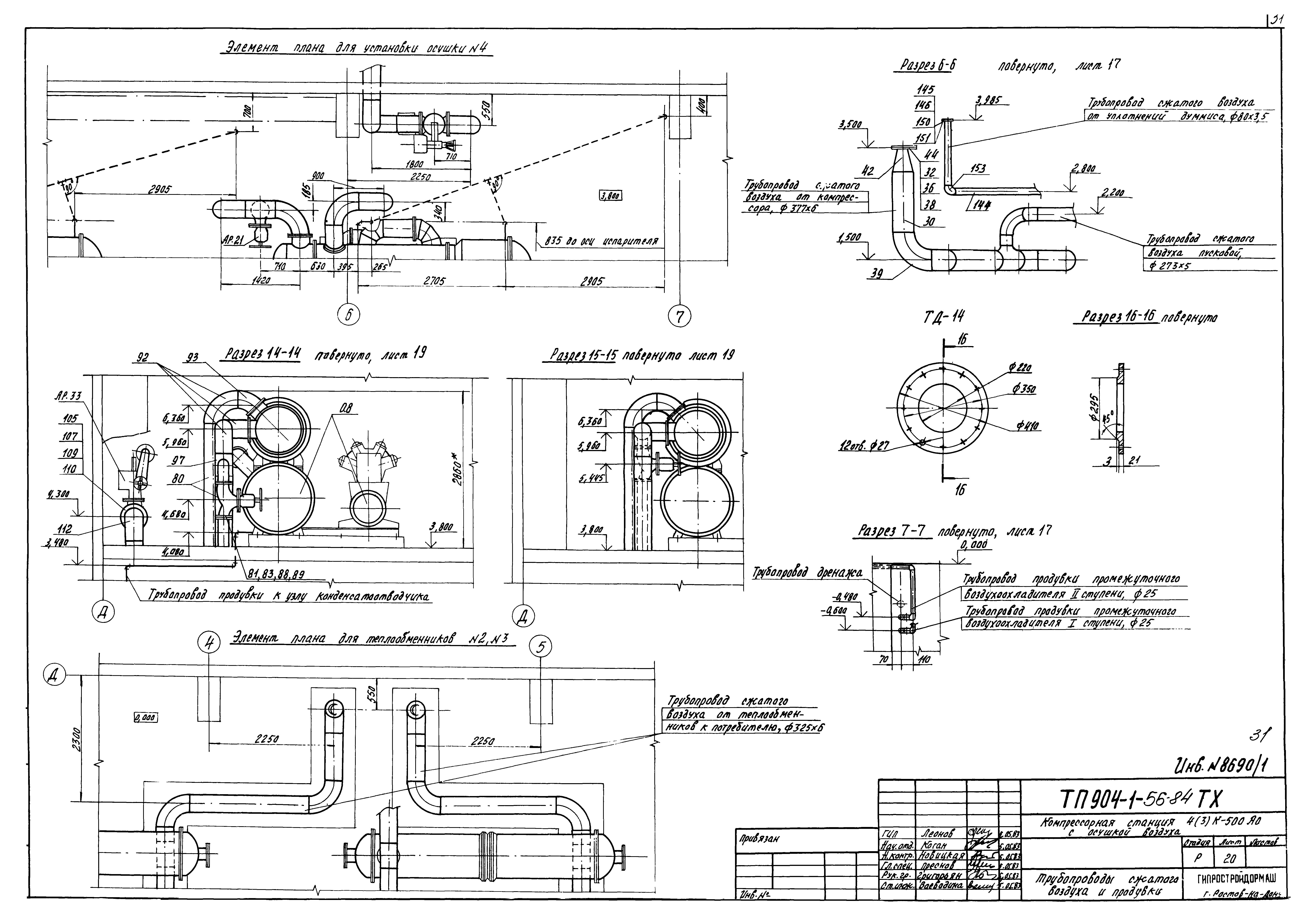
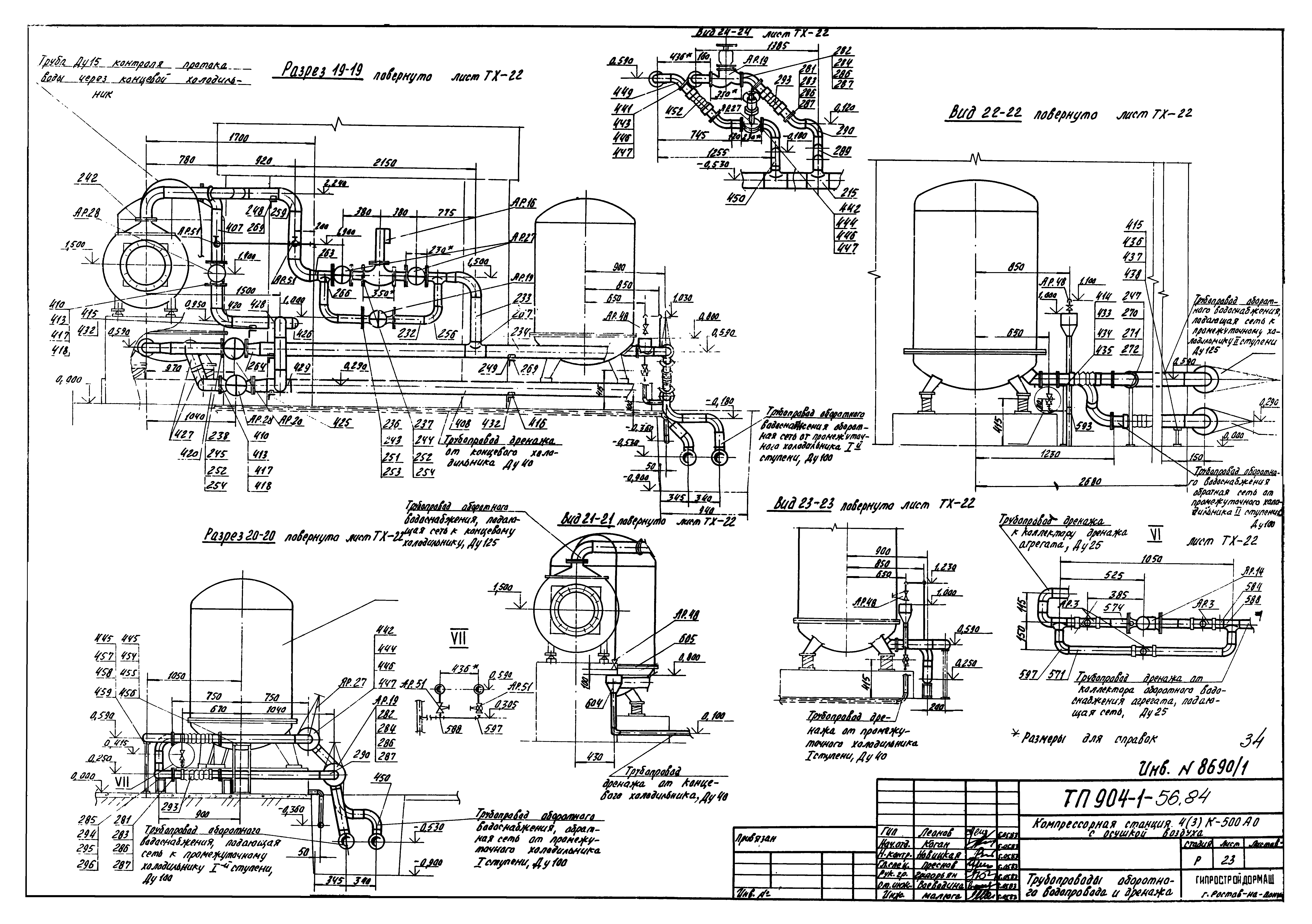
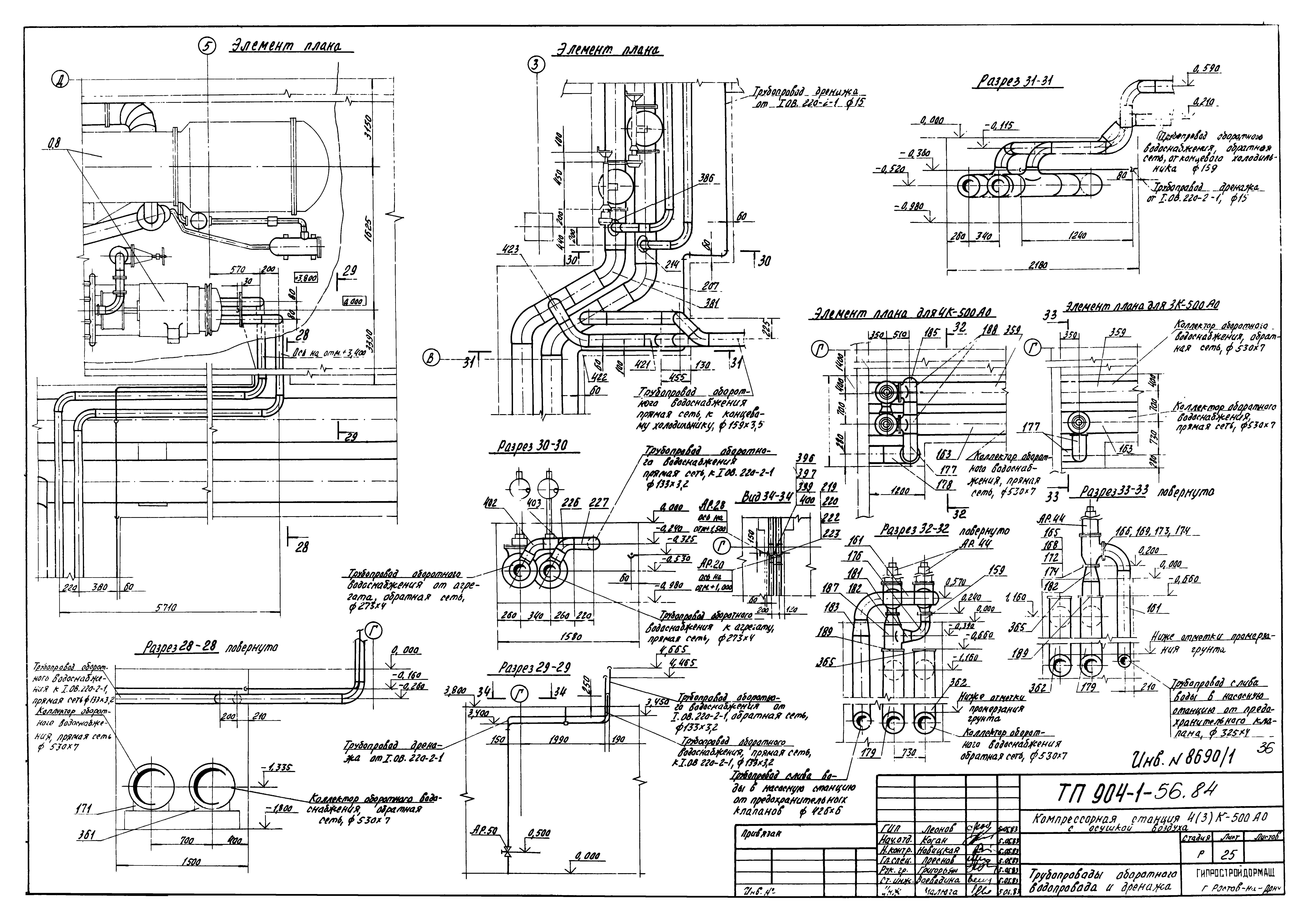
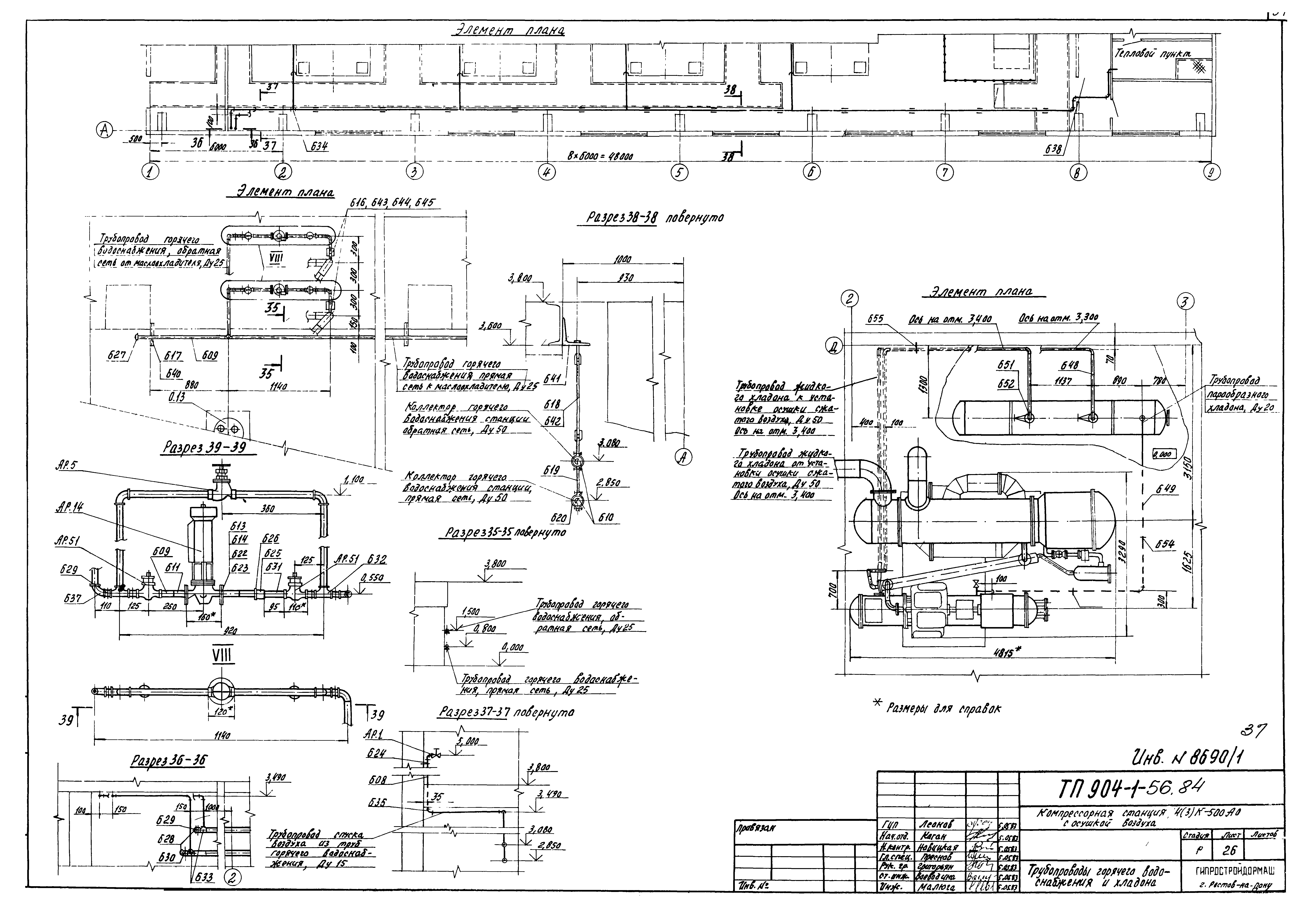
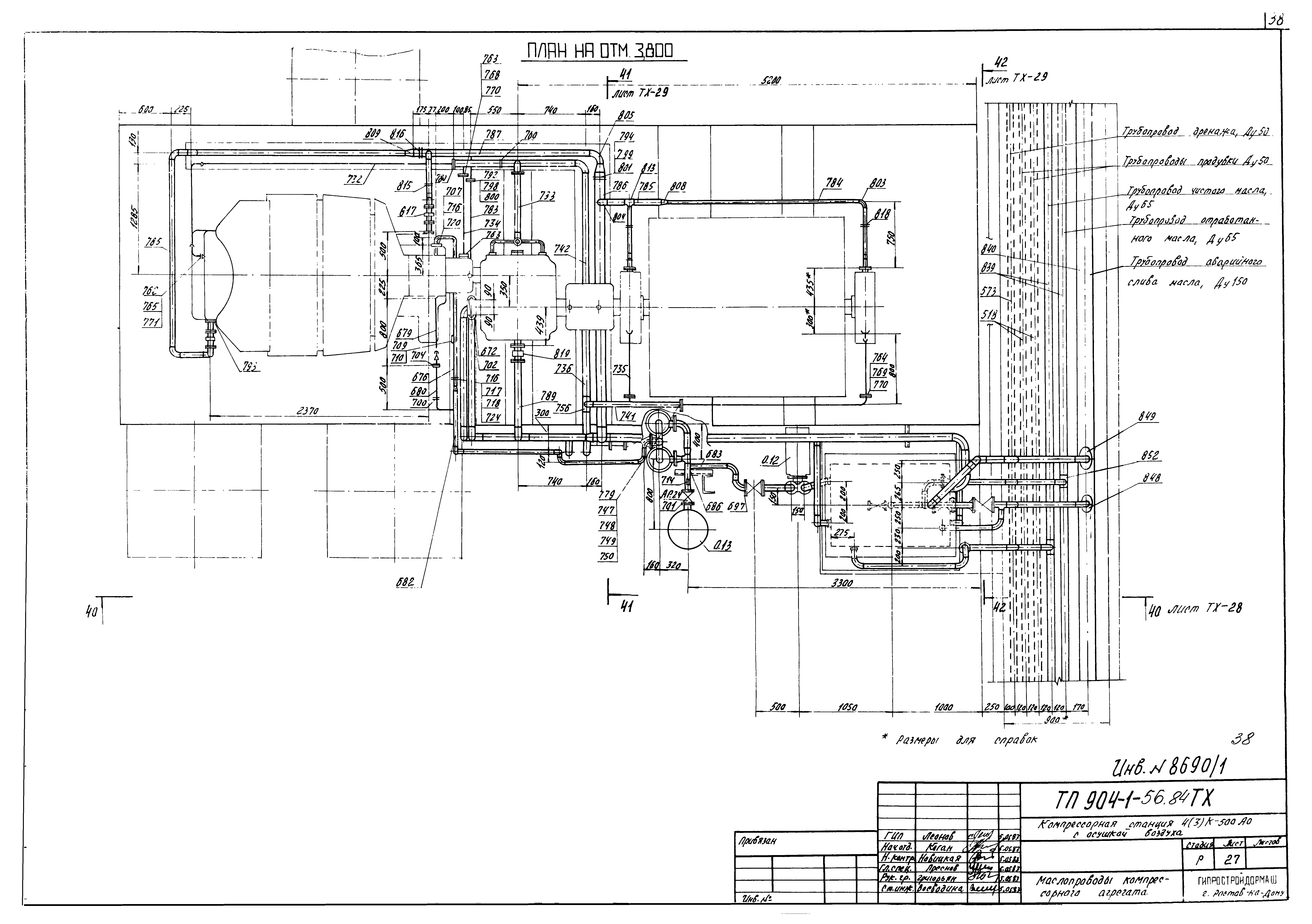
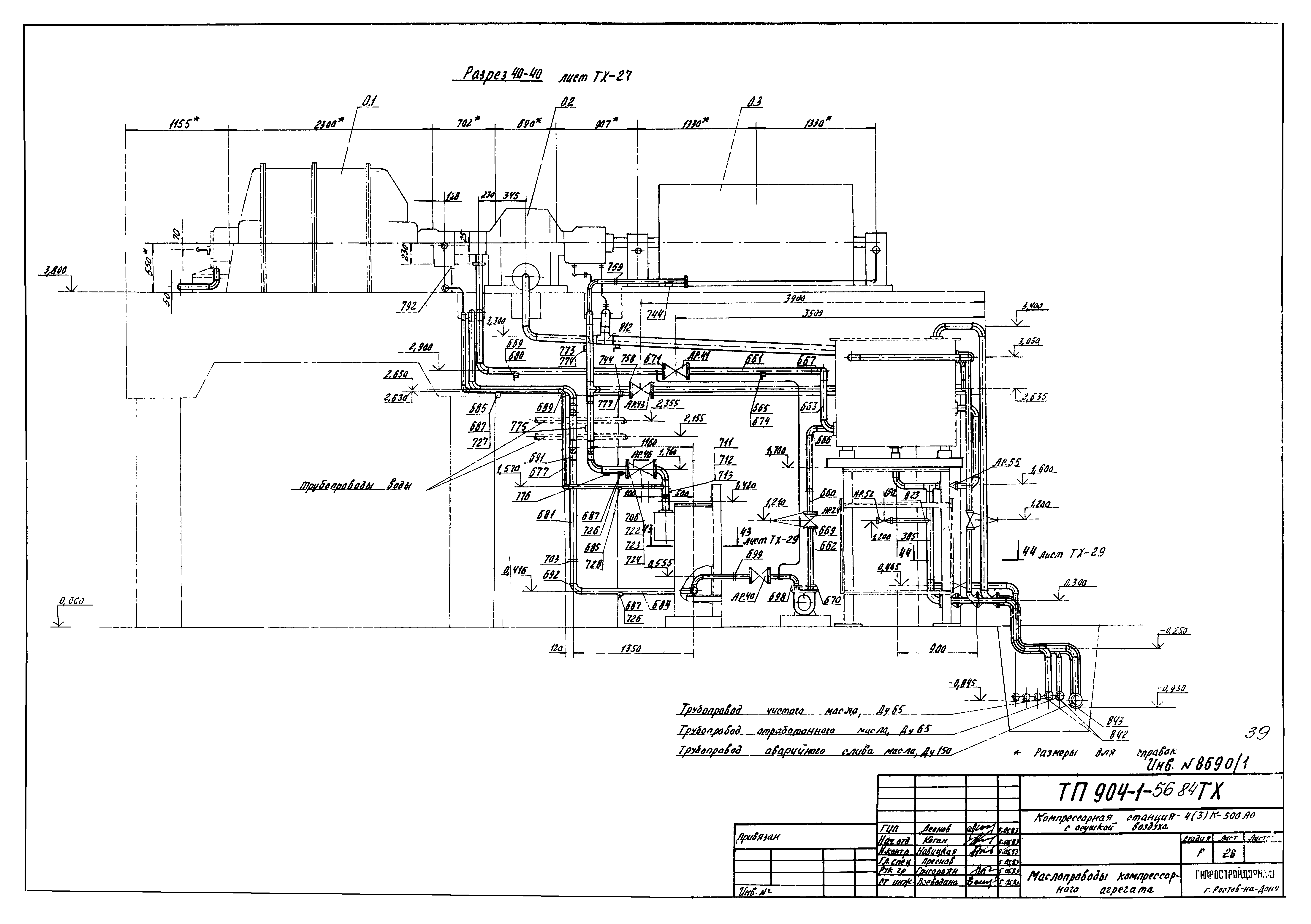
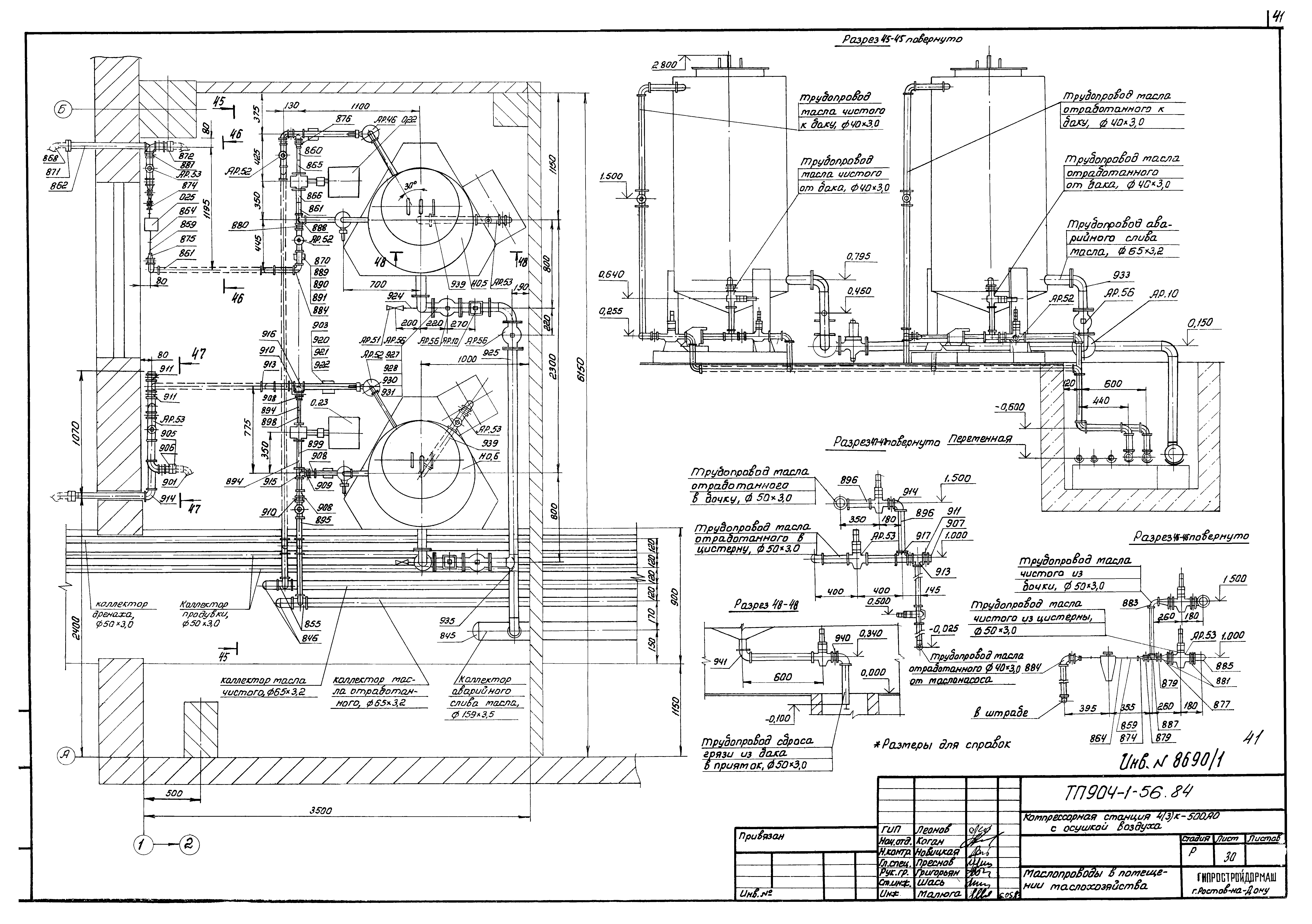
| Оглавление: | ТП 904-1-56.84 Обложка ТП 904-1-56.84 Титульный лист ТП 904-1-56.84 Содержание ТП 904-1-56.84-ПЗ Пояснительная записка ТП 904-1-56.84-ТХ-1 Общие данные ТП 904-1-56.84-ТХ-2 Схема комбинированная принципиальная компрессорной станции ТП 904-1-56.84-ТХ-3 Схема комбинированная принципиальная компрессорной станции ТП 904-1-56.84-ТХ-4 Схема комбинированная принципиальная воздухо- и водопроводов компрессорного агрегата ТП 904-1-56.84-ТХ-5 Схема комбинированная принципиальная маслопроводов компрессорного агрегата ТП 904-1-56.84-ТХ-6-7 Условные обозначения ТП 904-1-56.84-ТХ-8 Компоновка оборудования ТП 904-1-56.84-ТХ-9 Компоновка оборудования ТП 904-1-56.84-ТХ-10 Компоновка оборудования ТП 904-1-56.84-ТХ-11 Компоновка оборудования ТП 904-1-56.84-ТХ-12 Компоновка оборудования ТП 904-1-56.84-ТХ-13-14 Спецификация оборудования и арматуры ТП 904-1-56.84-ТХ-15-16 План трубопроводов компрессорного агрегата ТП 904-1-56.84-ТХ-17-20 Трубопроводы сжатого воздуха и продувки ТП 904-1-56.84-ТХ-21 Воздух всасывающий ТП 904-1-56.84-ТХ-25 Трубопроводы оборотного водоснабжения и дренажа ТП 904-1-56.84-ТХ-26 Трубопроводы горячего водоснабжения и хладона ТП 904-1-56.84-ТХ-27-29 Маслопроводы компрессорного агрегата ТП 904-1-56.84-ТХ-30 Маслопроводы в помещении маслохозяйства ТП 904-1-56.84-ТХ-31-46 Спецификация монтажных материалов трубопроводов ТП 904-1-56.84-ТХ-47-49 Ведомость теплоизоляционных конструкций ТП 904-1-56.84-ТХ-50 Размещение закладных элементов приборов автоматизации и КИП ТП 904-1-56.84 Опросный лист на кран мостовой электрический управляемый с пола ТП 904-1-56.84 Опросный лист на установку осушки сжатого воздуха ТП 904-1-56.84-ТУ-3,-4 Подставка ТУ-3,-4 ТП 904-1-56.84-ТУ-5,-6,-7,-10,-11 Опора ТУ-5,-6,-7,-10,-11 ТП 904-1-56.84-ТУ-9 Воронка ТУ-9 ТП 904-1-56.84-ТД-33 Конус ТД-33 ТП 904-1-56.84-13 Фланец ТД-13 ТП 904-1-56.84-ТД-2 Прижимное кольцо ТД-2 ТП 904-1-56.84-ТД-12 Лопатка ТД-12 ТП 904-1-56.84-ТД-7 Переход ТД-7 ТП 904-1-56.84-ТД-8 Переход ТД-8 ТП 904-1-56.84-ТД-6 Переход ТД-6 ТП 904-1-56.84-ТД-1 Прокладка ТД-1 ТП 904-1-56.84-ТД-35 Фланец ТД-35 ТП 904-1-56.84-ТД-36 Фланец ТД-36 ТП 904-1-56.84-ТД-37,-38 Заглушка ТД-37,-38 ТП 904-1-56.84-ТД-39 Переход эксцентрический ТД-39 |
| Разработан: | Гипростройдормаш |
| Утверждён: | 01.11.1983 Минстройдормаш (Minstroydormash 20/83) |




































































