Скачать Типовой проект 904-1-56.84 Альбом 2. Электротехническая частьДата актуализации: 01.01.2021
|
| Обозначение: | Типовой проект 904-1-56.84 |
| Обозначение англ: | 904-1-56.84 |
| Статус: | действует |
| Название рус.: | Альбом 2. Электротехническая часть |
| Дата добавления в базу: | 01.09.2013 |
| Дата актуализации: | 01.01.2021 |
| Дата введения: | 30.12.1983 |
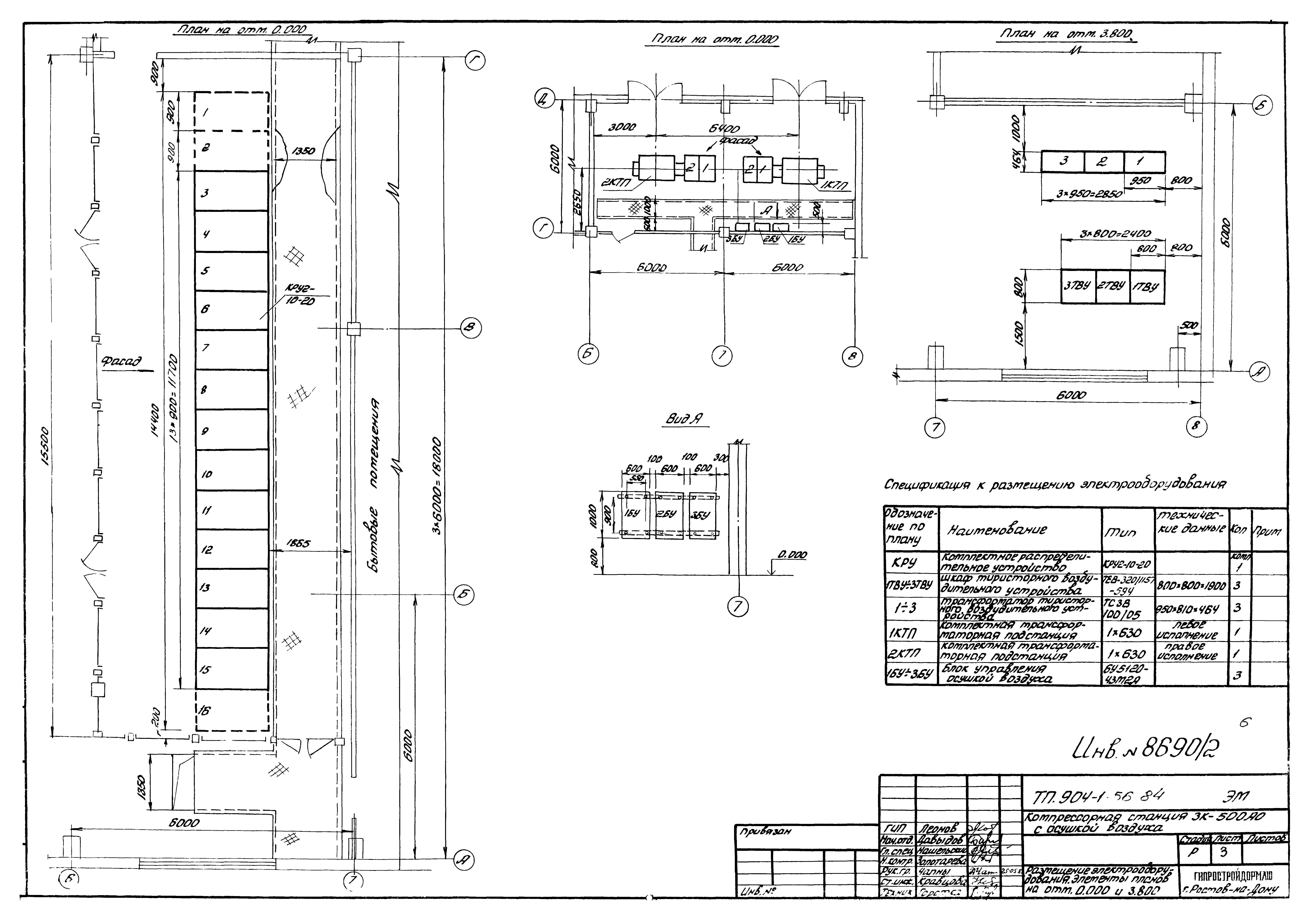
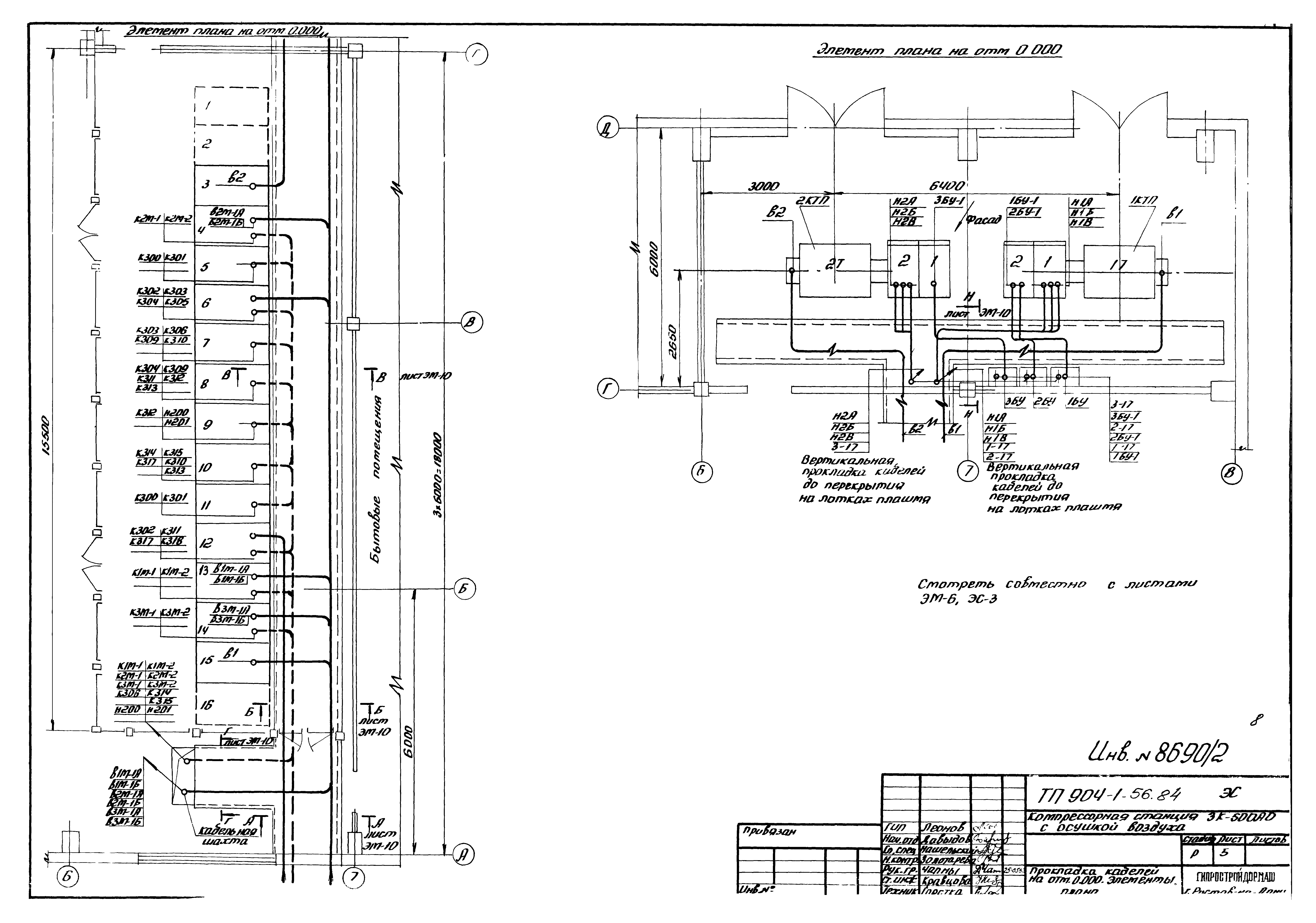
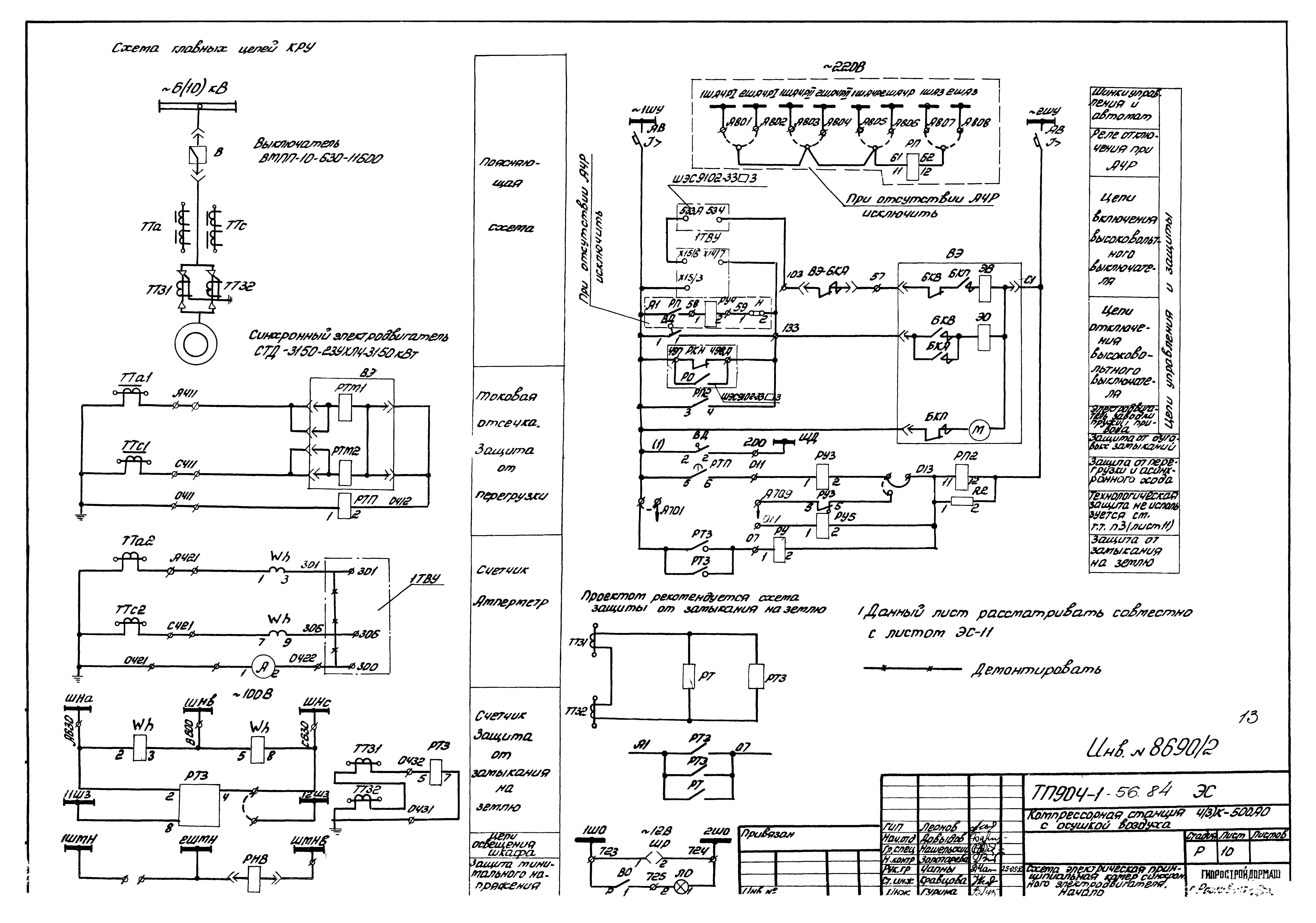
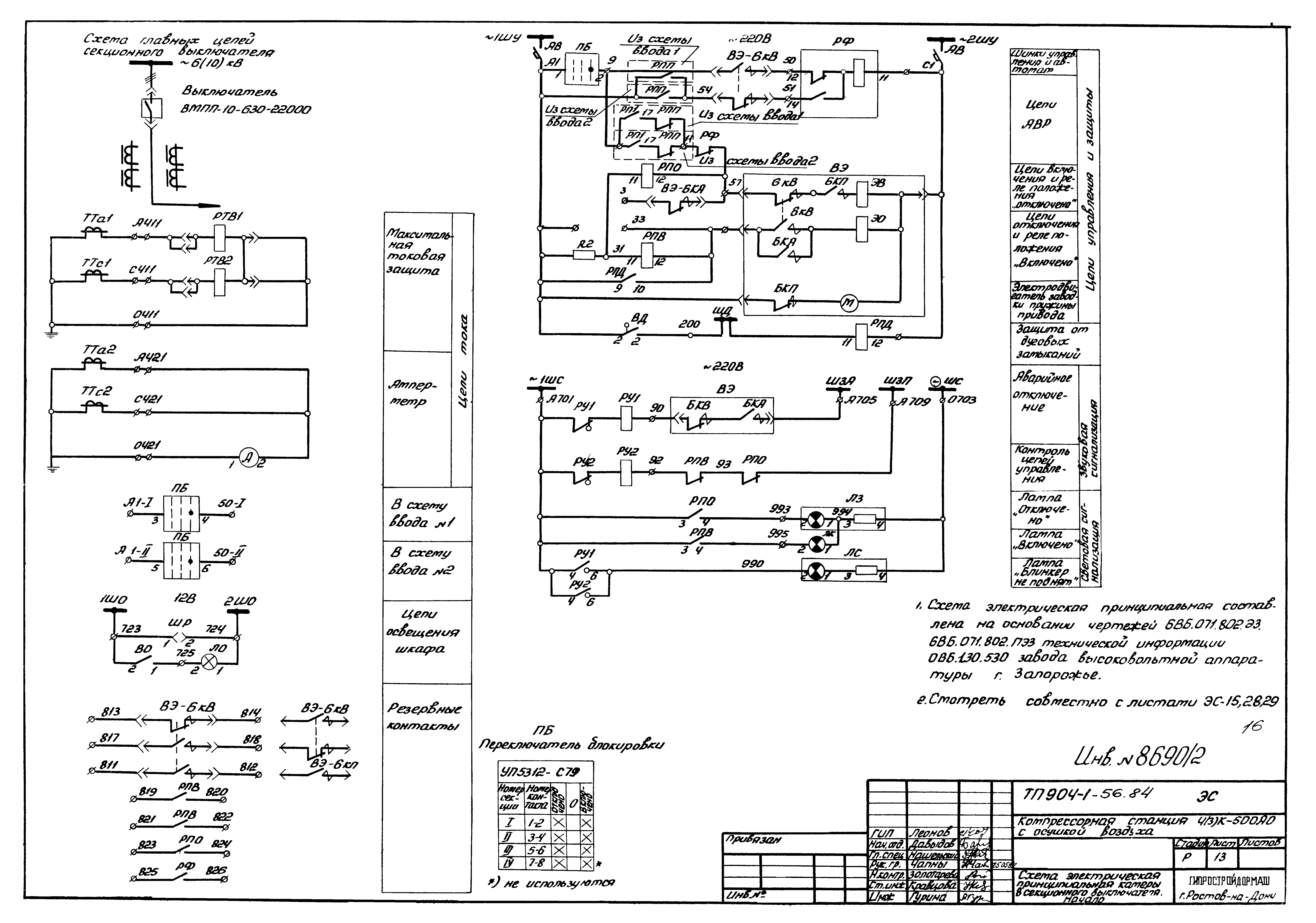
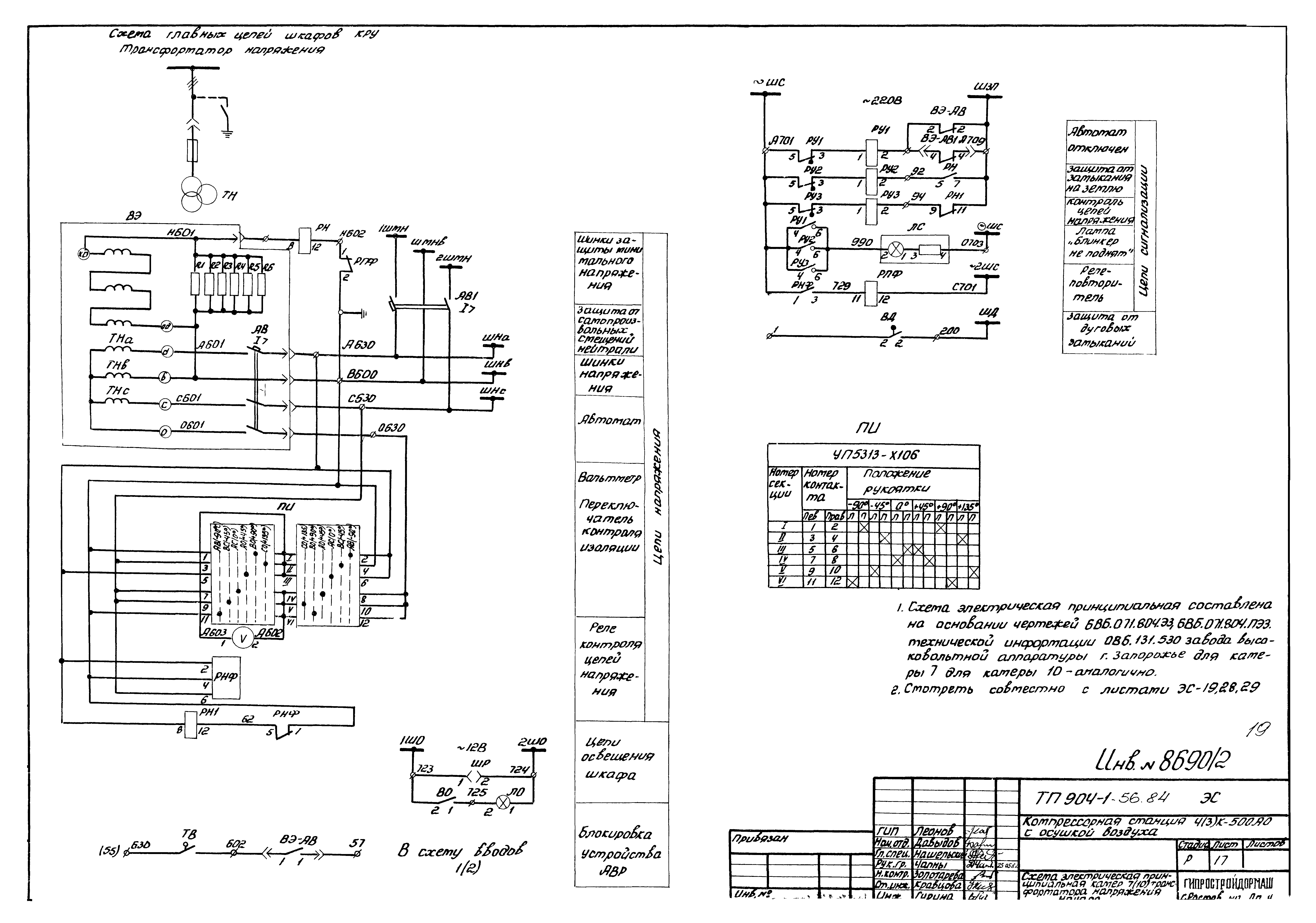
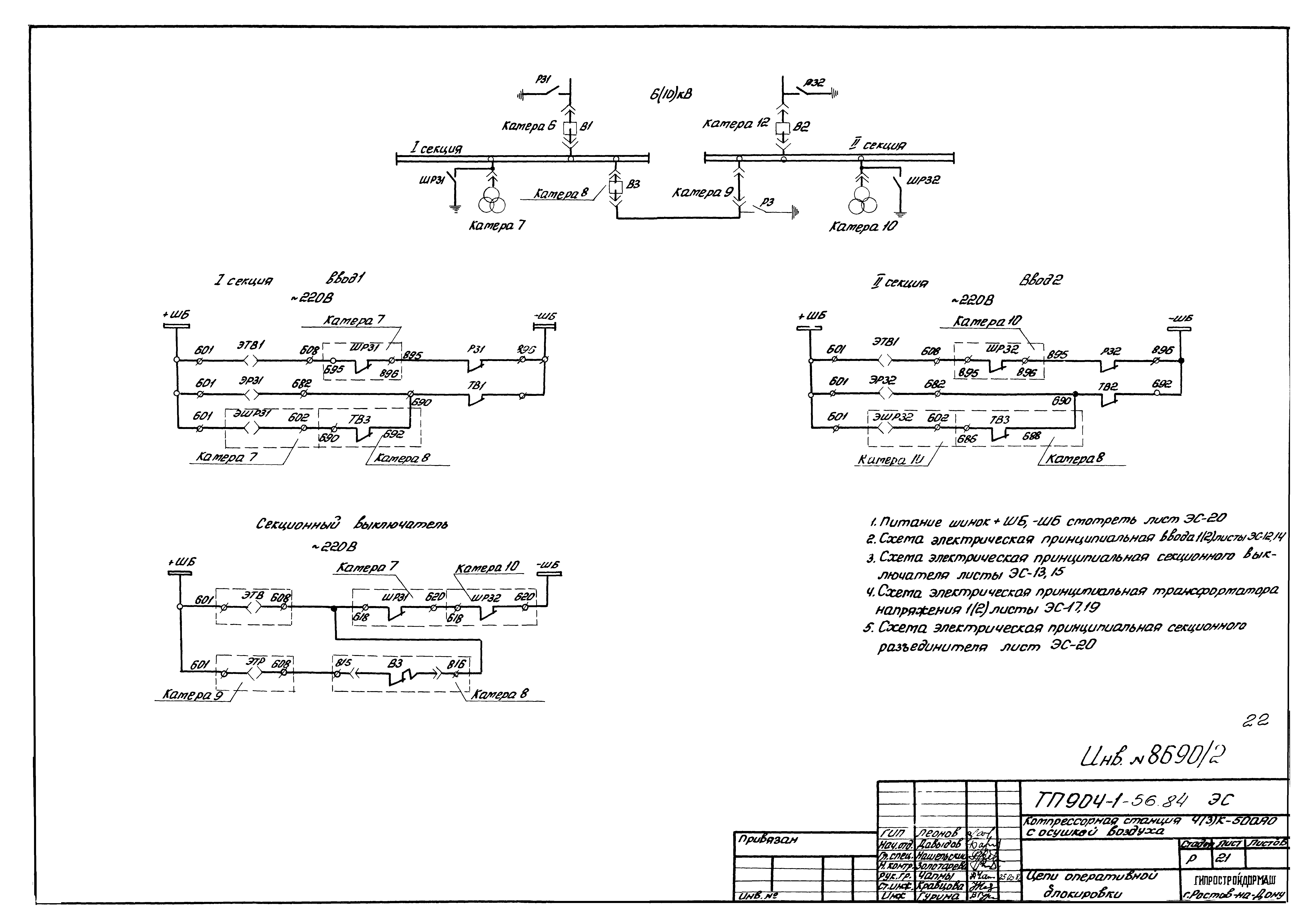
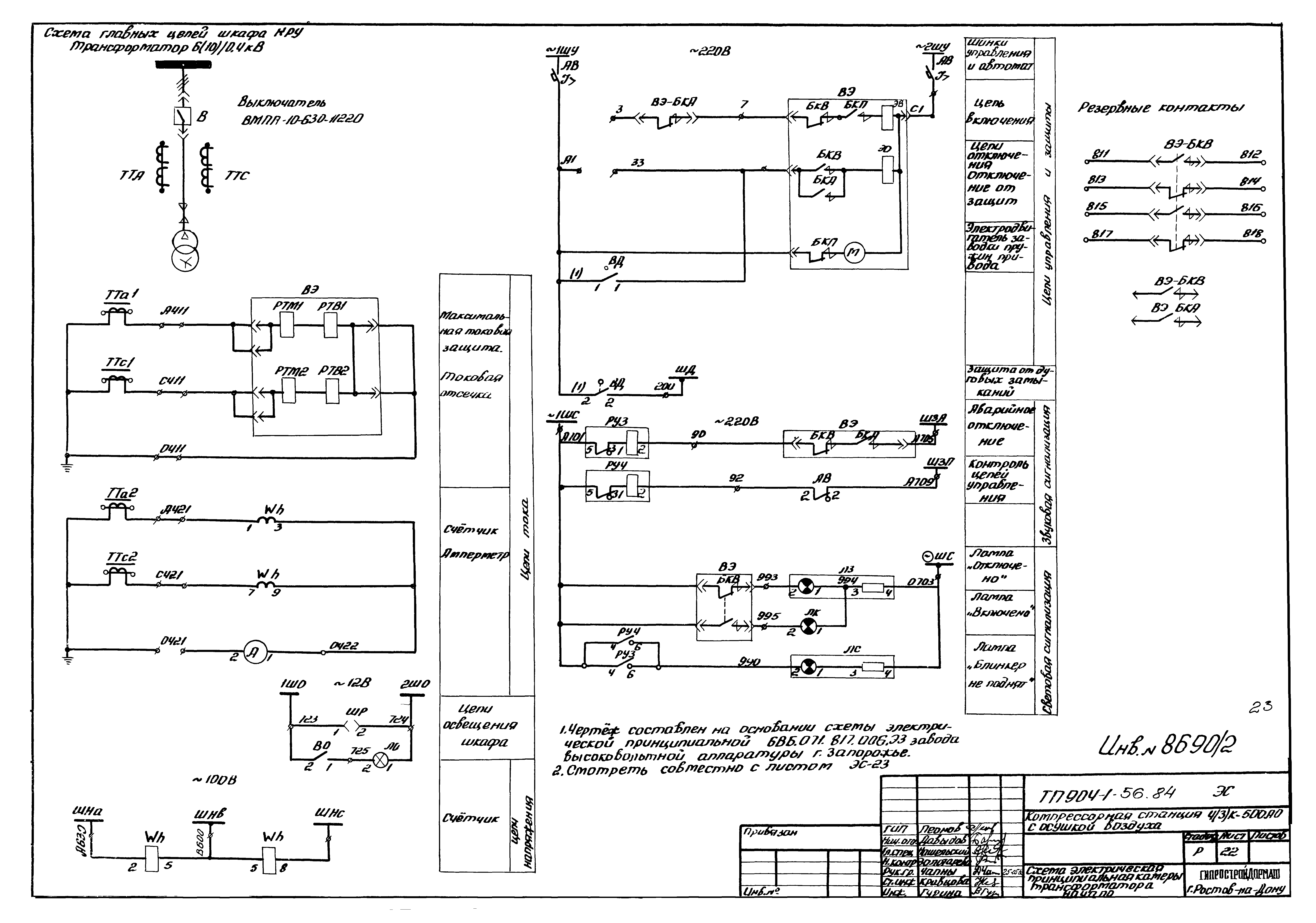
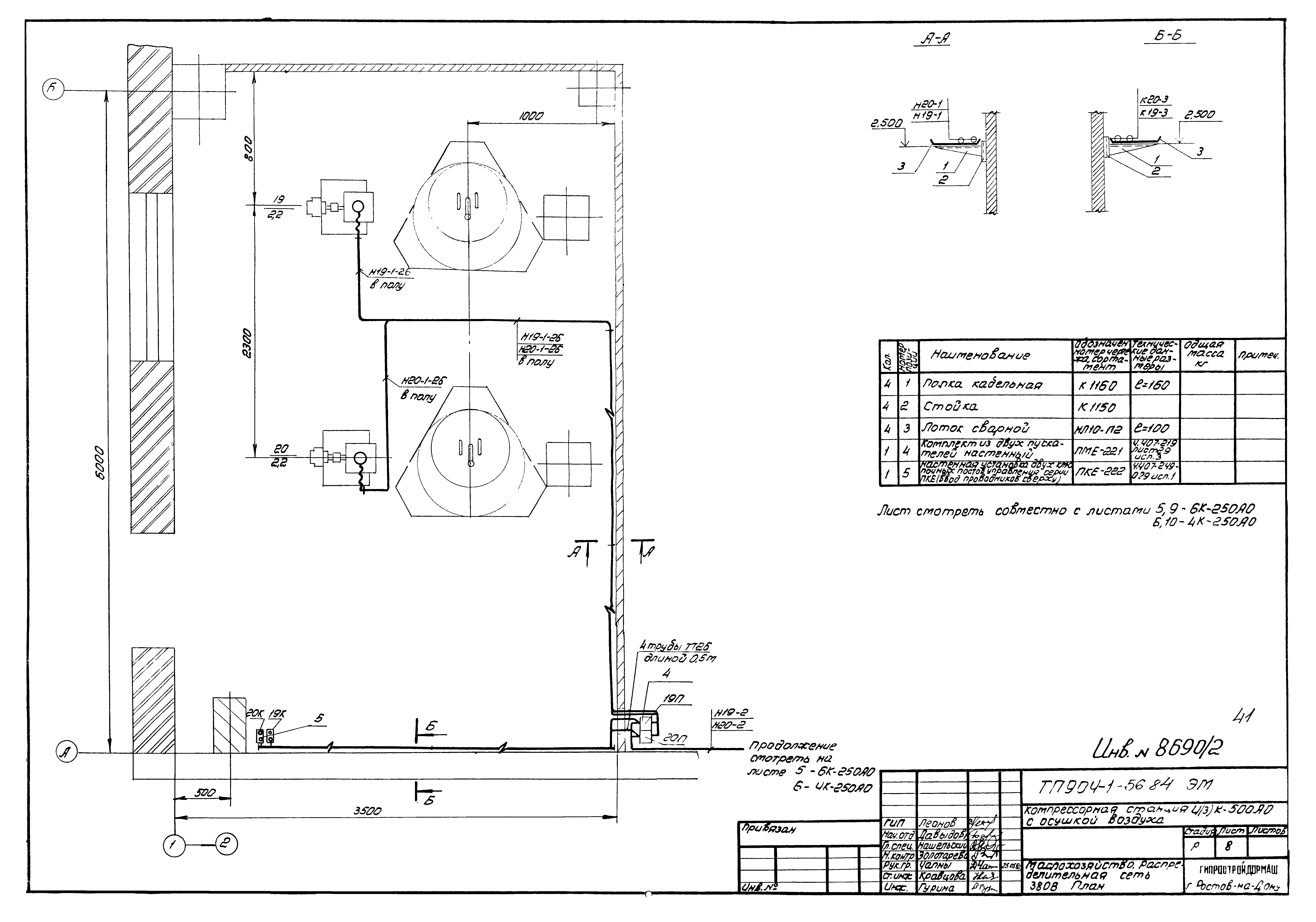
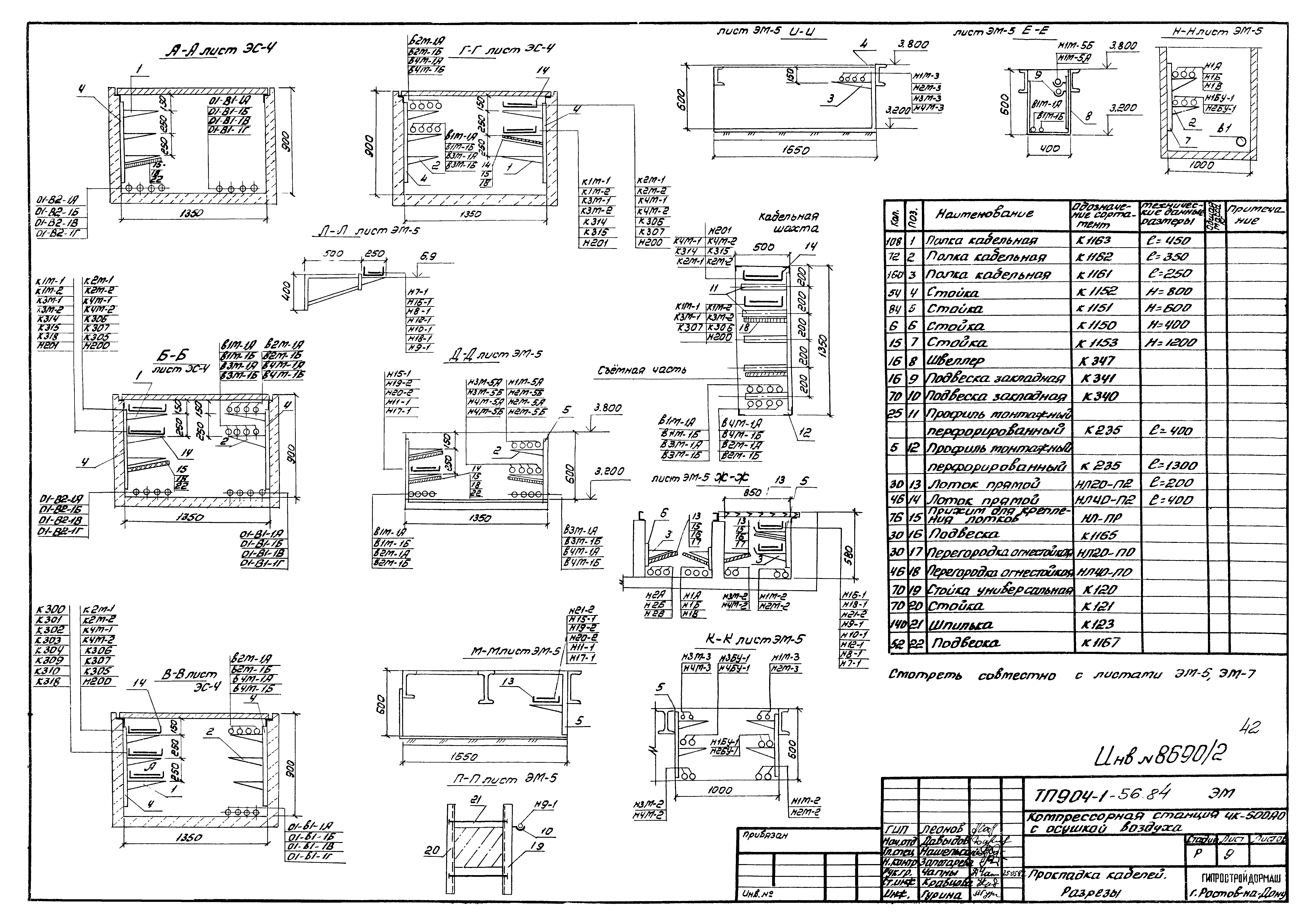
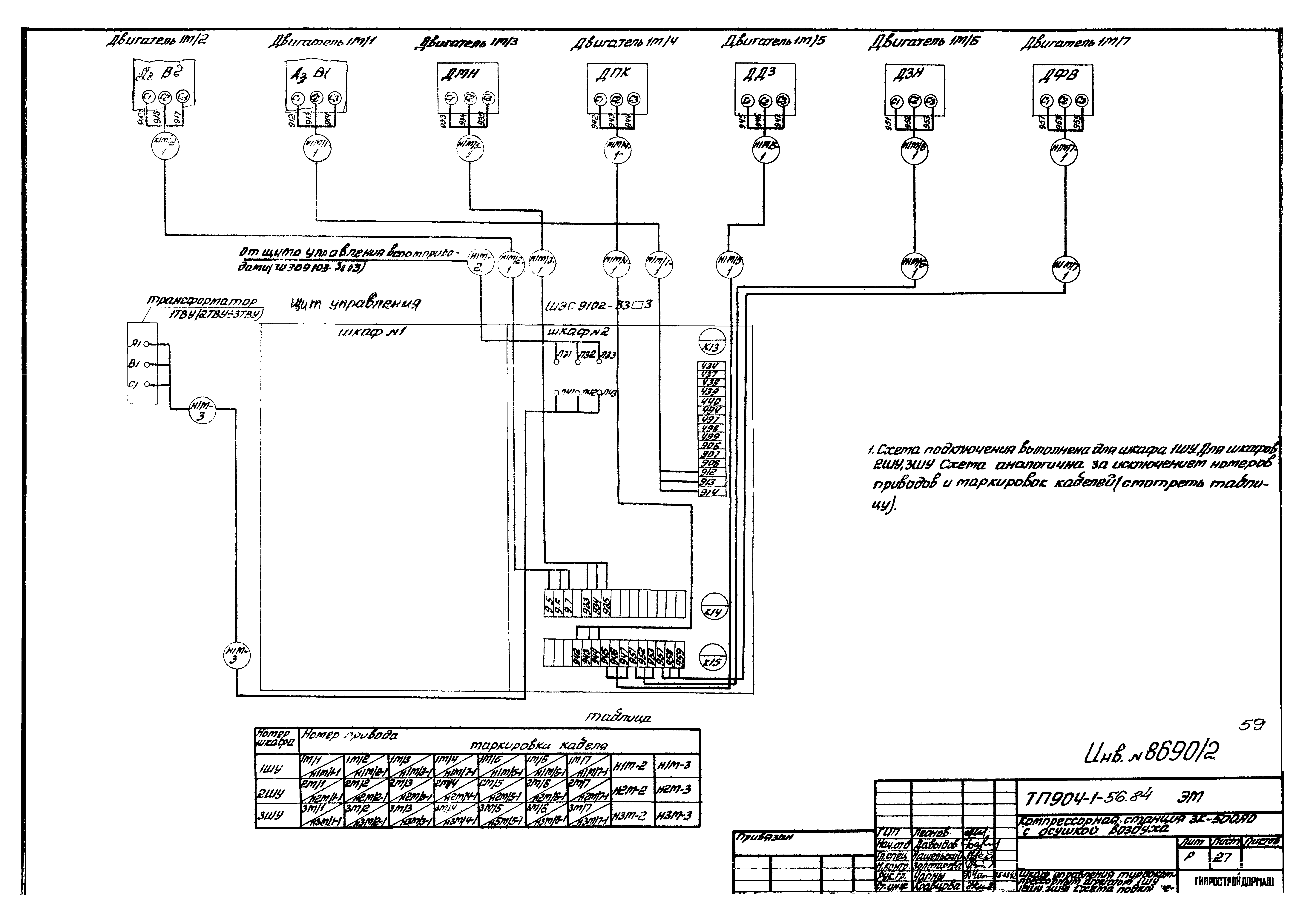
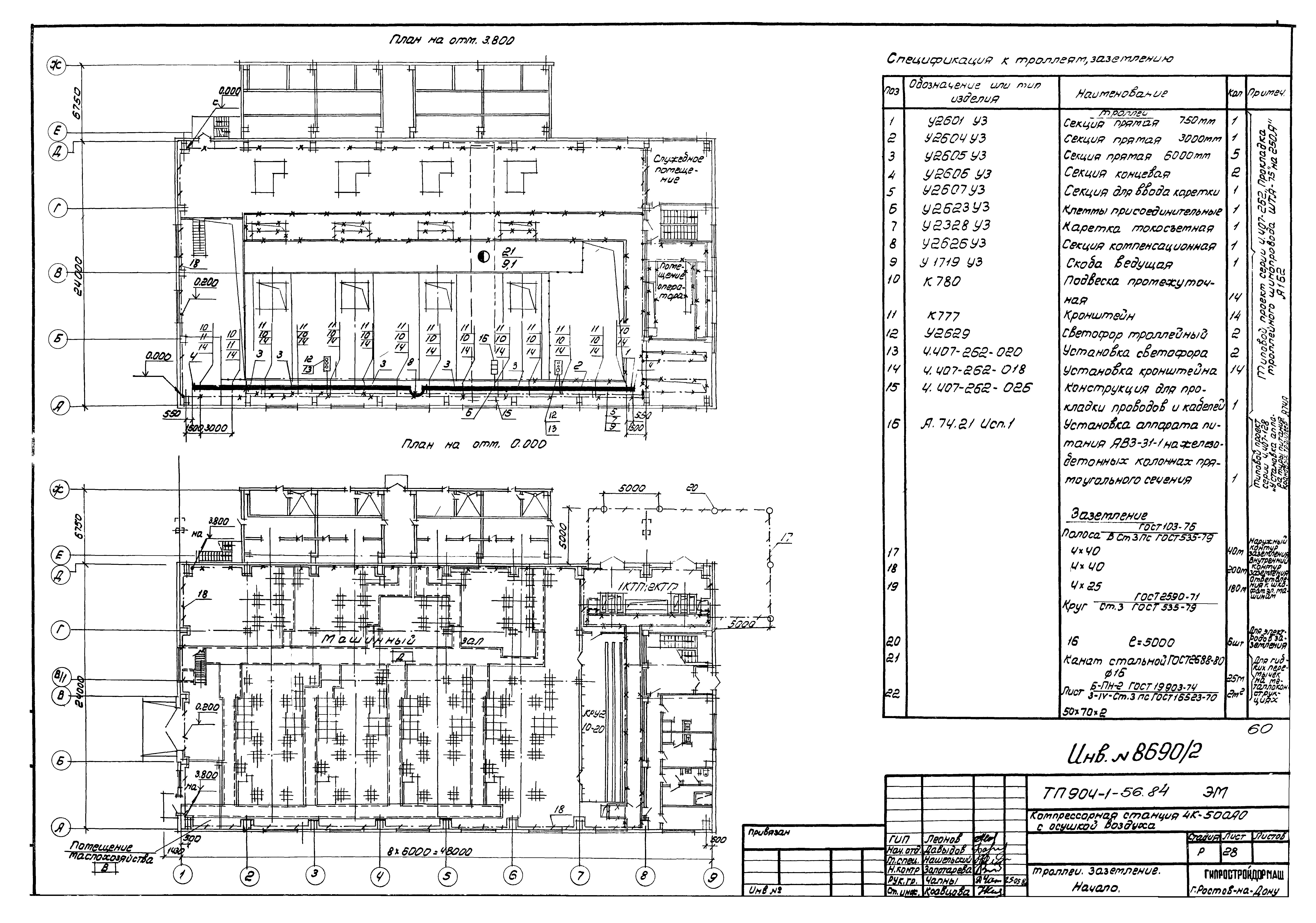
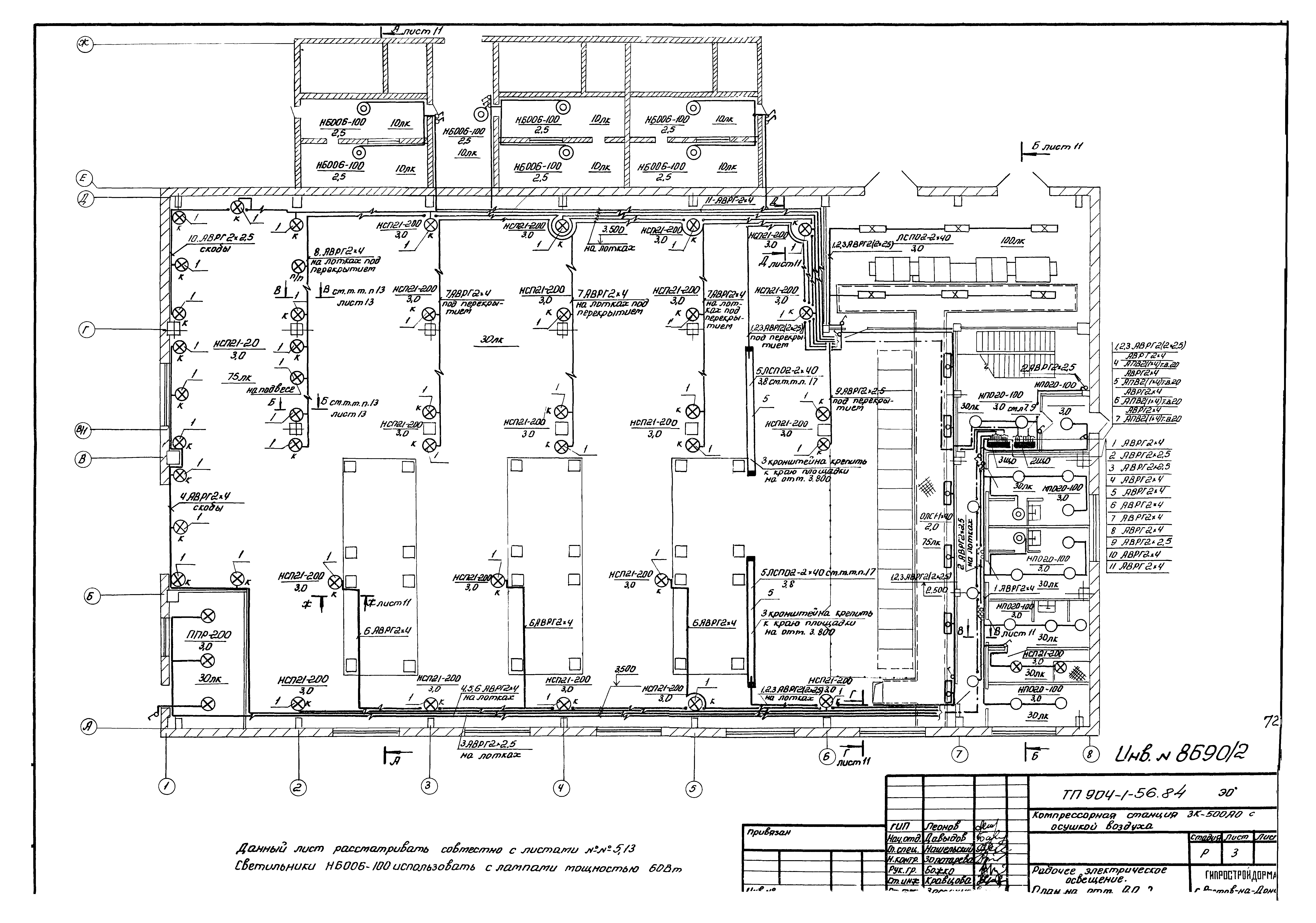
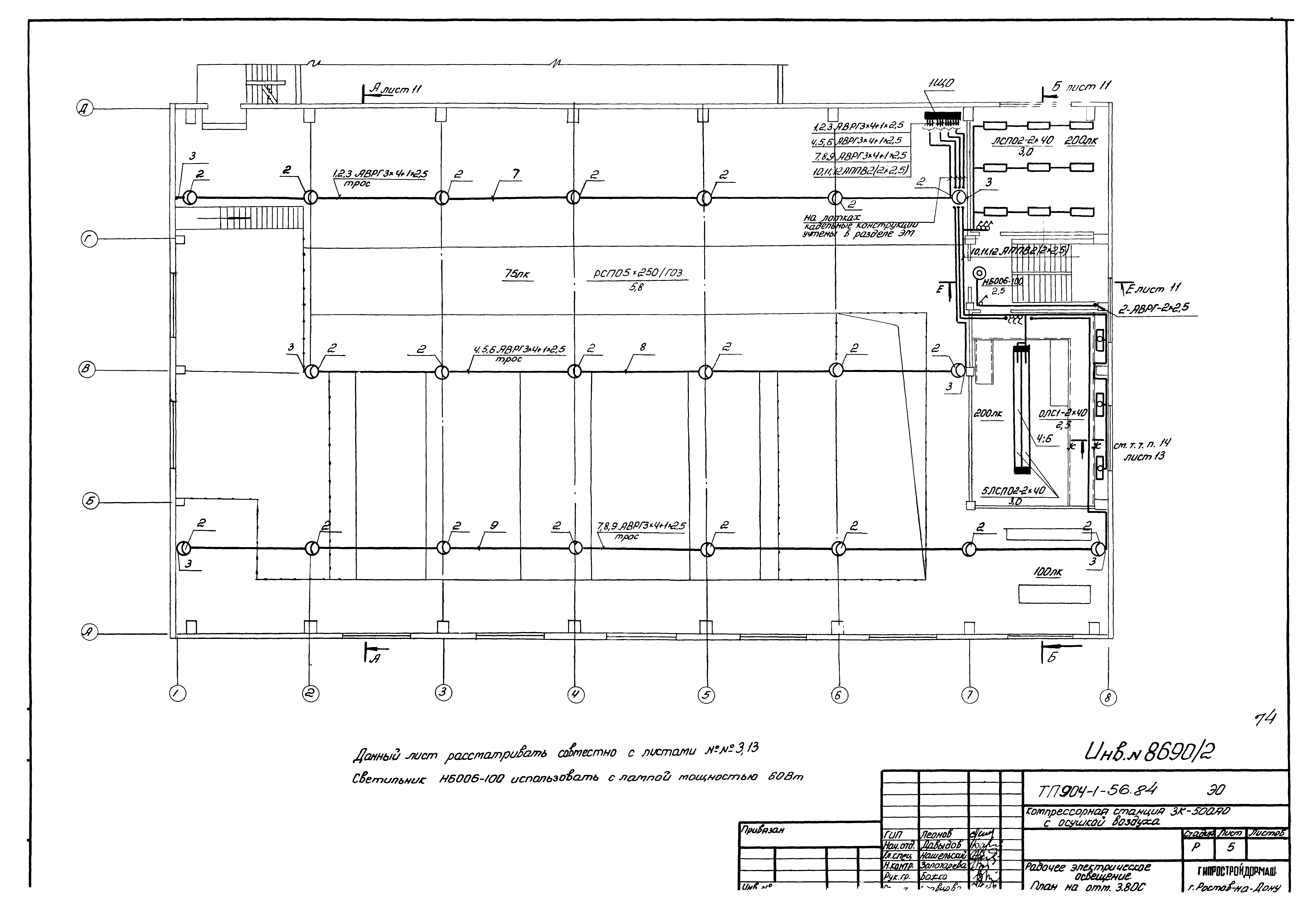
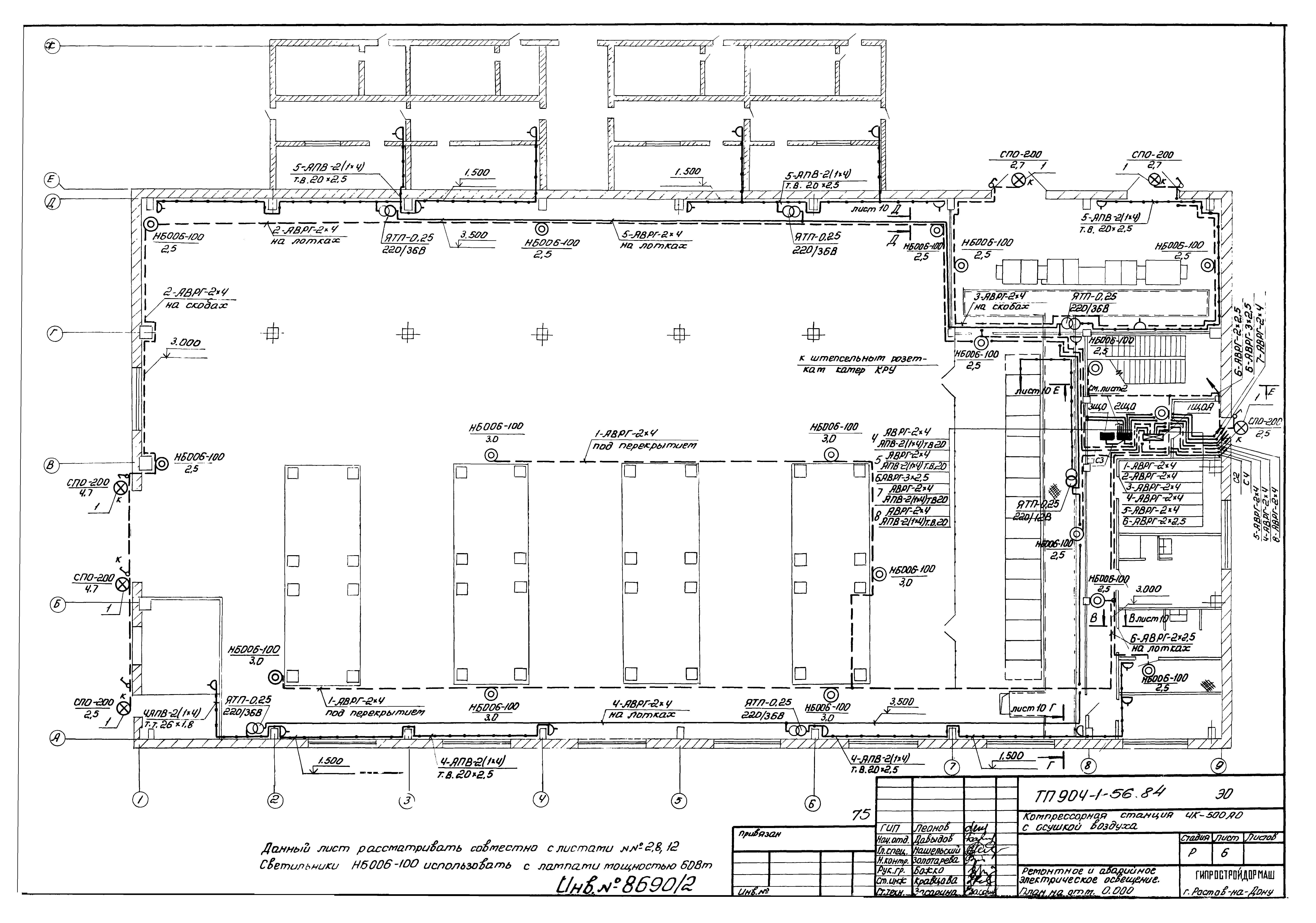
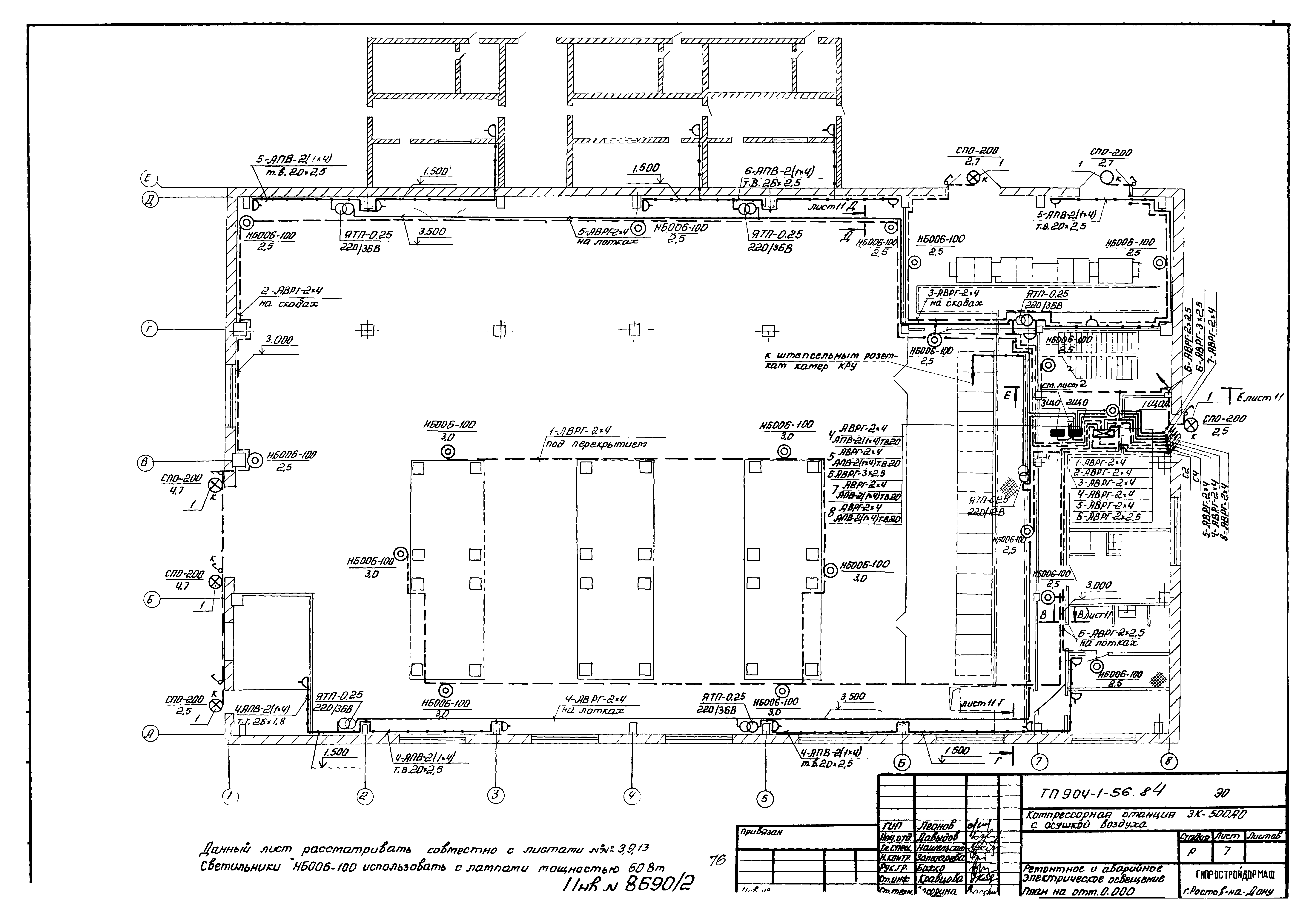
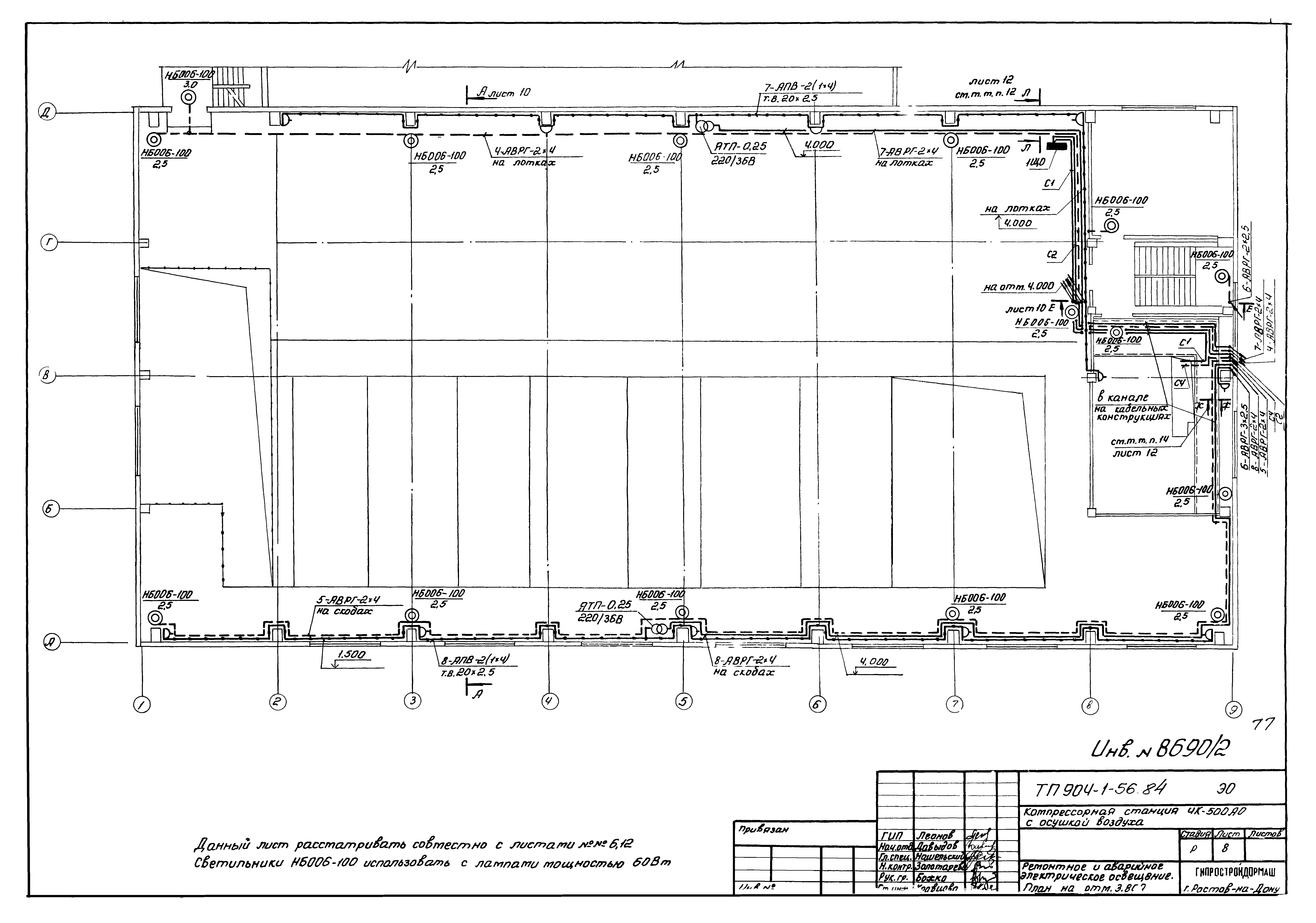
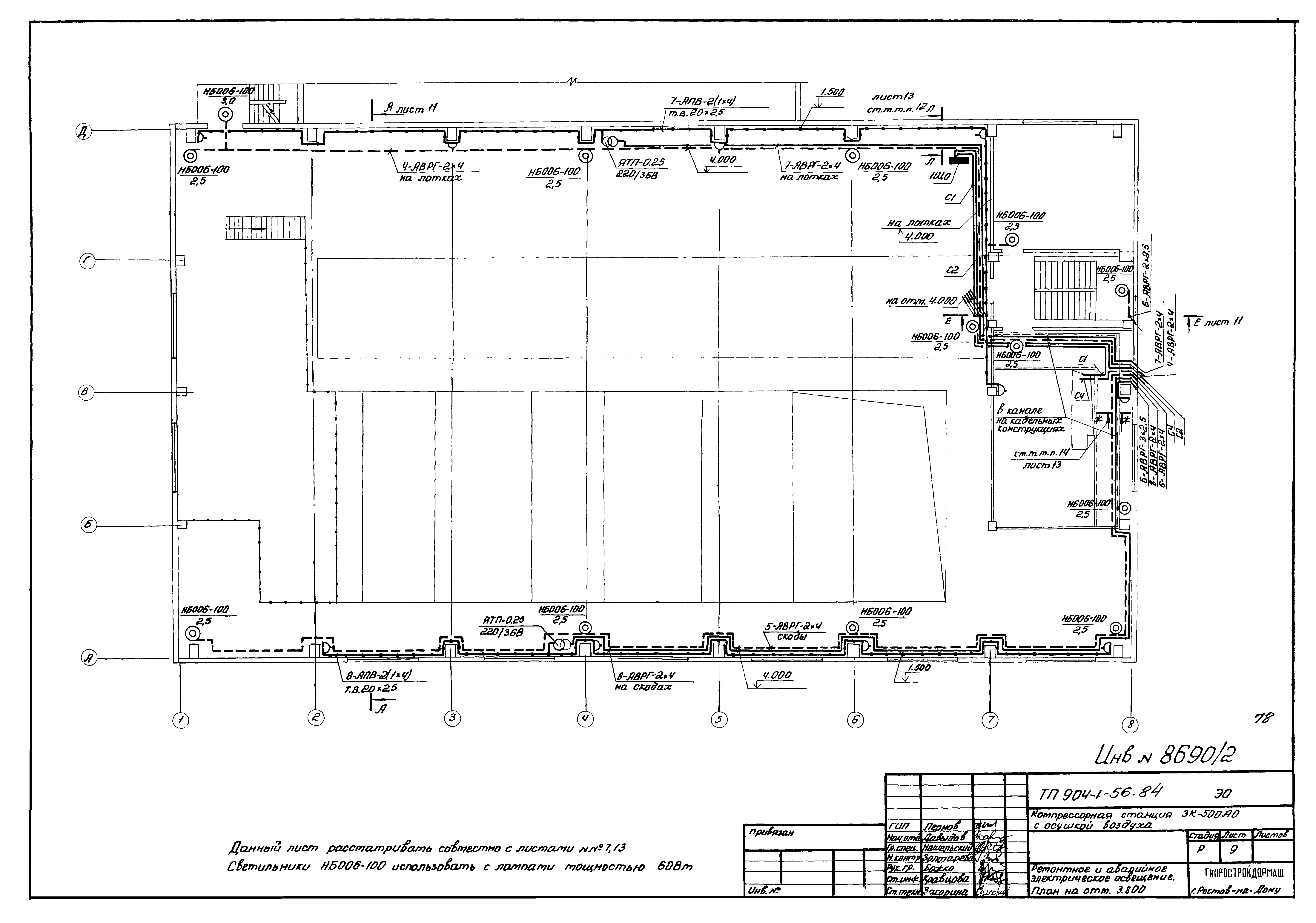
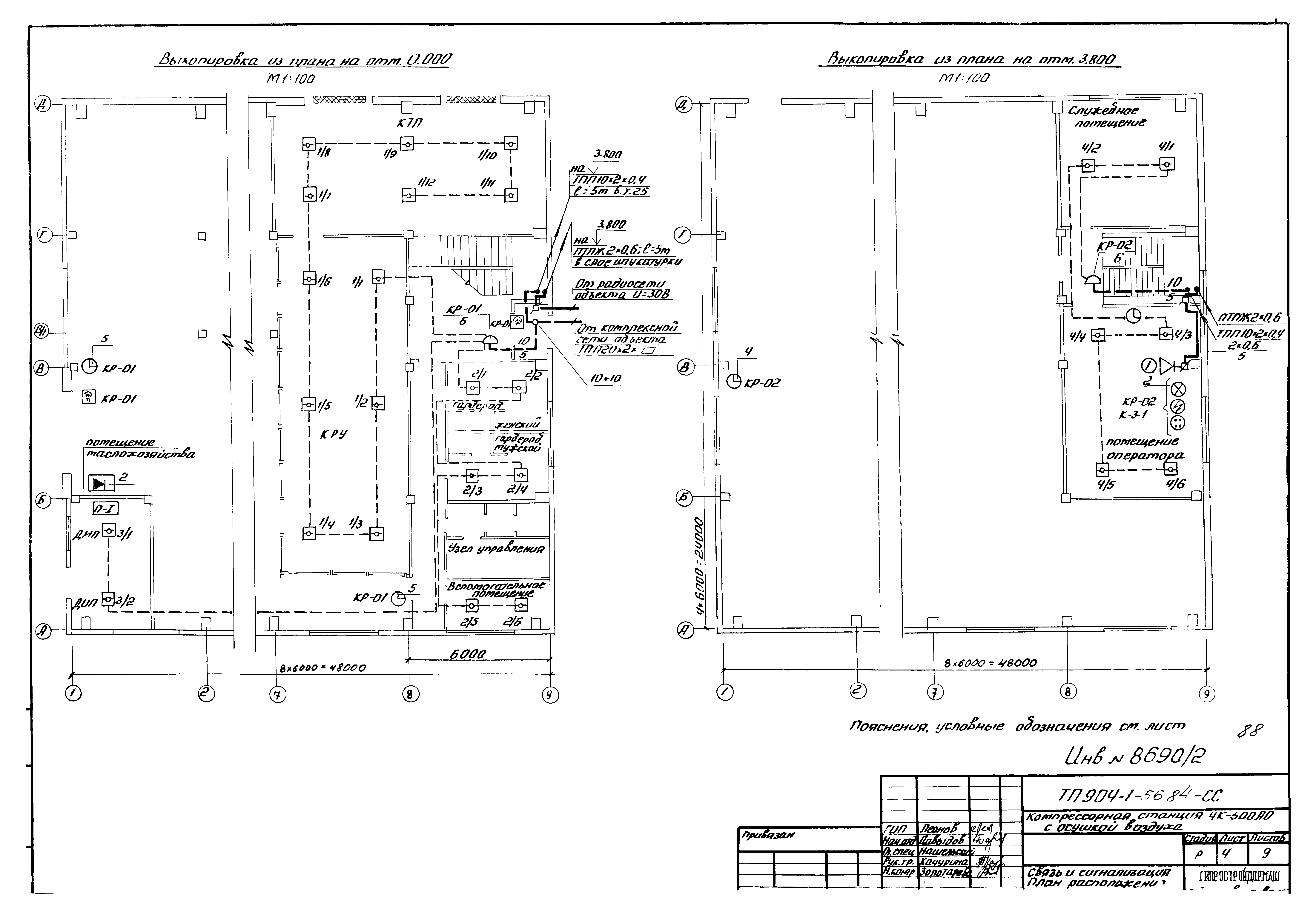
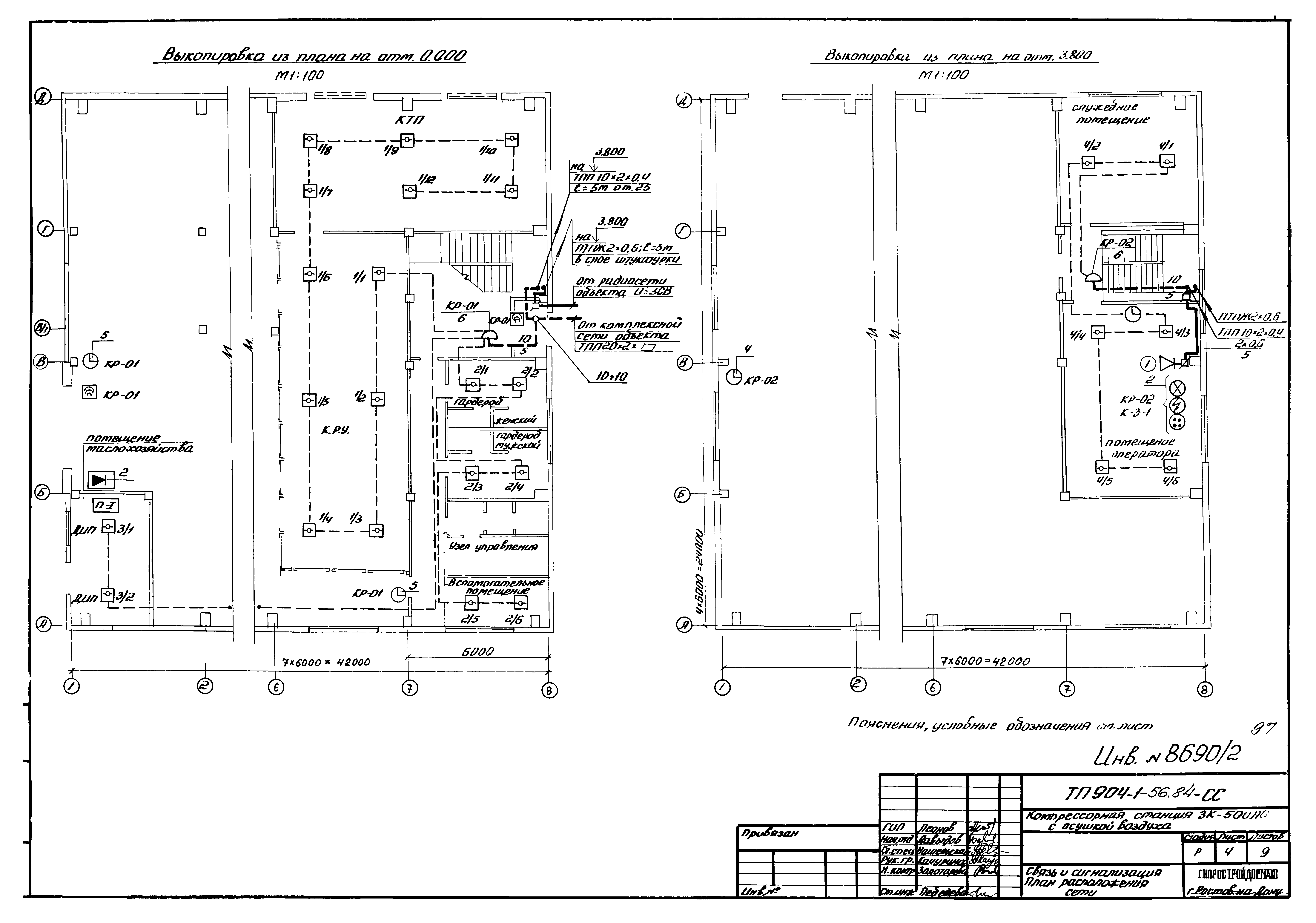
| Оглавление: | ТП 904-1-56.84 Титульный лист ТП 904-1-56.84 Содержание альбома ТП 904-1-56.84-ЭС-1 Общие данные ТП 904-1-56.84-ЭС-2 Размещение электрооборудования. Элементы планов на отм. 0.000 и 3.800 ТП 904-1-56.84-ЭС-3 Размещение электрооборудования. Элементы планов на отм. 0.000 и 3.800 ТП 904-1-56.84-ЭС-4 Прокладка кабелей на отм. 0.000. Элементы плана ТП 904-1-56.84-ЭС-5 Прокладка кабелей на отм. 0.000. Элементы плана ТП 904-1-56.84-ЭС-6-7 Распредустройство 6(10)кВ. Принципиальная однолинейная схема ТП 904-1-56.84-ЭС-8-9 Распредустройство 6(10)кВ. Принципиальная однолинейная схема ТП 904-1-56.84-ЭС-10-11 Схема электрическая принципиальная камер синхронного электродвигателя ТП 904-1-56.84-ЭС-12 Схема электрическая принципиальная камер 6(12) ввода 1(2). Начало ТП 904-1-56.84-ЭС-13 Схема электрическая принципиальная камеры 8 секционного выключателя. Начало ТП 904-1-56.84-ЭС-14 Схема электрическая принципиальная камер 6(12) ввода 1(2). Окончание ТП 904-1-56.84-ЭС-15 Схема электрическая принципиальная камеры 8 секционного выключателя. Окончание ТП 904-1-56.84-ЭС-16 Схема электрическая принципиальная камеры 5 трансформатора оперативных цепей 1. Начало ТП 904-1-56.84-ЭС-17 Схема электрическая принципиальная камер 7(10) трансформатора напряжения. Начало ТП 904-1-56.84-ЭС-18 Схема электрическая принципиальная камеры 5 трансформатора оперативных цепей 1. Окончание ТП 904-1-56.84-ЭС-19 Схема электрическая принципиальная камер 7(10) трансформатора напряжения. Окончание ТП 904-1-56.84-ЭС-20 Схема электрическая принципиальная камеры 9 секционного разъединителя ТП 904-1-56.84-ЭС-21 Цепи оперативной блокировки ТП 904-1-56.84-ЭС-22-23 Схема электрическая принципиальная камеры трансформатора ТП 904-1-56.84-ЭС-24 Дооборудование камеры 9 секционного разъединителя. Схема соединений ТП 904-1-56.84-ЭС-25 Дооборудование камер синхронного электродвигателя. Схема соединений ТП 904-1-56.84-ЭС-26 Камеры КРУ2,3,4. Схема подключений ТП 904-1-56.84-ЭС-27 Камеры КРУ3,4. Схема подключений ТП 904-1-56.84-ЭС-28 Камеры КРУ5,6,7,8. Схема подключения ТП 904-1-56.84-ЭС-29 Камеры КРУ9,10,11,12. Схема подключения ТП 904-1-56.84-ЭС-30 Камеры КРУ13,14,15. Схема подключения ТП 904-1-56.84-ЭС-31 Расчет релейных защит ТП 904-1-56.84-ЭС-32 Опросный лист для заказа камер КРУ2-10-20 ТП 904-1-56.84-ЭС-33 Опросный лист для заказа камер КРУ2-10-20 ТП 904-1-56.84-ЭМ Силовое электрооборудование ТП 904-1-56.84-ЭМ-1-2 Общие данные ТП 904-1-56.84-ЭМ-3-4 Технические данные электроприемников ТП 904-1-56.84-ЭМ-5 Прокладка кабелей на отм. 3.800. План ТП 904-1-56.84-ЭМ-6 Прокладка кабелей на отм. 3.800. План ТП 904-1-56.84-ЭМ-7 Прокладка кабелей одного компрессорного агрегата ТП 904-1-56.84-ЭМ-8 Маслохозяйство. Распределительная сеть 380 В. План ТП 904-1-56.84-ЭМ-9 Прокладка кабелей. Разрезы ТП 904-1-56.84-ЭМ-10 Прокладка кабелей. Разрезы ТП 904-1-56.84-ЭМ-11-14 Кабельный журнал ТП 904-1-56.84-ЭМ-15-18 Кабельный журнал ТП 904-1-56.84-ЭМ-19 Шкаф управления 1ШУ турбокомпрессорным агрегатом. Расчетная схема ТП 904-1-56.84-ЭМ-20-21 Шкаф управления вспомприводами. Расчетная схема ТП 904-1-56.84-ЭМ-22 Комплектная трансформаторная подстанция 1КТП. Принципиальная однолинейная схема ТП 904-1-56.84-ЭМ-23 Комплектная трансформаторная подстанция 2КТП. Принципиальная однолинейная схема ТП 904-1-56.84-ЭМ-24 Схема подключения контрольных цепей шкафа тиристорного возбудительного устройства ТП 904-1-56.84-ЭМ-25 Схема подключения силовых цепей привода компрессорного агрегата ТП 904-1-56.84-ЭМ-26 Шкаф управления турбокомпрессорным агрегатом 1ШУ(2ШУ,3ШУ,4ШУ,5ШУ,6ШУ). Схема подключения силовых цепей ТП 904-1-56.84-ЭМ-27 Шкаф управления турбокомпрессорным агрегатом 1ШУ(2ШУ,3ШУ,4ШУ). Схема подключения силовых цепей ТП 904-1-56.84-ЭМ-28 Заземление. Троллеи. Начало ТП 904-1-56.84-ЭМ-29 Заземление. Троллеи. Начало ТП 904-1-56.84-ЭМ-30 Заземление. Троллеи. Окончание ТП 904-1-56.84-ЭМ-31 Установка осушки воздуха. Схема электрическая подключения ТП 904-1-56.84-ЭМ-32 Комплектная трансформаторная подстанция 1КТП-1х630. Опросный лист ТП 904-1-56.84-ЭМ-33 Комплектная трансформаторная подстанция 2КТП-1х630. Опросный лист ТП 904-1-56.84-ЭМ-34 Ведомость потребности в кабелях и проводах с использованием меди ТП 904-1-56.84-ЭМ-35 Ведомость потребности в кабелях и проводах с использованием меди ТП 904-1-56.84-ЭМ-36-37 Ведомость объемов строительных и монтажных работ ТП 904-1-56.84-ЭМ-38-39 Ведомость объемов строительных и монтажных работ ТП 904-1-56.84-ЭО Электроосвещение ТП 904-1-56.84-ЭО-1 Общие данные ТП 904-1-56.84-ЭО-2 Рабочее электрическое освещение. План на отм. 0.000 ТП 904-1-56.84-ЭО-3 Рабочее электрическое освещение. План на отм. 0.000 ТП 904-1-56.84-ЭО-4 Рабочее электрическое освещение. План на отм. 3.800 ТП 904-1-56.84-ЭО-5 Рабочее электрическое освещение. План на отм. 3.800 ТП 904-1-56.84-ЭО-6 Ремонтное и аварийное электрическое освещение. План на отм. 0.000 ТП 904-1-56.84-ЭО-7 Ремонтное и аварийное электрическое освещение. План на отм. 0.000 ТП 904-1-56.84-ЭО-8 Ремонтное и аварийное электрическое освещение. План на отм. 3.800 ТП 904-1-56.84-ЭО-9 Ремонтное и аварийное электрическое освещение. План на отм. 3.800 ТП 904-1-56.84-ЭО-10 Электрическое освещение. Разрезы ТП 904-1-56.84-ЭО-11 Электрическое освещение. Разрезы ТП 904-1-56.84-ЭО-12 Электрическое освещение. Питательная сеть 380 В. Принципиальная однолинейная схема ТП 904-1-56.84-ЭО-13 Электрическое освещение. Питательная сеть 380 В. Принципиальная однолинейная схема ТП 904-1-56.84-ЭО-14 Ведомость объемов монтажных работ ТП 904-1-56.84-ЭО-15 Ведомость объемов монтажных работ ТП 904-1-56.84-СС Связь и сигнализация ТП 904-1-56.84-СС-1-3 Общие данные ТП 904-1-56.84-СС-4 План расположения сети ТП 904-1-56.84-СС-5 Схема расположения сетей ТП 904-1-56.84-СС-6 Схема расположения сети пожарно-охранной сигнализации ТП 904-1-56.84-СС-7 Ведомость объемов монтажных работ ТП 904-1-56.84-СС Вызывная сигнализация ТП 904-1-56.84-СС-8 План расположения сети ТП 904-1-56.84-СС-9 Схема вызывной сигнализации ТП 904-1-56.84-СС-7 Ведомость объемов монтажных работ ТП 904-1-56.84-СС Связь и сигнализация ТП 904-1-56.84-СС-1-3 Общие данные ТП 904-1-56.84-СС-4 План расположения сети ТП 904-1-56.84-СС-5 Схемы расположения сети ТП 904-1-56.84-СС-6 Схемы расположения сети пожарно-охранной сигнализации ТП 904-1-56.84-СС-7 Ведомость объемов монтажных работ ТП 904-1-56.84-СС Вызывная сигнализация ТП 904-1-56.84-СС-8 План расположения сети ТП 904-1-56.84-СС-9 Схема вызывной сигнализации ТП 904-1-56.84-СС-7 Ведомость объемов монтажных работ |
| Разработан: | Гипростройдормаш |
| Утверждён: | 01.11.1983 Минстройдормаш (Minstroydormash 20/83) |







































































































