Скачать Типовой проект 904-1-56.84 Альбом 5. Автоматизация и КИП. Задание заводу-изготовителю для 3 компрессоровДата актуализации: 01.01.2021
|
| Обозначение: | Типовой проект 904-1-56.84 |
| Обозначение англ: | 904-1-56.84 |
| Статус: | действует |
| Название рус.: | Альбом 5. Автоматизация и КИП. Задание заводу-изготовителю для 3 компрессоров |
| Дата добавления в базу: | 01.09.2013 |
| Дата актуализации: | 01.01.2021 |
| Дата введения: | 30.12.1983 |
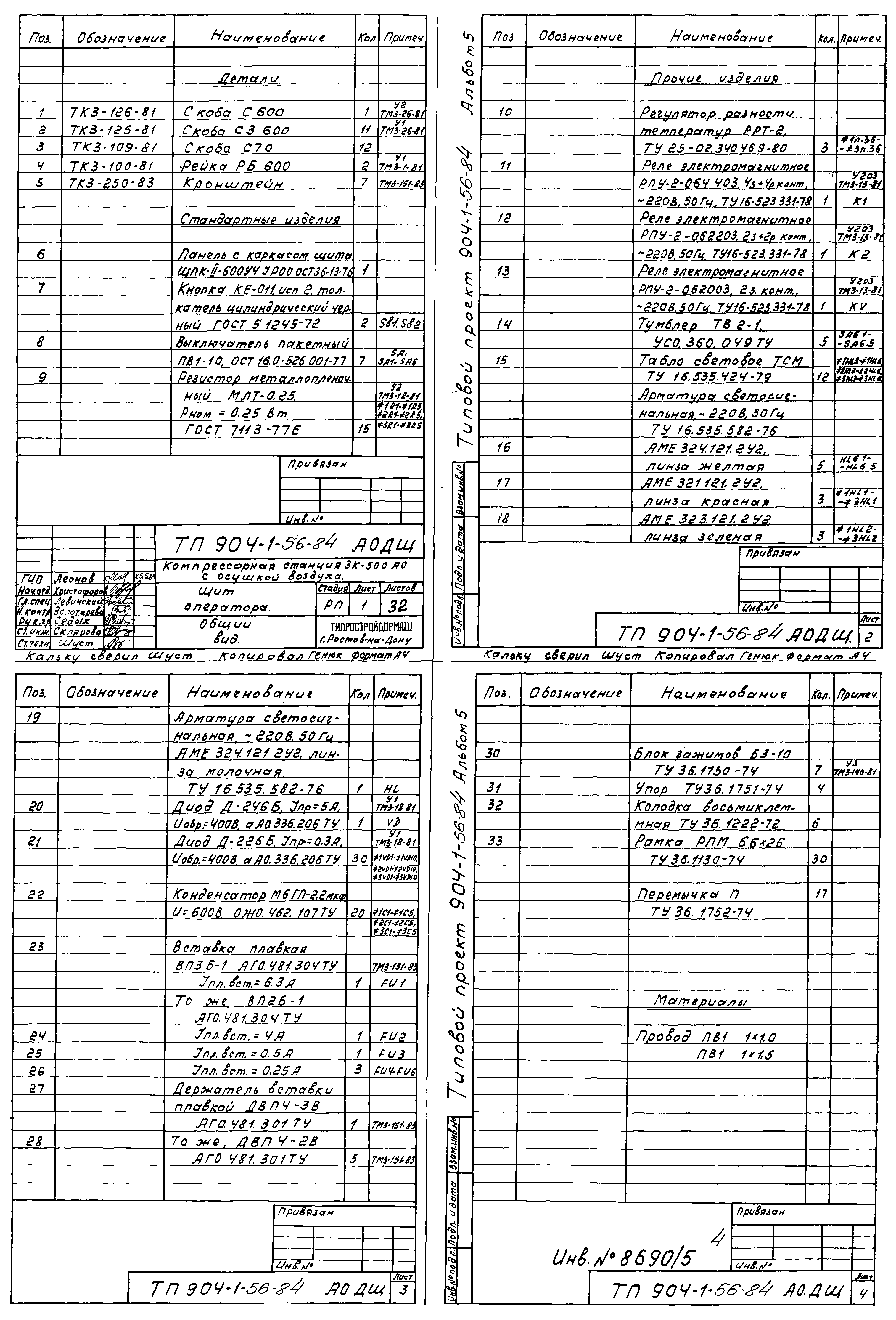
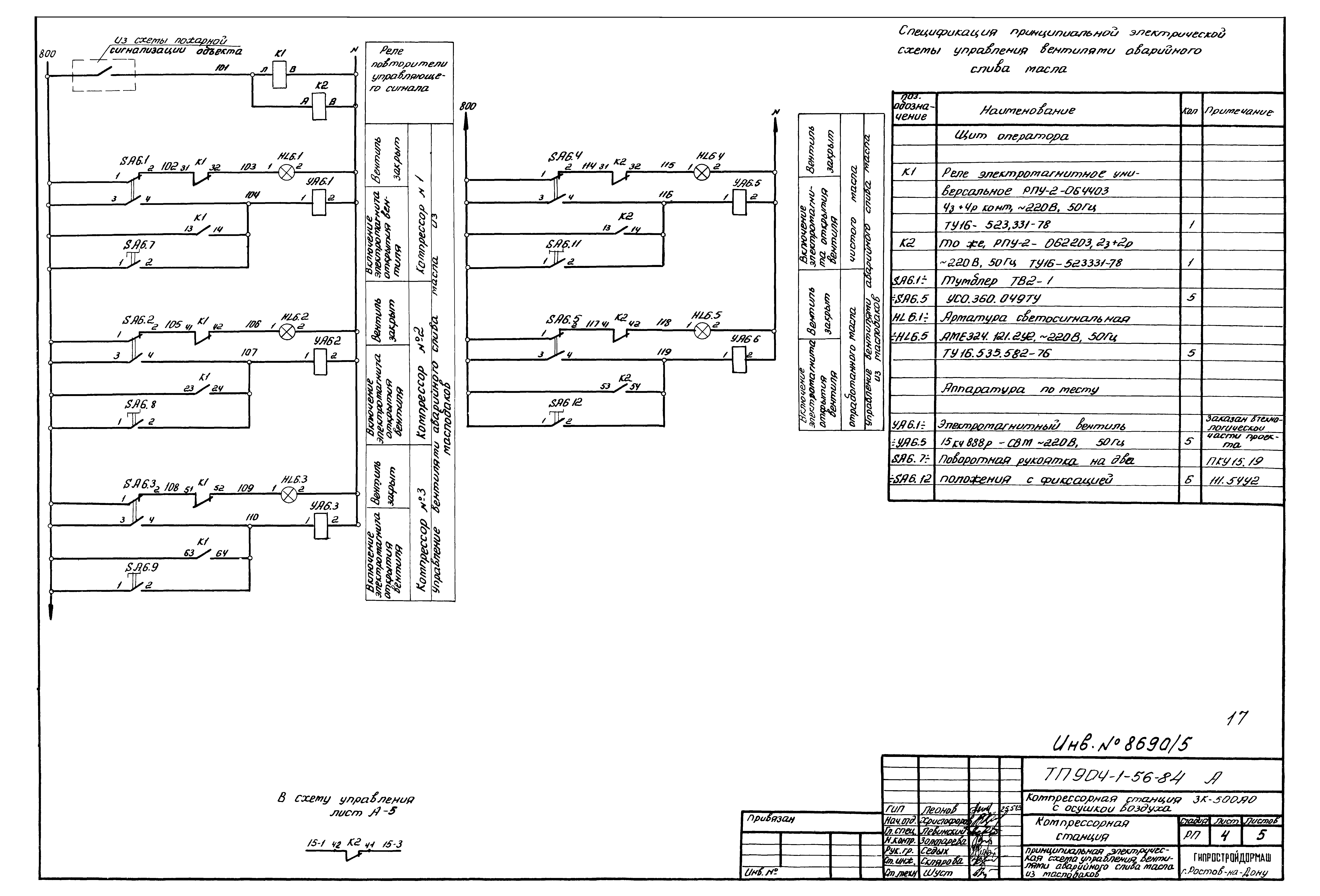
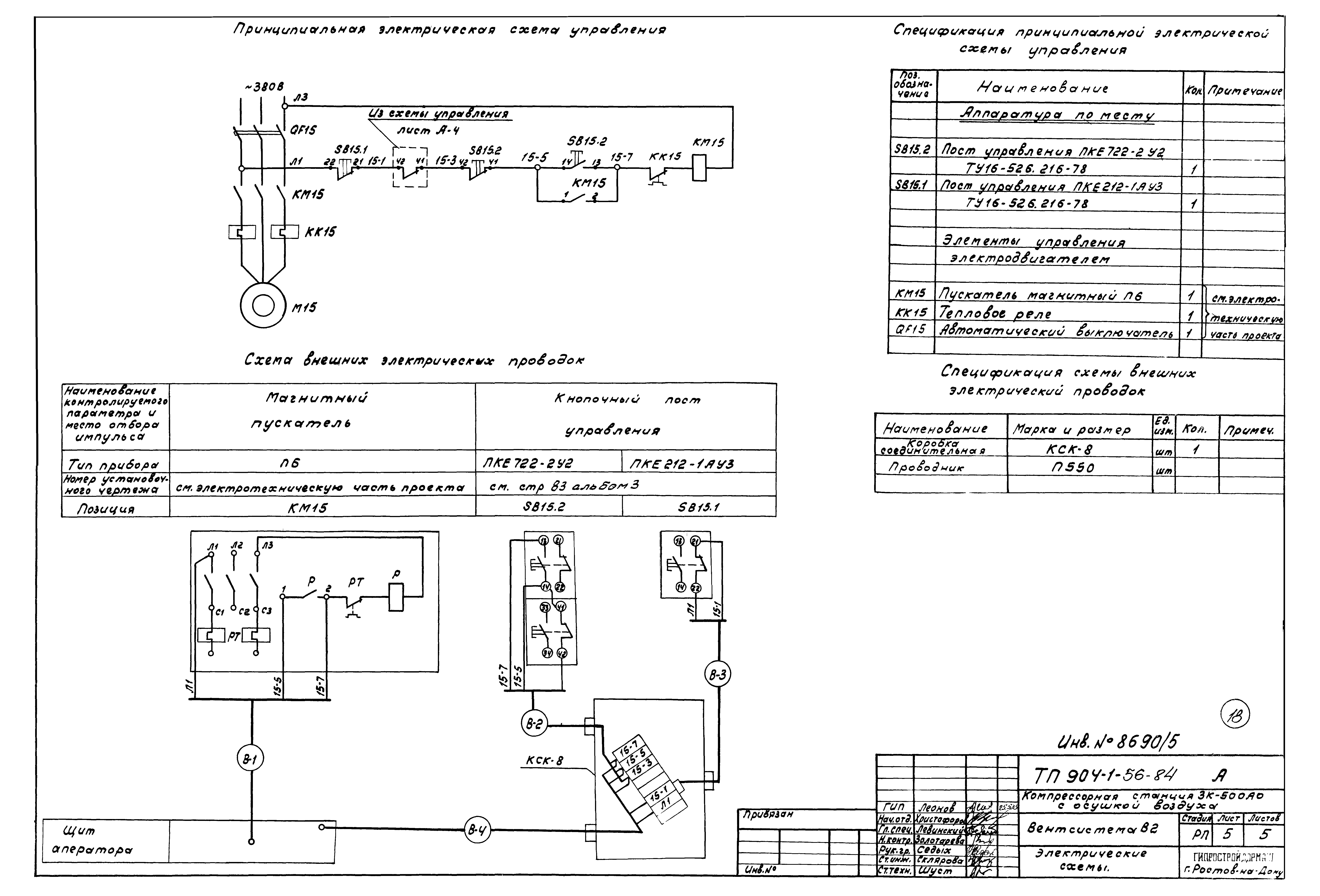
| Оглавление: | ТП 904-1-56.84 Содержание альбома ТП 904-1-56.84-АО.ДЩ Указание к решению выпуска ТП 904-1-56.84-АО.ДЩ Щит оператора ТП 904-1-56.84-А-1 Компрессорная станция. Принципиальная электрическая схема питания ТП 904-1-56.84-А-2 Компрессорная станция. Принципиальная электрическая схема сигнализации ТП 904-1-56.84-А-3 Установка осушки. Принципиальная электрическая схема сигнализации ТП 904-1-56.84-А-4 Компрессорная станция. Принципиальная электрическая схема управления вентиляции аварийного слива масла из маслобаков ТП 904-1-56.84-А-5 Вентсистема 2. Электрические схемы |
| Разработан: | Гипростройдормаш |
| Утверждён: | 01.11.1983 Минстройдормаш (Minstroydormash 20/83) |



















