Скачать Типовой проект 904-1-56.84 Альбом 8. Строительные конструкции и изделияДата актуализации: 01.01.2021
|
| Обозначение: | Типовой проект 904-1-56.84 |
| Обозначение англ: | 904-1-56.84 |
| Статус: | действует |
| Название рус.: | Альбом 8. Строительные конструкции и изделия |
| Дата добавления в базу: | 01.09.2013 |
| Дата актуализации: | 01.01.2021 |
| Дата введения: | 30.12.1983 |
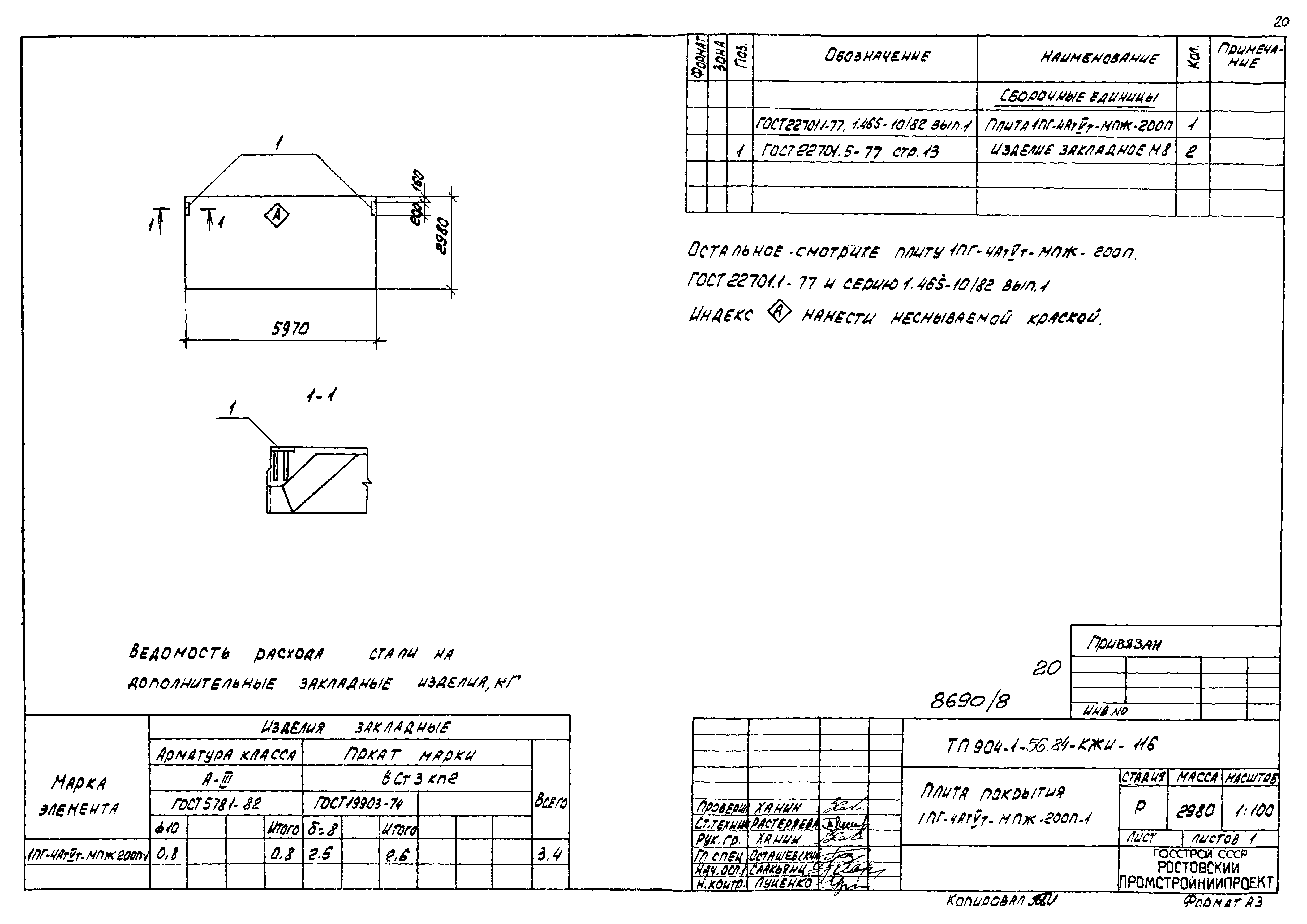
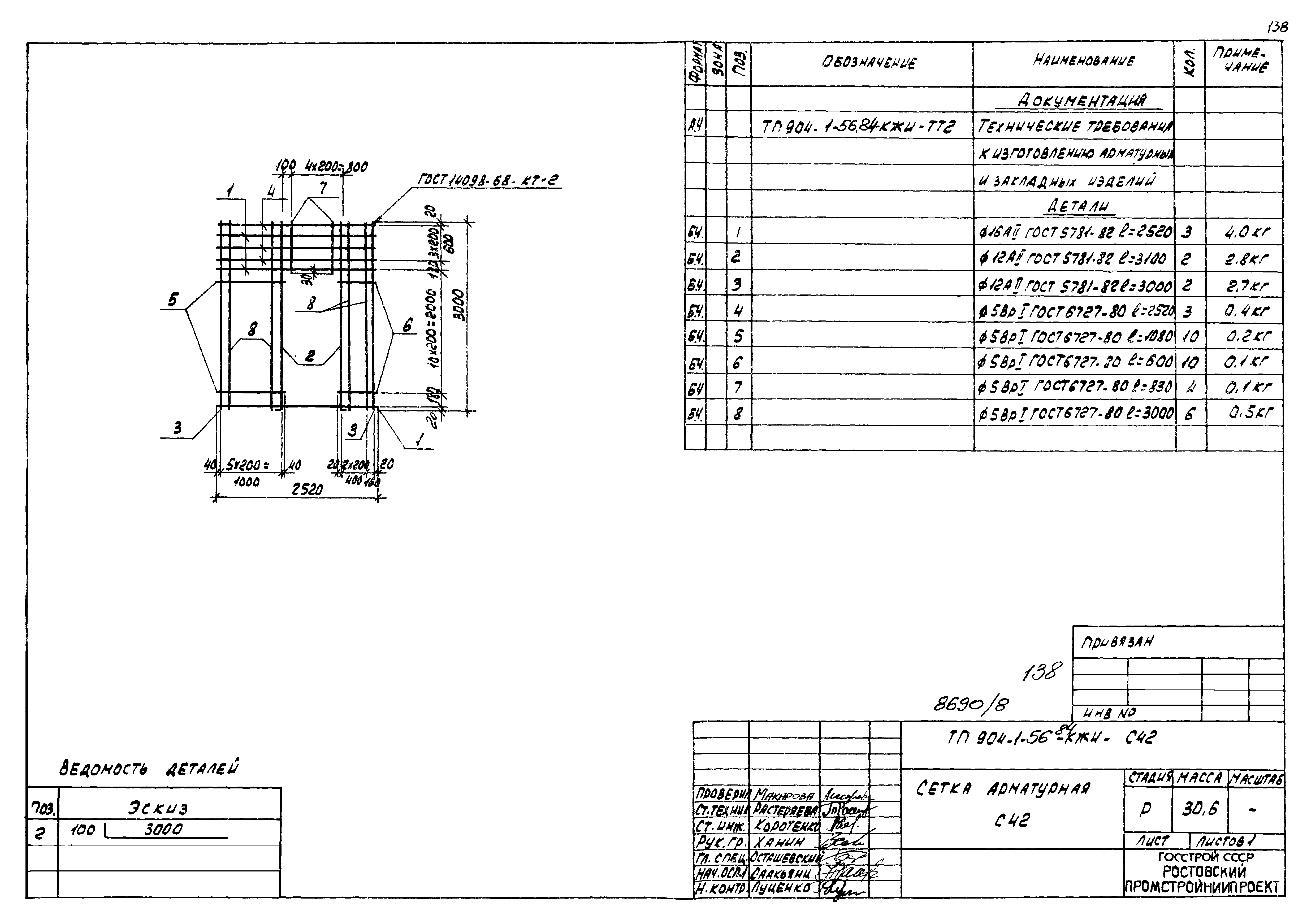
| Оглавление: | ТП 904-1-56.84-КЖИ-ТТ1 Технические требования к изготовлению сборных железобетонных изделий ТП 904-1-56.84-КЖИ-ТТ2 Технические требования к изготовлению арматурных и закладных изделий ТП 904-1-56.84-КЖИ-101 Панель перекрытия ПРС56.15.10АТVТ-1 ТП 904-1-56.84-КЖИ-102 Панель перекрытия (ПРС56.15.10АТVТ-2,ПРС56.15.10АТVТ-3) ТП 904-1-56.84-КЖИ-103 Панель перекрытия ПРС56.15.10АТVТ-2 ТП 904-1-56.84-КЖИ-104 Панель перекрытия (ПРС56.15.10АТVТ-6,ПРС56.15.10АТVТ-7) ТП 904-1-56.84-КЖИ-105 Панель перекрытия ПРС56.15.10АТVТ-3 ТП 904-1-56.84-КЖИ-106 Панель перекрытия ПРС56.15.16АТVТ-1 ТП 904-1-56.84-КЖИ-107 Панель перекрытия ПРС56.15.16АТVТ-2 ТП 904-1-56.84-КЖИ-108 Панель перекрытия ПРС56.15.16АТVТ-3 ТП 904-1-56.84-КЖИ-109 Панель перекрытия ПРС56.15.16АТVТ-4 ТП 904-1-56.84-КЖИ-110 Панель перекрытия ПРС56.15.16АТVТ-5 ТП 904-1-56.84-КЖИ-111 Панель перекрытия (ПРС56.15.16АТVТ-6,ПРС56.15.16АТVТ-7,ПРС56.15.16АТVТ-8,ПРС56.15.16АТVТ-9) ТП 904-1-56.84-КЖИ-112 Панель перекрытия ПРС56.15.10АТVТ-5 ТП 904-1-56.84-КЖИ-113 Плита покрытия (1ПГ-2АТVТ-МПЖ-200П-1,1ПГ-3АТVТ-МПЖ-200П-1,1ПГ-2АТVТ-МПЖ-200П-2,1ПГ-3АТVТ-МПЖ-200П-2,1ПГ-2АТVТ-МПЖ-200П-3,1ПГ-3АТVТ-МПЖ-200П-3) ТП 904-1-56.84-КЖИ-114 Плита покрытия (1ПВ10-2АТVТ-МПЖ-200П-1,1ПВ10-3АТVТ-МПЖ-200П-1,1ПВ4-2АТVТ-МПЖ-200П-1,1ПВ4-3АТVТ-МПЖ-200П-1,1ПВ4-2АТVТ-МПЖ-200П-2,1ПВ4-3АТVТ-МПЖ-200П-2) ТП 904-1-56.84-КЖИ-115 Плита покрытия (1ПВ14-2АТVТ-МПЖ-200П-1,1ПВ14-3АТVТ-МПЖ-200П-1) ТП 904-1-56.84-КЖИ-116 Плита покрытия 1ПГ-4АТVТ-МПЖ-200П-1 ТП 904-1-56.84-КЖИ-117 Плита покрытия (1ПГ-5АТVТ-МПЖ-200П-1,1ПГ-3АТVТ-МПЖ-200П-1,1ПГ-4АТVТ-МПЖ-200П-2) ТП 904-1-56.84-КЖИ-118 Плита (П14д-3-1,П5д-8-1,П7д-3-1,П23д-3-1) ТП 904-1-56.84-КЖИ-200 Ригель (1РДП4-57-51АТV-а,1РДП4-27-51АТV-а) ТП 904-1-56.84-КЖИ-201 Ригель (2РО4-60-30АТV-а,2РО4-62-30АТV-а) ТП 904-1-56.84-КЖИ-202 Ригель 2РО4-32-35-П-а ТП 904-1-56.84-КЖИ-211 Ригель Р1-1 ТП 904-1-56.84-КЖИ-203 Ригель Р1 ТП 904-1-56.84-КЖИ-204 Ригель 2РД4-60-51АТV-а ТП 904-1-56.84-КЖИ-205 Ригель (Р3,Р3-1) ТП 904-1-56.84-КЖИ-206 Ригель Р4 ТП 904-1-56.84-КЖИ-207 Ригель Р2 ТП 904-1-56.84-КЖИ-208 Ферма (ФБ24I-28-1,ФБ24I-38-1) ТП 904-1-56.84-КЖИ-209 Балка (1БСТ-2АТVТ-1,1БСТ6-4АТVТ-1,1БСТ6-5АТVТ-1,1БСТ6-7АТVТ-1) ТП 904-1-56.84-КЖИ-210 Балка подкрановая БКНВ6-1К-1 ТП 904-1-56.84-КЖИ-212 Ригель 2РДИ.60-51АТV-б ТП 904-1-56.84-КЖИ-300 Панель стеновая (ПС295.12.20-Я-а,ПС295.12.20-Я-б) ТП 904-1-56.84-КЖИ-301 Панель стеновая ПС295.12.20-Я-в ТП 904-1-56.84-КЖИ-302 Панель стеновая (ПС600.12.20-Я-3-1,ПС600.18.20-Я-3-1) ТП 904-1-56.84-КЖИ-303 Панель стеновая (ПС145.12.20А-Я-1,ПС145.12.20А-Я-2,ПС145.18.20А-Я-1) ТП 904-1-56.84-КЖИ-304 Панель стеновая ПС625.9.20-Я-22-1 ТП 904-1-56.84-КЖИ-305 Панель стеновая ПС625.9.20-Я-21-1 ТП 904-1-56.84-КЖИ-306 Панель стеновая ПС600.18.20-Я-1-1 ТП 904-1-56.84-КЖИ-307 Панель стеновая ПС600.18.20-Я-1-2 ТП 904-1-56.84-КЖИ-334 Панель ПП6-18/1.54х3.94-1 ТП 904-1-56.84-КЖИ-308 Панель стеновая ПС600.18.20-Я-1-3 ТП 904-1-56.84-КЖИ-309 Панель стеновая ПС600.18.20-Я-1-4 ТП 904-1-56.84-КЖИ-310 Панель стеновая ПС600.18.20-Я-1-5 ТП 904-1-56.84-КЖИ-311 Панель стеновая (ПС600.18.20-Я-3-2,ПС600.18.20-Я-3-3,ПС600.18.20-Я-3-5) ТП 904-1-56.84-КЖИ-312 Панель стеновая (ПС600.12.20-Я-3-2,ПС600.12.20-Я-3-3) ТП 904-1-56.84-КЖИ-313 Панель стеновая (ПС600.12.20-Я-1-1,ПС600.12.20-Я-1-2,ПС600.18.20-Я-1-6,ПС600.12.20-Я-7-1) ТП 904-1-56.84-КЖИ-314 Панель стеновая (ПС600.18.20-Я-3-4,ПС625.18.20-Я-22-1) ТП 904-1-56.84-КЖИ-315 Панель стеновая (ПС1,ПС2) ТП 904-1-56.84-КЖИ-316 Панель стеновая (ПС3,ПС15) ТП 904-1-56.84-КЖИ-317 Панель стеновая (ПС4,ПС9) ТП 904-1-56.84-КЖИ-318 Панель стеновая (ПС5,ПС7) ТП 904-1-56.84-КЖИ-319 Панель стеновая (ПС6,ПС8) ТП 904-1-56.84-КЖИ-320 Панель стеновая ПС10 ТП 904-1-56.84-КЖИ-321 Панель стеновая (ПС11,ПС12,ПС18) ТП 904-1-56.84-КЖИ-322 Панель стеновая (ПС13,ПС14) ТП 904-1-56.84-КЖИ-323 Панель стеновая (ПС16,ПС17) ТП 904-1-56.84-КЖИ-324 Панель стеновая (ПС19,ПС20) ТП 904-1-56.84-КЖИ-325 Карнизная панель ПК1 ТП 904-1-56.84-КЖИ-326 Панель ПГ1 ТП 904-1-56.84-КЖИ-327 Панель ПГ2 ТП 904-1-56.84-КЖИ-328 Панель (ПГ3,ПГ15) ТП 904-1-56.84-КЖИ-329 Панель (ПГ7,ПГ9,ПГ10,ПГ17) ТП 904-1-56.84-КЖИ-330 Панель ПГ4 ТП 904-1-56.84-КЖИ-331 Панель (ПГ5,ПГ11,ПГ13,ПГ14) ТП 904-1-56.84-КЖИ-332 Панель (ПГ6,ПГ8) ТП 904-1-56.84-КЖИ-333 Панель ПГ12 ТП 904-1-56.84-КЖИ-335 Панель ПГ16 ТП 904-1-56.84-КЖИ-336 Панель стеновая ПС600.12.20-Я-3-4 ТП 904-1-56.84-КЖИ-337 Панель ППБ-1/5.98х2.985-1 ТП 904-1-56.84-КЖИ-338 Панель ППБ-4/5.98х1.185-1 ТП 904-1-56.84-КЖИ-339 Панель ПГ18 ТП 904-1-56.84-КЖИ-340 Панель ПГ19 ТП 904-1-56.84-КЖИ-341 Панель ПГ18-1 ТП 904-1-56.84-КЖИ-342 Панель ПГ18-2 ТП 904-1-56.84-КЖИ-343 Панель ППБ-1/5.98-2-9.85-2 ТП 904-1-56.84-КЖИ-344 Панель ППБ-1/5.98-2-9.85-3 ТП 904-1-56.84-КЖИ-345 Панель ПГ20 ТП 904-1-56.84-КЖИ-346 Панель ПГ20-1 ТП 904-1-56.84-КЖИ-347 Панель (ПГ21,ПГ21-1,ПГ21-2) ТП 904-1-56.84-КЖИ-348 Панель (ПГ19-1,ПГ19-2) ТП 904-1-56.84-КЖИ-К1 Колонна (К1,К1-1-К1-7) ТП 904-1-56.84-КЖИ-К1СБ Колонна (К1,К1-1-К1-7). Сборочный чертеж ТП 904-1-56.84-КЖИ-К2 Колонна К2 ТП 904-1-56.84-КЖИ-К3 Колонна К3 ТП 904-1-56.84-КЖИ-К3-1 Колонна К3-1 ТП 904-1-56.84-КЖИ-К4 Колонна К4 ТП 904-1-56.84-КЖИ-К5 Колонна К5 ТП 904-1-56.84-КЖИ-К6 Колонна (К6,К6-1,К6-2,К6-3,К6-4,К6-5,К6-6) ТП 904-1-56.84-КЖИ-К13-1 Колонна К13-1 ТП 904-1-56.84-КЖИ-К13-2 Колонна К13-2 ТП 904-1-56.84-КЖИ-К13-3 Колонна К13-3 ТП 904-1-56.84-КЖИ-К54-5-1 Колонна К54-5-1 ТП 904-1-56.84-КЖИ-К54-5-2 Колонна К54-5-2 ТП 904-1-56.84-КЖИ-К54-5-3 Колонна К54-5-3 ТП 904-1-56.84-КЖИ-К54-5-4 Колонна К54-5-4 ТП 904-1-56.84-КЖИ-ФБ1 Фундаментная балка (ФБ1,ФБ2,ФБ3,ФБ4) ТП 904-1-56.84-КЖИ-КС1 Стойка КС1 ТП 904-1-56.84-КЖИ-КС2 Стойка КС2 ТП 904-1-56.84-КЖИ-КП1 Каркас пространственный КП1 ТП 904-1-56.84-КЖИ-КП2 Каркас пространственный КП2 ТП 904-1-56.84-КЖИ-КП3 Каркас пространственный КП3 ТП 904-1-56.84-КЖИ-КП4 Каркас пространственный КП4 ТП 904-1-56.84-КЖИ-КП5 Каркас пространственный КП5 ТП 904-1-56.84-КЖИ-КП8 Каркас пространственный КП8 ТП 904-1-56.84-КЖИ-КП6 Каркас пространственный (КП6,КП7) ТП 904-1-56.84-КЖИ-КП9 Каркас пространственный КП9 ТП 904-1-56.84-КЖИ-КП10 Каркас пространственный КП10 ТП 904-1-56.84-КЖИ-КП11 Каркас пространственный КП11 ТП 904-1-56.84-КЖИ-КП16 Каркас пространственный КП16 ТП 904-1-56.84-КЖИ-КП12 Каркас пространственный (КП12,КП13,КП20,Кп21) ТП 904-1-56.84-КЖИ-КП14 Каркас пространственный КП14 ТП 904-1-56.84-КЖИ-КП15 Каркас пространственный КП15 ТП 904-1-56.84-КЖИ-КП17 Каркас пространственный (КП17,КП18) ТП 904-1-56.84-КЖИ-КП19 Каркас пространственный КП19 ТП 904-1-56.84-КЖИ-КР1 Каркас плоский КР1 ТП 904-1-56.84-КЖИ-КРН Каркас плоский КРН ТП 904-1-56.84-КЖИ-КР2Л Каркас плоский (КР2Л,КР2П,КР3Л,КР3П) ТП 904-1-56.84-КЖИ-КР5 Каркас плоский КР5 ТП 904-1-56.84-КЖИ-КР6 Каркас плоский (КР6,КР7) ТП 904-1-56.84-КЖИ-КР8 Каркас плоский КР8 ТП 904-1-56.84-КЖИ-КР17 Каркас плоский КР17 ТП 904-1-56.84-КЖИ-КР9 Каркас плоский (КР9,КР22,КР24) ТП 904-1-56.84-КЖИ-КР10 Каркас плоский (КР10,КР11,КР25,КР26) ТП 904-1-56.84-КЖИ-КР12 Каркас плоский (КР12,КР15) ТП 904-1-56.84-КЖИ-КР13 Каркас плоский (КР13,КР14,КР18,КР19,КР20) ТП 904-1-56.84-КЖИ-КР16 Каркас плоский (КР16,КР23) ТП 904-1-56.84-КЖИ-КР21 Каркас плоский КР21 ТП 904-1-56.84-КЖИ-С12 Сетка арматурная (С12,С13) ТП 904-1-56.84-КЖИ-С1 Сетка арматурная (С1-С8) ТП 904-1-56.84-КЖИ-С9 Сетка арматурная (С9,С10,С11) ТП 904-1-56.84-КЖИ-С14 Сетка арматурная С14 ТП 904-1-56.84-КЖИ-С15 Сетка арматурная С15 ТП 904-1-56.84-КЖИ-С16 Сетка арматурная С16 ТП 904-1-56.84-КЖИ-С17 Сетка арматурная (С17,С18) ТП 904-1-56.84-КЖИ-С19 Сетка арматурная С19 ТП 904-1-56.84-КЖИ-С20 Сетка арматурная С20 ТП 904-1-56.84-КЖИ-С21 Сетка арматурная С21 ТП 904-1-56.84-КЖИ-С23 Сетка арматурная С23 ТП 904-1-56.84-КЖИ-С22 Сетка арматурная С22 ТП 904-1-56.84-КЖИ-С24 Сетка арматурная (С24,С35,С43) ТП 904-1-56.84-КЖИ-С25 Сетка арматурная С25 ТП 904-1-56.84-КЖИ-С26 Сетка арматурная С26 ТП 904-1-56.84-КЖИ-С27 Сетка арматурная (С27,С28) ТП 904-1-56.84-КЖИ-С29 Сетка арматурная (С29,С30,С31) ТП 904-1-56.84-КЖИ-С32 Сетка арматурная С32 ТП 904-1-56.84-КЖИ-С33 Сетка арматурная С33 ТП 904-1-56.84-КЖИ-С34 Сетка арматурная С34 ТП 904-1-56.84-КЖИ-С36 Сетка арматурная С36 ТП 904-1-56.84-КЖИ-С37 Сетка арматурная С37 ТП 904-1-56.84-КЖИ-С38 Сетка арматурная С38 ТП 904-1-56.84-КЖИ-С39 Сетка арматурная С39 ТП 904-1-56.84-КЖИ-С40 Сетка арматурная С40 ТП 904-1-56.84-КЖИ-С41 Сетка арматурная С41 ТП 904-1-56.84-КЖИ-С42 Сетка арматурная С42 ТП 904-1-56.84-КЖИ-С44 Сетка арматурная С44 ТП 904-1-56.84-КЖИ-С45 Сетка арматурная С45 ТП 904-1-56.84-КЖИ-С46 Сетка арматурная С46 ТП 904-1-56.84-КЖИ-С47 Сетка арматурная С47 ТП 904-1-56.84-КЖИ-С48 Сетка арматурная С48 ТП 904-1-56.84-КЖИ-С49 Сетка арматурная С49 ТП 904-1-56.84-КЖИ-МН1 Изделие закладное МН1 ТП 904-1-56.84-КЖИ-МН2 Изделие закладное МН2 ТП 904-1-56.84-КЖИ-МН3 Изделие закладное МН3 ТП 904-1-56.84-КЖИ-МН4 Изделие закладное МН4 ТП 904-1-56.84-КЖИ-МН5 Изделие закладное МН5 ТП 904-1-56.84-КЖИ-МН6 Изделие закладное МН6 ТП 904-1-56.84-КЖИ-МН7 Изделие закладное МН7 ТП 904-1-56.84-КЖИ-МН13 Изделие закладное МН13 ТП 904-1-56.84-КЖИ-МН9 Изделие закладное МН9 ТП 904-1-56.84-КЖИ-МН10 Изделие закладное МН10 ТП 904-1-56.84-КЖИ-МН11 Изделие закладное МН11 ТП 904-1-56.84-КЖИ-МН14 Изделие закладное МН14 ТП 904-1-56.84-КЖИ-МН16 Изделие закладное МН16 ТП 904-1-56.84-КЖИ-МС1 Изделие соединительное МС1 ТП 904-1-56.84-КЖИ-МС2 Изделие соединительное МС3 ТП 904-1-56.84-КЖИ-МС3 Изделие соединительное МС3 ТП 904-1-56.84-КЖИ-МС4 Изделие соединительное МС4 ТП 904-1-56.84-КЖИ-МС5 Изделие соединительное МС5 ТП 904-1-56.84-КЖИ-МС6 Изделие соединительное МС6 ТП 904-1-56.84-КЖИ-МС7 Изделие соединительное МС7 ТП 904-1-56.84-КЖИ-МС8 Изделие соединительное МС8 ТП 904-1-56.84-КЖИ-МС9 Изделие соединительное МС9 ТП 904-1-56.84-КЖИ-МС10 Изделие соединительное МС10 ТП 904-1-56.84-КЖИ-МС11 Изделие соединительное МС11 ТП 904-1-56.84-КЖИ-МС12 Изделие соединительное МС12 ТП 904-1-56.84-КЖИ-МС13 Изделие соединительное МС13 ТП 904-1-56.84-КЖИ-МС14 Изделие соединительное МС14 ТП 904-1-56.84-КЖИ-МС15 Изделие соединительное МС15 ТП 904-1-56.84-КЖИ-МС16 Изделие соединительное МС16 ТП 904-1-56.84-КЖИ-МС17 Изделие соединительное МС17 ТП 904-1-56.84-КЖИ-МС18 Изделие соединительное МС18 ТП 904-1-56.84-КЖИ-МС19 Изделие соединительное МС19 ТП 904-1-56.84-КЖИ-Р1,Р2 Стальная решетка (Р1,Р2) ТП 904-1-56.84-КЖИ-ЩД1,ЩД2 Щит деревянный (ЩД1,ЩД2) ТП 904-1-56.84-КЖИ-ЩД3,ЩД4 Щит деревянный (ЩД3,ЩД4) ТП 904-1-56.84-КЖИ-ЩД5 Щит деревянный ЩД5 ТП 904-1-56.84-КЖИ-УК1 Утепленный клапан УК1 |
| Разработан: | Ростовский Промстройниипроект Госстроя СССР |
| Утверждён: | 01.11.1983 Минстройдормаш (Minstroydormash 20/83) |




































































































































































