Скачать Типовой проект 904-1-56.84 Альбом 12. Книга 2. Сметы для 4 компрессоровДата актуализации: 01.01.2021
|
| Обозначение: | Типовой проект 904-1-56.84 |
| Обозначение англ: | 904-1-56.84 |
| Статус: | действует |
| Название рус.: | Альбом 12. Книга 2. Сметы для 4 компрессоров |
| Дата добавления в базу: | 01.09.2013 |
| Дата актуализации: | 01.01.2021 |
| Дата введения: | 30.12.1983 |
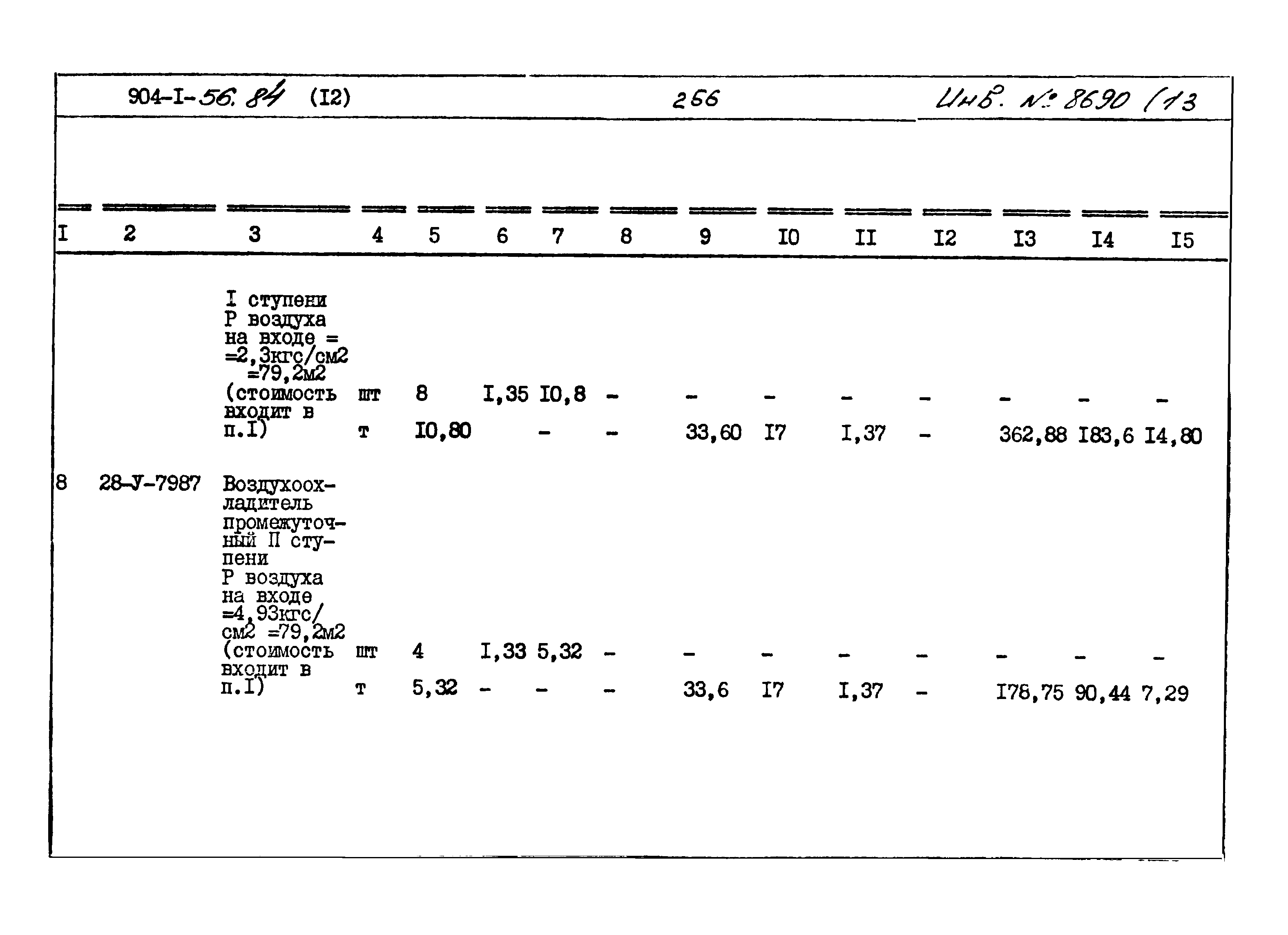
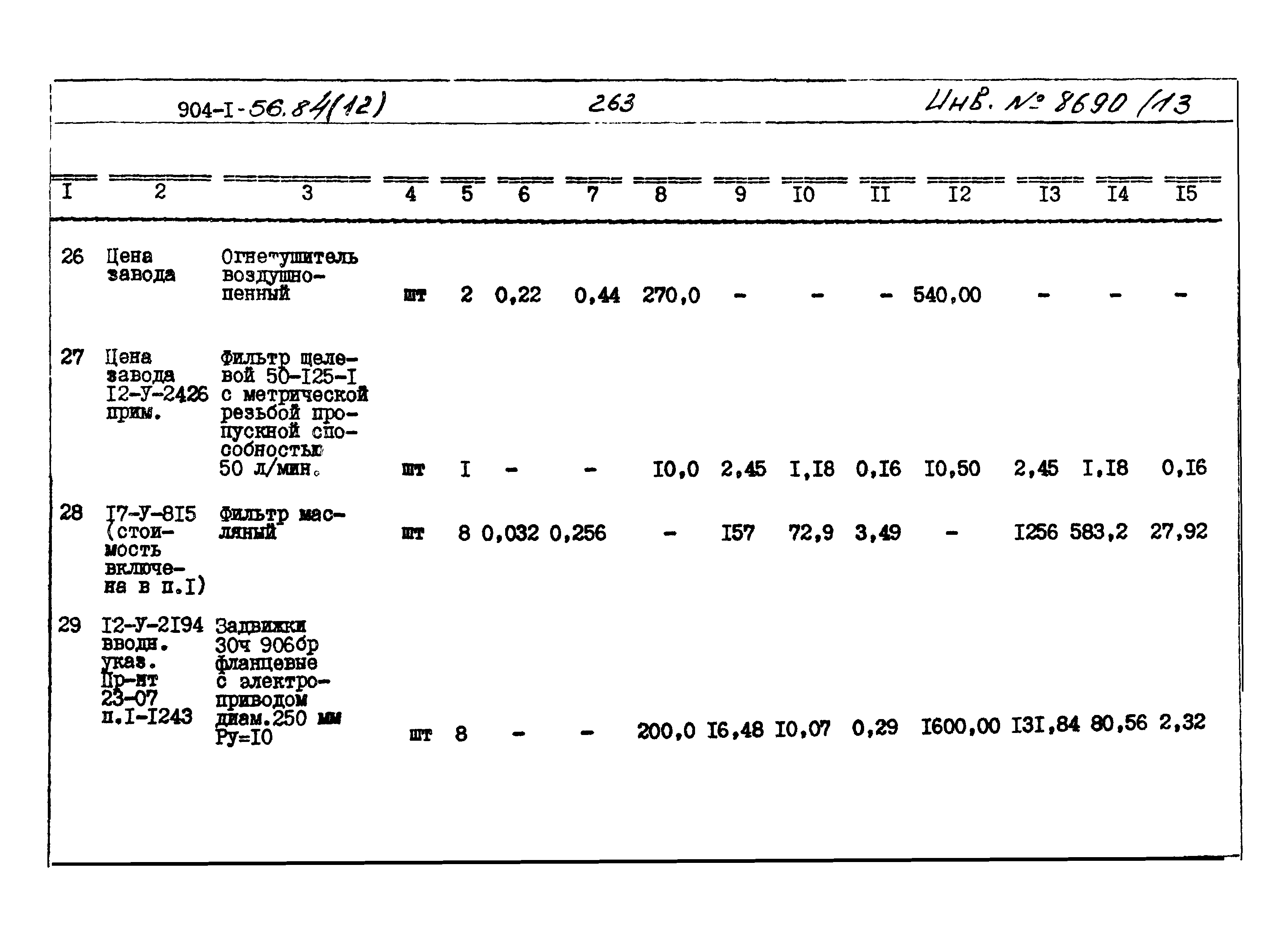
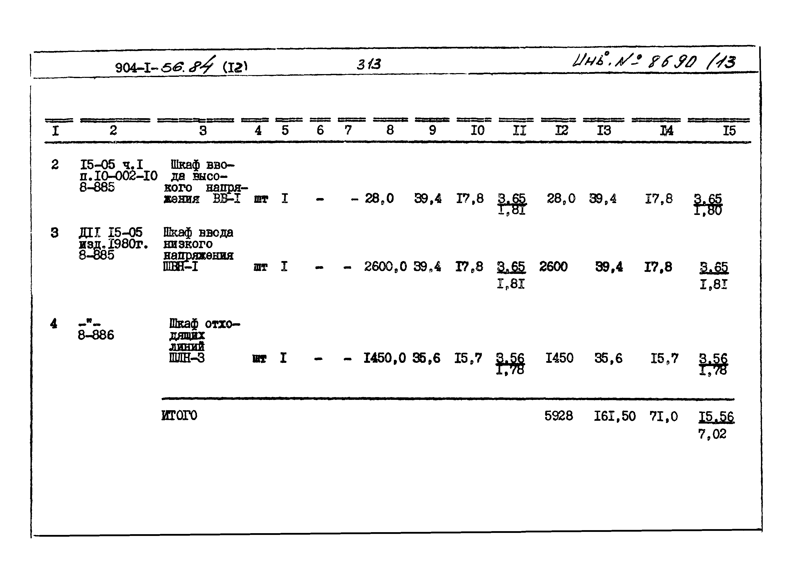
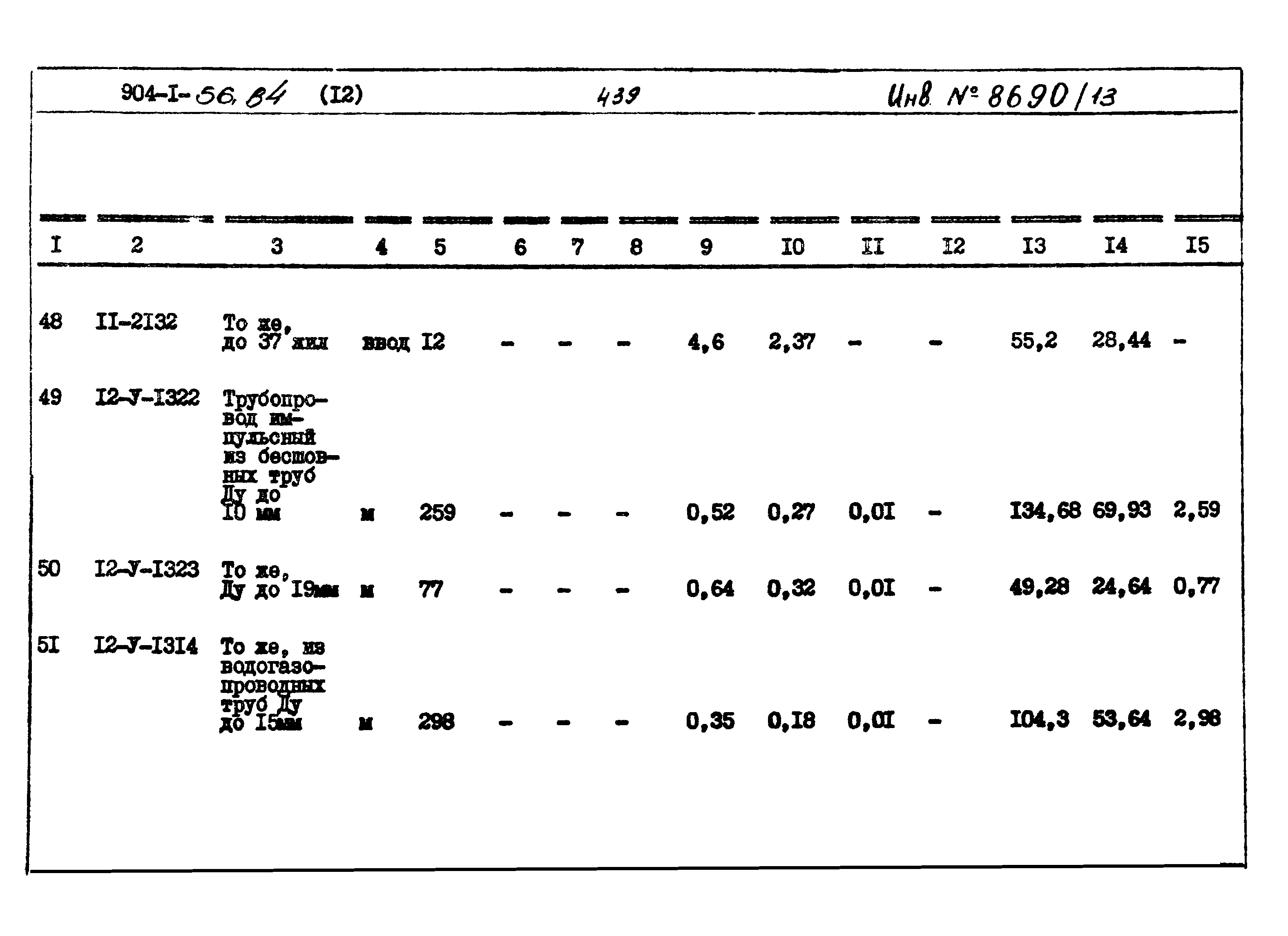
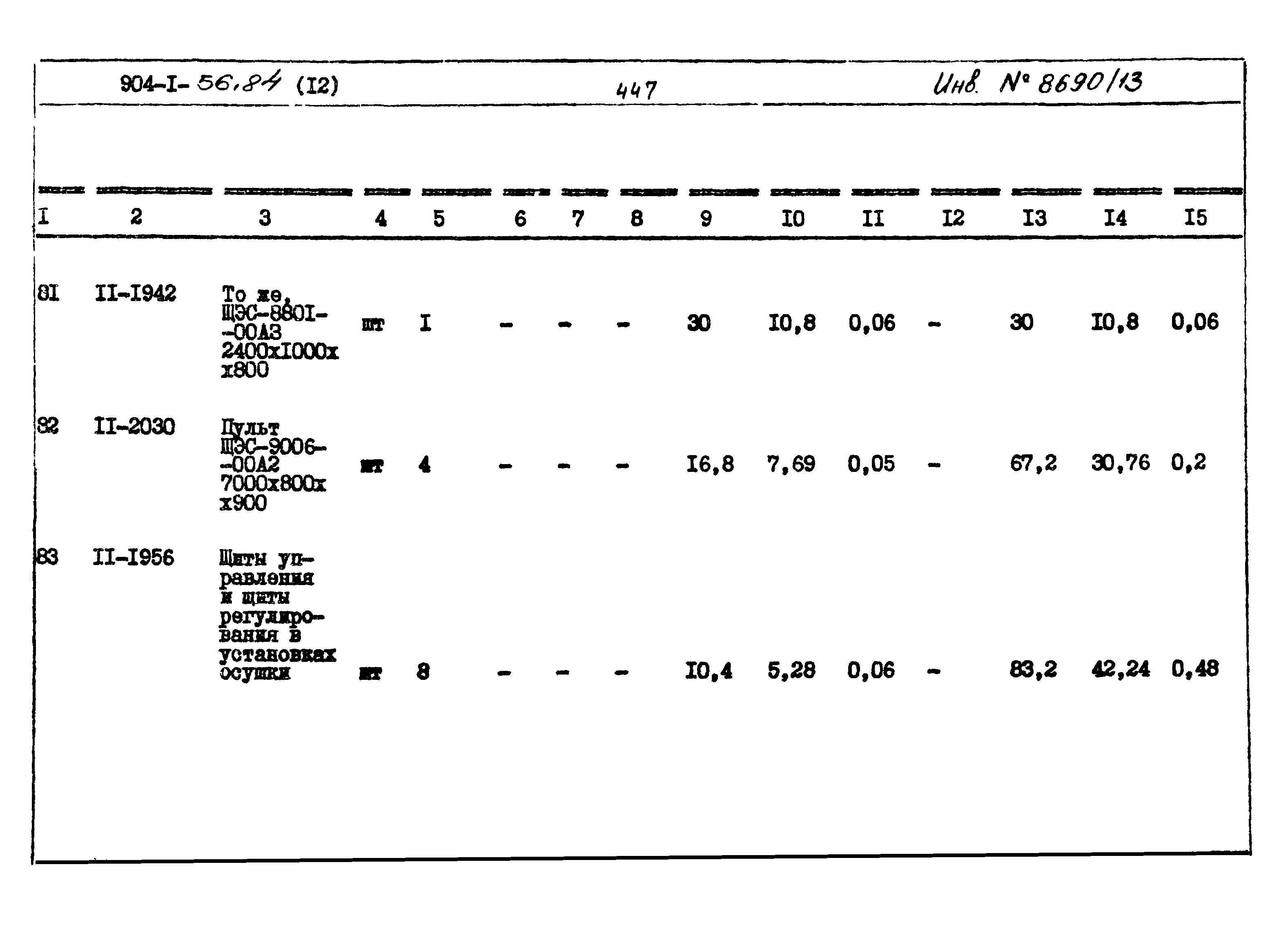
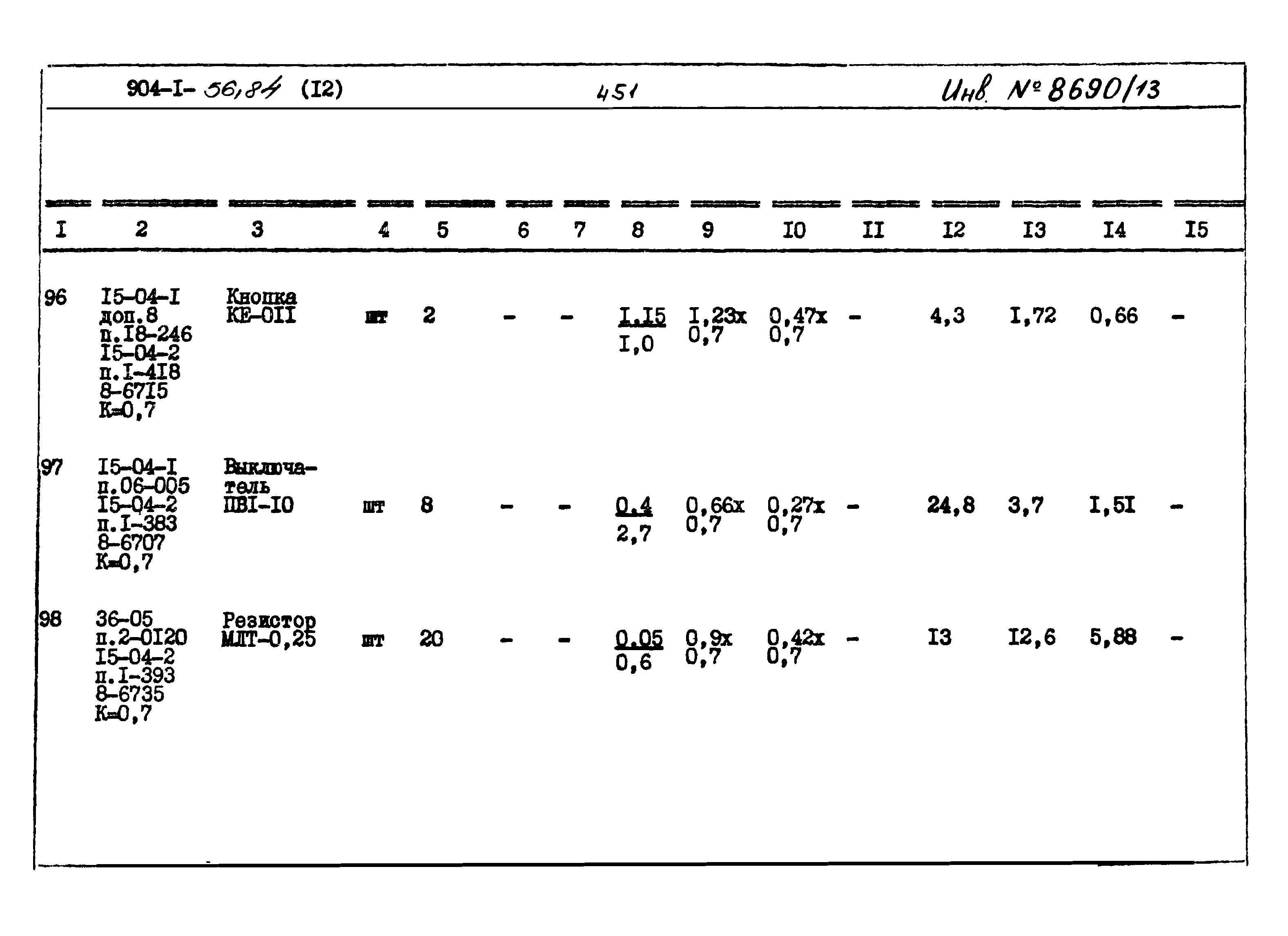
| Оглавление: | ТП 904-1-56.84 Локальная смета № 1-ТХ. Приобретение и монтаж технологического оборудования ТП 904-1-56.84 Локальная смета № 2-ТХ. Приобретение и монтаж трубопроводов и арматуры ТП 904-1-56.84 Локальная смета № 3-ТХ. Металлоконструкции ТП 904-1-56.84 Локальная смета № 4-ТХ. Особостроительные работы ТП 904-1-56.84 Локальная смета № 5-ТХ. Приобретение приспособлений и производственного инвентаря ТП 904-1-56.84 Локальная смета № 1-ЭС. Электрооборудование и монтаж 1КТП-1х630 кВА левого исполнения ТП 904-1-56.84 Локальная смета № 2-ЭС. Электрооборудование и монтаж 2КТП-1х630 кВА правого исполнения ТП 904-1-56.84 Локальная смета № 3-ЭС. Электрооборудование и монтаж распредустройства при 6 кВ и 10 кВ ТП 904-1-56.84 Локальная смета № 1-ЭМ. Силовое электрооборудование и монтаж 6 кВ и 10 кВ ТП 904-1-56.84 Ведомость потребности в материалах ТП 904-1-56.84 Локальная смета № 1-ЭО. Монтаж электроосвещения ТП 904-1-56.84 Ведомость в материалах ТП 904-1-56.84 Локальная смета № 1-СС. Оборудование и монтаж сетей и сигнализации ТП 904-1-56.84 Ведомость потребности в материалах ТП 904-1-56.84 Локальная смета № 2-СС. Оборудование и монтаж сетей вызывной сигнализации ТП 904-1-56.84 Ведомость потребности в материалах ТП 904-1-56.84 Локальная смета № 1-А. Приобретение оборудования и монтаж контрольно-измерительных приборов и средств автоматизации ТП 904-1-56.84 Ведомость потребности в материалах |
| Разработан: | Ростовский Промстройниипроект Госстроя СССР Гипростройдормаш |
| Утверждён: | 01.11.1983 Минстройдормаш (Minstroydormash 20/83) |


























































































































































































































