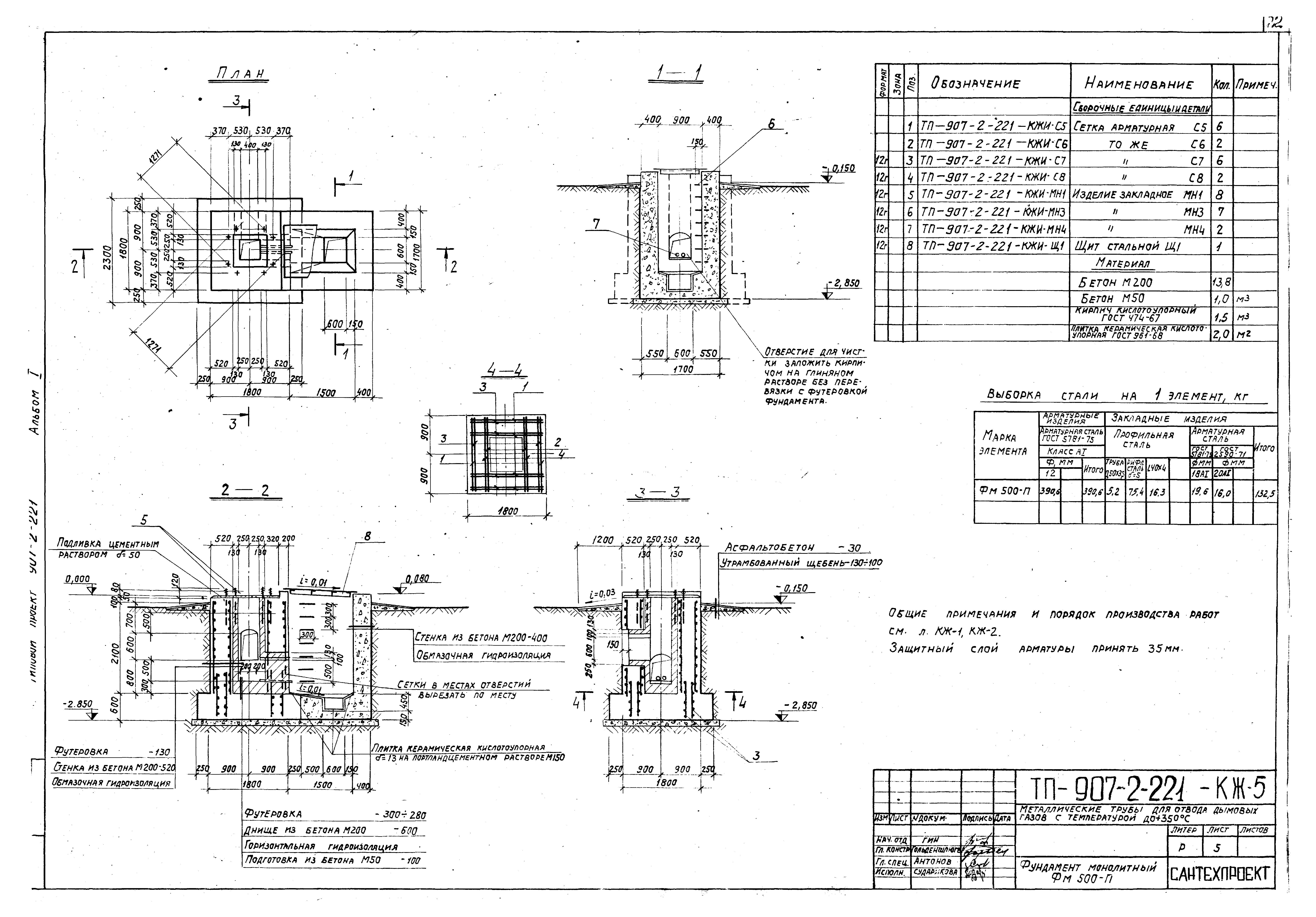
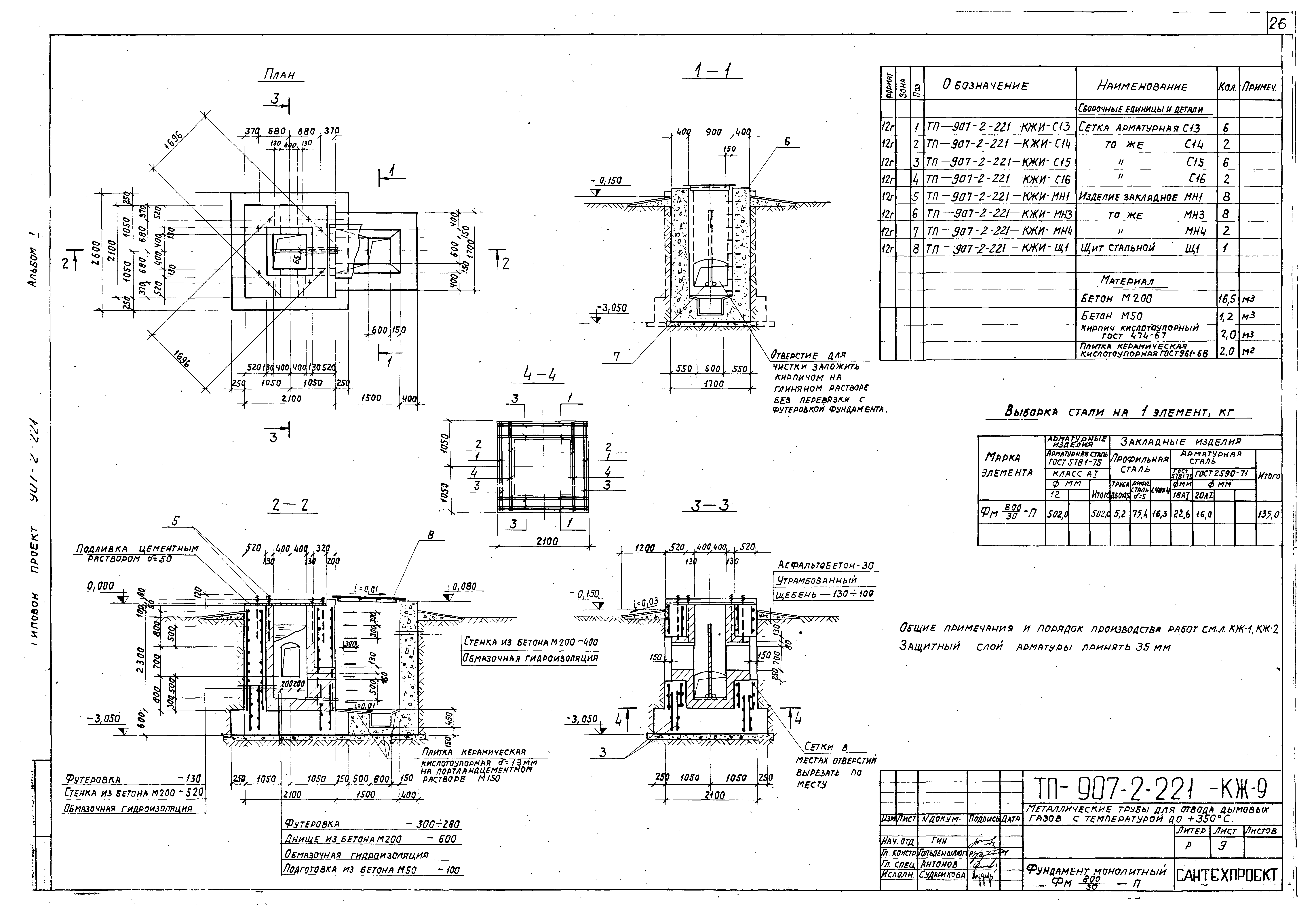
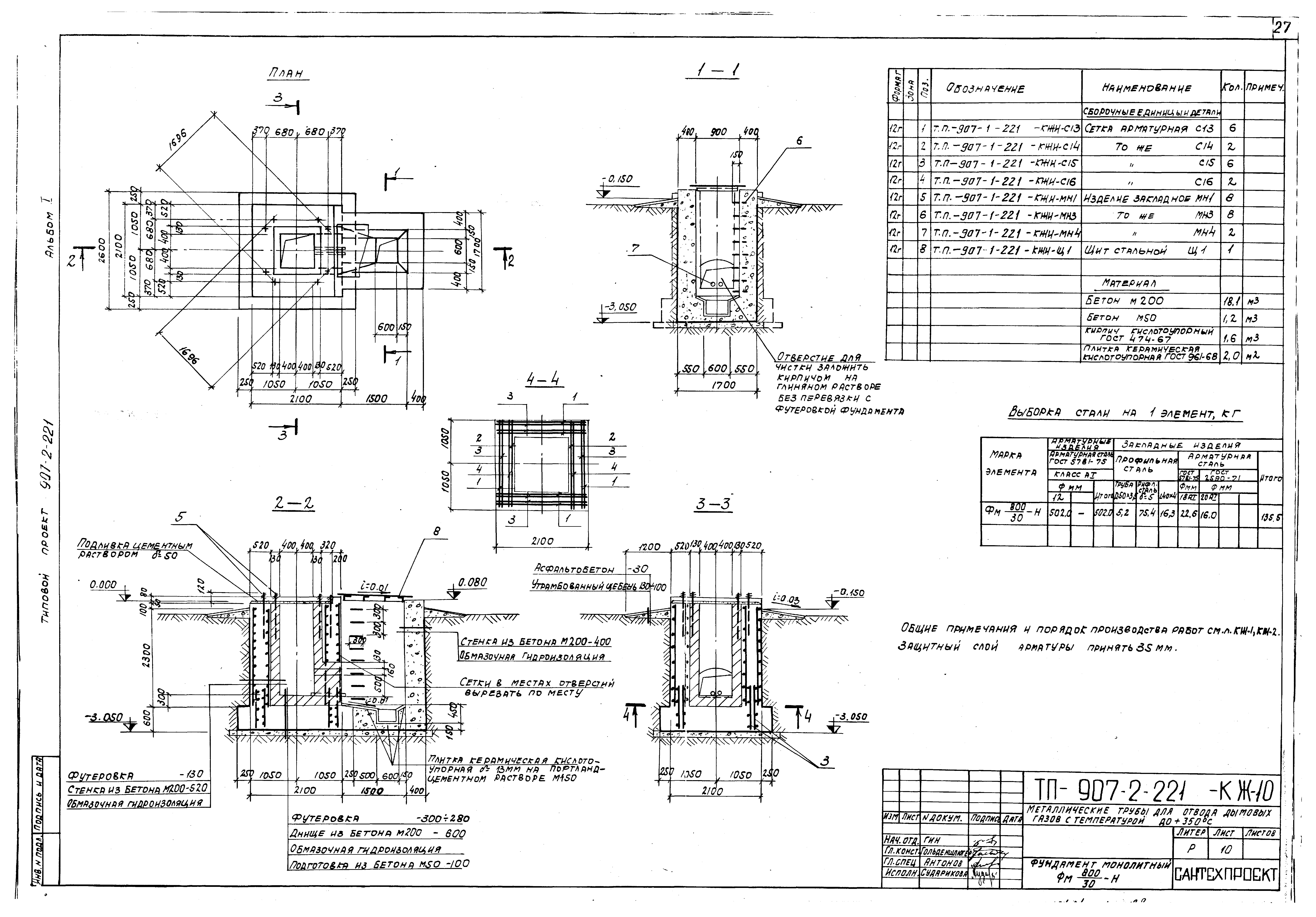
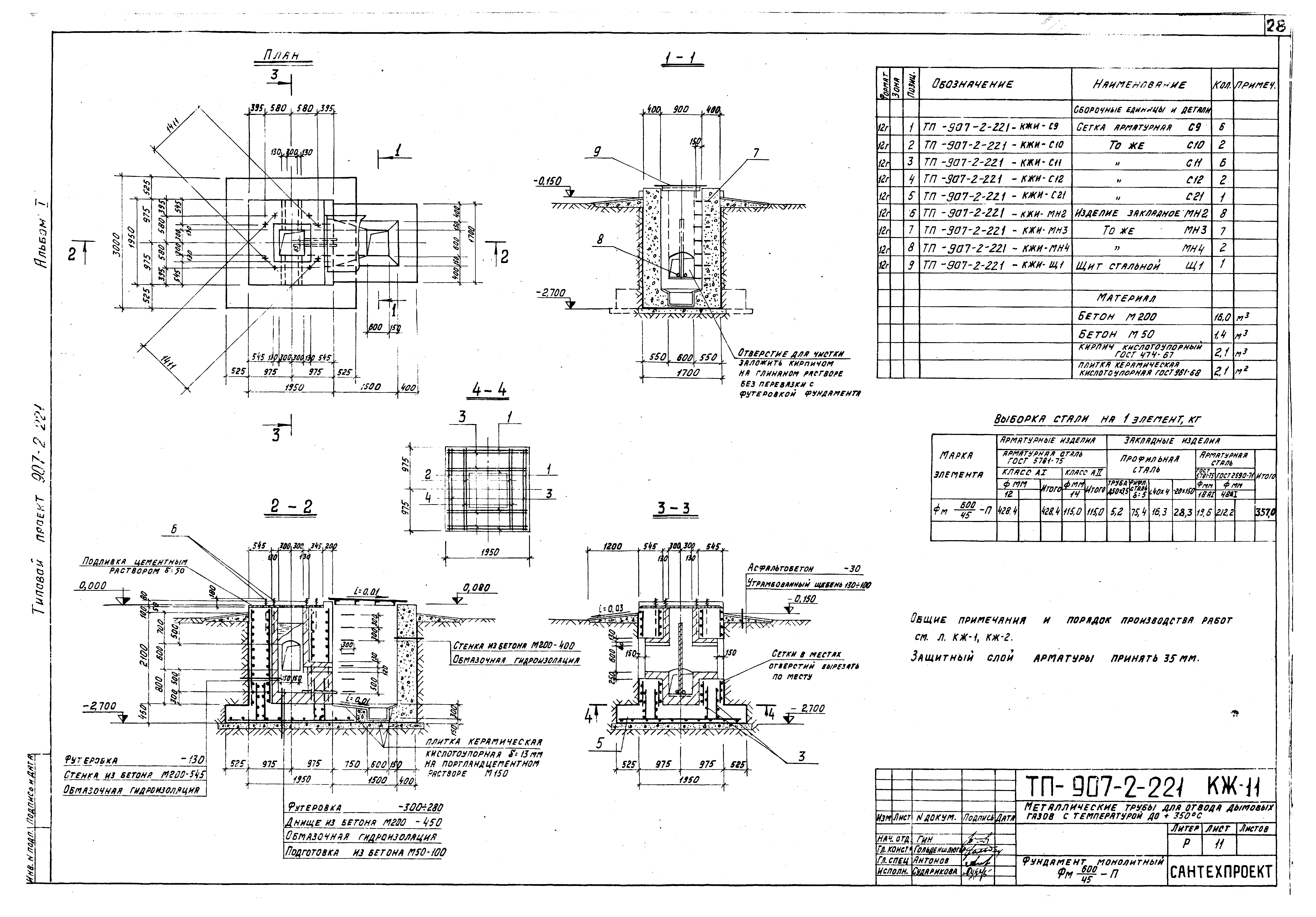
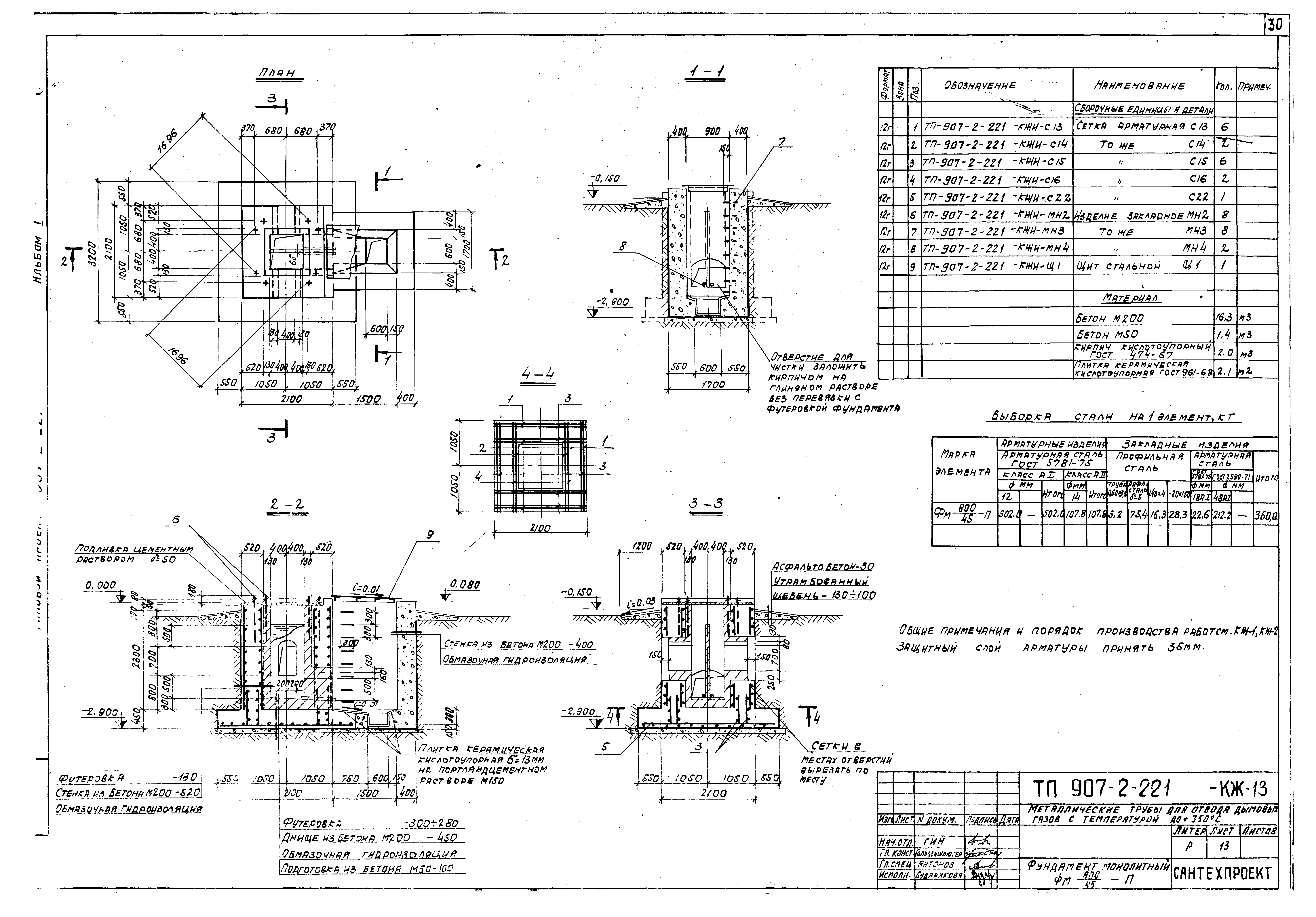
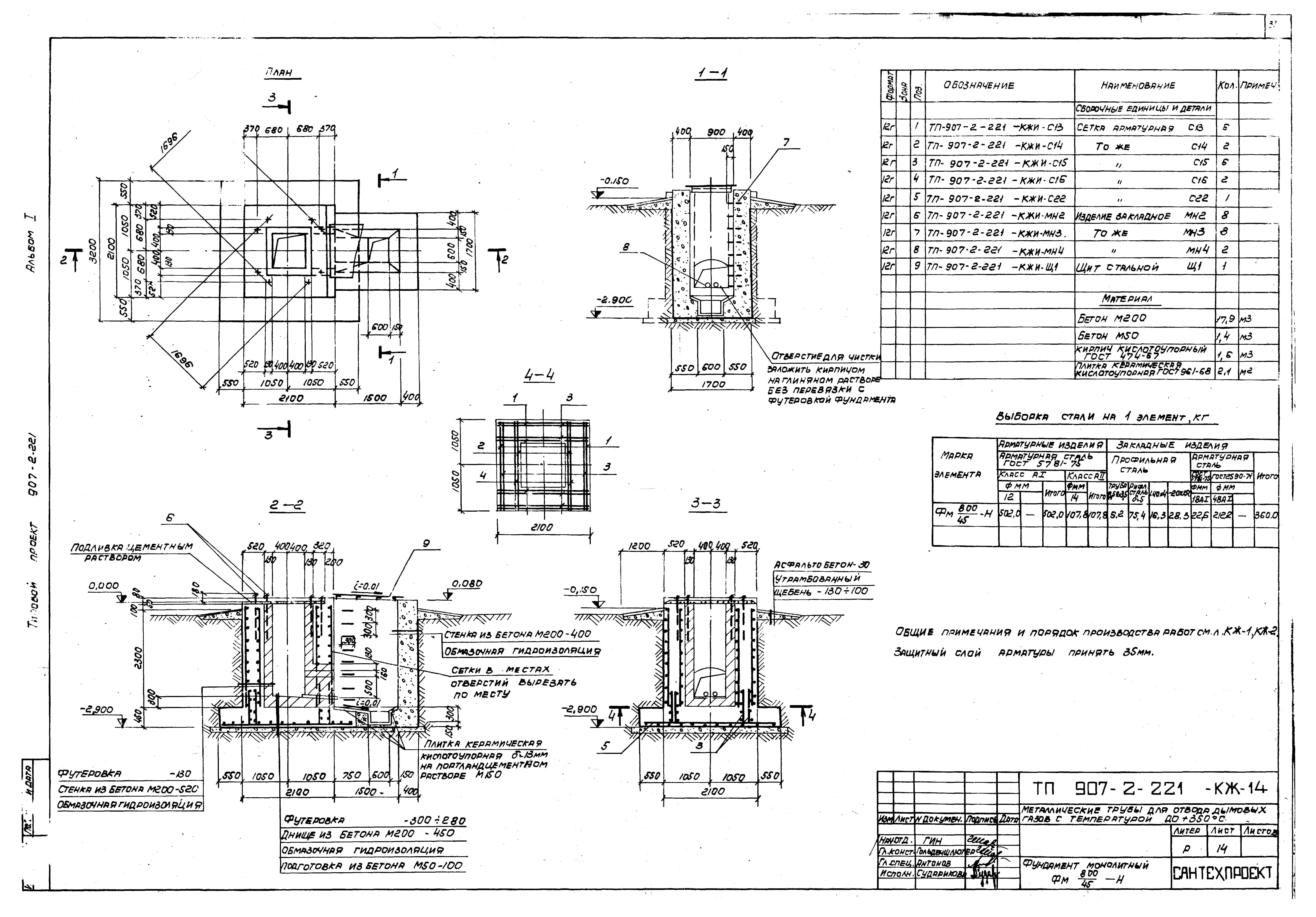
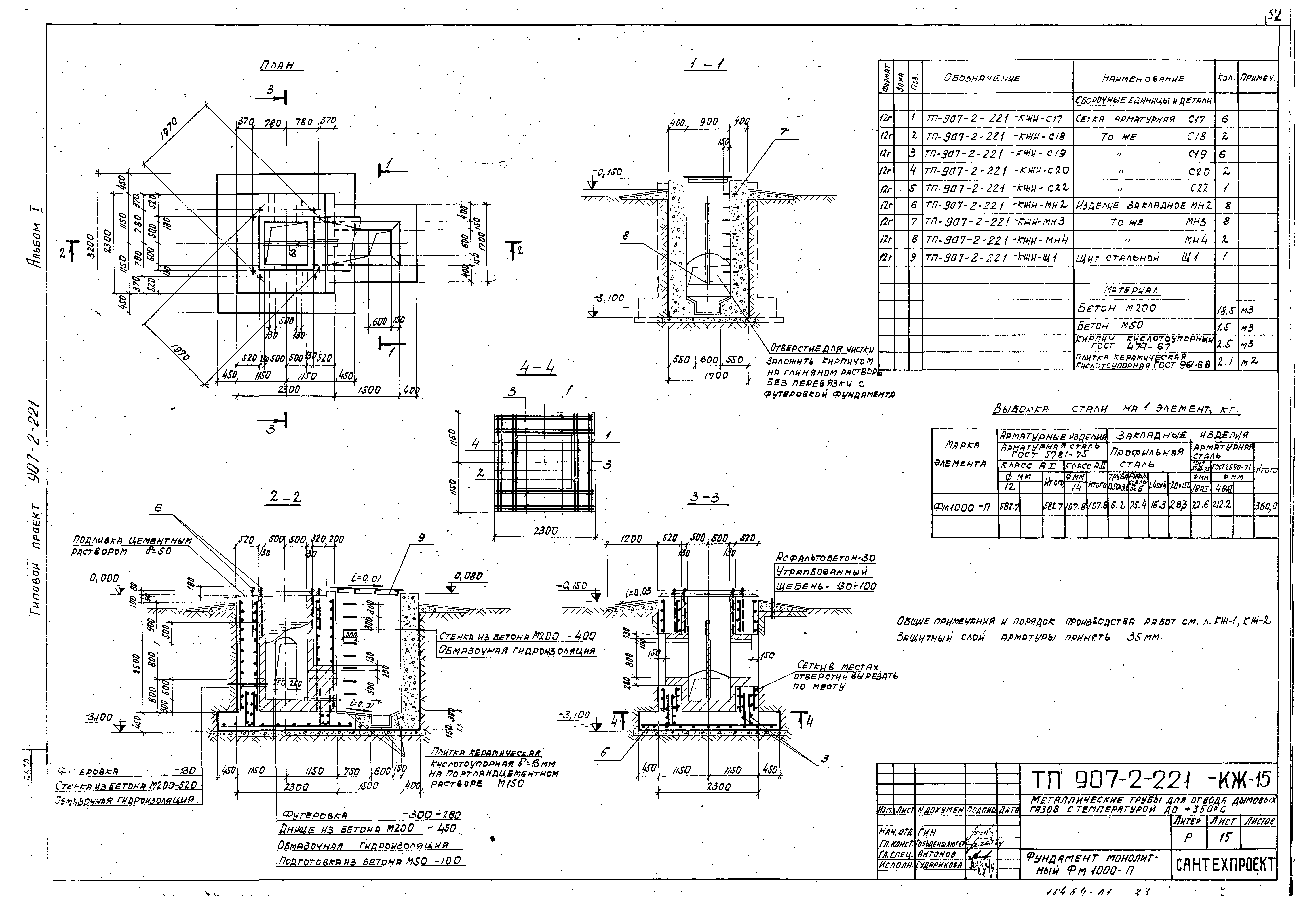
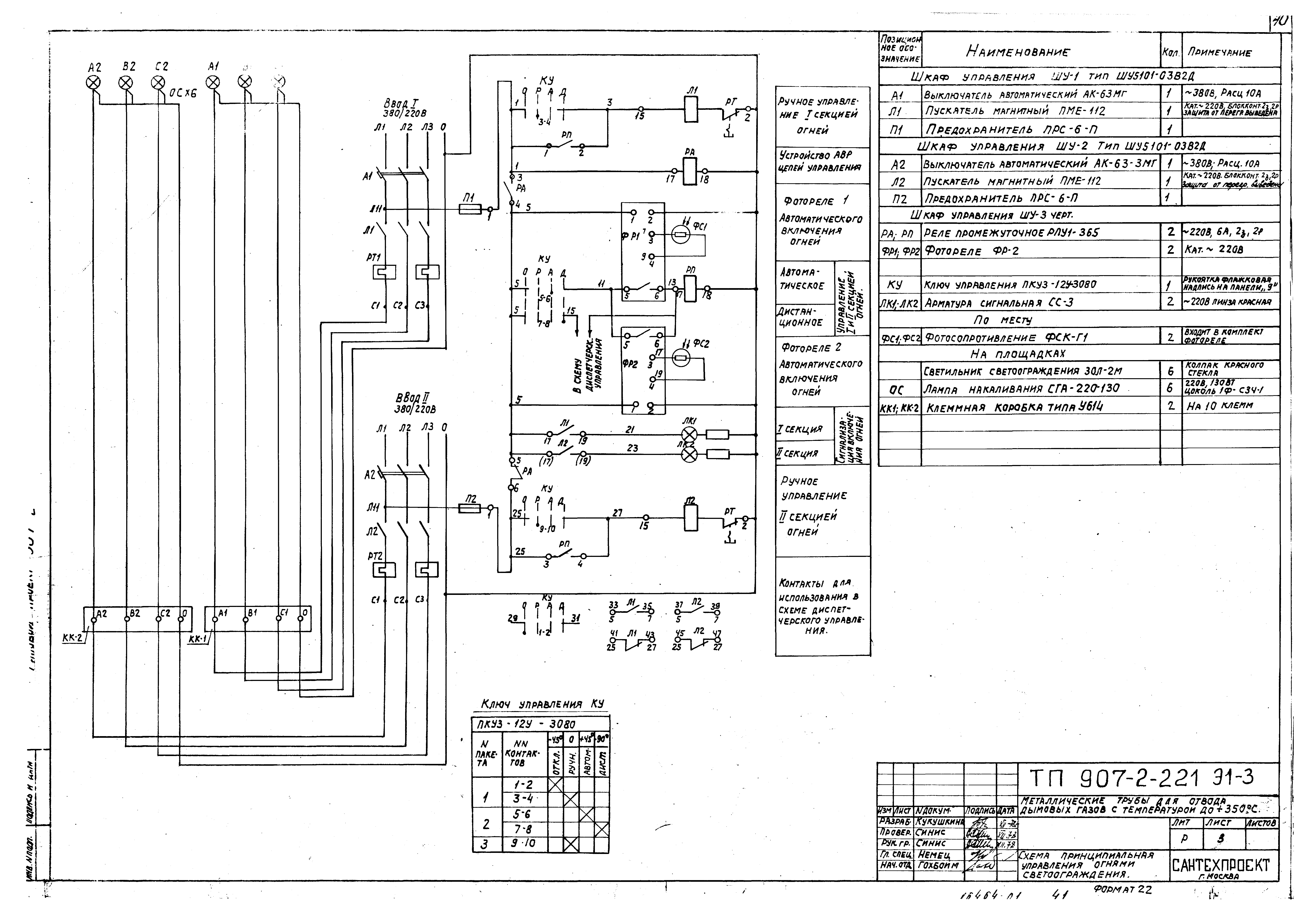
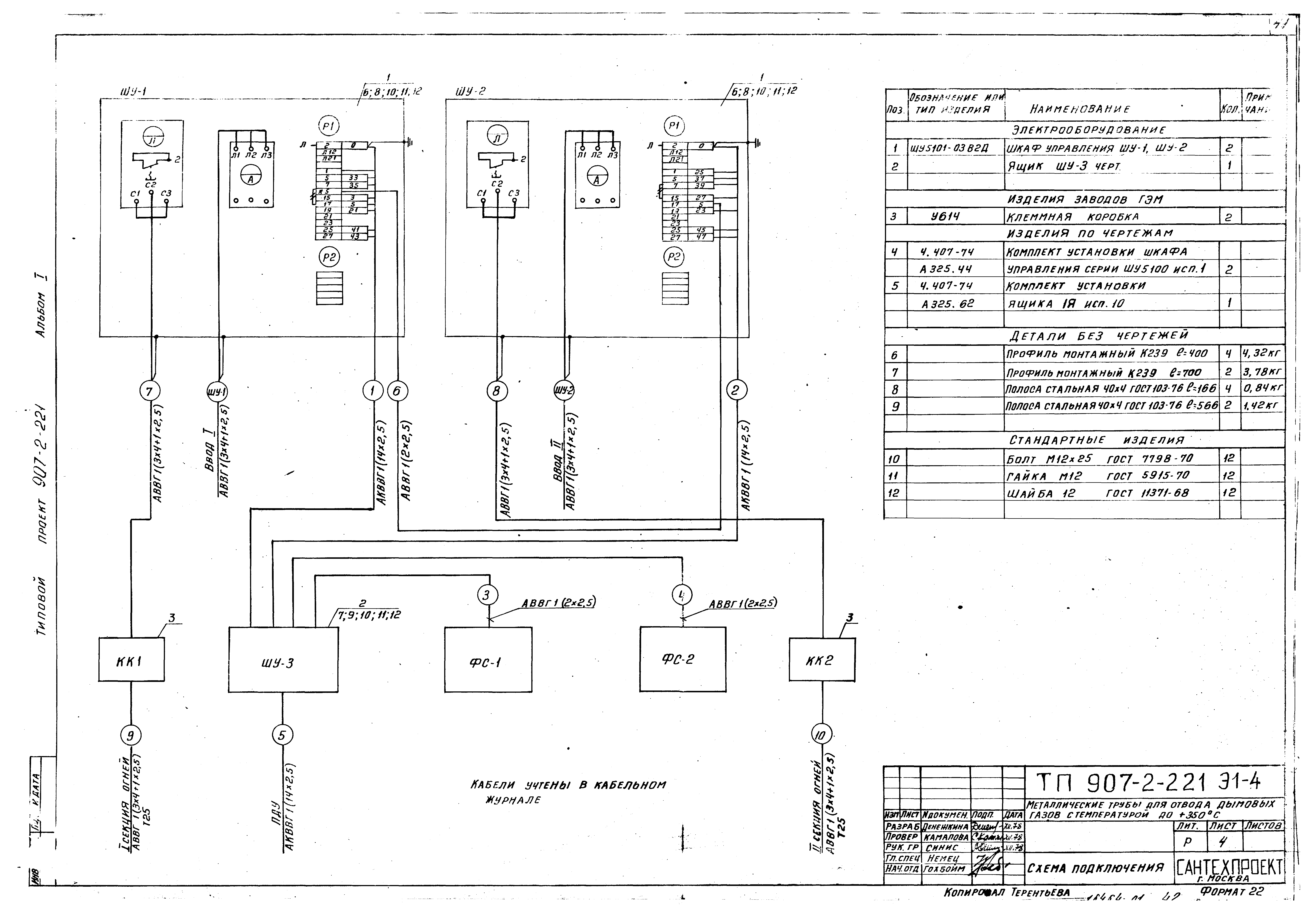
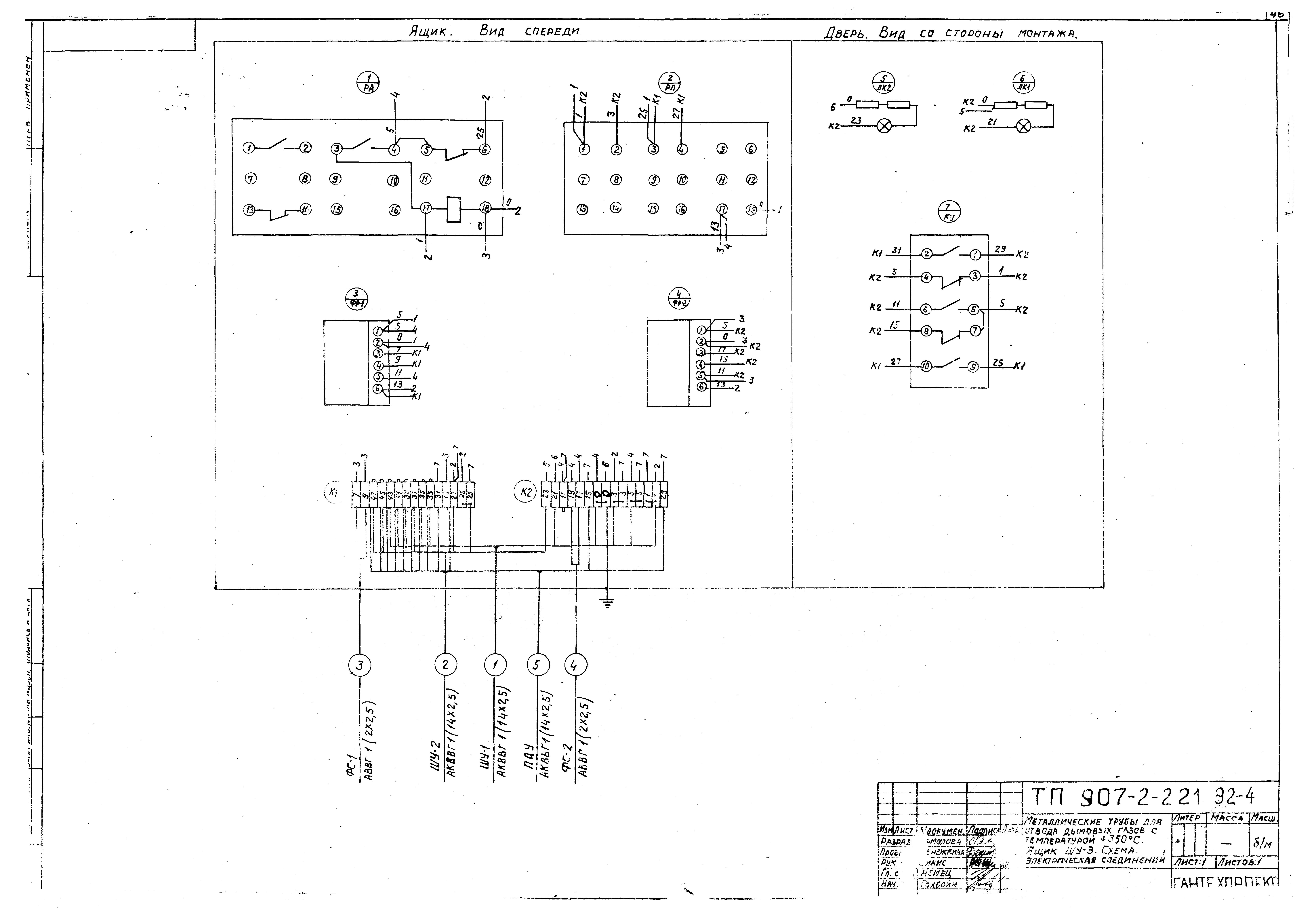
Скачать Типовой проект 907-2-221 Альбом 1. Рабочие чертежи дымовых труб. Заказные спецификацииДата актуализации: 01.01.2021 Типовой проект 907-2-221
Альбом 1. Рабочие чертежи дымовых труб. Заказные спецификации| Обозначение: | Типовой проект 907-2-221 | | Обозначение англ: | 907-2-221 | | Статус: | действует | | Название рус.: | Альбом 1. Рабочие чертежи дымовых труб. Заказные спецификации | | Дата добавления в базу: | 01.09.2013 | | Дата актуализации: | 01.01.2021 | | Дата введения: | 01.02.1980 | | Разработан: | Укрпроектстальконструкция
| | Утверждён: | 29.12.1978 Укрпроектстальконструкция (49)
| | Заменяет собой: | |
                                            
|