Скачать Типовой проект 907-2-256.85 Альбом II. Сметы. Ведомости потребности в материалахДата актуализации: 01.01.2021
|
| Обозначение: | Типовой проект 907-2-256.85 |
| Обозначение англ: | 907-2-256.85 |
| Статус: | не действует |
| Название рус.: | Альбом II. Сметы. Ведомости потребности в материалах |
| Дата добавления в базу: | 01.09.2013 |
| Дата актуализации: | 01.01.2021 |
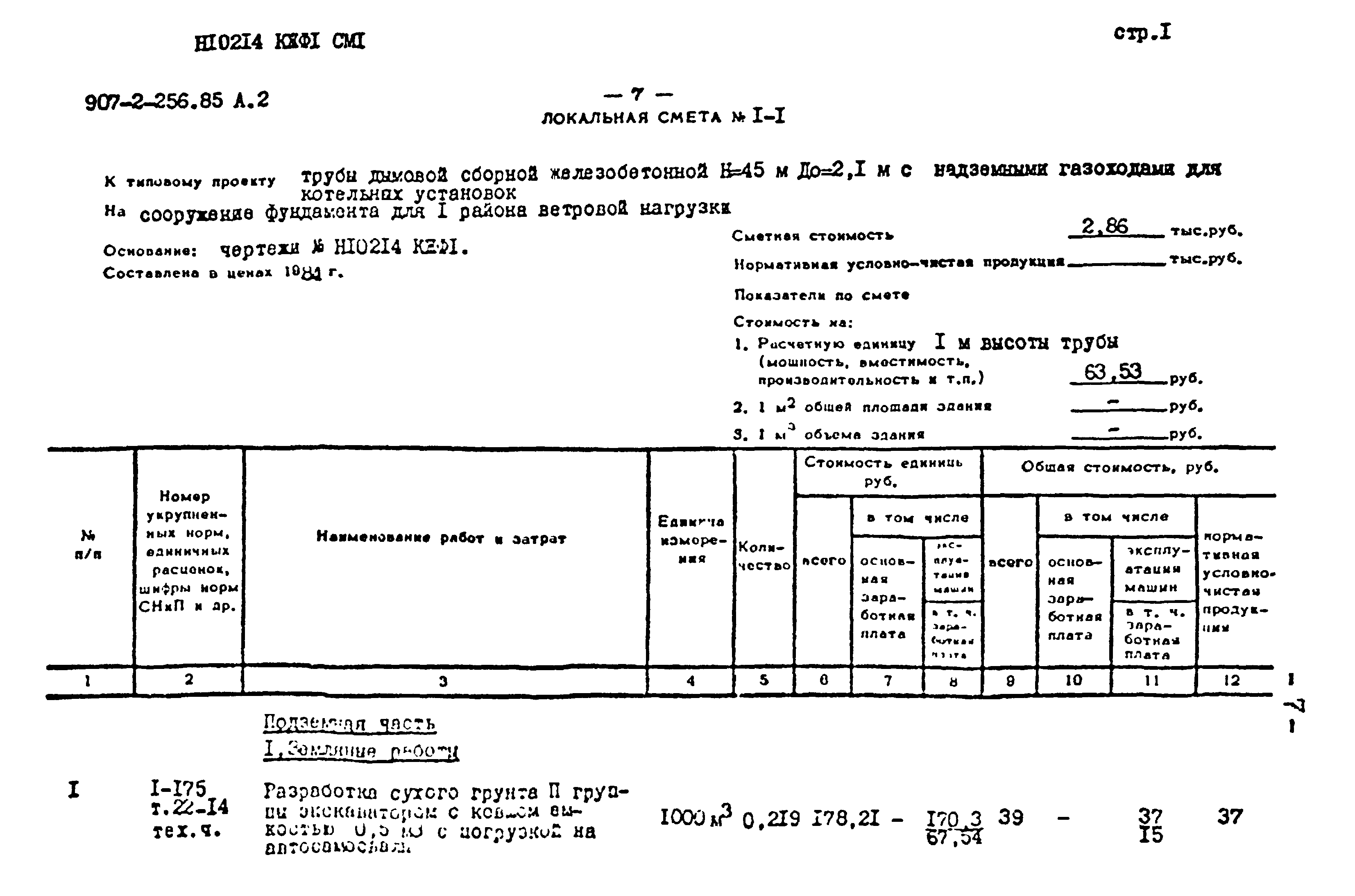
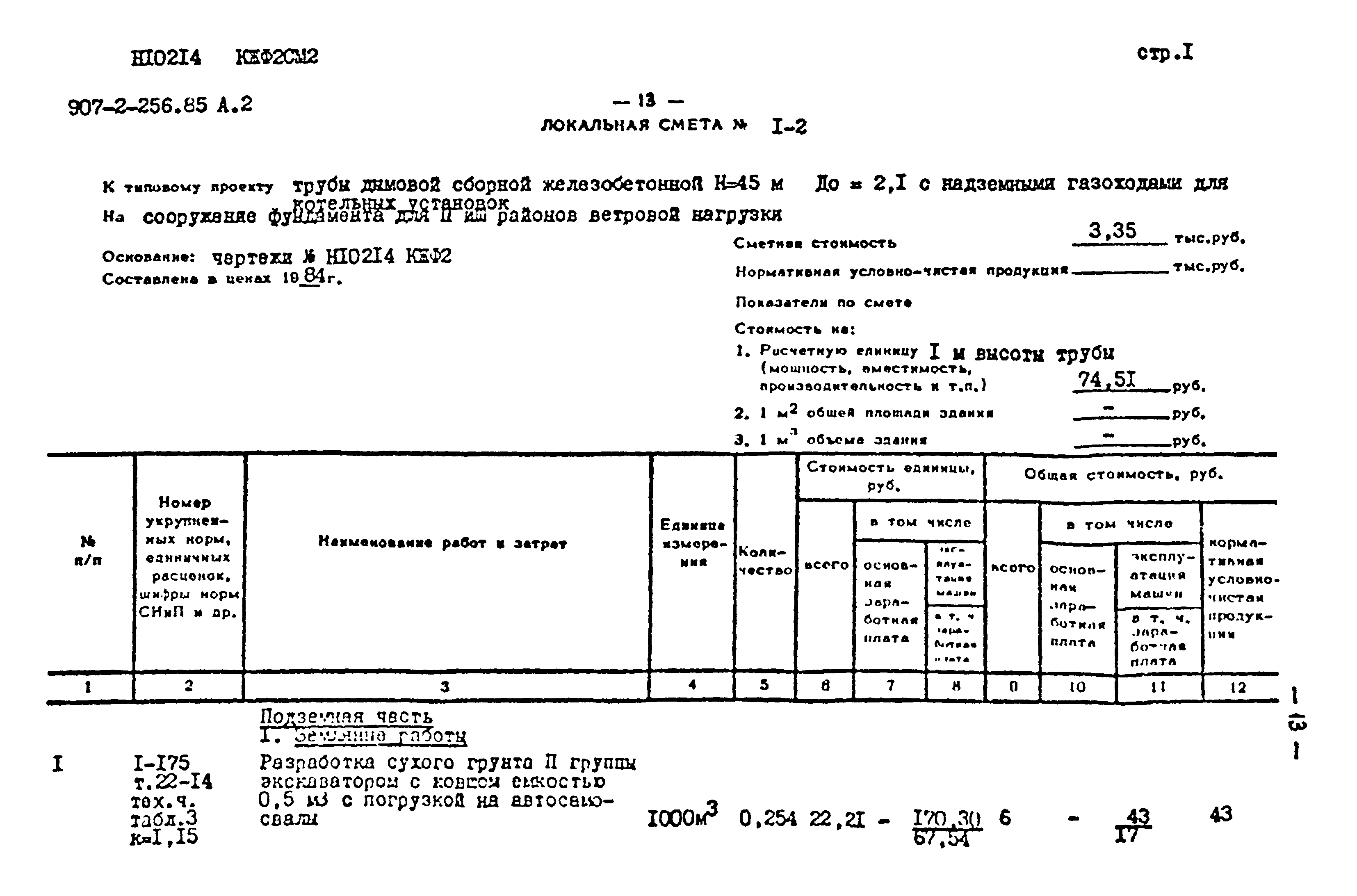
| Оглавление: | ТП 907-2-256.85 Титульный лист ТП 907-2-256.85 Содержание альбома II ТП 907-2-256.85 Пояснительная записка ТП 907-2-256.85 Объектная смета № 1 ТП 907-2-256.85 Локальная смета № 1-1 на сооружение фундамента железобетонного для I района ветровой нагрузки ТП 907-2-256.85 Локальная смета № 1-2 на сооружение фундамента железобетонного для II и III районов ветровой нагрузки ТП 907-2-256.85 Локальная смета № 1-3 на сооружение ствола сборной железобетонной дымовой трубы Н=45 м До=2,1 м ТП 907-2-256.85 Ведомость потребности в производственных ресурсах ТП 907-2-256.85 Ведомость потребности в материалах на изготовление сборных железобетонных конструкции ТП 907-2-256.85 Ведомость потребности в материалах на сооружение фундамента в I районе ветровой нагрузка ТП 907-2-256.85 Ведомость потребности в материалах на сооружение фундамента во II и III районах ветровой нагрузка |
| Разработан: | ВНИПИтеплопроект Минмонтажспецстроя СССР |
| Утверждён: | 24.12.1984 Минмонтажспецстрой СССР (USSR Minmontazhspetsstroy ) |





































