Скачать Типовой проект 407-3-656.01 Альбом 3. Электротехническая часть с оборудованием на постоянном оперативном токе и микропроцессорными устройствами РЗиА. Опросные листыДата актуализации: 01.01.2021
|
| Обозначение: | Типовой проект 407-3-656.01 |
| Обозначение англ: | 407-3-656.01 |
| Статус: | не определен законодательством |
| Название рус.: | Альбом 3. Электротехническая часть с оборудованием на постоянном оперативном токе и микропроцессорными устройствами РЗиА. Опросные листы |
| Дата добавления в базу: | 01.09.2013 |
| Дата актуализации: | 01.01.2021 |
| Дата введения: | 23.01.2003 |
| Дата окончания срока действия: | 30.06.2003 |
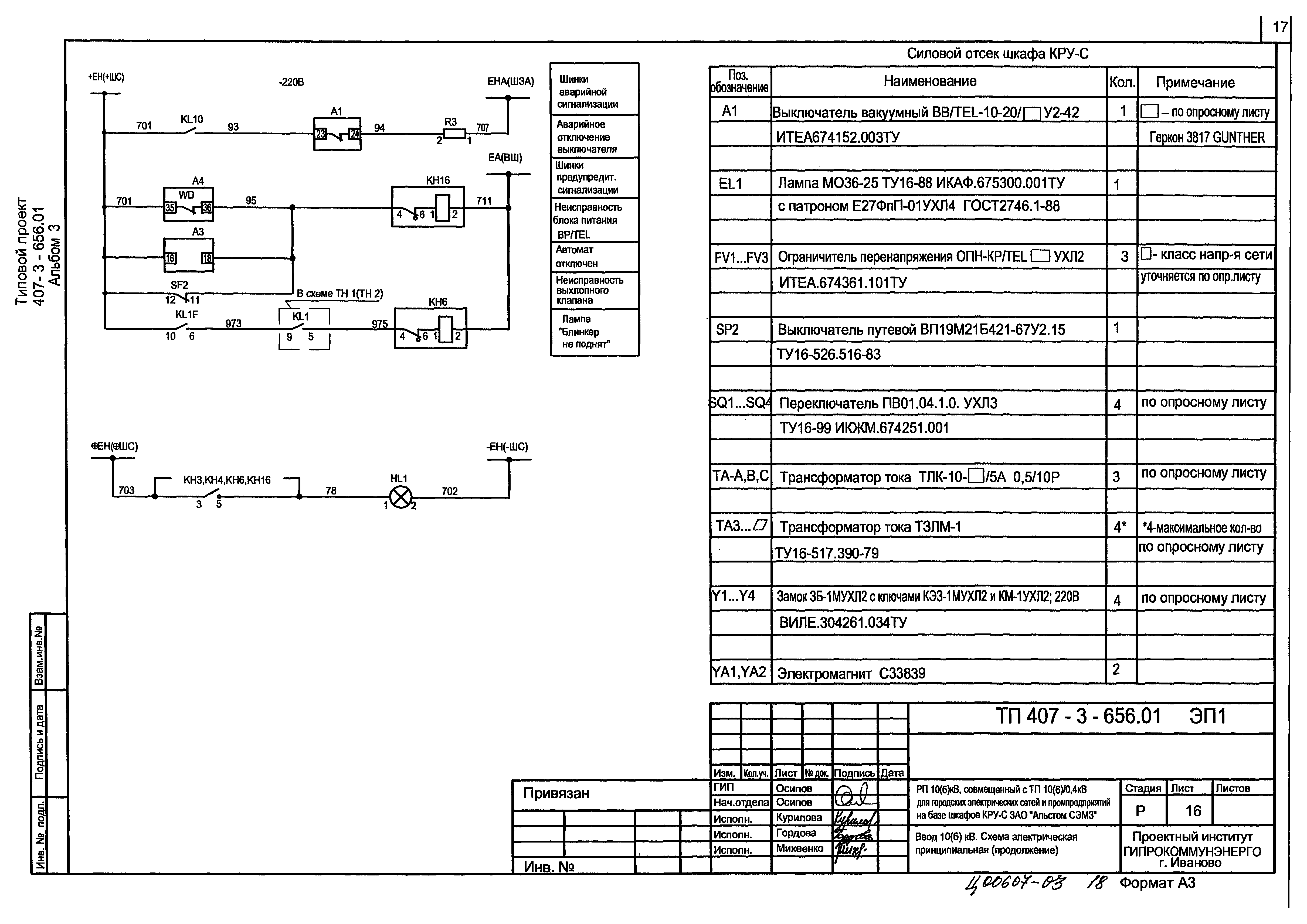
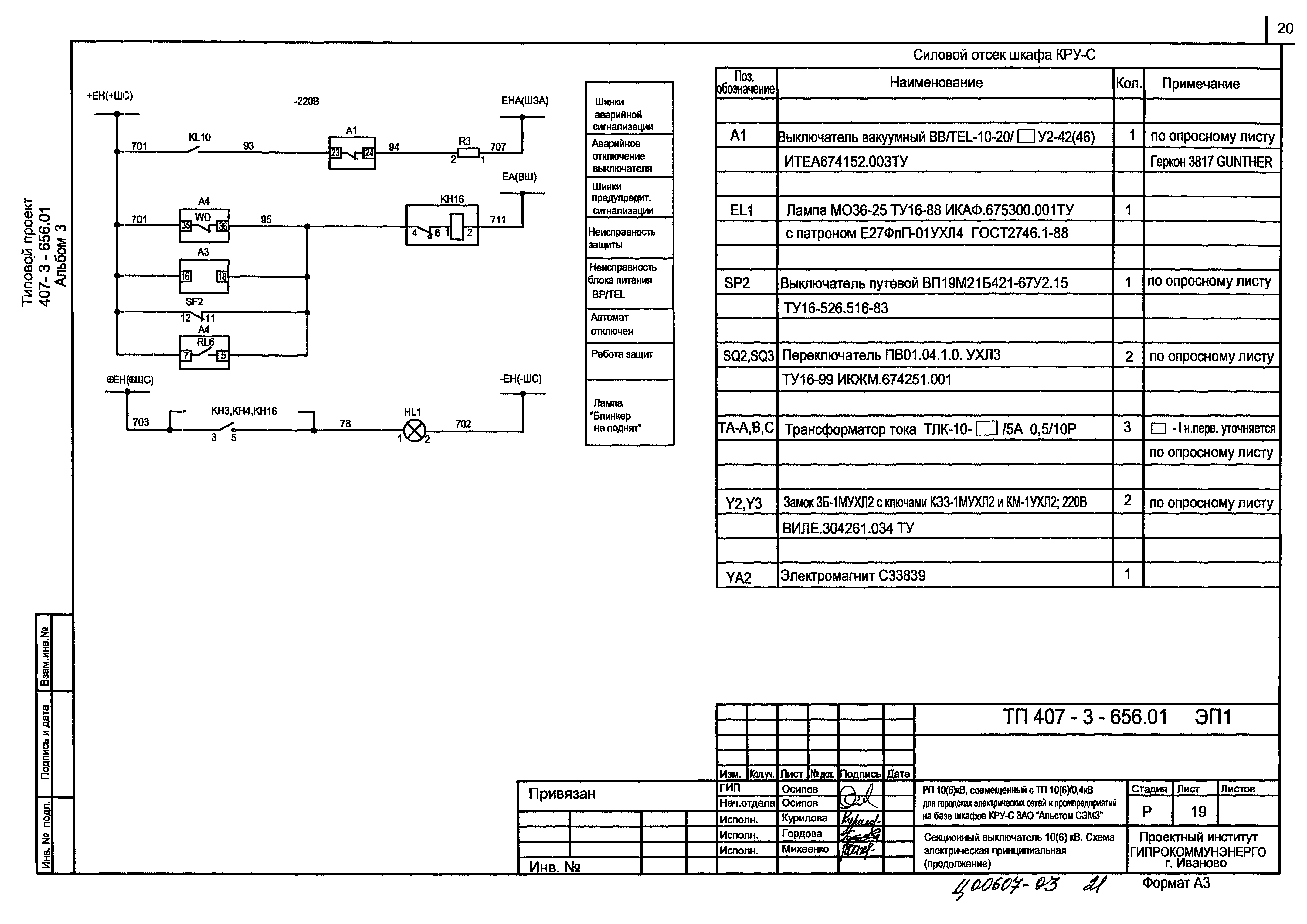
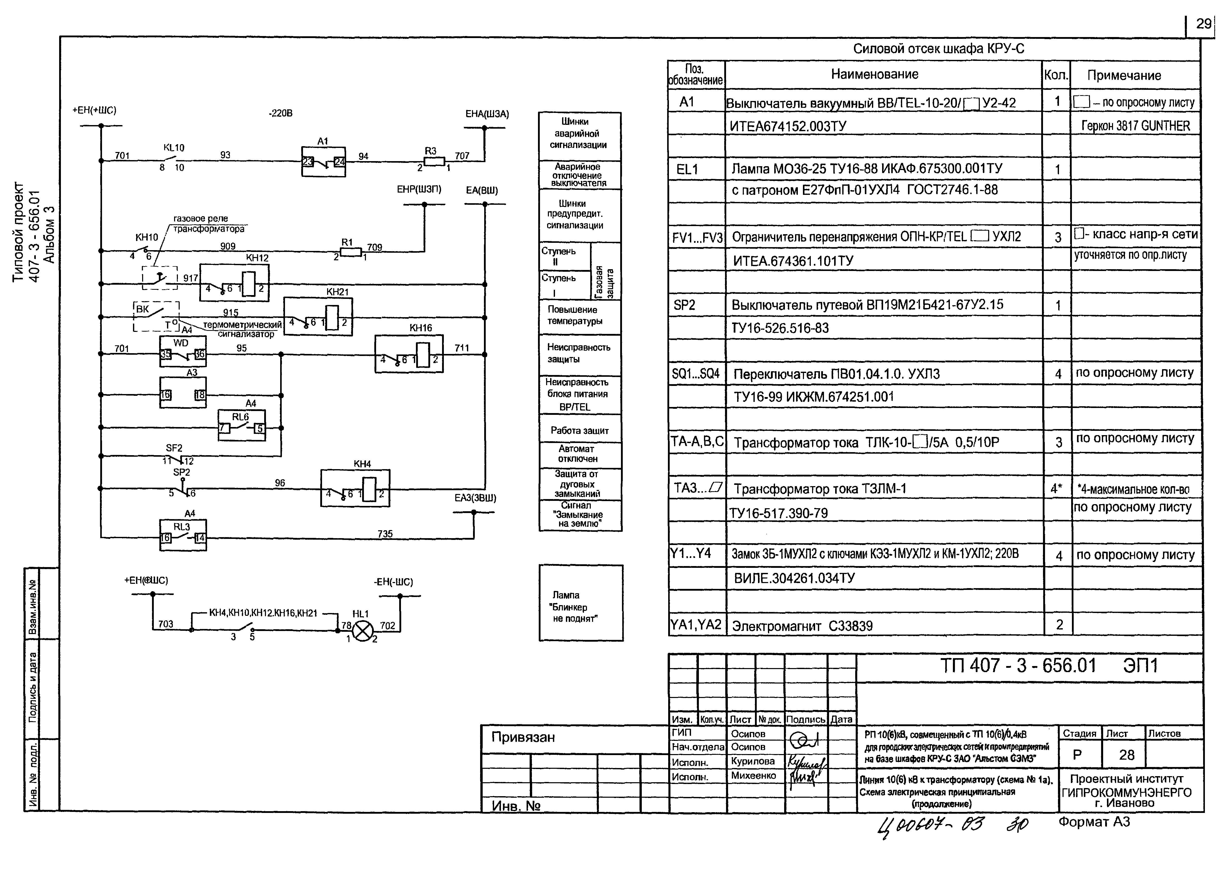
| Оглавление: | ТП 407-3-656.01-ЭП1 Электротехническая часть ТП 407-3-656.01-ЭП1-1 Общие данные (начало) ТП 407-3-656.01-ЭП1-2 Общие данные (продолжение) ТП 407-3-656.01-ЭП1-3 Общие данные (окончание) ТП 407-3-656.01-ЭП1-4 Схема электрических соединений 10(6) кВ №1 ТП 407-3-656.01-ЭП1-5 Схема электрических соединений 10(6) кВ №1а ТП 407-3-656.01-ЭП1-6 Схема электрических соединений 0,4 кВ (начало) ТП 407-3-656.01-ЭП1-7 Схема электрических соединений 0,4 кВ (окончание) ТП 407-3-656.01-ЭП1-8 План и разрезы РП (начало) ТП 407-3-656.01-ЭП1-9 План и разрезы РП (продолжение) ТП 407-3-656.01-ЭП1-10 План и разрезы РП (окончание) ТП 407-3-656.01-ЭП1-11 Журнал контрольных кабелей (начало) ТП 407-3-656.01-ЭП1-12 Журнал контрольных кабелей (окончание) ТП 407-3-656.01-ЭП1-13 Журнал силовых кабелей ТП 407-3-656.01-ЭП1-14 План прокладки кабелей ТП 407-3-656.01-ЭП1-15 Ввод 10(6) кВ. Схема электрическая принципиальная (начало) ТП 407-3-656.01-ЭП1-16 Ввод 10(6) кВ. Схема электрическая принципиальная (продолжение) ТП 407-3-656.01-ЭП1-17 Ввод 10(6) кВ. Схема электрическая принципиальная (окончание) ТП 407-3-656.01-ЭП1-18 Секционный выключатель 10(6) кВ. Схема электрическая принципиальная (начало) ТП 407-3-656.01-ЭП1-19 Секционный выключатель 10(6) кВ. Схема электрическая принципиальная (продолжение) ТП 407-3-656.01-ЭП1-20 Секционный выключатель 10(6) кВ. Схема электрическая принципиальная (окончание) ТП 407-3-656.01-ЭП1-21 Линия 10(6) кВ с АПВ. Схема электрическая принципиальная (начало) ТП 407-3-656.01-ЭП1-22 Линия 10(6) кВ с АПВ. Схема электрическая принципиальная (продолжение) ТП 407-3-656.01-ЭП1-23 Линия 10(6) кВ с АПВ. Схема электрическая принципиальная (окончание) ТП 407-3-656.01-ЭП1-24 Линия 10(6) кВ без АПВ. Схема электрическая принципиальная (начало) ТП 407-3-656.01-ЭП1-25 Линия 10(6) кВ без АПВ. Схема электрическая принципиальная (продолжение) ТП 407-3-656.01-ЭП1-26 Линия 10(6) кВ без АПВ. Схема электрическая принципиальная (окончание) ТП 407-3-656.01-ЭП1-27 Линия 10(6) кВ к трансформатору (схема № 1а). Схема электрическая принципиальная (начало) ТП 407-3-656.01-ЭП1-28 Линия 10(6) кВ к трансформатору (схема № 1а). Схема электрическая принципиальная (продолжение) ТП 407-3-656.01-ЭП1-29 Линия 10(6) кВ к трансформатору (схема № 1а). Схема электрическая принципиальная (окончание) ТП 407-3-656.01-ЭП1-30 Линия 10(6) кВ к трансформатору (схема № 1). Схема электрическая принципиальная (начало) ТП 407-3-656.01-ЭП1-31 Линия 10(6) кВ к трансформатору (схема № 1). Схема электрическая принципиальная (продолжение) ТП 407-3-656.01-ЭП1-32 Линия 10(6) кВ к трансформатору (схема № 1). Схема электрическая принципиальная (окончание) ТП 407-3-656.01-ЭП1-33 Трансформатор напряжения 10(6) кВ и цепи секционирования шинок. Схема электрическая принципиальная (начало) ТП 407-3-656.01-ЭП1-34 Трансформатор напряжения 10(6) кВ и цепи секционирования шинок. Схема электрическая принципиальная (продолжение) ТП 407-3-656.01-ЭП1-35 Трансформатор напряжения 10(6) кВ и цепи секционирования шинок. Схема электрическая принципиальная (окончание) ТП 407-3-656.01-ЭП1-36 Трансформатор напряжения 10(6) кВ. Схема электрическая принципиальная (окончание) ТП 407-3-656.01-ЭП1-37 Трансформатор напряжения 10(6) кВ. Схема электрическая принципиальная (начало) ТП 407-3-656.01-ЭП1-38 Трансформатор напряжения 10(6) кВ. Схема электрическая принципиальная (продолжение) ТП 407-3-656.01-ЭП1-39 Схема оперативной блокировки разъединителей РУ-10(6) кВ (схема №1). ТП 407-3-656.01-ЭП1-40 РУ-10(6) кВ. План шинок (начало) ТП 407-3-656.01-ЭП1-41 РУ-10(6) кВ. План шинок (окончание) ТП 407-3-656.01-ЭП1-42 Схема дуговой защиты ТП 407-3-656.01-ЭП1-43 Ввод 0,4 кВ трансформатора. Схема электрическая принципиальная ТП 407-3-656.01-ЭП1-44 Секционный автомат 0,4 кВ. Схема электрическая принципиальная ТП 407-3-656.01-ЭП1-45 Ввод 0,4 кВ трансформатора. Перечень аппаратуры ТП 407-3-656.01-ЭП1-46 Секционный автомат 0,4 кВ. Перечень аппаратуры ТП 407-3-656.01-ЭП1-47 Схема электрическая подключения преобразователей тока и напряжения (пример) ТП 407-3-656.01-ЭП1-48 РУ-10(6) кВ. Схема междушкафных шинных перемычек (пример) ТП 407-3-656.01-ЭП1-49 РУ-10(6) кВ. Ряд зажимов шкафа ввода №1(2) ТП 407-3-656.01-ЭП1-50 РУ-10(6) кВ. Ряд зажимов шкафа секционного выключателя ТП 407-3-656.01-ЭП1-51 РУ-10(6) кВ. Ряд зажимов шкафа трансформатора напряжения 1 секции ТП 407-3-656.01-ЭП1-52 РУ-10(6) кВ. Ряд зажимов шкафа трансформатора напряжения 2 секции ТП 407-3-656.01-ЭП1-53 РУ-10(6) кВ. Ряд зажимов шкафа линии к трансформатору 1000 кВА (схема №1 а) ТП 407-3-656.01-ЭП1-54 РУ-10(6) кВ. Ряд зажимов шкафа линии к трансформатору (схема №1) ТП 407-3-656.01-ЭП1-55 РУ-10(6) кВ. Ряд зажимов шкафа линии с АПВ ТП 407-3-656.01-ЭП1-56 РУ-10(6) кВ. Ряд зажимов шкафа линии без АПВ ТП 407-3-656.01-ЭП1-57 РУ-10(6) кВ. Ряды зажимов шкафа низковольтной аппаратуры ТП 407-3-656.01-ЭП1-58 Трансформатор Т1(Т2). Ряды зажимов панелей ЩО70-3М вводов ТП 407-3-656.01-ЭП1-59 Секционный автомат 0,4 кВ. Ряды зажимов панелей ЩО70-3М вводов ТП 407-3-656.01-ЭП1-60 Шкаф оперативного тока ШОТ-01. Ряд зажимов. ТП 407-3-656.01-ЭП1 Прилагаемые документы ТП 407-3-656.01-ЭП1.ЛО1 Опросный лист на шкафы серии КРУ-С. Схема №1 ТП 407-3-656.01-ЭП1.ЛО2 Опросный лист на панели ЩО70-3М с АВР |
| Разработан: | Гипрокоммунэнерго |
| Утверждён: | 23.01.2003 ЗАО Альстом СЭМЗ (22) |


































































