Скачать Типовые проектные решения 904-02-3 Альбом IV. Кондиционер с двумя приточными (рабочим и резервным) и двумя рециркуляционными (рабочим и резервным) вентиляторамиДата актуализации: 01.01.2021
|
| Обозначение: | Типовые проектные решения 904-02-3 |
| Обозначение англ: | 904-02-3 |
| Статус: | справочные материалы, мп, тпр |
| Название рус.: | Альбом IV. Кондиционер с двумя приточными (рабочим и резервным) и двумя рециркуляционными (рабочим и резервным) вентиляторами |
| Дата добавления в базу: | 01.09.2013 |
| Дата актуализации: | 01.01.2021 |
| Дата окончания срока действия: | 01.07.1981 |
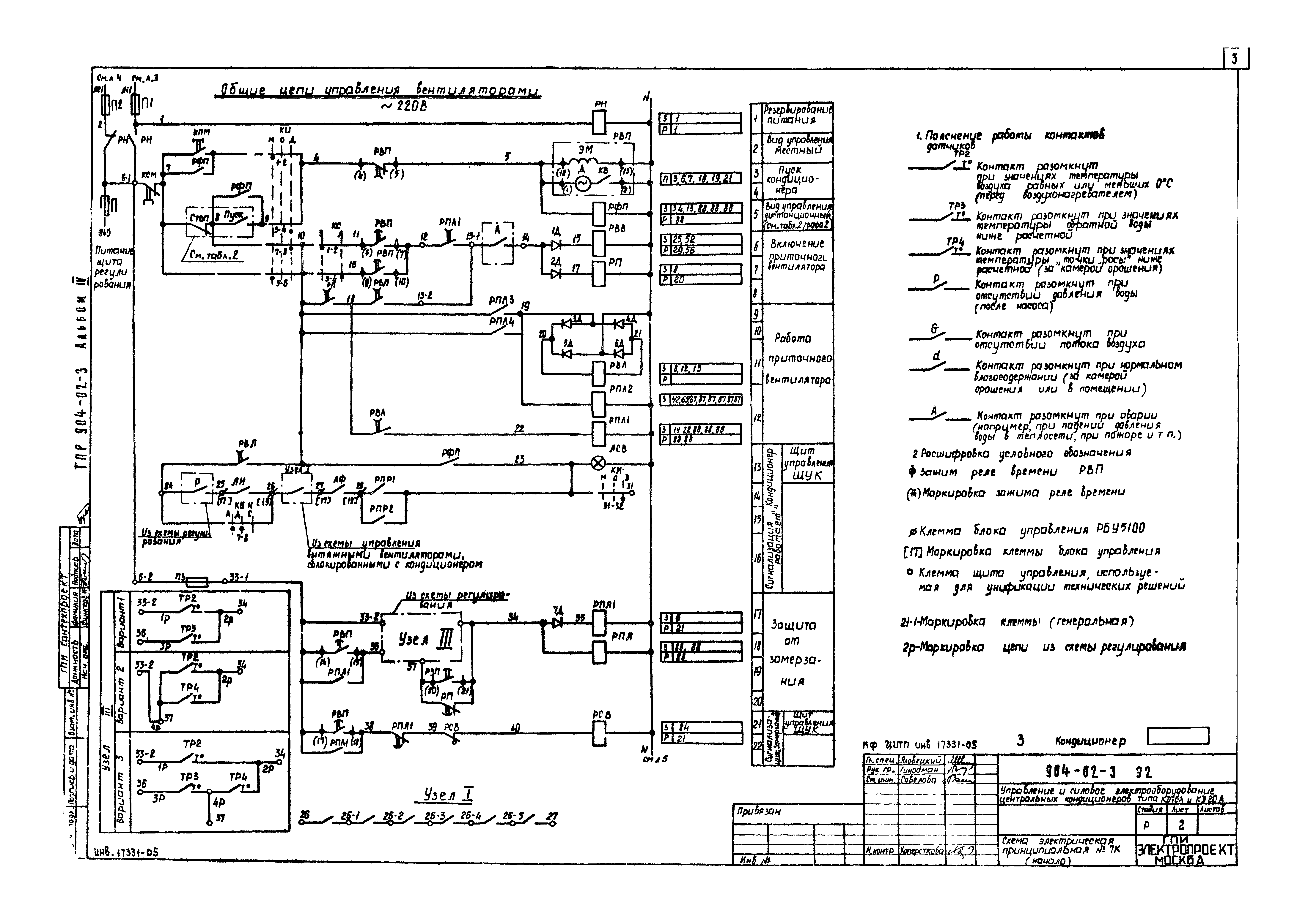
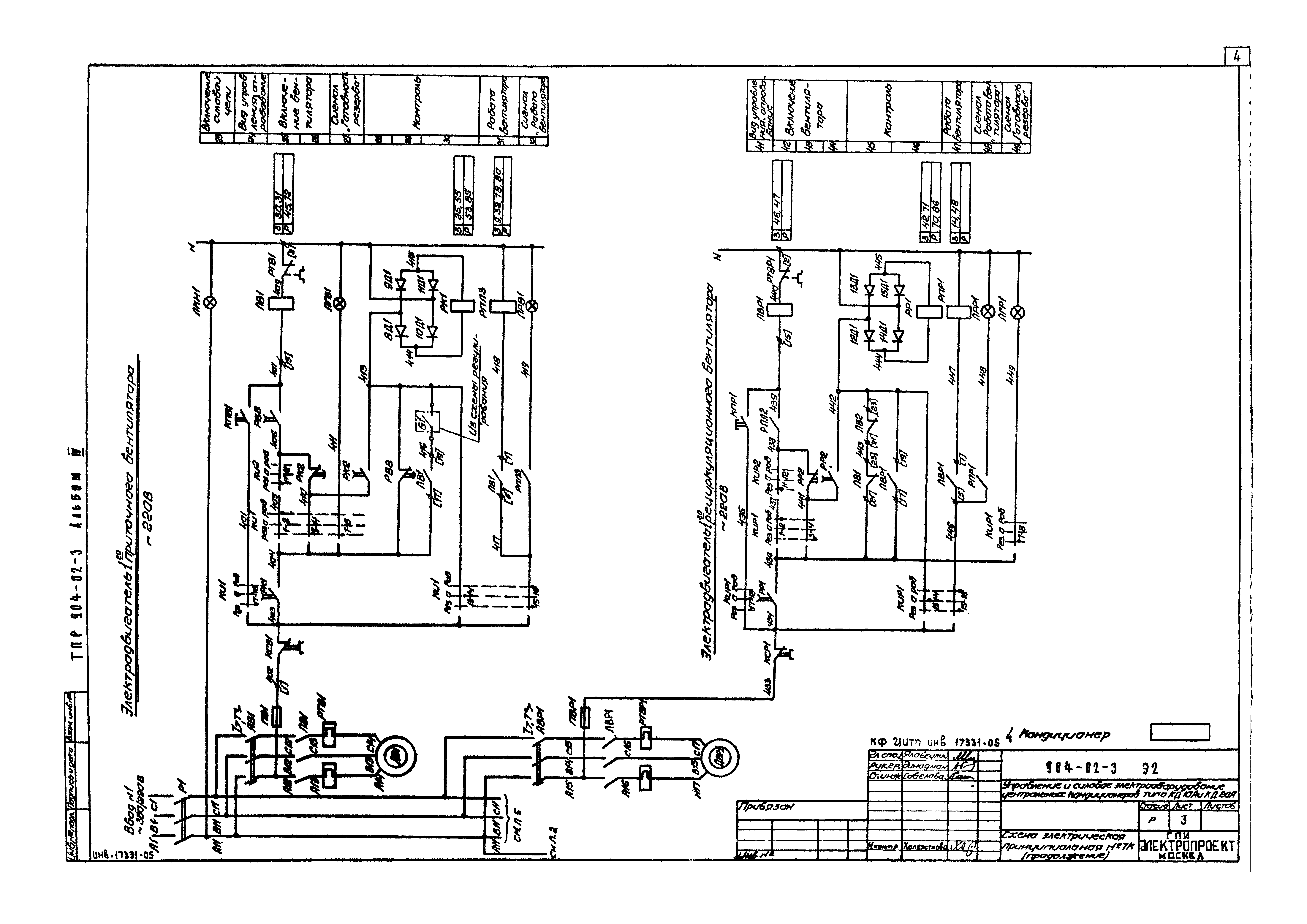
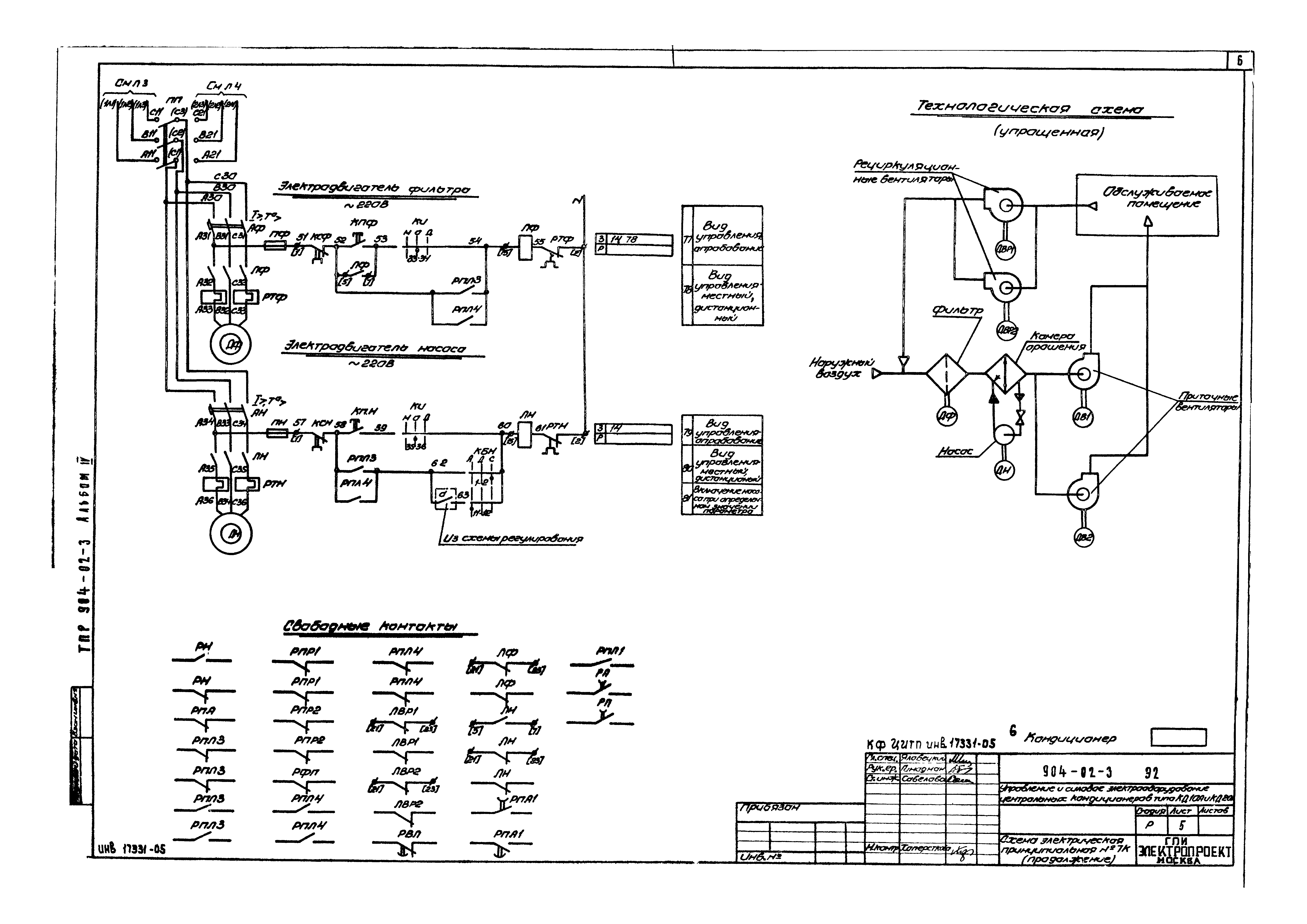
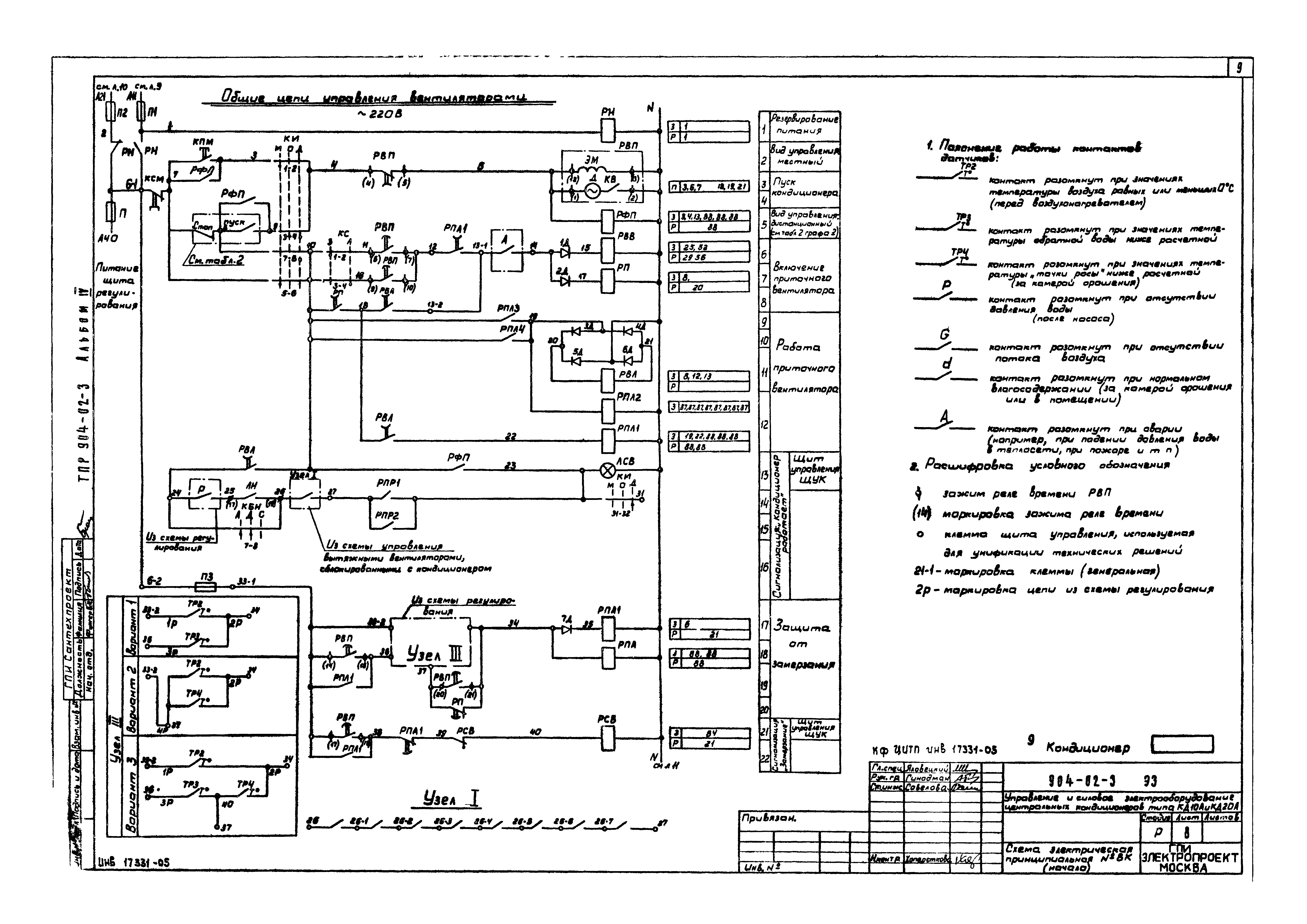
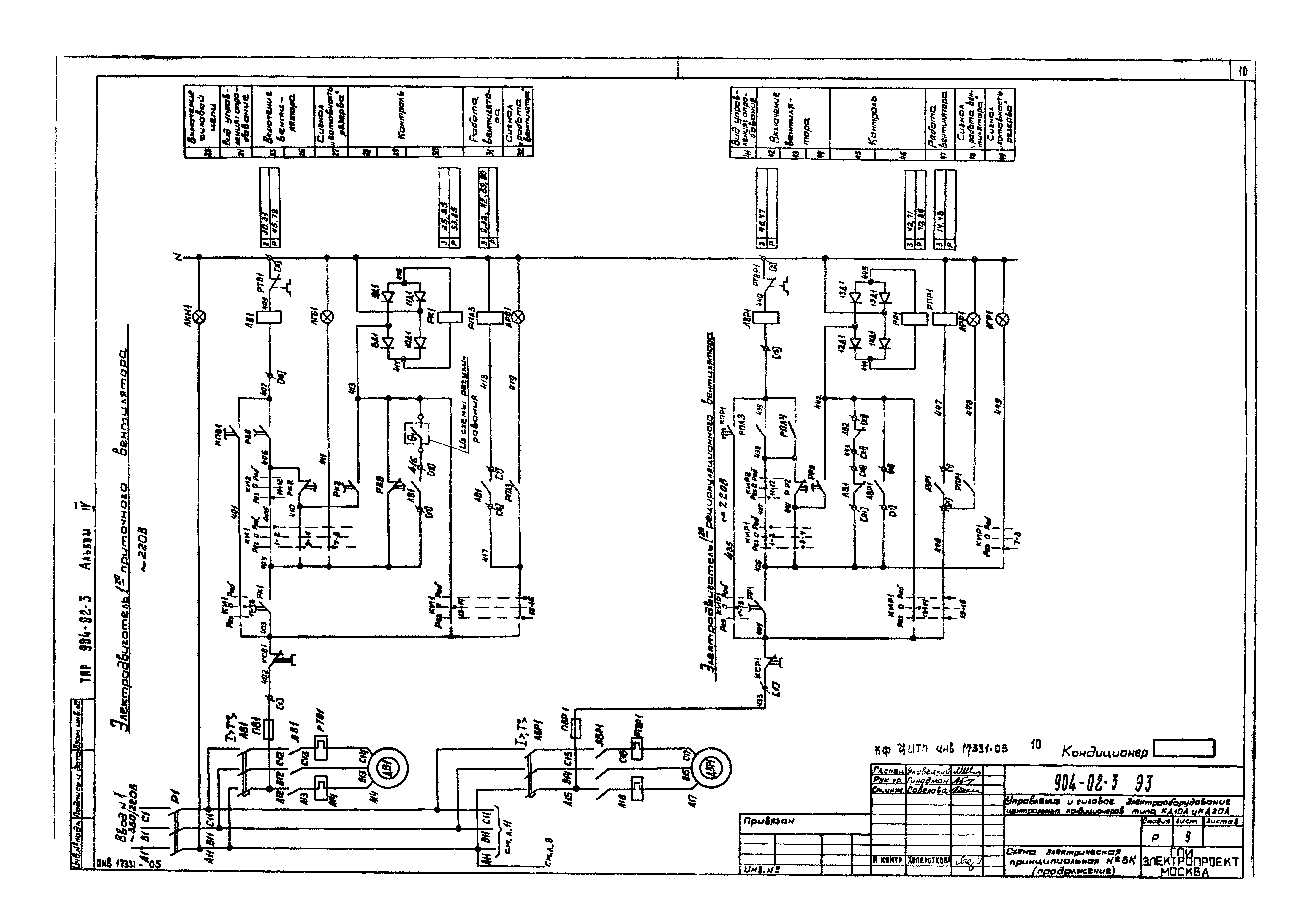
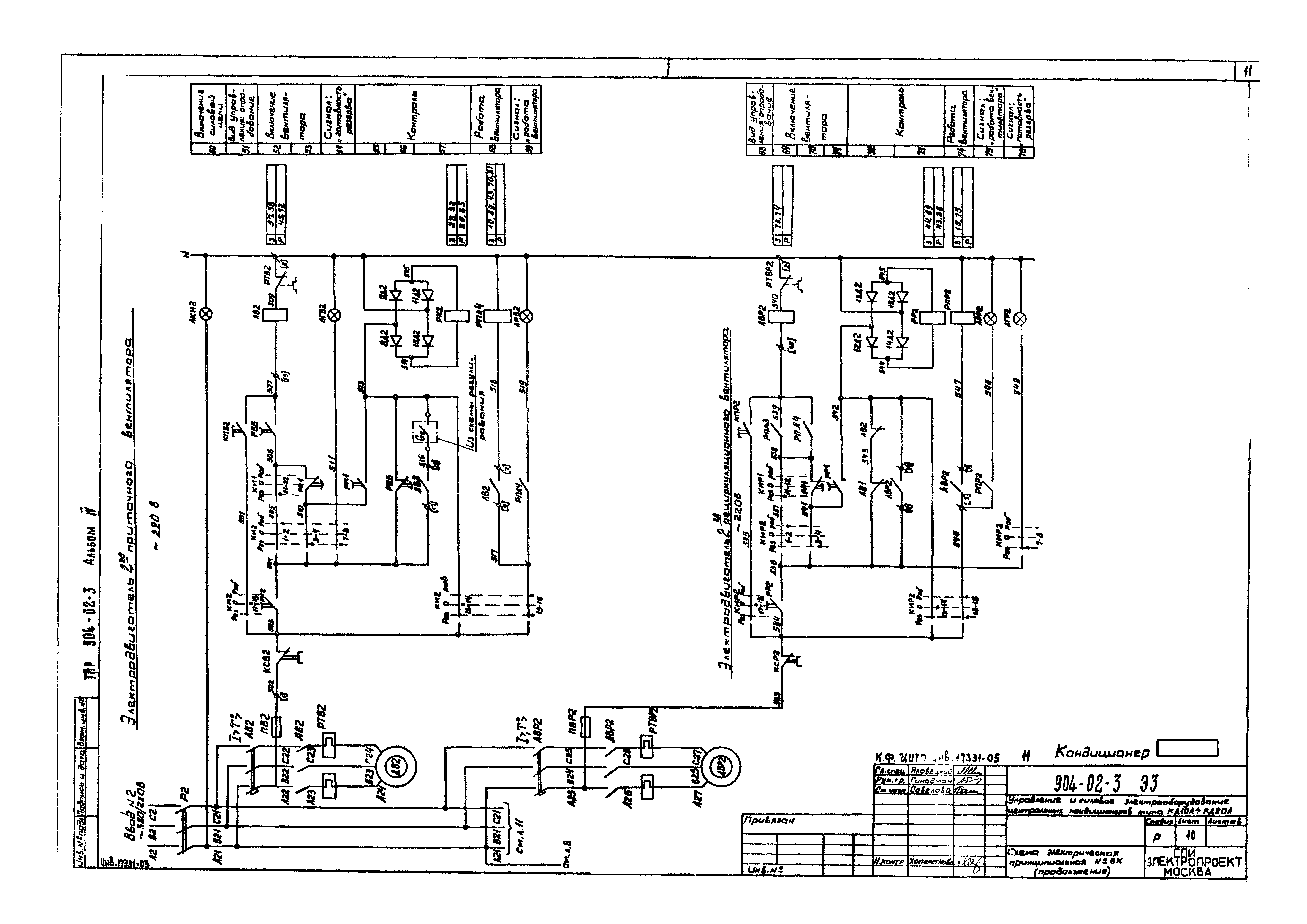
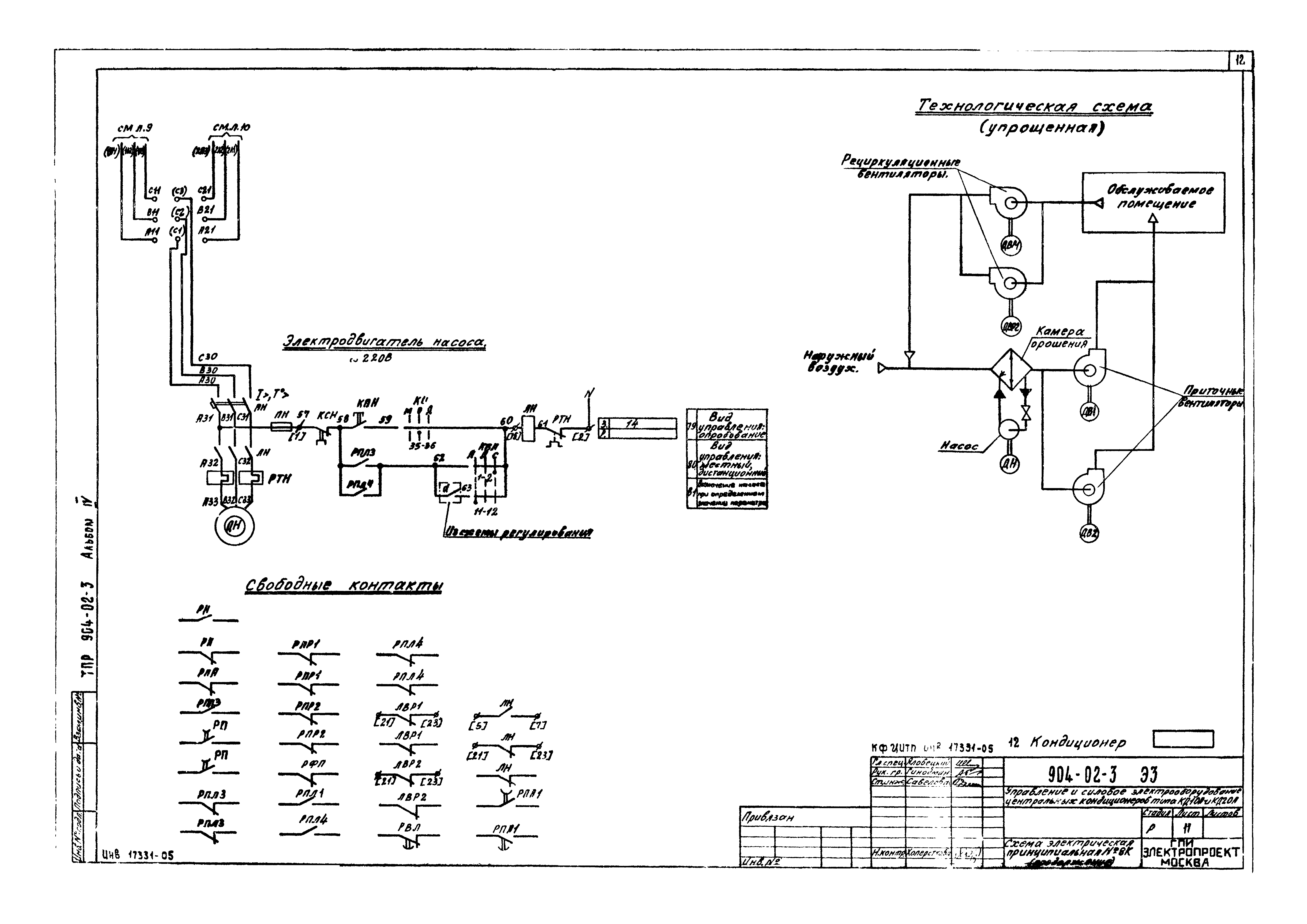
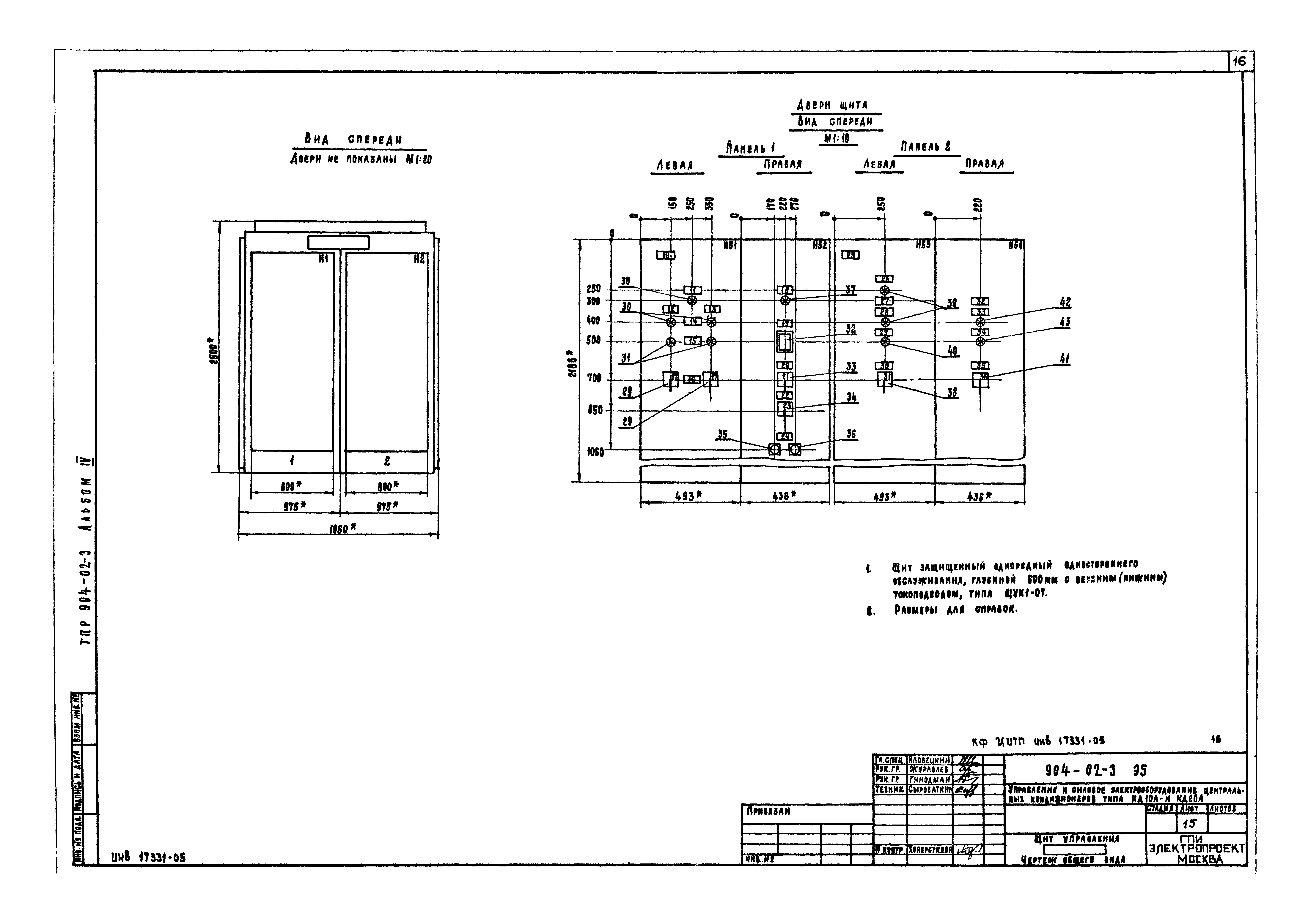
| Оглавление: | ТП 904-02-3-Э1 Общие данные ТП 904-02-3-Э2 Схема электрическая принципиальная № 7К ТП 904-02-3-Э3 Схема электрическая принципиальная № 8К ТП 904-02-3-Э4 Диаграмма замыкания контактов реле времени РВП ТП 904-02-3-Э5 Щит управления □. Чертеж общего вида ТП 904-02-3-Э6 Щит управления □. Клеммник ТП 904-02-3-Э7 Щит управления □. Чертеж общего вида ТП 904-02-3-Э8 Щит управления □. Клеммник ТП 904-02-3-Э9 Опросный лист |
| Разработан: | Электропроект Минмонтажспецстроя СССР |
| Утверждён: | 23.06.1981 Главпромстройпроект Госстроя СССР (43) |





















